首页 > 机械行业标准(JB) > JB/T 4211.10-1996 冷镦螺钉模具 凹模 B型
JB/T 4211.10-1996

基本信息

标准号: JB/T 4211.10-1996

中文名称:冷镦螺钉模具 凹模 B型

标准类别:机械行业标准(JB)

标准状态:现行

发布日期:1996-09-03

实施日期:1997-07-01

出版语种:简体中文

下载格式:.rar.pdf

下载大小:54792

相关标签: 冷镦 螺钉 模具 凹模

标准分类号

中标分类号:机械>>工艺装备>>J46模具

关联标准

替代情况:JB 4211.10-1986

出版信息

页数:3 页

标准价格:8.0 元

相关单位信息

归口单位:北京机电研究所

发布部门:北京机电研究所

标准简介

本标准规定了冷镦GB 65开槽圆柱头螺钉、GB 69开槽半沉头螺钉、GB 819十字槽沉头螺钉、GB 820十字槽半沉头螺钉M2~M10B型凹模的结构型式与尺寸、技术要求和标记 本标准适用于双击整模自动冷镦机的模具。 JB/T 4211.10-1996 冷镦螺钉模具 凹模 B型 JB/T4211.10-1996 标准下载解压密码:www.bzxz.net

标准图片预览

JB/T 4211.10-1996 冷镦螺钉模具 凹模 B型
JB/T 4211.10-1996 冷镦螺钉模具 凹模 B型
JB/T 4211.10-1996 冷镦螺钉模具 凹模 B型

标准内容

1范围
中华人民共和国机械行业标准
冷镦螺钉模具
凹模B型
JB/T 4211.10—96
代替 JB4211.10—86
本标准规定了冷镦GB68开槽沉头螺钉、GB69开槽半沉头螺钉、GB819十字槽沉头螺钉、GB820十字槽半沉头螺钉M2~M10B型凹模的结构型式与尺寸、技术要求和标记。本标准适用于双击整模自动冷镦机的模具。2
引用标准
下列标准所包含的条文,通过在本标准中引用而构成为本标准的条文。本标准出版时,所示版本均为有效。所有标准都会被修订,使用本标准的各方应探讨使用下列标准最新版本的可能性。GB68—85开槽沉头螺钉
GB69—85开槽半沉头螺钉
GB819—85十字槽沉头螺钉
GB820—85十字槽半沉头螺钉
5碳素工具钢技术条件
GB 1298--86
GB 1299—85
合金工具钢技术条件
JB/T4213—96紧固件冷镦模具技术条件3结构型式与尺寸
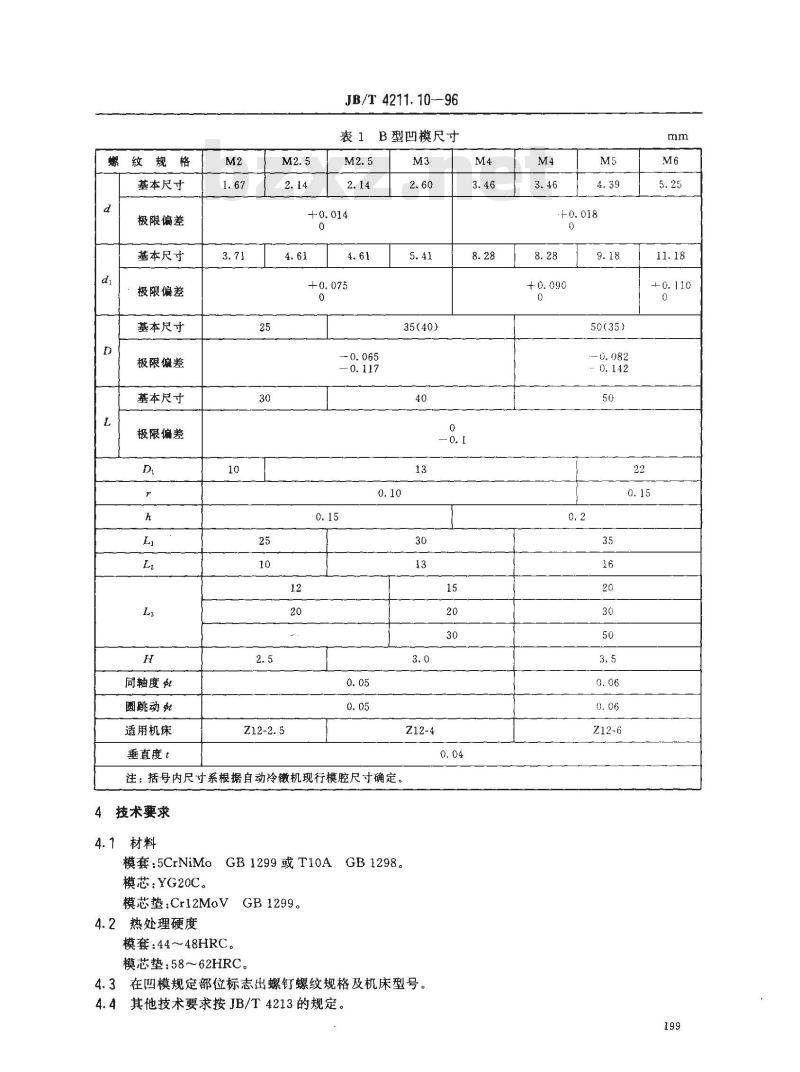
B型凹模的结构型式如图1所示,尺寸在表1中给出。1
B型凹模结构型式
中华人民共和国机械工业部1996-09-03批准198
A部放大图
1997-07-01实施
纹规格
基本尺寸
极限偏差
基本尺寸
极限偏差
基本尺寸
极限偏差
基本尺寸
极限偏差
同轴度虹
圆跳动虹
适用机床
垂直度t
JB/T4211.10-96
表1B型凹模尺寸
35(40)
注:括号内尺寸系根据自动冷镦机现行模腔尺寸确定。技术要求
4.1材料
模套:5CrNiMoGB1299或T10AGB1298。模芯:YG20CWww.bzxZ.net
模芯垫:Cr12MoV
4.2热处理硬度
模套:44~48HRC。
GB1299。
模芯垫:5862HRC。
4.3在凹模规定部位标志出螺钉螺纹规格及机床型号。4.4其他技术要求按JB/T4213的规定。M4
50(35)
5标记
本标准的标记内容由下列要素组成:a)名称;
JB/T4211.10—-96
b)螺钉的标准号、螺纹规格及机床型号;c)本标准号。
示例:M6GB68开槽沉头螺钉,Z12-6机床用B型凹模的标记为:凹模GB68M6Z12-6JB/T4211.10—96200
小提示:此标准内容仅展示完整标准里的部分截取内容,若需要完整标准请到上方自行免费下载完整标准文档。