首页 > 机械行业标准(JB) > JB/T 4211.11-1996 冷镦螺钉模具 凹模 C型
JB/T 4211.11-1996

基本信息

标准号: JB/T 4211.11-1996

中文名称:冷镦螺钉模具 凹模 C型

标准类别:机械行业标准(JB)

标准状态:现行

发布日期:1996-09-03

实施日期:1997-07-01

出版语种:简体中文

下载格式:.rar.pdf

下载大小:40248

相关标签: 冷镦 螺钉 模具 凹模

标准分类号

中标分类号:机械>>工艺装备>>J46模具

关联标准

替代情况:JB 4211.11-1986

出版信息

页数:2 页

标准价格:8.0 元

相关单位信息

归口单位:北京机电研究所

发布部门:北京机电研究所

标准简介

本标准规定了冷镦GB 65开槽圆柱头螺钉、GB 67开槽盘头螺钉、GB 818十字槽盘头螺钉M8~M10C型凹模的结构型式与尺寸、技术要求和标记。 本标准适用于双击整模自动冷镦机的模具。 JB/T 4211.11-1996 冷镦螺钉模具 凹模 C型 JB/T4211.11-1996 标准下载解压密码:www.bzxz.net

标准图片预览

JB/T 4211.11-1996 冷镦螺钉模具 凹模 C型
JB/T 4211.11-1996 冷镦螺钉模具 凹模 C型

标准内容

1范围
中华人民共和国机械行业标准
冷镦螺钉模具
凹模C型
JB/T 4211. 11--96
代替JB4211.11—86
本标准规定了冷镦GB65开槽圆柱头螺钉、GB67开槽盘头螺钉、GB818十字槽盘头螺钉、M8~M10C型凹模的结构型式与尺寸,技术要求和标记。本标准适用于双击整模自动冷镦机的模具。引用标准Www.bzxZ.net
下列标准所包含的条文,通过在本标准中引用而构成为本标准的条文。本标准出版时,所示版本均为有效。所有标准都会被修订,使用本标准的各方应探讨使用下列标准最新版本的可能性。GB65--85开槽圆柱头螺钉
GB67-—85开槽盘头螺钉
GB818—85十字槽盘头螺钉
GB1222—84弹簧钢
GB1299—85
合金工具钢技术条件
JB/T 4213—96
3结构型式与尺寸
紧固件冷镦模具技术条件
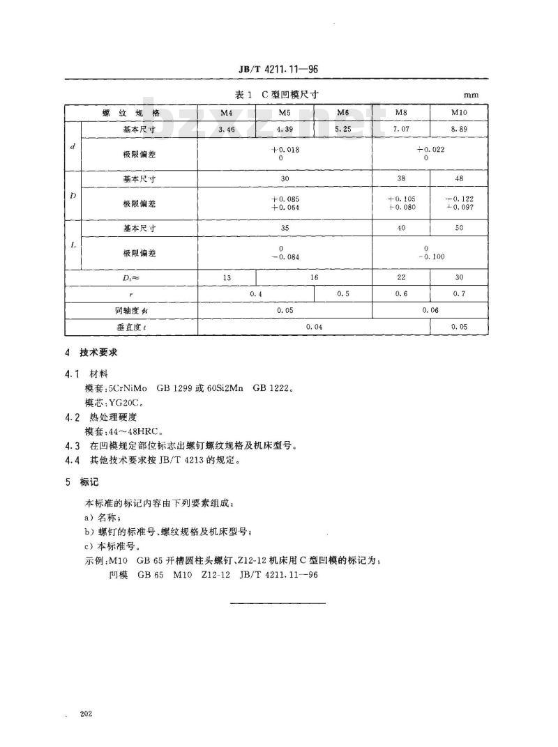
C型凹模的结构型式如图1所示,尺寸在表1中给出。标志
图1C型凹模结构型式
中华人民共和国机械工业部1996-09-03批准1997-07-01实施
螺纹规格
基本尺寸
极限偏差
基本尺寸
极限偏差
基本尺寸
极限偏差
同轴度虹
垂直度t
4技术要求
4.1材料
JB/T4211.11—96
表1C型凹模尺寸
模套:5CrNiMoGB1299或60Si2Mn模芯:YG20C。
4.2热处理硬度
模套:44~48HRC。
4.3在凹模规定部位标志出螺钉螺纹规格及机床型号。4.4其他技术要求按JB/T4213的规定。5标记
本标准的标记内容由下列要素组成:a)名称:
b)螺钉的标准号、螺纹规格及机床型号:c)本标雅号。
示例:M10GB65开槽圆柱头螺钉、Z12-12机床用C型凹模的标记为:[模GB65M10Z12-12JB/T4211.11-96202
小提示:此标准内容仅展示完整标准里的部分截取内容,若需要完整标准请到上方自行免费下载完整标准文档。