首页 > 机械行业标准(JB) > JB/T 4212.2-1996 冷镦内六角圆柱头螺钉模具 初镦冲头顶杆
JB/T 4212.2-1996

基本信息

标准号: JB/T 4212.2-1996

中文名称:冷镦内六角圆柱头螺钉模具 初镦冲头顶杆

标准类别:机械行业标准(JB)

标准状态:现行

发布日期:1996-09-03

实施日期:1997-07-01

出版语种:简体中文

下载格式:.rar.pdf

下载大小:42149

相关标签: 冷镦 内六角 圆柱 螺钉 模具

标准分类号

中标分类号:机械>>工艺装备>>J46模具

关联标准

替代情况:JB 4212.2-1986

出版信息

页数:2 页

标准价格:8.0 元

相关单位信息

归口单位:北京机电研究所

发布部门:北京机电研究所

标准简介

本标准规定了冷镦GB 70内六角圆柱头螺钉M4~M16初镦冲头顶杆的结构型式与尺寸、技术要求和标记。 本标准适用于双击整模自动冷镦机的模具。 JB/T 4212.2-1996 冷镦内六角圆柱头螺钉模具 初镦冲头顶杆 JB/T4212.2-1996 标准下载解压密码:www.bzxz.net

标准图片预览

JB/T 4212.2-1996 冷镦内六角圆柱头螺钉模具 初镦冲头顶杆
JB/T 4212.2-1996 冷镦内六角圆柱头螺钉模具 初镦冲头顶杆

标准内容

中华人民共和国机械行业标准
冷内六角圆柱头螺钉模具
初冲头顶杆
JB/T 4212. 2-96
代替JB4212.2—86
本标准规定了冷镦GB70内六角圆柱头螺钉M4~~M16初镦冲头顶杆的结构型式与尺寸、技术要求和标记。
本标准适用于双击整模自动冷镦机的模具。2引用标准
下列标准所包含的条文,通过在本标准中引用而构成为本标准的条文。本标准出版时,所示版本均为有效。所有标准都会被修订,使用本标准的各方应探讨使用下列标准最新版本的可能性。GB70—85内六角圆柱头螺钉
GB1222—84弹簧钢
GB1299—85合金工具钢技术条件JB/T4213--96紧固件冷镦模具技术条件3结构型式与尺寸
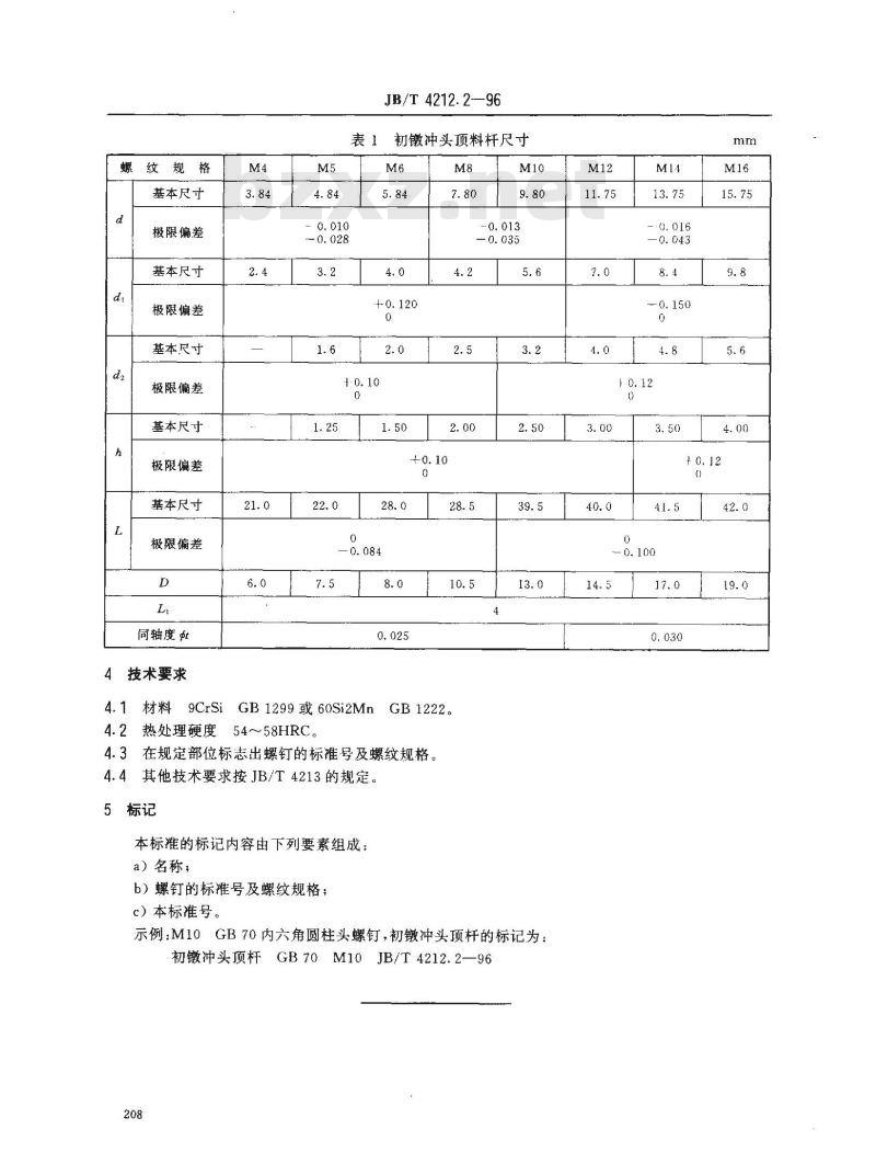
初镦冲头顶杆的结构型式如图1所示,尺寸在表1中给出。12.5
1×45°
图1初镦冲头顶杆结构型式
中华人民共和国机械工业部1996-09-03批准1997-07-01实施
基本尺寸
极限偏差
基本尺寸
极限偏差
基本尺寸
极限偏差
基本尺寸
极限偏差
基本尺寸
极限偏差
同轴度虹
4技术要求
4.1材料9CrSi
JB/T 4212.2—96
初镦冲头顶料杆尺寸
GB1299或60Si2Mn此内容来自标准下载网
GB 1222。
4.2热处理硬度
54~~58HRC。
4.3在规定部位标志出螺钉的标准号及螺纹规格。4.4其他技术要求按JB/T4213的规定。5标记
本标准的标记内容由下列要素组成:a)名称;
b)螺钉的标准号及螺纹规格;
c)本标准号。
示例:M10GB70内六角圆柱头螺钉,初镦冲头顶杆的标记为:初镦冲头顶杆GB70M10JB/T4212.2—96208
小提示:此标准内容仅展示完整标准里的部分截取内容,若需要完整标准请到上方自行免费下载完整标准文档。