首页 > 化工行业标准(HG) > HG/T 2762-1996 水处理剂产品分类和命名
HG/T 2762-1996

基本信息

标准号: HG/T 2762-1996

中文名称:水处理剂产品分类和命名

标准类别:化工行业标准(HG)

标准状态:已作废

发布日期:1996-01-24

实施日期:1994-10-01

作废日期:2007-03-01

出版语种:简体中文

下载格式:.rar.pdf

下载大小:156942

相关标签: 处理剂 产品 分类

标准分类号

标准ICS号:化工技术>>分析化学>>71.040.30化学试剂

中标分类号:化工>>化学助剂、表面活性剂、催化剂、水处理剂>>G76水处理剂基础标准与通用方法

关联标准

替代情况:被HG/T 2762-2006代替

出版信息

页数:8页

标准价格:15.0 元

相关单位信息

标准简介

HG/T 2762-1996 水处理剂产品分类和命名 HG/T2762-1996 标准下载解压密码:www.bzxz.net

标准图片预览

HG/T 2762-1996 水处理剂产品分类和命名
HG/T 2762-1996 水处理剂产品分类和命名
HG/T 2762-1996 水处理剂产品分类和命名
HG/T 2762-1996 水处理剂产品分类和命名
HG/T 2762-1996 水处理剂产品分类和命名

标准内容

HG2762-1996
随着我国工业水处理技术的发展,水处理药剂不断推出新的品种。据不完全统计,目前全国有水处理药剂生产百余家,产品超过二百余种。除少数品种外,由于各种原因,大多数水处理药剂的名称十分混乱,这与本行业在国民经济发展中占有的越来越重要的地位是不相称的。因而,制订“水处理剂产品分类和命名”行业标准,结束策水处理剂产品名称的混乱局面是十分必要的。在本标准的制订过程中,充分考虑了水处理行业多年的习惯,广泛听取了生产企业和各方面用户的意免,同时也考了化工系统其他行业产品分类命名的有关标准。从1997年1月1日起实施,1998年1月1日起所有水处理剂产品的名称,均应符合本标准的规定。本标准由中华人民共和国化学工业部技术监督局提出。本标准由化学工业部天津化工研究院归口。本标准负责起草单位:化学工业部天津化工研究院、上海石化股份公司研究总院、北京燕山石油化工公司研究院、武进精细化工厂、南京化工学院武进水质稳定剂厂。本标准主題起草人:黄家棚、诸育德、庞如振、杨自诚、常春华。17
1范围
中华人民共和国化工行业标准
水处理剂产品分类和命名
本标准规了水处理剂产品分类和命名的原则和方法。HG2762-1996
本标准适用于水处理剂产品分类、命名的管理工作,也适用于识别水处理剂产品的基本性能。2分类和代号
2.1水处理剂产歸以其在水处理过程中的基本用途为基础,分为八个大类。类别代号由两个大写的汉语拼音字母组成。两个汉语拼音字母分别为类别名称的两个主要汉字的第个拼音字母
产品类别和代号见表1。
表1产品类别和代号
类别代号
类别名称
阻垢分散剂
缓蚀剂
阻垢缓蚀剂
类别代号
类别名称
絮凝剂
清洗剂
预膜剂
2.2在得个类剃中,根据产品的化学成分或使用特性,又分为著干系列。系列代号由类别代号和二位阿拉伯数字组成。
2.2.1阻垢分散剂产品系列和代号见表2。表2阻垢分散剂产品系列和代号
类别代号
系列代号
中华人民共和国化学工业部1996-01-24批准18
天然高分子化合物
有机膦酸及其盐类
聚发酸及其盐类
膦羧酸类
羟基膦羧酸类
多元醇磷酸酯类
产品化学成分
丙烯酸-丙烯酸酯类二元其物
丙烯酸-磺酸类二元共聚物
丙烯酸-丙烯酰胺二元共聚物
马来酸-丙烯酸类二元共聚物
马来酸-乙酸乙烯二元共聚物
1997-01-01实施
类别代号
系列代号
2.2.2缓蚀剂产品系列和代号见表3。HG 2762-1996
表2(完)
产品化学成分
丙烯酸-丙烯酸酷类三元共聚物
丙烯酸-磺酸类三元共聚物
丙烯酸-丙烯酰胺三元共聚物
马来酸-丙烯酸类元共聚物
3缓蚀剂产品系列和代号
类别代号
系列代号
2.2.3阻垢缓蚀剂产品系列和代号见表4.无机化合物类
有机化合物类
产品化学成分或使用特性
无机复合冷却水系统缓蚀剂
有机复合冷却水系统缓蚀剂
无机、有机复合冷却水系统缓蚀剂,无机复合酸洗缓蚀剂
」有机复合酸洗缓蚀剂
无机、有机复合酸洗缓蚀剂
表4阻垢缓蚀剂产品系列和代号
类别代号
系列代号
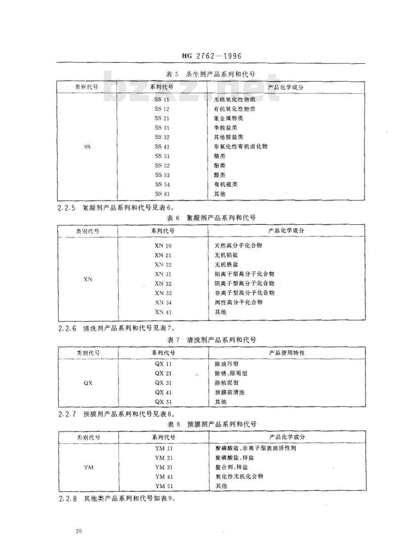
2.2.4杀生剂产品系列和代号见表5。产品化学成分
聚磷酸盐、聚羧酸(盐)
聚磷酸盐、共聚物
有机麟酸、聚羧酸(盐)
有机麟酸、共聚物
钨酸盐、聚羧酸
聚磷酸盐、聚羧酸(盐)锌盐
聚磷酸盐、共聚物、锌盐
有机膦酸、聚羧酸(盐)、锌盐有机麟酸、共聚物、锌盐
有机麟酸、共聚物、聚羧酸盐
有机麟酸、聚磷酸盐、共聚物下载标准就来标准下载网
有机麟酸、共聚物、噻唑类
多元醇磷酸酯、磺化木质素、锌盐膦羧酸、共聚物、有机膦酸
有机麟酸、聚羧酸、聚磷酸盐、锌盐磷酸酯、木质素、共聚物、噻唑类铝酸盐、麟羧酸、共聚物、锌盐有机麟酸、共聚物、噻唑类、锌盐聚羧酸、有机麟酸、聚磷酸盐、锌盐、噻唑类铝酸盐、噻唑类、聚磷酸盐、有机麟酸、锌盐19
类别代号
HG 2762-1996
表5杀生剂产品系列和代号
系列代号
2.2.5絮凝剂产品系列和代号见表6。无机氧化性物质
有机氧化性物质
重金属物质
季胺盐类
其他胺盐类
产品化学成分
非氧化性舞机卤化物
有机硫类
毅凝剂产品系列和代号
类别代号
系列代号
2.2.6清洗剂产品系列和代号见表7。天然高分子化合物
无机铅盐
无机铁盐
产品化学成分
阳离子型分子化合物
阴离子型离分子化合物
非离子型高分子化合物
两性高分子化合物
表?清洗剂产品系列和代号
类别代号
系列代号
预膜剂产品系列和代号见表8。
除油污型
除锈、除垢型
除粘泥型
预膜前清
表8预膜剂产品系列和代号
举别代号
系列代号
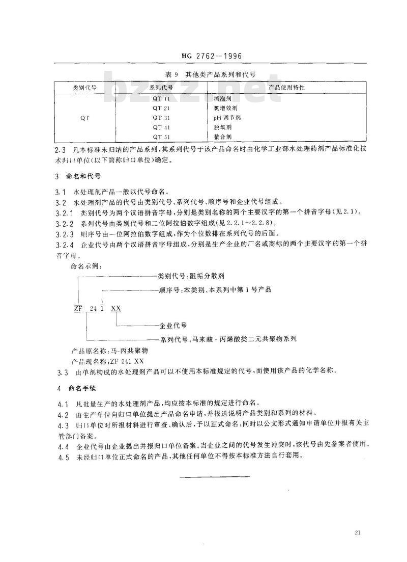
2.2.8其他类产品系列和代号如表9。20
产品使用特性
产品化学成分
聚磷酸盐、非离子型表面活性剂聚磷酸盐、锌盐
螯合剂、锌盐
氧化性无机化合物
类别代号
HG2762--1996
表9其他类产品系列和代号
系列代号
消泡剂
氯增效剂
pH 调节剂
脱氧剂
螯合剂
产品使用特性
2.3凡本标准未归纳的产品系列,其系列代号于该产品命名时由化学工业部水处理药剂产品标准化技术归!单位(以下简称归口单位)确定。3命名和代号
3.1水处理剂产品一般以代号命名。3.2水处理剂产品的代号由类别代号、系列代号、顺序号和企业代号组成。3.2.1类别代号为两个汉语拼音字母,分别是类别名称的两个主要汉字的第一个拼音字母(见2.1)。3.2.2系列代号由类别代号和二位阿拉伯数字组成(见2.2.1~2.2.8)。3.2.3顺序号由一位阿拉伯数字组成,作为个位数排在系列代号的后面。3.2.4企业代号由两个汉语拼音字母组成,分别是生产企业的厂名或商标的两个主要汉字的第一个拼音守博。
命名示例:
-类别代号:阻垢分散剂
-顺序号:本类别、本系列中第1号产品ZF24 xx
企业代号
-系列代号:马来酸-丙烯酸类二元共聚物系列产品原名称:马-丙共聚物
产品现名称:ZF241XX
3.3由单剂构成的水处理剂产品可以不使用本标准规定的代号,而使用该产品的化学名称。4命名手续
4.1凡批量生产的水处理剂产品,均应按本标准的规定进行命名。4.2由生产单位向归口单位提出产品命名申请,并报送说明产品类别和系列的材料。4.3归单位对所报材料进行审查、确认后,予以正式命名,同时以公文形式通知申请单位并报有关主管部门备案。
4.4企业代号由企业提出并报归口单位备案。当企业之间的代号发生冲突时,该代号由先备案者使用。4.5未经归单位正式命名的产品,其他任何单位不得按本标准方法自行套用。21
小提示:此标准内容仅展示完整标准里的部分截取内容,若需要完整标准请到上方自行免费下载完整标准文档。