首页 > 化工行业标准(HG) > HG/T 3192-1980 石墨直角弯头
HG/T 3192-1980

基本信息

标准号: HG/T 3192-1980

中文名称:石墨直角弯头

标准类别:化工行业标准(HG)

标准状态:已作废

发布日期:1983-01-25

实施日期:1983-03-01

作废日期:2009-07-01

出版语种:简体中文

下载格式:.rar.pdf

下载大小:51655

相关标签: 石墨 直角 弯头

标准分类号

标准ICS号:化工技术>>化工设备>>71.120.99其他化工设备

中标分类号:化工>>化工机械与设备>>G94非金属化工机械设备

关联标准

替代情况:由HG/T 5-1346-1980改号;被HG/T 3192-2009代替

出版信息

页数:2页

标准价格:8.0 元

相关单位信息

标准简介

由HG/T 5-1346-1980改号 HG/T 3192-1980 石墨直角弯头 HG/T3192-1980 标准下载解压密码:www.bzxz.net

标准图片预览

HG/T 3192-1980 石墨直角弯头
HG/T 3192-1980 石墨直角弯头

标准内容

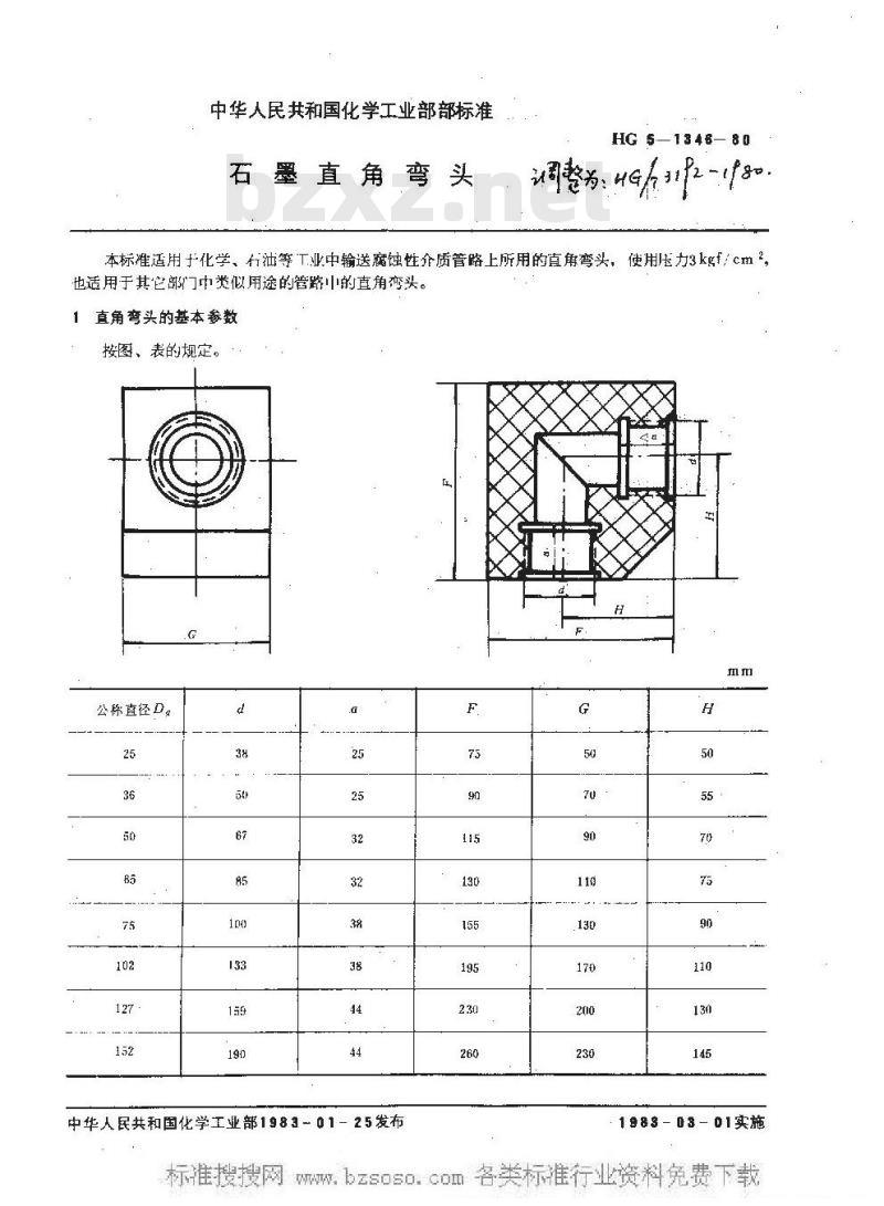
中华人民共和国化学工业部部标准石墨直角弯头
HG 5—1346— 80
af2-tfge
客为:HG存
本标准适用于化学、行油等T.业中输送腐蚀性介质管路上所用的直角弯头,使用压力3kgf/cm2,也适用于其它部门中类似用途的管路的直角弯头。直角弯头的基本参数
按图、表的规定。
公称直径D。
中华人民共和国化学工业部1983-01-25发布F.
1983-03-01实施
2技术要求
1346-80免费标准bzxz.net
按HG5—1344—80《不透性石墨管、管件及部件技术条件》。标记示例
公称直径D。25的直角密头标记如下:直角弯头D。25HG 5—1346—80。附加说明:
本标准出化学工业部化工机械研究院提出和归口。本标准由沈阳化工机械厂负责起草。本标谁主要起草人贾德厚。
小提示:此标准内容仅展示完整标准里的部分截取内容,若需要完整标准请到上方自行免费下载完整标准文档。