首页 > 化工行业标准(HG) > HG/T 3199-1981 石墨管丝埋头
HG/T 3199-1981

基本信息

标准号: HG/T 3199-1981

中文名称:石墨管丝埋头

标准类别:化工行业标准(HG)

标准状态:已作废

发布日期:1983-01-25

实施日期:1983-03-01

作废日期:2009-07-01

出版语种:简体中文

下载格式:.rar.pdf

下载大小:43063

相关标签: 石墨

标准分类号

标准ICS号:化工技术>>化工设备>>71.120.99其他化工设备

中标分类号:化工>>化工机械与设备>>G94非金属化工机械设备

关联标准

替代情况:由HG 5-1445-1981改号;被HG/T 3199-2009代替

出版信息

页数:2页

标准价格:8.0 元

相关单位信息

标准简介

原标准号HG 5-1445-1981 HG/T 3199-1981 石墨管丝埋头 HG/T3199-1981 标准下载解压密码:www.bzxz.net

标准图片预览

HG/T 3199-1981 石墨管丝埋头
HG/T 3199-1981 石墨管丝埋头

标准内容

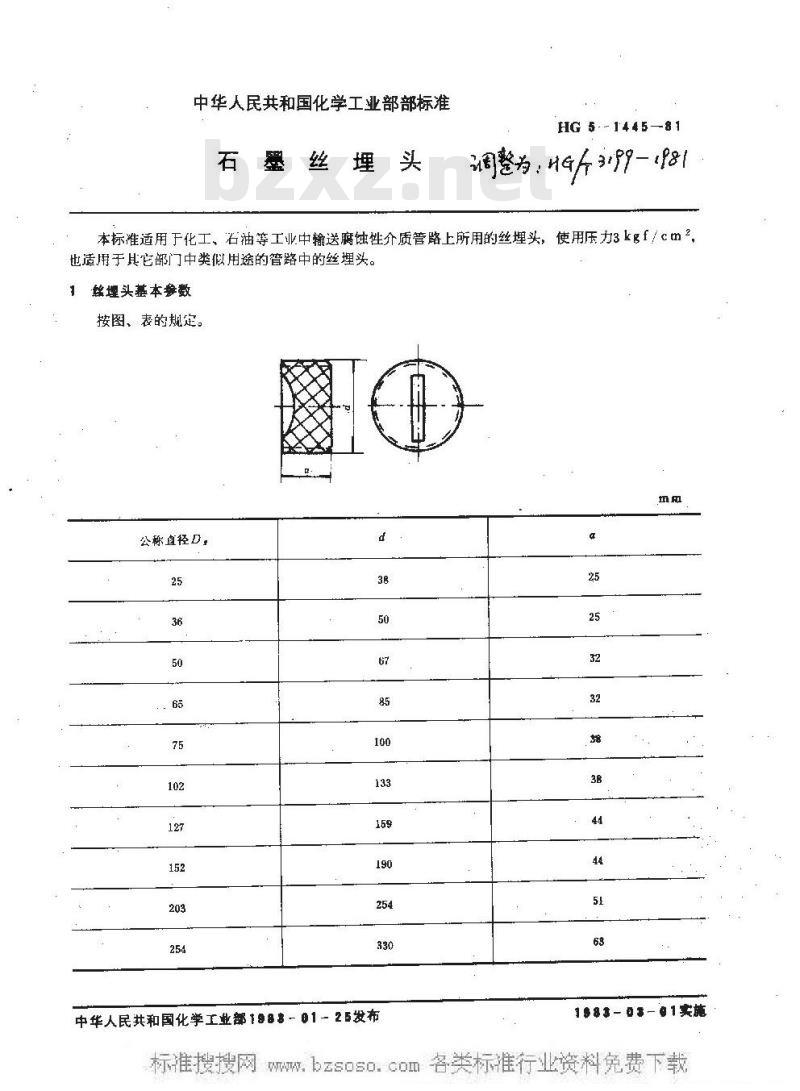
中华人民共和国化学工业部部标准石墨丝埋头
HG5--1445-81
0整为:HGh399-1181
本标准适用于化工、石油等工业中输送腐蚀性介质管路上所用的丝埋头,使用压力3kgf/cm\也适用于其它部门中类似用途的管路中的丝埋头。效埋头基本参数
按图、表的规定。
公直径D,
中华人民共和国化学工业部1888-01-25发布9
1883-03-g1卖纯
2技术要求
HG $—1445- 81
按HG5一1344一80《不透性墨管、管件及部件技术条件》,3标记示例
公称直径D25的丝理头标记如下:5HG5—1445—81。
丝埋头Dg25
附加说明:wwW.bzxz.Net
本标准由化学工业部化工机械研究院提出和归口。本标准出沈阳化工机械广负责起草。本标雄主要起草人贾德厚。
小提示:此标准内容仅展示完整标准里的部分截取内容,若需要完整标准请到上方自行免费下载完整标准文档。