首页 > 化工行业标准(HG) > HG/T 3212-1989 耐酸陶瓷矩鞍形填料技术条件
HG/T 3212-1989

基本信息

标准号: HG/T 3212-1989

中文名称:耐酸陶瓷矩鞍形填料技术条件

标准类别:化工行业标准(HG)

标准状态:已作废

实施日期:2001-10-01

作废日期:2004-08-01

出版语种:简体中文

下载格式:.rar.pdf

下载大小:139637

相关标签: 耐酸 陶瓷 填料 技术

标准分类号

中标分类号:化工>>化工机械与设备>>G94非金属化工机械设备

关联标准

替代情况:原标准号ZB G94009-1989;被GB/T 18749-2002代替

出版信息

页数:7页

标准价格:12.0 元

相关单位信息

标准简介

HG/T 3212-1989 耐酸陶瓷矩鞍形填料技术条件 HG/T3212-1989 标准下载解压密码:www.bzxz.net

标准图片预览

HG/T 3212-1989 耐酸陶瓷矩鞍形填料技术条件
HG/T 3212-1989 耐酸陶瓷矩鞍形填料技术条件
HG/T 3212-1989 耐酸陶瓷矩鞍形填料技术条件
HG/T 3212-1989 耐酸陶瓷矩鞍形填料技术条件
HG/T 3212-1989 耐酸陶瓷矩鞍形填料技术条件

标准内容

中华人民共和国专业标准
ZBG94009-89度
G/2120
耐酸陶瓷矩鞍形填料技术条件
Specifications for acid resisting ceramic intalox saddles1989-02-28发布
中华人民共和国化学工业部
标准拨换网x.b2co80.00m.各类标准行业抗科免费下载1989-07-01实施
中华人民共和国专业标准
耐酸陶瓷矩鞍形填料技术条件
Specifications for acid resisting ceramic intalox Saddles主题内容与适用范围
ZBG94009-89
本标准规定了耐酸陶瓷矩鞍形填料的形状尺寸、技术要求、试验方法、验收规则和标志、包装、运输、存的方法。
本标准适用于化学工业及有关工业的填料塔里使用的耐酸陶瓷矩鞍形填料(下面简称矩鞍形填料)。引用标准
ZBG94003耐酸陶瓷性能试验方法ZBG94008陶瓷矩鞍形填料压碎力试验方法3形状和尺寸
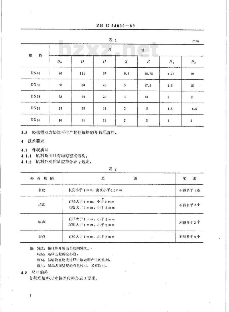
矩鞍形填料的形状和尺寸应符合图1和表1的要求。3.1
中华人民共和国化学工业部1989-02-28批准图1
标准换揽网m,bg8080-ccm各类标准行业摄料免费下载A-A.
1989-07-01实施
ZBG94009-89
经供需双方协议可生产其他规格的矩鞍形填料。4技术要求
4.1外观质量
4.1.1填料断面具有均匀密实结构。4.1.2填料外观质量应符合表2规定。表2
外观缺陷www.bzxz.net
长度小于4mm,宽度小于0.5mm
直径大于1mm,小于2mm
高度大于1mm,小于2mm
直径大于1mm,小于2mm
深度大于1mm,小乎2mm
直径大于1mm,小2mm
注:裂纹:指环体开裂而形成的畏纹。坏泡:坏体凸起的空心泡。
熔洞:易熔物在烧成过程中熔融而产生的孔凋。斑点,制品表面望现的有色污点,又称铁点。4.2尺寸偏差
知鞍形填料尺寸偏差应符合表3要求。2
bg8080-ccm各类标准行业摄料免费下载标准网
不得多于1条
不得多于2个
不得多于2个
不得多于3个
物理化学性能
ZBG94009-89
矩鞍形填料的物理化学性能应达到表4要求。表4
压碎力
试验方法
不小于
N(kgf)
吸水率
不大于
5.1尺寸测量方法
用精度不低于0.02mm的游标卡尺测量。5.1.1
测造避开毛刺和明显的表面缺陷。偏
体积密度
标准接换网b680.com各类标准行业质料免费下较差
耐酸度
不小于
耐温差急变性
温差为180℃时
试样表面无贯穿
性裂纹
ZBG94009-89
5.1.3每个填料外径D的测量方法如图2所示,检验时分别测出D和D,的数值,取其算术平均值作为外径测盘值。
5.1.4每个填料公称直径D的测乱方法如图2所示,检验时分别测出d,和d,的数值,取其算术平均值作为公称直径测量值。
5.1.5每个填料高度H的测量方法如图2所示,检验时分别测出H,、H2、H,的数值,取其算术平均值作为高度测量值。
5.1.6每个填料厚度S的测量方法如图2所示,检验时分别测出S,和Sz的数值,取其算术平均值作为厚度测盘值。
5.1.7外观质量及尺寸检验时,从一批填料中随意抽取20个填料作为试样,以20个试样测量值的平均值作为最终结果。
5.2填料外观用目视法检验。
5.3填料的物理化学性能试验方法5.3.1吸水率、体积密度
5.3.1.1试样制备从每个填料上敲取重盘不小于25g的碎块作为试样。对于重量小于25g的填料,则用填料直接测定。试样表面不得有裂纹、熔洞等缺陷。试样数量不得少于五块。
5.3.1.2试验方法按ZBG94003的规定进行。5.3.2耐酸性
按ZBG94003的规定进行。
5.3.3压碎试验
按ZBG94008的规定进行。
5.3.4耐温差急变性
5.8.4.1试样制备从检查合格的批中任取填料五个,用清水洗净,放人105~110℃的电热干燥箱中烘干,取出后置于干燥器内冷却至室温。5.3.4.2试验步骤将制备好的试样放入温度为200±5℃的电热干燥箱中加热30min,迅速取出放人温度为20±5℃的水槽中急冷,在水中浸泡15min后取出,再按上述步骤重复一次。用红墨水涂覆表面,以目视法检查试样表面有无贯穿性裂纹。5.3.4.3结果评定对五个试样进行耐温差急变性试验,若有两个试样的表面出现贯穿性的裂纹,则判定该批产品耐温差急变性能不合格。标痛换换网两
6验收规则
ZBG94009-89
6.1填料进行批量验收,以相同工艺条件制成的同一规格的矩鞍形填料50m3作为一批,少于50m2亦按一批计或另议。
6.2填料外观尺寸和理化性能检验方法,按第5章的规定逐项进行,并根据第3章和第4章规定的指标判定填料是否合格。
6.3填料外观质量检验中,如不合格率超过10%,则需从同一批产品中抽取两倍填料试样进行复验,以复验结果作为最终结果,如复验结果的不合格率仍超过10%,则该批产品为不合格品。6.4填料尺寸检验中,如不合格率超过10%,则需从同一批产品中抽取两倍填料试样进行复验,以复验结果作为最终结果,如复验结果的不合格率仍超过10%,则该批产品为不合格品。6.5填料物理化学性能检验中,如有一主能不符合要求,则需从同一批产品中再抽取同样数盘的试样,对该性能进行复验,以复验结果作为最终结果,如仍有一项不符合要求,则该批产品为不合格品。7标志、包装、运输、贮存
7.1填料包装必须保证在正带运输途中不致因包装不良而损坏。7.2每批填料发货应有产品出!合格证,合格证上应注明,。填料制造名称,
b.填料名称、规格和数量;
c.填料出厂日期及批号。
7.3包装物上应标有“瓷件”、“小心轻放”等字样或标志。7.4填料运输、装卸时要轻放,严禁挪抛。7.5填料在室外存放须盖:\布。附加说明:
本标准由中国化1.装备总公司提出。本标准由化工部化工机械设备标准化技术单位归口。本标准由化上部化1机械研究院负责起草。本标准主要起草人舒美玲。
标准微双网
营类标准行业资水免费下载
中华人民共和国
专业标准
耐酸陶瓷矩鞍形填料技术条件
ZBG94009—89
中国标准出版社出版
(北京复外三里河)
中国标准出版社北京印剧厂印刷新华书店北京发行所发行各地新华书店经售版权专有不得翻印
880×12301/16
1989年8月第一版
印张1/2
字数10000
1989年8月第一次印刷
印数1-1500
书号:155066·2-7423
标日121—41
标准换投同m28080.c0m各类标准行业资科免费下载68600
小提示:此标准内容仅展示完整标准里的部分截取内容,若需要完整标准请到上方自行免费下载完整标准文档。