首页 > 化工行业标准(HG) > HG/T 3313-2000 室温硫化甲基硅橡胶
HG/T 3313-2000

基本信息

标准号: HG/T 3313-2000

中文名称:室温硫化甲基硅橡胶

标准类别:化工行业标准(HG)

标准状态:现行

发布日期:2000-06-05

实施日期:2001-05-01

出版语种:简体中文

下载格式:.rar.pdf

下载大小:168495

相关标签: 室温 硫化 甲基 硅橡胶

标准分类号

标准ICS号:化工技术>>化工产品>>71.100.55硅树脂

中标分类号:化工>>合成材料>>G32合成树脂、塑料

关联标准

替代情况:HG/T 3313-1983 原标准号 HG 2-1494-1983

出版信息

页数:6页

标准价格:12.0 元

相关单位信息

标准简介

HG/T 3313-2000 室温硫化甲基硅橡胶 HG/T3313-2000 标准下载解压密码:www.bzxz.net

标准图片预览

HG/T 3313-2000 室温硫化甲基硅橡胶
HG/T 3313-2000 室温硫化甲基硅橡胶
HG/T 3313-2000 室温硫化甲基硅橡胶
HG/T 3313-2000 室温硫化甲基硅橡胶
HG/T 3313-2000 室温硫化甲基硅橡胶

标准内容

1Cs71-100.55
中华人民共利国化工行业标准
HG/T 3312~~33132000
110甲基乙烯基硅橡胶
室温硫化甲基硅橡胶
2000-06-05发布
2001-05-01实施
国家石油和化学工业局发布
案号,7273—2000
HG/T3313-2000
本标准所对化工行业标准HGT3131983室温筑化甲基硅接胶禁订成的。本标准与H/T3313—1983的主要差异如下:培加了标准的英文名称、前言和引用标准。产品型多+在阿放伯数字前政用类文字RTV表示.如RTV14-。RTV-106的粘度范用改为10000--15000CmPa.8:RTV10%增加了-个牌号C,其精座范围为12000maPa·g,培加了电性能测式,试样须在就定的条伴下进行状查调节。拉伸弹度试亟现定采用1型试样。介电需数介质报耗困数测定试样度改为2mm”格测定方法接GB10247—1188中第4卓规定进行测定,本标准附录A是提示的附表:
本标准自实施之口起,间时代替[IG/T3313—1983本标准由中华人必共和国原化学工业部技术监督可提出。木标准女全国塑料标准化技术委员会塑料树监产品分会(TC15/SC4>与口。本标剂货宽起草单位:晨比化工研究院厂(自页)。本标准主要起革人:罗峰,黄郁琴、刘范余。本标准1-198年2S日首次发布为化丁部部频标准,999年转化为化下行业标准,并再新进行逾中。
中华人民共和国化工行业标准
室温硫化甲基硅橡胶
Raan Tempernture Vulcnmnized Methyl Silicone Rubber1范围
HC/T3313—2000
代巷H/133131983
本标准规定了室温缺化甲基橡胶(商除RTV)的产品型.技术要求,试验方法,检验规则及标志,包装,运输和亡行。
木标准适用于缩型效组分查温流化甲基硅像胶。2引用标准
下列标准所创含的条文,通过在本标准中引用料成为本标准的条文,本标准凹版时,所示版本均为有效:所有标准都会被整订,使用本标准的各方应按讨使历下列标准新术的可能性,GB/T528—1S92梳化恢胶和热塑性格股拉仲性能的函(ne919D/D1337.1990)(B/531—1552统化橄胶那尔A硬度试验片达(ne9197519,1086)GB/1692—1992矿化探胶绝练电阻率制定GB/T164—1S87(:0R9)确化像胶高期介电带数和升质损耗负正闪值的测定力法G/T1r51881(959)直化橡工频击穿强茂和耐电压的测定万方法GB/T29411991橡胶试样环境两和试验的标注温、湿度及时间eq18O471:1S8%)化」产品采样总则
6678-1986
GHT6680-1086
波体化工产品精通则
G:B10247—1588站度衡试力法
HG门210819S1硫化操胶物理试整方法的一般要3产品型号
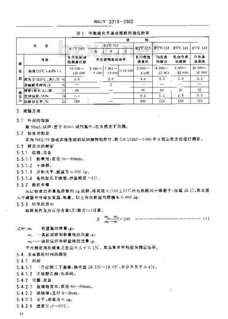
室温筑化甲基建像胶分RTV.108、RTV10Y、RTV-133,RTV-1H5、RTV-141.KTV-148.共中RTV-107丧粘展不同又分为A,I5C三个牌号。4要求
定温统化尽基像段理化性应符合表1规定:国豪石油和化学工业局20000605发布2001-0501实放
样发分(150,3h),%司
表出化时间,h
控伸度,Mn
址断伸长产,
5试验方法
5.7外购的检验
HG/T 3313-2000
表1溢流化币基徒橡胶的理化性能R1-1G7
KTV-1429
或白色鼠动
粘盘育长垫
1D cK:-
15eGnn
无色透明齿动健你
12 6u0
取5CmL站性,然于6Cml.试剂题中,在自然光下日剂。5.?粘唑的测定
RrV-153
至内色湾
动流体
2500--
RTV-135RTV141
白色觅
动推伴
6 000-
乳白血产
RIV143
动声体
3E 000
采用NI)J-79型或其使性能相似的膜转粘度升,按GH10247一188中4规定的方法进行测定。5.3发分的测定
5. 3-1收器、没鱼
5. 3. 1. 1 称量短,亢径 5u--60m血,5.3.1.2十娣器。
5.3.1.3分折天平,感量为0.(00 1。5.3.1.4电热风下燃箱:惊湿精度-2Y5. 3.2探作步螺
历L恒本的参量瓶你取纳5号试样,将其放人<150工么)的电热鼓以十燥箱中,柜温8h后,取出放人干燥器中等却至室温,称量。以上各次称盘均精确至0.000) 2g.5.3.3结果的衣示
试样的控发分百分含量(>按法(11算:X
称盘瓶的质量,g1
站中海
:,典前试样和称量瓶的质盘
洪后试拆和称盘瓶的质景,
平行测定两次绪果之差应不人于0.1%,取其算术平均值为测定结果。5.4表面化时叫的滤定
5.4. 1元剂
5. 4. 1. 1
:月配二工等偿:含盘18.5%-19.0%,水分不大于.4约,5.4.1.2正硅晚乙邮,化学纯。
5.4. 2仪量,段路
5.4.2.1我璃培养m,百径80~-90mm5.4.2.2政瑞摔:直径6--8mm,
5.4.2.3大平,感最为0.1g
5. 4 2. 4 祖度计~50℃
5.4.3操作步骤
HG/T33132000
称取约5试样于陷养血中,加人3%的:月杜酸二丁基锅和6%的正醋整乙毕(以试样质盘补),调合均勾置于温成(23七2)C、相对湿度60%~70%的环境中,用戒琉摔时常轻触胶料表面。从股料开始滤合测我璃样不粘有胶料的这段时间为表面殖化时间。5.5硬度的测定
5.5.1证片的制备
5. 5. 1.1 试剂
)二月佳酸二丁基锡,等含量18.年%~:9.5%,水分不大于0.2%,b)止生酸z酷:化学纯,
乙尊:工业品。
5.5.1.2发器
a)#其:150mm×120mm×2nm1;100mmx100nm×1mm。b)台及水平尺。
始杯:20(laml.,
l>般离举:直径6~mm
真密T燥留,
[)天平;感盘为0. 1g.
5.5.1.3试的配方
试的配接装2规!
表 2试片配方此内容来自标准下载网
RTV-107型RTV133型KTV-1R5型RTV-141型RTV-1t3动RTV-106型
空硫化甲基挂期控
一,月性酸二1岛病
正硅藏之南
5.5.1.1操作步
月乙醇将模具清洗「净.仁口调至水平的半台1,控方练取各组分效人晓杯中,用够璃样揽托均勾。对于能在真中下非除气泡的胶料,排除气范后衡人模具小,任其自燃流平,如不倪自然流平,可将模具加益,放在压机二加压成副:附不能心真室下排除气池的胶料,可练胶释在炼股机上炼至粘度明显增加后,用剧万将其刮入势兵中,销加静置,如盖放在压机上加正送型。化条件想度为(23=2)Y相对滞度为60火--70%,24h脱模取出试片。对丁RTV-DG和RTV-107股的试片在空气中放置96h其余型号的试非放置24h后,即可进行测试,5.5.2测定
按1G/T2108和GA/75.31中想定,用6.5.:中制弃的厚座为2mam的试片进行测定。5.6拉神强度和扯断们长率的测定按HC/T2198和(B/T528中规定.用E.5.:中制备的厚度为2mm的试片,裁切成1型试样进行测定。
6检验规则
6.1以相同原称,相同工艺一饮数沈生产的产品混合均均后为一批,6.2果样单元以包袋柄计采样单元数按GB/T6678中规定,弹按CB/T5580中规足的方法进行
HG/T3313-·2000
石3表:中所规定的各项挂术指标与为出厂检验顶日,每批必筑检验,6.4产品应由生产厂的质检谛门按批检验,成保证所有出厂产品符合本标准要求,并谢有质景检验报告单。
6.5经检验,者基项情标不符合本标准规定时,应重新自该批产品两倍整包装桶中取样进行复验,若克验仍不符合规定,删该批产品为不合品:6.6快用单位有权按本标准对所收到的产品进行检验·验收检验应在收判产品的·个月内进行+若有异议及时获出。
6.7当供需双方产品质量产生异议时,由双方协商据决或请法质量监督检验部门进行冲载:7标志、包装、运输、贮存
7.1标志
本产品的包装奔器上应有清晰、牢国的标志标明产品名称塑导、批号、净含量、生产厂、生产详细地址.4产H期及本标准号。
7.2包款
本产品座装在清洁,十燥,需封的穿器中。每包装件上应附有产品合格正。7.3运输
本产品按非危险品运输:运输过程中应防正口师、雨淋。7.4整存
本产品应购存在通风,阅凉,十媒的坏速小,不充许同酸、赋等有害物质按触。自生产之甘起,贮存期为年,超过忙存期,可按本标准重新检,若筹合本标要求,仍可使用。16
电性能指标
HG/T3313—2000
附景 A
(提示的附录)
空温酰化甲基硅神胶的电性能
指标及测试方注
室温巯化甲基佳橡胶硫化后的电性能指标如表A1所示,表A1电性能指标
RFV-10G
齐压报耗因(1M)
电取(1Mz)
体积中量率,自·m
电气强度,MV/m
42试验方法
RTV-107
1×10-
RTV-133
BX×10-4
RTV-185
5×10-1
5×1-1
KTV 143
心性雕测定时,试样应按(B2941规定的秉件避行状态间节。状查调节间不得少于4h。A2.1介电常数和介随相耗因整的测定按C:B/T1694规定,用本标准中5.5.1制备的厚度为2mm的减片进行测定,A2.2体积电阻率的测定
按G3/1692规定用本标准中5.5.1制备的厚就为2mm的试选行测定。42.3电气强弹度的测定
按CB/T1695规定,用本标准中5.5.1制备的降度为1mm的试片进行测定,17
小提示:此标准内容仅展示完整标准里的部分截取内容,若需要完整标准请到上方自行免费下载完整标准文档。