首页 > 机械行业标准(JB) > JB/T 2726-1996 聚酰亚胺薄膜
JB/T 2726-1996

基本信息

标准号: JB/T 2726-1996

中文名称:聚酰亚胺薄膜

标准类别:机械行业标准(JB)

标准状态:现行

发布日期:1996-09-03

实施日期:1997-01-01

出版语种:简体中文

下载格式:.rar.pdf

下载大小:71569

相关标签: 聚酰亚胺 薄膜

标准分类号

中标分类号:电工>>电工材料和通用零件>>K15电工绝缘材料及其制品

关联标准

替代情况:JB 2726-1980

出版信息

出版社:中国机械工业出版社

页数:6页

标准价格:8.0 元

出版日期:1997-01-01

相关单位信息

起草人:曹秋宇、刘传芳、王志红

起草单位:天津市绝缘材料总厂

归口单位:全国绝缘材料标准化技术委员会

提出单位:全国绝缘材料标准化技术委员会

发布部门:中华人民共和国机械工业部

标准简介

本标准规定了聚酰亚胺薄膜的型号、技术要求、试验方法、检验规划、标志、包装、运输和贮存。本标准适用于由均苯四甲酸二酐与4,4二氨基二苯醚合成树脂,再经加工制成的聚酰亚胺薄膜(以下简称 薄膜)。 JB/T 2726-1996 聚酰亚胺薄膜 JB/T2726-1996 标准下载解压密码:www.bzxz.net

标准图片预览

JB/T 2726-1996 聚酰亚胺薄膜
JB/T 2726-1996 聚酰亚胺薄膜
JB/T 2726-1996 聚酰亚胺薄膜
JB/T 2726-1996 聚酰亚胺薄膜
JB/T 2726-1996 聚酰亚胺薄膜

标准内容

中华人民共和国机械行业标准
JB/T2726
1996-09-03
颊魁极
1997-01-01小潢
颊魁鹭佤艺鱻
主题内容与适用范围
JB/T2726
JB272680
本标准规定了聚酰亚胺薄膜的型号、技术要求.试验方法,检验规测、标志、包装、运输和忙存。本标准适用丁巾均苯四甲酸二酐与4,4-二氮基一苯醚合成树脂,再经加工制成的聚酰亚按薄膜(以下简称薄膜)。
引用标准
GB1033—86塑料密度和相对密度试验方法GB/T13541-92电气用塑料薄膜试验方法GR1351292电气月塑料薄膜
一般要求
3产品型号
产品常号见表1。
产品型
技术要求
成型方法
铝箔法
流延法
主要适用于氛合绝缘材料
主要适用于緯他用复合绝缘材料薄膜成卷供应·薄膜表面平整光洁,不应有折皱、撕裂、颗粒、气泡,针孔和外来杂质等缺陷,边缘整济无破损。
4.2膜卷与管芯
薄膜卷与管芯应分别符合GB13542中4.2条和1.1条的规定。推存选用外径为50mI利63mm的硬聚氯乙烯管作为管芯。
4.3尺寸
4.3.1厚度与厚差允诈偏差
推荐选用的薄膜标称厚度如表2所示,厚度允许偏差应符合表2规定.表2
标称厚度
充许偏差
1996-09-03
1997-01-01小鎖
2接头数与最短段长度
JB/T2726wwW.bzxz.Net
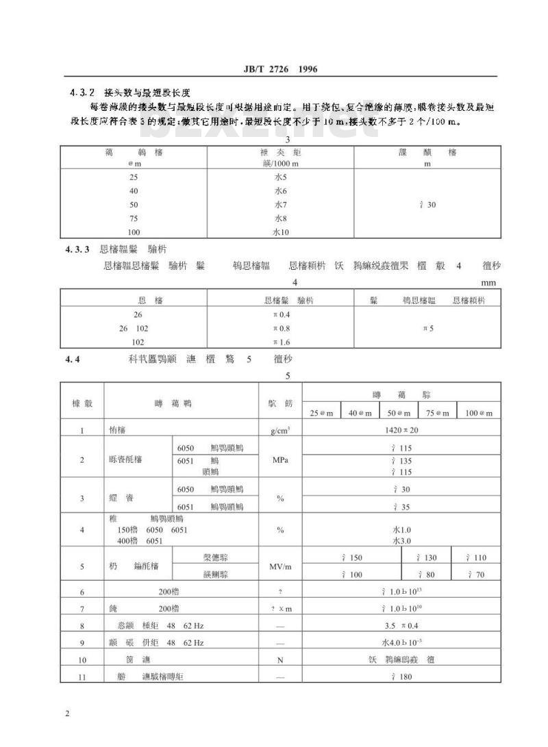
每卷薄膜的接头数与最短段长度可根据用途而定。用下绕包、复合绝缘的薄膜,膜卷接头数及最短段长度应符合表3的规定:做其它用途时,最短段长度不少于10m,接头数不多子2个/100m。3
息榨毅馨
息息播
科芃颛
畴藕鸭
陈瓷能榨
150槽
400槽
鹅鹅膜
200槽
200槽
世类矩
赣/1000m
恣颛種矩
颜碾组
4862Hz
瀛蛾榨畴
轰德果
鹤息窑
1420元20
水4.0b10-3
铁缔轰德
5试验方法
5.1外观、膜卷及替芯
JB/T27261996
薄膜外死,膜卷及管芯用眼随占接观察,膜卷端而用分度值U.nrI1的钢板尺测基,5.2尺
5. 2. 1 厚度的测量接GB/T 13541 中第 4. 1. 1 条进行。5.2.2薄膜长度用卷尺或长度计量装置进行测量。5.2.3薄膜宽度的测量按GB/T13511第6章进行。宽度在26mm以上的薄膜用分度值为0.5mm的钢板尺测量,宽度在26 mm 及以下的薄,膜带用分度值为 0. D2 mm 的长度测量仪器测量。5.3密度
密度按GB1033中的B法比重瓶法进行。恒温水浴的温度为(23士0.1)℃。5.4拉伸强度和断裂伸长率
拉伸强度和断裂伸长率按CB/T 13541第 11章进行。拉伸速度为 50 mm/min,夹具问的距离为100 mm.
5.5收缩率
收缩率按GB/13511第22竞进行。试验温度为(150±5)C,(400二10),处理时间为30min。5.6工频电气强度
工频中气强度按GB/T13511第18.1条进行。试验在空气中进行,升压速度为500V/s电极为上。下直径6mm的电极系统,试样数量1G个:5.7表而电阻率
表面电函率按GB/T13541第15章进行。试验电压250V,样数量5个。经(200士5)T处理1h后,在(200士5)下量。
5.8体积电阻率
体积电阻率按 GB/T 13541第 16.1 条接触电极法进行。试验电| 250 V,电化时间 1 min,试样数量5个,经(200士5)℃处理1h,在(20015)下测量。5.9介质捆耗因数和拍对介电常数介质损耗因数利相对介电带数按GB/T13511第17,1条接融电极法或第17.3条不接触电极法进行。试验电压 250 V.试样数量3 个。5. 10边缘撕裂性
达缘撕裂性按 GR/T 13541 第 12 章进行。5.11长期耐热性
长期耐热性按GB/T13541第33章进行,取相对丁抗张强度和电气强度原始测量值的50%作为发效标准,在老化过程中,老化烘箱中的窄气绝对含水量应为9.5~12.5g/m,老化温度推存采用210℃230C和250,相应的老化周期长度分别为21 天,7天和3天。6检验规划
6.1薄膜出厂检验项目为本标准的4.1.4.2.4.3条及4.4条表5中的2、3.5.6.7项。型式试验项日为第1章中除长期耐热性外的全部项目。型式试验每3个月进行一饮,当原材料,工艺条件改变时,亦应进行型式试验。长期耐热性为产品鉴定项目。6.2一釜或24h使用同批原材料生产的薄膜为-批。6.3试样应从每批5为的卷或盘中抽取,但最少也不应少于3卷或3盘。6. 4点它应符台 CB 13542 中第 6章的有美规定。3
?标志、包装、运输和贮存
JB/T2726
薄膜标志、包装、运输和则存应符合GB13542中第7章的规定7.1
薄膜贮存期从出厂之日算起为两年附加说明:
本标准出全国绝缘材料标准化技术委员会提出并归1。本标准起草单位:天津市绝缘材料总」等。本标准起草人曹秋宇、刘传芳、王志红。
小提示:此标准内容仅展示完整标准里的部分截取内容,若需要完整标准请到上方自行免费下载完整标准文档。