首页 > 机械行业标准(JB) > JB/T 53594-1999 筒型外滤式真空永磁过滤机 产品质量分等
JB/T 53594-1999

基本信息

标准号: JB/T 53594-1999

中文名称:筒型外滤式真空永磁过滤机 产品质量分等

标准类别:机械行业标准(JB)

标准状态:已作废

发布日期:1999-06-09

实施日期:2000-01-01

出版语种:简体中文

下载格式:.rar.pdf

下载大小:1238554

相关标签: 真空 永磁 过滤机 产品质量 分等

标准分类号

中标分类号:矿业>>矿山机械设备>>D96洗选设备

关联标准

替代情况:JB/T 53594-1994

出版信息

页数:9页

标准价格:14.0 元

相关单位信息

标准简介

JB/T 53594-1999 筒型外滤式真空永磁过滤机 产品质量分等 JB/T53594-1999 标准下载解压密码:www.bzxz.net

标准图片预览

JB/T 53594-1999 筒型外滤式真空永磁过滤机 产品质量分等
JB/T 53594-1999 筒型外滤式真空永磁过滤机 产品质量分等
JB/T 53594-1999 筒型外滤式真空永磁过滤机 产品质量分等
JB/T 53594-1999 筒型外滤式真空永磁过滤机 产品质量分等
JB/T 53594-1999 筒型外滤式真空永磁过滤机 产品质量分等

标准内容

中华人民共和国机械行业标准
JB/T53594-1999
简型外滤式真空永磁过滤机
产品质量分等
(内部使用)
1999-06-09发布
国家机械工业局
2000-01-01实施
JB/T53594-1999
本标准是对JB/T53594一94《筒型外滤式真空永磁过滤机产品质量分等》进行的修订。修订时对原标准作了编辑性修改,主要技术内容没有变化。本标准依据的产品标准是JB/T2443一1999《筒型外滤式真空永磁过滤机》。本标准自实施之日起代替JB/T53594一94。本标准由全国矿山机械标准化技术委员会提出并归口。本标准负责起草单位:沈阳选矿机械研究所。本标准主要起草人:贾敬义、付金壁、孙彦、李军、黄嘉琳。本标准于1987年11月以JB/ZQ815687首次发布,1994年9月标准号调整为JB/T53594—94。I
1范围
中华人民共和国机械行业标准
简型外滤式真空永磁过滤机
产品质量分等
(内部使用)
JB/T53594—1999
代替JB/T53594—94
本标准规定了筒型外滤式真空永磁过滤机产品的质量等级、试验方法和检验规则。本标准适用于评定筒型外滤式真空永磁过滤机产品的质量等级。2引用标准
下列标准所包含的条文,通过在本标准中引用而构成为本标准的条文。本标准出版时,所示版本均为有效。所有标准都会被修订,使用本标准的各方应探讨使用下列标准最新版本的可能性。GB/T1958—1980
GB/T3177—1997
GB/T3768—1996
GB/T 6060.2—1985
GB/T 8923—1988
GB/T10089—1988
3质量等级
3.1分等原则
形状和位置公差检测规定
光滑工件尺寸的检验
声学声压法测定噪声源声功率级反射面上方采用包络测量表面的简易法表面粗糙度比较样块磨、车、镗、铣、插及刨加工表面涂装前钢材表面锈蚀等级和除锈等级圆柱蜗杆、蜗轮精度
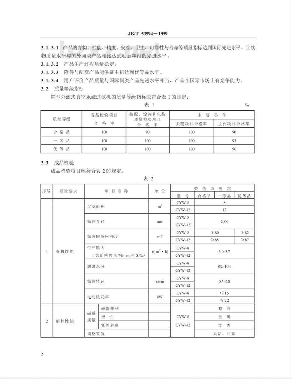
产品的质量等级根据采用的标准、产品的技术水平、成品检验、生产过程中的质量检查和用户评价意见几个方面来确定,分为合格品、一等品和优等品三个等级。3.1.1合格品
3.1.1.1按现行标准组织生产,实物质量水平达到相应标准的要求。3.1.1.2产品生产过程质量稳定。3.1.1.3附件与配套产品能保证主机达到合格品水平。3.1.1.4用户评价产品性能满足使用要求。一等品
3.1.2.1产品的结构、性能、精度、安全、卫生、可靠性与寿命等质量指标达到国际一般水平,且实物质量水平达到国际同类产品一般水平。3.1.2.2产品生产过程质量稳定。3.1.2.3附件与配套产品能保证主机达到一等品水平。3.1.2.4用户评价产品使用效果良好,产品在国内市场上有竞争能力。3.1.3优等品
国家机械工业局1999-06-09批准2000-01-01实施
JB/T53594-1999
3.1.3.1产品的结构、性能、精度、安全、卫生、可靠性与寿命等质量指标达到国际先进水平,且实物质量水平与国外同类产品相比达到近五年内的先进水平。3.1.3.2产品生产过程质量稳定,3附件与配套产品能保证主机达到优等品水平。3.1.3.3
3.1.3.4用户评价产品质量与国际同类产品先进水平相当,产品在国际市场上有竞争能力。3.2
质量等级指标
筒型外滤式真空永磁过滤机的质量等级指标应符合表1的规定。表1
质量等级
合格品
一等品
优等品
成品检验
成品检验项目
合格率
成品检验项目应符合表2的规定,序号
质量要求
整机性能
部件性能
项目名称
过滤面积
筒体直径
筒表磁感应强度
生产能力
装配、涂漆和包装
质量检验项目
合格率
t(m2·h)
(给矿粒度≤74um占50%)
滤饼水分
简体转速
电动机功率
磁块排列
紧固程度
调整装置
主要零件
关键项目合格率
主要项目合格率
数值或要求
GYW-12
GYW-12
GYW-12
合格品
一等品优等品
8%~10%
灵活、可靠
质量要求
综合技术要求
可靠性与寿命
配套性
安全卫生
JB/T53594-1999
表2 (院)
项目名称
润滑部位
整机无故障工作时间
第一次大修前寿命
整机使用寿命
考核零件
错气盘
使用寿命
分配头体
正常工作辅助设备
鼓风机免费标准bzxz.net
真空泵
自动排液装置(根据订货协议)人身安全防护装置
(联轴器罩)
生产过程中的质量检查
装配、涂漆和包装质量检验项目应符合表3的规定。表3
项目名称
蜗杆副
沿齿长
沿齿高
分配头与错气盘接触间隙
筒体外圆径向圆跳动
除锈等级
主要大平面油漆
油漆表面
整机外露表面
箱外标记
质量证明书或产品合格证
产品使用说明书
装箱单
产品总图、安装图
包装箱、捆扎件、外露加工表面实物与文件
合格品
GYW-12
数值或要求
合格品一等品优等品
油路畅通
≥8760
≥28000
≥5000
≥7000
满足相应等级要求
确有防护作用
数值或要求
≥ 50%
≥ 55%
优等品
用0.05mm的塞尺塞入深度<10mm
无流痕、气泡
无漏漆、月
脱落、裂纹、色泽不
统一、准确
牢固,有防锈、防划伤措施
2主要零件加工制造质量(关键项目和主要项目)检验项目至少应包括表4规定的内容。3.4.2
零件名称
错气盘
分配头体
1带*者为关键项目。
JB/T53594-1999
检查项
目及要求
孔径公差Φ240mmH8
孔径表面粗糙度R,3.2um
加工中心距350mm±0.09mm
齿面表面粗糙度R,3.2um
2轴径公差Φ60mmm6
2轴径表面粗糙度R.3.2um
齿厚偏差h=10mm
S-15.58735mm
齿面表面粗糙度Ra1.6um
齿面硬度45-50HRC
螺杆外径尺寸精度Φ100-0.03mm螺杆外径表面粗糙度Ra32um
螺杆外径圆跳动0.03mm
轴径公差48mmk6
轴径表面粗糙度R.3.2um
简体与轴径配合孔径公差H9
简体与喉管配合孔径公差H9
表面粗糙度R125μm
*筒体焊缝不渗漏
筒体内径圆度符合图样要求
孔径公差200mmH7
孔径表面粗糙度R3.2um
轴径公差Φ670mmf9
轴径表面粗糙度R6.3um
*各通道在02MPa表压下10mn密封不漏水两端面表面粗糙度R6.3um
分配头结合面,接触斑点每平方厘米不得少于三个分配头结合面,表面粗糙度R1.6um错气盘结合面,接触斑点每平方厘米不得少于三个错气盘结合面,表面粗糙度R1.6um2关键项目2项,
主要项目31项。
用户评价意见
JB/T53594-1999
应有对产品质量评价的三家用户证明材料或性能试验报告,作为评定质量等级的依据。4试验方法
4.1试验条件
4.1.1试验产品应是合格入库的产品。4.1.2试验场地:
a)环境温度不得超过10~40℃;b)相对湿度不得超过90%(温度为25℃时):c)环境噪声值应低于被测样机噪声值10dB(A):d)电源电压偏差应不超过土5%
4.2试验内容
成品、装配、涂漆和包装质量检验项目、方法及所需的仪器应符合表5的规定,表5
测试项
简表磁感应强度
用特斯拉计检测
筒体转速
用转速表检测
电动机功率
用功率表检测
按GBT3768中规定的矩形六面体法检测分配头与错气盘接触间隙
用0.05mm的塞尺塞入深度不大于10mm筒体外圆径向圆跳动
将真空永磁过滤机放在试验台上,测定筒体的径向圆跳动外观质量
除锈等级按GBT8923规定的方法检测测试仪器
名称和规格
特斯拉计
转速表
功率表
ND2型声级计
试验台
比较照片
主要零件加工制造质量检验项目(关键项目和主要项目)方法及所需的仪器应符合表6的规定。表6
检验项目
尺寸精度
检验方法
按GBT3177规定的方法检测
直接法
按GBT10089规定的方法检测
测试仪器
名称和规格
外径千分尺
内径千分尺
机床标尺
齿轮卡尺
检验项目
表面粗糙度
形状与位置公差
简体焊缝
JB/T53594-1999
表6(完)
检验方法
按GB/T6060.2规定的方法检测
压痕法
按GBT1958规定的方法检测
用煤油做透油试验
喉管各孔道水压试验
密封,打水压
检验规则
5.1抽样方法
成品检验的样品
单件小批生产的产品,抽取一至三台。2生产过程中的样品
测试仪器
名称和规格
比较样块
洛氏硬度计
千分表
自制千分尺
单件小批生产的产品,抽取一台份或由整机拆检(大型产品的零件可以当台产品工序检查记录为准)。
5.2判定规则
所有检测项目只允许在抽样中检查评定,任何项目不合格时不允许再加倍抽查,5.2.1
5.2.2在检测过程中,有下列情况时判定为不合格项目:a)应检项目没有进行检测者(工序间的主要项目可按原始检查记录核对);b)材料的物理性能、化学性能、探伤、渗碳层等项目,现场不能检测又没有原始记录或试验报告者。
5.3评定结果
5.3.1根据产品的实测结果,应计算出四个指标:a)成品检验项目合格率;
b)装配、涂漆和包装质量检验项目合格率;c)主要零件关键项目合格率;
d)主要零件主要项目合格率。
5.3.2按实测结果的最低等级评定整批产品的质量等级。5.3.3已定等级的一批产品,其中每台产品的等级都不应高于该批所定的等级。6
中华人民共和国
机械行业标准
筒型外滤式真空永磁过滤机
产品质量分等
(内部使用)
JB/T535941999
机械科学研究院出版发行
机械科学研究院印刷
(北京首体南路2号
邮编100044)
开本880X12301/16印张3/4
字数14000
1999年12月第一版
1999年12月第一次印刷
印数1-500
定价1500元
99-789
机械工业标准服务网:1
http:/wwwJB.ac.cn
小提示:此标准内容仅展示完整标准里的部分截取内容,若需要完整标准请到上方自行免费下载完整标准文档。