首页 > 轻工行业标准(QB) > QB/T 2204-1996 水彩画纸
QB/T 2204-1996

基本信息

标准号: QB/T 2204-1996

中文名称:水彩画纸

标准类别:轻工行业标准(QB)

标准状态:现行

发布日期:1996-03-22

实施日期:1996-12-01

出版语种:简体中文

下载格式:.rar.pdf

下载大小:105152

相关标签: 水彩画

标准分类号

中标分类号:轻工、文化与生活用品>>造纸>>Y32纸

关联标准

替代情况:QB 163-1981

出版信息

出版社:中国轻工业出版社

页数:4页

标准价格:8.0 元

出版日期:1996-12-01

相关单位信息

起草人:曹秀痕、齐玉兰

起草单位:保定钞票纸厂

归口单位:全国造纸标准化中心

提出单位:中国轻工总会食品造纸部

发布部门:中国轻工总会

主管部门:中国轻工总会

标准简介

本标准规定了水彩画纸的技术规范。本标准适用于供绘水彩画用的纸。 QB/T 2204-1996 水彩画纸 QB/T2204-1996 标准下载解压密码:www.bzxz.net

标准图片预览

QB/T 2204-1996 水彩画纸
QB/T 2204-1996 水彩画纸
QB/T 2204-1996 水彩画纸
QB/T 2204-1996 水彩画纸

标准内容

QB/T 2204---1996
本标准对QB163—--1981《水彩画纸》进行了确认,其内容主要改变如下:根据GB/T1.1-1993《标准化工作导则第1单元:标准的起草与表述规则第1部分:标准编写的基本规定》进行编写。
采用了23℃、50%相对湿度的大气条件,因此对物理指标裂断长、耐折度进行了相应的调整,技术要求与原标准水平相当。
*~在检验规则中采用GB/T2828—1987《逐批检查计数抽样程序及抽样表(适用于连续批的检查)》规定的方法。
一技术指标水平分等由特号、一号改为A、B二等。本标准由中国轻工总会食品造纸部提出。本标准由全国造纸标准化中心归口。本标准起草单位:保定钞票纸厂。本标准主要起草人:曹秀痕、齐玉兰。自本标准实施之日起,原轻工业部部标准QB163--1981《水彩画纸》作废。415
1范围
中华人民共和国轻工行业标准
水彩画纸
本标准规定了水彩画纸的技术规范。本标准适用于供绘水彩画用的纸。2引用标准
QB/T 2204--1996
下列标准所包含的条文,通过在本标准中引用而构成为本标准的条文。本标准出版时,所示版本均为有效。所有标准都会被修订,使用本标准的各方应探讨使用下列标准最新版本的可能性。GB/T450—1989纸和纸板试样的采取GB/T 451.2—1989
GB/T 451.3—1989
纸和纸板定量的测定法
纸和纸板厚度的测定法
纸和纸板抗张强度的测定法(恒速加荷法)GB/T 453--1989
GB/T 457—1989
GB/T 459—1989
GB/T 460—-1989
GB/T 462--1989
纸耐折度的测定法
纸伸缩性的测定法
纸和纸板施胶度的测定法(墨水划线法)纸和纸板水分的测定法
GB/T1541—1989
GB/T 2828-—1987
GB/T 7974—1987
纸和纸板尘埃度的测定法
逐批检查计数抽样程序及抽样表(适用于连续批的检查)纸及纸板白度测定法(漫射/垂直法)GB/T 8940.1-—1988
GB/T 10342-—1989
GB/T 10739-1989
3产品分类
纸和纸板白度测定法45/0定向反射法纸张的包装和标志
试样处理和试验的标准大气
纸浆、纸和纸板
3.1水彩画纸按质量水平分为A、B二等。3.2水彩画纸为平板纸。
4技术要求
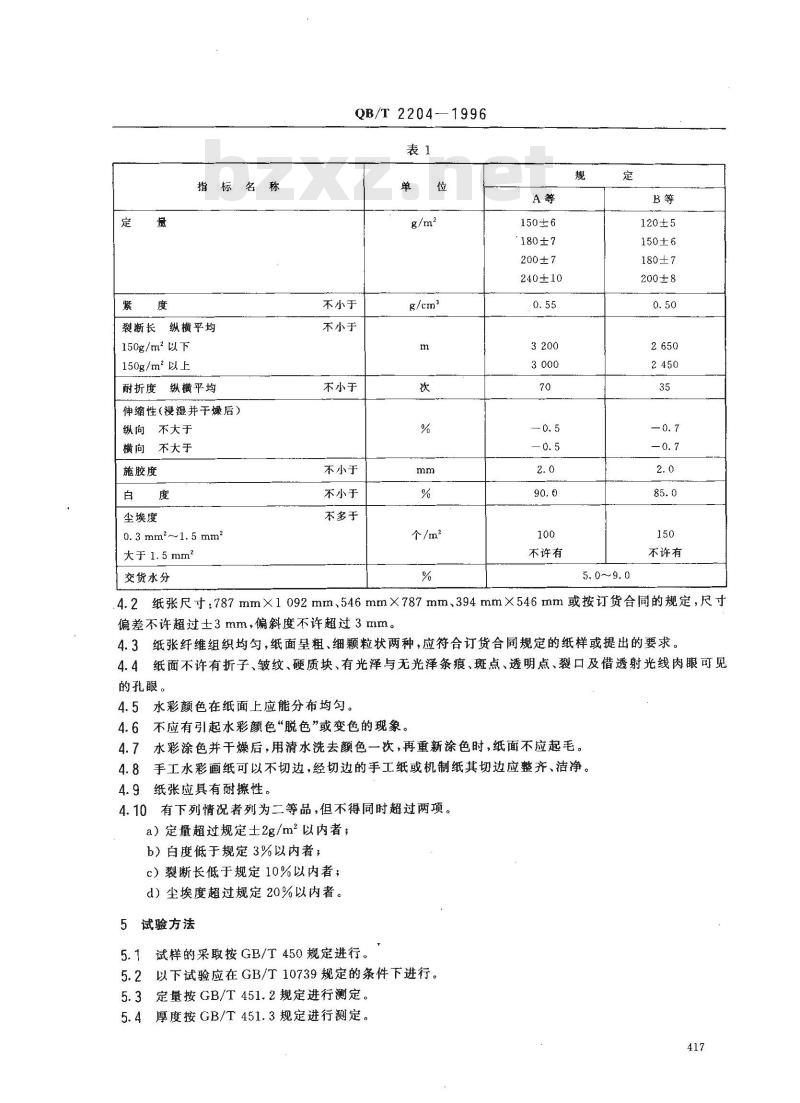
4.1水彩画纸的技术指标应符合表1规定或按订货合同规定。中国轻工总会1996-03-22批准
1996-12-01实施
指标名称
裂断长纵横平均
150g/m2以下
150g/m2以上
耐折度 纵横平均
伸缩性(浸湿并干燥后)
纵向不大于
横向不大于
施胶度
尘埃度
0. 3 mm2~~1.5 mm2
大于1.5mm2
交货水分
QB/T2204-1996
不小于
不小于
不小于
不小于
不小于
不多于
个/m2
150±6
180±7
200±7
240±10
不许有
120±5
150±6
180±7
200±8
不许有
4.2纸张尺寸:787mm×1092mm、546mm×787mm、394mm×546mm或按订货合同的规定,尺寸偏差不许超过土3mm,偏斜度不许超过3mm。4.3纸张纤维组织均匀,纸面呈粗、细颗粒状两种,应符合订货合同规定的纸样或提出的要求。4.4纸面不许有折子、皱纹、硬质块、有光泽与无光泽条痕、斑点、透明点、裂口及借透射光线肉眼可见的孔眼。
4.5水彩颜色在纸面上应能分布均匀。4.6不应有引起水彩颜色“脱色”或变色的现象。4.7水彩涂色并干燥后,用清水洗去颜色一次,再重新涂色时,纸面不应起毛。4.8手工水彩画纸可以不切边,经切边的手工纸或机制纸其切边应整齐、洁净。4.9纸张应具有耐擦性。
4.10有下列情况者列为二等品,但不得同时超过两项。a)定量超过规定士2g/m2以内者;b)白度低于规定3%以内者;
c)裂断长低于规定10%以内者;d)尘埃度超过规定20%以内者。5试验方法
5.1试样的采取按GB/T450规定进行。5.2以下试验应在GB/T10739规定的条件下进行。5.3定量按GB/T451.2规定进行测定。5.4厚度按GB/T 451.3规定进行测定。417
QB/T2204-1996
5.5裂断长按GB/T453规定进行测定。5.6耐折度按GB/T.457规定进行测定。5.7伸缩性按GB/T459规定进行测定。5.8施胶度按GB/T460规定进行测定。5.9白度按GB/T8940.1或GB/T7974规定进行测定,仲裁时按GB/T7974规定进行测定。5.10尘埃度按GB/T1541规定进行测定。5.11耐擦性:用HB绘图铅笔画上长度为50mm、宽度为0.1mm~~1.0mm的线条,再用橡皮擦掉,反复进行三次,纸张不应有起毛现象。在同一位置上再用标准墨水画上宽度为1.5mm、长度为50mm的线条,线条不应有毛刺或有扩散现象。6检验规则
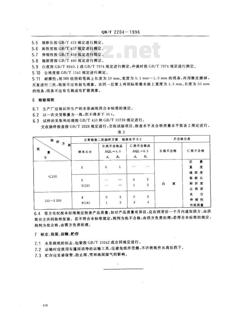
6.1生产厂应保证所生产的水彩画纸符合本标准的规定。6.2以一次交货数量为一批,但不得多于30t。6.3试样的采取和处理按GB/T450和GB/T10739规定进行。交收抽样检查按GB/T2828规定进行,交收试验项目、检查水平及合格质量水平按表2规定进行。表2
抽样方
≤150wwW.bzxz.Net
151~3200
检查水平S-3
正常检查二次抽样方案
B类不合格品
样本大小
C类不合格品
不合格分类
B类不合格
C类不合格
施胶度
裂断长
耐折度
尘埃度
伸缩性
外观质量
6.4需方有权按本标推规定检查产品质量,如对产品质量有异议,应在到货后一个月内通知供方,由供需双方共同取样复验。若不符合本标准规定,则判为批不合格,由供方负责处理;若符合本标准的规定,则判为批合格,由需方负责处理。7标志、包装、运输、贮存
7.1水彩画纸的标志、包装按GB/T10342或合同规定进行。7.2运输时应使用有篷而洁净的运输工具,应避免纸件受潮,不许将纸件从高处扔下。7.3贮存应妥善保管,防止雨、雪和地面湿气的影响。418
小提示:此标准内容仅展示完整标准里的部分截取内容,若需要完整标准请到上方自行免费下载完整标准文档。