首页 > 轻工行业标准(QB) > QB 1319-1991 气相防锈纸
QB 1319-1991

基本信息

标准号: QB 1319-1991

中文名称:气相防锈纸

标准类别:轻工行业标准(QB)

标准状态:现行

发布日期:1991-11-25

实施日期:1992-08-01

出版语种:简体中文

下载格式:.rar.pdf

下载大小:235693

相关标签: 防锈

标准分类号

中标分类号:轻工、文化与生活用品>>造纸>>Y32纸

关联标准

替代情况:QB 868-83

采标情况:JIS Z1535 NEQ MIL-P-3420 NEQ

出版信息

出版社:中国轻工业出版社

页数:9页

标准价格:14.0 元

出版日期:1992-08-01

相关单位信息

起草人:肖怀斌、罗祥骥、肖其德

起草单位:武汉防锈纸厂

归口单位:全国造纸标准化中心

提出单位:轻工业部造纸工业司

发布部门:中华人民共和国轻工业部

标准简介

本标准规定了气相防锈纸的产品分类、技术要求、试验方法、检验规则和标志、包装、运输、贮存。本标准适用于金属材料及其制品作防锈包装用的气相防锈纸。 QB 1319-1991 气相防锈纸 QB1319-1991 标准下载解压密码:www.bzxz.net

标准图片预览

QB 1319-1991 气相防锈纸
QB 1319-1991 气相防锈纸
QB 1319-1991 气相防锈纸
QB 1319-1991 气相防锈纸
QB 1319-1991 气相防锈纸

标准内容

中华人民共和国轻工行业标准
气相防锈纸
主题内容与适用范围
QB1319-1991
本标准规定了气相防锈纸的产品分类、技术要求、试验方法、检验规则和标志、包装、运输、贮存。本标准适用于金属材料及其制品作防锈包装用的气相防锈纸。2引用标准
GB/T 450
纸和纸板试样的采取
GB/T 451.1
纸和纸板尺寸及偏斜度的测定法纸和纸板定量的测定法
GB/T 451.2
GB/T454纸耐破度的测定法
GB/T 455.1
纸撕裂度的测定法
GB/T 2361
GB/T 2828
GB/T 4879
GB/T10342
GB/T 10739
GB/T 11372
防锈油脂湿热试验方法
逐批检查计数抽样程序及抽样表(适用于连续批的检查)防锈包装
纸张的包装和标志
纸浆、纸和纸板试样处理和试验的标准大气防锈术语
GB/T 12339
SY 2751
防护用内包装材料
防锈油脂防锈试验试片锈蚀评定方法ZBY32005防锈原纸
3产品分类
3.1气相防锈纸分钢材和多种金属用两大类。3.2气相防锈纸按防锈性能分为A、B、C三等。3.3气相防锈纸分平板纸和卷简纸两种。4技术要求·
气相防锈纸采用的原纸应符合ZBY32005的规定。4.1
气相防锈纸的防锈性能指标必须符合表1规定。4.2
中华人民共和国轻工业部1991-11-25批准242
1992-08-01实施
指标名称
气相防锈甄别试验2
动态接触湿热试验
气相缓蚀熊力试验
曝露后的气相缓蚀能力试验”
适应性试验1)2)
QB1319-1991
多种金属用(对钢、黄铜)周期
对钢合格
对钢合
对铝、镀锌钝化,黄铜合格
注:1)对其他有色金属、镀层可参照本标准附录D进行。钢材用(对钢)周期
对钢合格
2)为型式检验项目,在通常情况下,每月进行一次型式检验,在更改工艺和主要原材料时,也应进行型式检验。4.3平板纸尺寸787mm×1092mm;卷筒宽度787mm、1092mm、1575mm,尺寸偏差不超过土5mm,偏斜度不超过5mm,根据用户需要和生产厂条件,经协议可生产其他有关性能、规格的气相防锈纸。4.4气相防锈纸机械强度必须符合表2规定。表2
耐破度,kPa
撕裂度纵向,mN
原纸定量
(公称)
不小于
不小于
4.5按照用户需要,可生产其他定量的气相防锈纸,其机械强度可按表2相当的强度指数换算。对用皱纹原纸生产的气相防锈纸可不规定耐破度指标。4.6纸面缓蚀剂涂布均匀,不掉粉。纸边未涂药面宽度不得超过10mm。4.7纸幅应平整、清洁,不应有孔洞、死褶子、破损、严重脱膜、脱蜡现象。5试验方法
5.1气相防锈纸尺寸及偏斜度按GB/T451.1规定的方法进行。5.2气相防锈甄别试验按本标准附录A规定的方法进行。5.3动态接触湿热试验按本标准附录B规定的方法进行。5.4气相缓蚀能力试验按本标准附录C规定的方法进行。5.5曝露后的气相缓蚀能力试验:截取200mm×300mm的滤纸(或中性原纸)5张,整齐地平铺在大小相当的干净、平滑的玻璃板上,再于其上铺一张大小相同的气相防锈纸试样,将涂药面朝上并在纸的四角压上压铁,使不卷曲。然后将其置于(50士2)℃的无压力循环的恒温箱中,120h后取出,再按本标准附录C规定的方法进行。
5.6适应性试验:按本标准附录D规定的方法进行。5.7试验用试片的制备及防锈试验结果的评定方法应符合本标准附录E和附录F的规定。5.8耐破度按GB/T454规定进行测定。5.9撕裂度按GB/T455.1规定进行测定。243
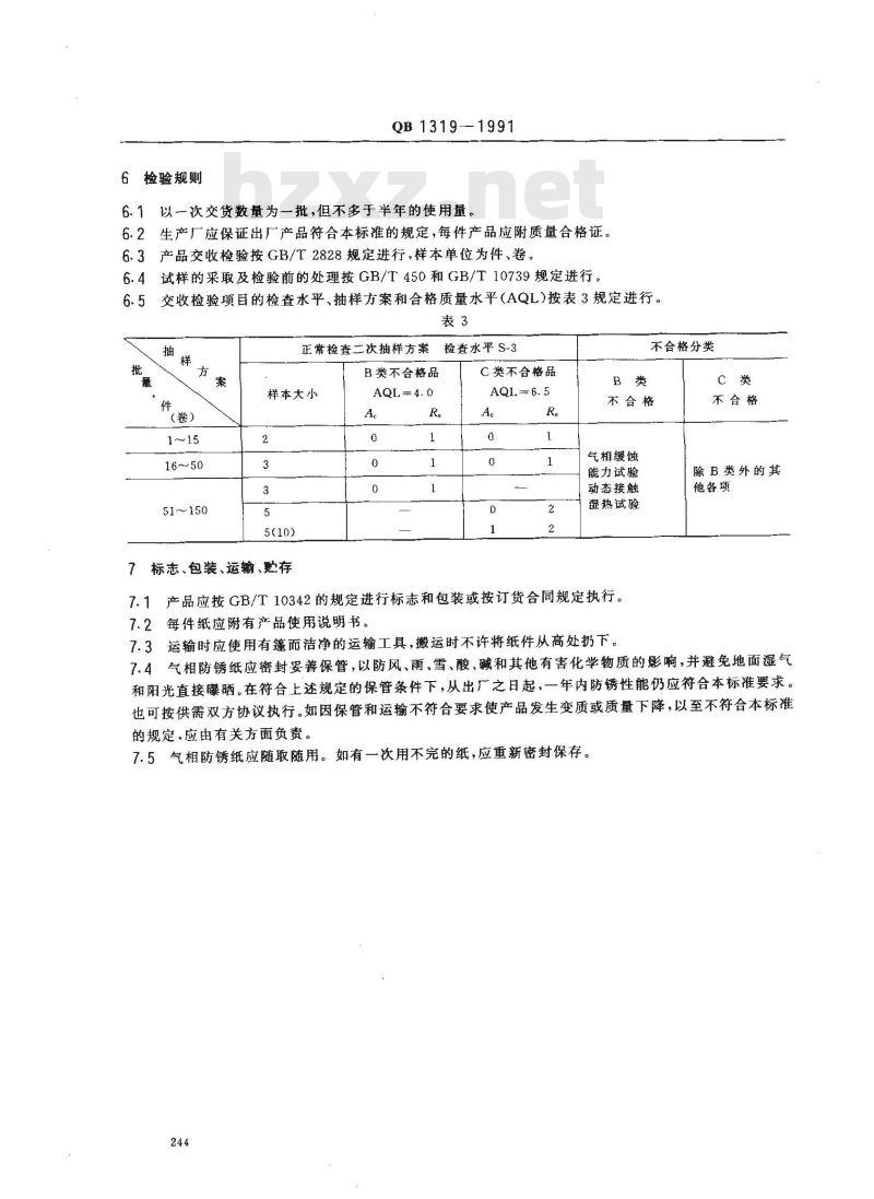
6检验规则
QB13191991
6.1以一次交货数量为一批,但不多于半年的使用量。6.2生产厂应保证出厂产品符合本标准的规定,每件产品应附质量合格证。6.3产品交收检验按GB/T2828规定进行,样本单位为件、卷。试样的采取及检验前的处理按GB/T450和GB/T10739规定进行。6.4bzxZ.net
6.5交收检验项目的检查水平、抽样方案和合格质量水平(AQL)按表3规定进行。表3
(卷)
51~150
正常检查二次抽样方案
检查水平S-3
B类不合格品
样本大小
7标志、包装、运输、魅存
C类不合格品
不合格分类
不合格
气相缓蚀
能力试验
动态接触
湿热试验
7.1产品应按GB/T10342的规定进行标志和包装或按订货合同规定执行。7.2每件纸应附有产品使用说明书。7.3运输时应使用有篷而洁净的运输工具,搬运时不许将纸件从高处扔下。C类
不合格
除B类外的其
他各项
7.4气相防锈纸应密封妥善保管,以防风、雨、雪、酸、碱和其他有害化学物质的影响,并避免地面湿气和阳光直接曝晒。在符合上述规定的保管条件下,从出厂之日起,一年内防锈性能仍应符合本标准要求。也可按供需双方协议执行。如因保管和运输不符合要求使产品发生变质或质量下降,以至不符合本标准的规定,应由有关方面负责。
7.5气相防锈纸应随取随用。如有一次用不完的纸,应重新密封保存。244
A1仪器和器血
电热鼓风恒温箱。
玻璃试管,内径(31土1)mm。
橡皮塞7~9号。
A1.4试管架。
QB 1319--1991
附录A
气相防锈甄别试验方法
(补充件)
A1.5金属试片,50mm×25mm×(3~5)mm试剂
A2.1蒸馏水。
溶剂汽油,120号。
无水乙醇(化学纯)。
A3试验条件
A3.1温度:(50±2)℃。
相对湿度:约95%l.h.
A4试验操作
橡皮塞
试管架
不锈钢丝吊钩
气相防锈纸
金属试片
玻璃试管
蒸馏水
气相防锈甄别试验装置示意图
A4.1将120mm×150mm的气相防锈纸卷成圆简,装入洗净烘干的试管中贴附管壁,盖上橡皮塞,置于(50士2)C的烘箱中恒温2h取出,将按本标准附录E规定处理好的试片,迅速挂在橡皮塞吊钩上盖好橡皮塞,试片恰好置于试管中央部位,记下试管编号,再置于(50士2)℃的烘箱中恒温2h,同时做空白245
QB 1319-1991
对照试验。
A4.2取出试管,分别注人蒸馏水15mL,放人试管架上,再放进(50士2)℃的烘箱中开始试验,并记下开始试验的时间。
A4.3本试验每天工作8h,停止加热16h,计24h为一周期。A4.4本试验所用的试管、橡皮塞应顺序用自来水、热肥皂液或碱液、自来水、蒸馏水灌洗干净,烘干后保存备用。
附录B
动态接触湿热试验方法
(补充件)
B1仪器和器血
B1.1湿热试验箱(符合GB/T2361要求)。B1.2
聚乙烯薄膜,(0.05±0.01)mm。B1.3尼龙丝或塑料丝。
不锈钢或玻璃S型吊钩。
B2试剂
蒸馏水。
溶剂汽油,120号。
无水乙醇(化学纯)。
B3试验条件
B3.1温度:(49±1)℃。
B3.2相对湿度:大于95%r.h.。
B4“试验操作
B4.1将按本标准附录E准备好之试片,用预先裁好的160mtm×160mm的气相防锈纸涂药的面贴紧试片包装好。如果是背面末涂塑的防锈纸按同样方法再包一层(0.05土0.01)mm厚的聚乙烯薄膜做外包装,然后用尼龙丝按十字缠紧。记下试片编号。用吊钩将试片挂在湿热箱内旋转架上,开动试验设备,记下试验开始时间。
B4.2湿热试验每天工作8h,然后停止运转16h,计24h为周期。附录C
气相缓蚀能力试验方法
(补充件)
仪器和器皿
C1.1电热鼓风恒温箱。
C1.2 1000mL广口瓶。
C1.3铝管,§16mmX1.5mmX110mm。246
C1.4橡皮塞,9号、13号。
C1.5回形针。
C2试剂
QB1319-1991
C2.1甘油水溶液:20C时密度为1.078g/ml。C2.2溶剂汽油,120号。
C2.3无水乙醇(化学纯)。
C3试验条件
C3.1试验温度:(40±1)℃。
C3.2相对湿度:约 90%r.h。
C4试验操作
C4.1将按本标准附录E规定处理好的试片的试验面垫在干净滤纸上,将试片凹形面压人9号橡皮塞内,试验面露出部分不超过3rnm。压装后的试片试验面用浸有无水乙醇的脱脂棉或纱布擦洗两遍,用热风吹干。
C4.2将预先裁好的25mm×50mm的气相防锈纸二张,用图钉对称地固定在13号橡皮塞的两侧,纸的涂药面应相对,纸条底部用回形针固定,使其垂直。C4.3将上述装置盖在预先注有30mL已配好的甘油水溶液的广口瓶内,置于(40士1)℃的温度箱内。经4h后,在烘箱旁迅速向铝管内注入16mL温度为(18士2)℃的自来水,再放回40℃的烘箱内,保持3h后倒出自来水,立即观察凝露现象,用无水乙醇脱脂棉擦洗试样,吹干后立即检查。C4.4平行试验三组,同时在同样条件下进行空白对比试验,空白试验不效气相防锈纸。如空自试验试片未锈,试验则需重新进行。
C4.5本试验装置的清洗方法按本标准附录A4.4规定进行。铝管
橡皮塞
橡皮塞
1000mL口瓶
橡皮塞
凹形试片
气相防锈纸
甘油水溶液
气相缓蚀能力试验装置示意图
仪器和器皿
D1.1玻璃干燥器,50~160mm。
D1.2电热鼓风恒温箱。
D1.3不锈钢制试片架及S形吊钩。QB1319--1991
附录D
适应性试验方法
(补充件)
D1.4H62黄铜、LY12铝、45号钢镀锌钝化试片50mmX25mm×(3~~5)mm。D2试剂
D2.1甘油水溶液:20℃时密度为1.105g/mL。D2.2溶剂汽油,120号。
D2.3无水乙醇(化学纯)。
D2.4凡士林(医用)。
D2.5胶粘纸带。
D3试验条件
D3.1试验温度:(65±1)℃。
D3.2相对湿度:82%~88%r.h.
D4试验操作
D4.1裁取400mm×60mm的气相防锈纸,将非涂药面贴紧干燥器上部内壁,然后放置好试片架。在干燥器底部注人40~50mL的甘油水溶液β2o=1.105g/mL。再将按本标准附录E规定处理好的金属试片悬挂在试片架上,试片与防锈纸距离不超过30mm,试片悬挂高度正好在防锈纸面高度的中间。在干燥器盖的磨口边上涂少量凡士林,将盖盖好后再用胶粘纸固定。然后将干燥器置于(65士1)℃的烘箱中进行试验。
D4.2适应性试验需同时取三块试片进行平行试验。D4.3试验每天加温8h,停止加温16h,计24h为一周期,三周期后用无水乙醇清洗并吹干试片后检查试验结果。
D4.4本试验装置的清洗方法按本标准附录A4.4的规定进行。D5对其他有色金属和镀层的适应性试验可参照本方法进行。248
仪器和器皿
QB1319—1991
1000ml.干燥器
挂钩(不锈钢丝)
气相纸试样60mm×400mm
不锈钢丝试片架
甘油水溶液 20 ℃
密度1.104
适应性试验装置图
附录E
试验用试片的制备
(补充件)
E1.1试片金属材料为:钢45号或10号;黄铜H62;铝LY12;45号钢镀锌钝化。E1.2
玻璃干燥器。
电吹风。
电镀镊子。
医用纱布、脱脂棉。
E1.6水砂纸,150号、180号、240号。E1.7
塘瓷杯。
E2试剂
溶剂汽油,120号。
E2.2无水乙醇(化学纯)。
E2.3硅胶。
E3试片的制备
E3.1试片的试验面先用磨床加工至表面粗糙度为R0.8um,使用前再用180~240号的水磨砂纸打磨至表面粗糙度为R.0.4~0.8um。试片打磨纹路应平行致,试片表面不得有凹坑、划伤、锈蚀。试片孔应用钻头、什锦锉、砂纸处理至无锈蚀。249
a.气相防锈甄别
试验和适应性
试验试片
[王09
QB1319-1991
b.动态接触热
试验试片
图E1试验试片图
c.气相缓蚀能
力试验试片
E3.2试片的棱角及边孔用150号砂纸打磨。E3.3打磨好的试片须用镊子夹住清洗干净,清洗干净后的试片严禁用赤手接触。E3.4试片清洗用4只清洁的糖瓷杯,分别盛150mL以上的溶剂汽油;溶剂汽油;无水乙醇;50~~60C热无水乙醇;清洗试片应用锻子夹取脱脂棉按以上顺序进行清洗,然后用热风吹干或用清洁的医用纱布擦干,置于干燥器内冷至室温备用,但必须在24h内使用,否则应重新打磨与清洗。附录F
防锈试验结果的评定
(补充件)
F1金属试片经防锈试验后,于规定的时间内进行检查,符合下列规定者为合格。F1.1钢试片在有效试验面积内,空白试验已锈,防锈试片三片均无锈(试片边缘2mm内锈点及边角、孔洞引起锈蚀除外)为合格。若其中一片锈蚀,试验重做,重复试验结果仍有一片锈蚀则为不合格。F1.2黄铜试片在有效试验面积内,防锈试片应无发黑、发绿和严重变色。轻微的变色、变暗或用甲醇能擦去的变色可不按腐蚀处理。F1.3铝试片和镀锌钝化试片应无腐蚀堆积物产生,允许轻微变深、变暗。F2其他有色金属试片可参考本方法进行评定。F3上述试片有效试验面积计算可参照SY2751的规定。附加说明:
本标准由轻工业部造纸工业司提出。本标准由全国造纸标准化中心归口。本标准由武汉防锈纸厂负责起草。本标准主要起草人肖怀斌、罗祥骥、肖其德。自本标准实施之日起,原轻工业部部标准QB868-1983《气相防锈纸》作废。本标准参照美国军用标准MIL-P-3420《气相防锈纸》和日本工业标准JISZ1535《气相防锈纸》。250
小提示:此标准内容仅展示完整标准里的部分截取内容,若需要完整标准请到上方自行免费下载完整标准文档。