首页 > 轻工行业标准(QB) > QB/T 1201-1991 手工木工凿
QB/T 1201-1991

基本信息

标准号: QB/T 1201-1991

中文名称:手工木工凿

标准类别:轻工行业标准(QB)

标准状态:现行

发布日期:1991-07-03

实施日期:1992-02-01

出版语种:简体中文

下载格式:.rar.pdf

下载大小:236755

相关标签: 手工 木工

标准分类号

中标分类号:机械>>工艺装备>>J47手工工具

关联标准

替代情况:SG 228-1981

采标情况:ISO 2729-1973 NEQ

出版信息

出版社:中国轻工业出版社

页数:12页

标准价格:16.0 元

出版日期:1992-02-01

相关单位信息

起草人:陆遐令、俞君靖、姚允才

起草单位:上海市工具工业研究所

归口单位:全国工具五金标准化中心

提出单位:轻工业部质量标准司

发布部门:中华人民共和国轻工业部

标准简介

本标准规定了手用木工凿的术语、产品分类、技术要求、试验方法、检验规则和包装、标志、运输与贮存。本标准适用于手用有柄和无柄斜边平口凿、平边平口凿和半圆平口凿。 QB/T 1201-1991 手工木工凿 QB/T1201-1991 标准下载解压密码:www.bzxz.net

标准图片预览

QB/T 1201-1991 手工木工凿
QB/T 1201-1991 手工木工凿
QB/T 1201-1991 手工木工凿
QB/T 1201-1991 手工木工凿
QB/T 1201-1991 手工木工凿

标准内容

中华人民共和国轻工行业标准
手用木工凿
QB/T 1201--1991
本标准参照采用国际标准ISO2729《木工工具、平口凿和半圆凿》(1973年版)。主题内容与适用范围
本标准规定了手用木工凿的术语、产品分类、技术要求、试验方法、检验规则和包装、标志、运输与贮存。
本标准适用于手用有柄和无柄斜边平口凿、平边平口凿和半圆平口凿。2引用标准
GB/T230金属洛氏硬度试验法
GB/T1804公差与配合未注公差尺寸的极限偏差GB/T 2828
遂批检查计数抽样程序及抽样表(适用于连续批的检查)GB/T5305手工具包装、标志、运输与贮存GB/T6060.2表面粗糙度比较样块3术语
本标准所涉及到的术语及定义见附录A。4产品分类
4.1无柄平口凿
4.1.1无柄斜边平口凿
4.1.1.1无柄斜边平口凿的型式如图1所示。5
4.1.1.2无柄斜边平口凿的基本尺寸和允许偏差按表1规定。中华人民共和国轻工业部1991-07-03批准1992-02-01实施
6(1/4\)
8(5/16)
10(3/8\)
13(1/2\)
16(5/8*)
19(3/4\)
22(7/8\)
25(1\)
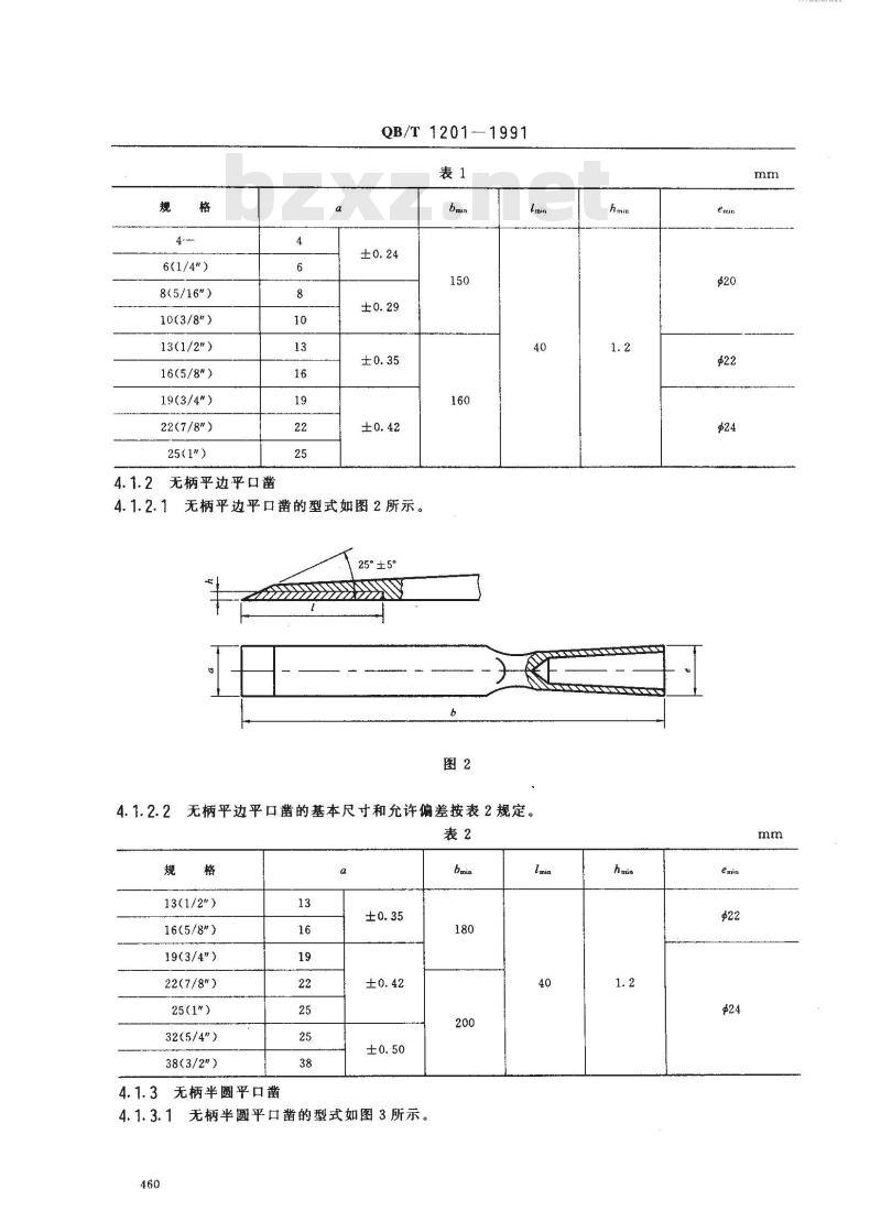
4.1.2无柄平边平口凿
QB/T 12011991
4.1.2.1无柄平边平口凿的型式如图2所示。25°±5°
2无柄平边平口凿的基本尺寸和允许偏差按表2规定。4. 1. 2. 2
13(1/2\)
16(5/8\)
19(3/4\)
22(7/8\)
25(1\)
32(5/4\)
38(3/2\)
4.1.3无柄半圆平口凿
4.1.3.1无柄半圆平口凿的型式如图3所示。460
KAKAca
QB/T1201—1991
无柄半圆平口凿的基本尺寸和允许偏差按表3规定。表3
6(1/4\)
8(5/16\)
10(3/8\)
13(1/2\)
16(5/8\)
19(3/4\)
22(7/8\)
25(1\)
注:表 1、表 2、表 3中尺寸 b 和 e的允许偏差应符合 GB/T 1804的士1/21T17 的规定。4.2有柄平口凿
4.2.1有柄斜边平口凿
4.2.1.1有柄斜边平口凿的型式如图4所示。25°±5°
1°30°±30
4.2.1.2有柄斜边平口凿的基本尺寸和允许偏差按表4规定。ermin
6(1/4\)
8(5/16\)
10(3/8\)
13(1/2\)
16(5/8\)
19(3/4\)
22(7/8\)
25(1\)
32(5/4\)
38(3/2\)
4.2.2有柄平边平口凿
QB/T 1201--1991
4.2.2.1有柄平边平口凿的型式如图5所示。25°±5°
1°30°±30°
4.2.2.2有柄平边平口凿的基本尺寸和允许偏差按表 5规定。表5
6(1/4\)
8(5/16\)
10(3/8\)
13(1/2\)
16(5/8\)
19(3/4\)
22(7/8\)
25(1\)
32(5/4\)
38(3/2)
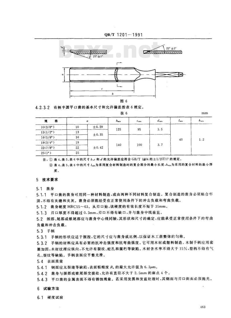
4.2.3有柄半圆平口凿
有柄半圆平口凿的型式茹图6所示。4. 2. 3. 1
TTiKANiKAca
25°±5
QB/T1201-1991
4.2.3.2有柄半圆平口凿的基本尺寸和允许偏差按表6规定。表6
10(3/8\)
13(1/2\)
16(5/8%)
19(3/4\)
22(7/8)
25(1\)
25°+5
注:①表4、表5、表6中的尺寸b、c和d的允许偏差应符合GB/T1804的士1/2IT17的规定。mm
②表 4、表5、表 6中的尺寸 Lmin为采用复合材料制造时的复合部分的最小长度,hmia为采用的复合材料的最小厚度。
5技术要求
5.1凿身
5.1.1平口凿的凿身可用同一种材料制造,或由两种不同材料复合制造。复合制造的凿身必须粘合牢固、不得有夹缝和夹灰。凿身必须能经受在正常使用条件下的冲击负载和弯曲负载。5.1.2凿身硬度HRC55~~63。从刃口始,该硬度的有效长度不短于35mm。5.1.3刃口厚度不得超过0.3mm,刃口不得有缺口,并与凿身中线垂直。5.2颈部、尾部或锥尾部应与凿身中心线同轴,其形状和尺寸的确定,应能承受正常使用条件下的弯曲负载和冲击负载。
5.3手柄
5.3.1手柄的形状应适于握捏,它的尺寸应与凿身成比例,以保证木工凿整体的匀称。5.3.2手柄的材料应具有必要的抗冲击强度和抗弯曲强度。它可用木材或塑料制造。木制手柄应用套箍加固,木材纹理应纵向,不允许有裂纹、蛀孔和魔朽等缺陷。木材含水率不得大于15%,塑柄不得有气孔、裂纹等缺陷。手柄表面应平整光滑。5.4表面质量
5.4.1钢面应无裂缝等缺陷,表面粗糙度R。的最大允许值为6.3μm。5.4.2凿身与颈部或锥尾部交接处,允许有直径不大于2.5mm的麻点4个。平口凿的金属表面不得有锈蚀现象。若采用发黑和发蓝处理时,其钢面与刃口斜面必须抛光。5.4.3
6试验方法
硬度试验bzxZ.net
QB/T 1201--1991
按GB/T230的规定,在离刃口35mm以内的钢面t测量。6.2尺寸检验
尺寸检验采用通用量具。
6.3表面质量检验
表面粗糙度按GB/T6060.2的规定。表面质量的评定用目测检验。6.4刃口冲击试验
在工作台上放置一块大小适中的铅块(PbSb4),用手握住木凿的柄部或颈部,借手腕和肘部之力,在铅块表面猛击6次,刃口应无裂缝或缺口。6.5凿身弯曲试验
凿身弯曲试验如图7所示。弯曲负载应作用于距A点75mm处,在施加弯曲负载前后,均需测出自固定基点至A点和B点的距离。固定(永久)弯曲度为两读数之差。允许的最大固定(永久)弯曲度在A点为1mm,在B点为3mm。
齊曲负载P的值按图8和式(1)进行计算:P
式中:P--弯曲负载,10N;
M--弯曲力距,10N·mm;
1--—如图7所示。
弯曲力矩M(1ON·mm)
负载曲线按式(2)进行计算:
式中:α
--抗拉强度为120(10N/mm2))
一负载,10N,
L—按图 7所示。
a-凿身宽度,mm,
d-凿身厚度,mm。
6.6手柄强度试验
手柄强度试验如图9所示。
QB/T 1201
重物热处理HRC50~56
倒角2×45°
落下高度如图10所示
低碳钢套筒
基准面至少热处理至HRC64
(2)
用重量为0.7kg的金属块,按图10规定的高度自由落下,当其平面部分击在手柄上的次数达到图11的规定时,尽管顶端已呈蘑菇状的形变,但手柄不得开裂或折断,且套箍仍固定在原处,试验时必须磨去刃。
注:当塑料手柄进行强度试验时,打击频率应不至于引起手柄过热。即不得超过通带实际使用的温度(40C)。465
208300
196700
186700
176700
166700
158300
QB/T 1201--1991
283032
齿身宽a,mm
当身宽a,mm
7检验规则
QB/T 1201—1991
7.1产品须经检验合格,并签附合格证后方能出厂。2出厂检验按本标准6.1,6.26.3的规定进行。7.2
7.3型式检验按本标准6.1~6.6的规定进行。7. 3. 1凡属下列情况之一时,应进行型式检验。a.
新产品鉴定,创优评比及采标验收时,设计、工艺及材料有重大改变时;停产半年以上又恢复生产时;
成批连续生产满一年时。
7.4产品的检验应按GB/T2828二次抽样方案逐项进行。7.4.1在连续批的检验过程中,应采用GB/T2828中4.6检查严格度的确定的规定。每次样本都要从检查批中随机抽取。把整批产品按某种合理的方法分成若干小批,或几个部分,7.4.24
然后再按各小批或各部分占整个批的百分比,与总样本大小成比例地在各小批或各部分中随机抽取。抽取样本的时间,可以在批的形成过程中,也可以在批组成后。7.4.3不合格分类,检查水平的规定按表7。表7
不合格分类
检套水平
一般检查水平 I
7.4.4刃口冲击试验,凿身弯曲试验及硬度试验按表8的规定进行。表8
手柄强度试验按表9的规定进行。样
检验项目
1.刃口冲击试验
2. 凿身弯曲试验
3.手柄强度试验
1.硬度试验
2.尺寸检验
3.表面质量检验
合格质量水平(AQL)4.0
合格质量水平(AQL)6.5
QB/T 1201---1991
7.4.6其余项目的检验按表10的规定进行。表10
501~1200
1201~3200
3201~10000
10001~35000
35001~150000
150001~500000
合格质量水平(AQL)6.5
检验过程中发现的不合格品及试验损坏的样品,生产厂应予调换。7.6经检验拒收的产品,生产厂可重新整理或修整,然后提交复验。8包装、标志、运输与贮存
8.1平口凿的包装、标志、运输与贮存应按GB/T5305的规定进行。R
8.2在遵守运输与存规则的条件下,从出厂之日起九个月以内产品若发生锈蚀的,由生产厂负责。468
A1平口凿
QB/T 1201-1991
附录A
名词术语
(补充件)
刃口垂直于凿身对称轴线的木凿称平口凿。般可分为平边平口凿、斜边平口凿、半圆平口凿。A2钢面
符合规定硬度的凿身正面。
A3无柄平口凿
在流通过程中不带手柄的平口凿,其各部位的名称见表A1与表A2的规定。表A1
注:1—凿身,2—刃口:3正面:4—背面;5—刃口斜面;6—侧斜面;7—肩状部,8—颈部:9-锥尾部;10-管口;11一内刃口斜面。
A4有柄平口凿
QB/T1201-—1991
在流通过程中带有手柄的平口凿,其各部位的名称见表A2和A3的规定。表A2
注:1--凿身,2--刃口;3—正面:4—背面;5—刃口斜面;6—侧斜面;7—肩状部;8—颈;9—套箍;10—尾部;11—手柄,12一内刃口斜面;13一外刃口斜面附加说明:
本标准由轻工业部质量标准司提出。本标准由全国工具五金标准化中心归口。本标准由上海市工具工业研究所负责起草。本标准主要起草人陆遐令、俞君靖、妩允才。470
小提示:此标准内容仅展示完整标准里的部分截取内容,若需要完整标准请到上方自行免费下载完整标准文档。