首页 > 轻工行业标准(QB) > QB/T 1212-1991 信息处理未穿孔卡纸
QB/T 1212-1991

基本信息

标准号: QB/T 1212-1991

中文名称:信息处理未穿孔卡纸

标准类别:轻工行业标准(QB)

标准状态:现行

发布日期:1991-09-10

实施日期:1992-04-01

出版语种:简体中文

下载格式:.rar.pdf

下载大小:163444

相关标签: 信息处理

标准分类号

中标分类号:轻工、文化与生活用品>>造纸>>Y32纸

关联标准

替代情况:QB 377-80

采标情况:ISO 1681-73 MOD

出版信息

出版社:中国轻工业出版社

页数:7页

标准价格:12.0 元

出版日期:1992-04-01

相关单位信息

起草人:张韩中

起草单位:上海新风铜网造纸厂、上海造纸研究所

归口单位:全国造纸标准化中心

提出单位:轻工业部造纸工业司

发布部门:中华人民共和国轻工业部

标准简介

本标准规定了信息处理未穿孔卡纸的技术规范。本标准适用于制造信息处理未穿孔卡片用的卡纸。 QB/T 1212-1991 信息处理未穿孔卡纸 QB/T1212-1991 标准下载解压密码:www.bzxz.net

标准图片预览

QB/T 1212-1991 信息处理未穿孔卡纸
QB/T 1212-1991 信息处理未穿孔卡纸
QB/T 1212-1991 信息处理未穿孔卡纸
QB/T 1212-1991 信息处理未穿孔卡纸
QB/T 1212-1991 信息处理未穿孔卡纸

标准内容

中华人民共和国轻工行业标准
信息处理未穿孔卡纸
本标准等效采用ISO1681:1973《信息处理未穿孔卡纸》。1主题内容与适用范围
本标准规定了信息处理未穿孔卡纸的技术规范。本标准适用于制造信息处理未穿孔卡片用的卡纸。2引用标准
GB/T450纸和纸板试样的采取
GB/T451.1纸和纸板尺寸及偏斜度的测定法GB/T451.2纸和纸板定量的测定法GB/T 451.3
纸和纸板厚度的测定法
GB/T 454
纸耐破度的测定法
GB/T455.1纸撕裂度的测定法
GB/T 456
GB/T 457
GB/T 462
GB/T 463
纸和纸板平滑度的测定法(别克法)纸耐折度的测定法
纸和纸板水分的测定法
纸和纸板灰分的测定
GB/T 464.1
纸和纸板的干热加速老化方法(105士2℃,72h)GB/T 1545. 2
纸、纸板和纸浆水抽提液pH的测定法纸和纸板挺度的测定
GB/T 2679. 3
GB/T2828逐批检查计数抽样程序及抽样表(适用于连续批的检查)纸张的包装和标志
GB/T 10342
纸浆、纸和纸板试样处理和试验的标准大气GB/T 10739
3产品分类
3.1卡纸分为A、B、C三等。
QB/T 1212—1991
3.2卡纸为平板纸。
3.3规格尺寸:763mm×1168mm(纵向)或按订货合同规定,尺寸的误差不许超过士3mm,偏斜度不许超过3mm。
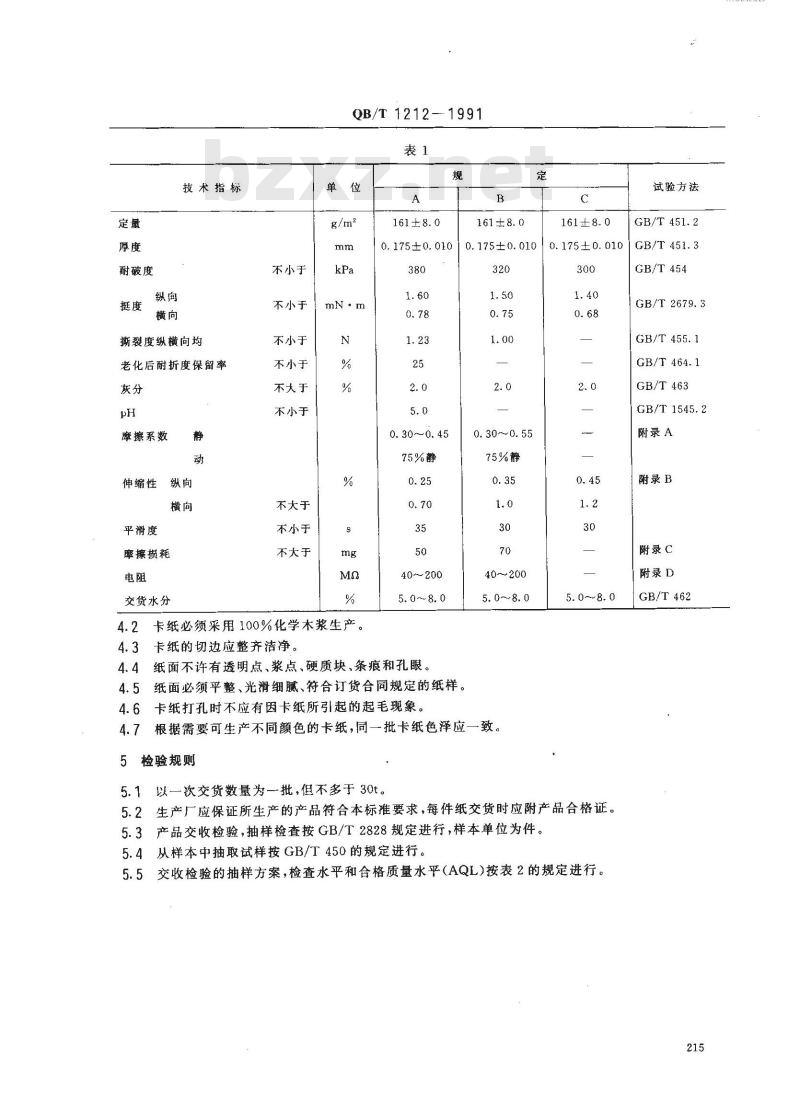
4技术要求和试验方法
4.7信息处理未穿孔卡纸的技术指标必须符合表1规定。中华人民共和国轻工业部1991-09-10批准214
1992-04-01实施
耐破度
技术指标
撕裂度纵横向均
老化后耐折度保留率
靡擦系数
伸缩性纵向
平滑度
摩擦损耗
交货水分
不小于
不小于
不小于
不小于
不大于
不小于
不大于
不小于
不大于
QB/T1212-1991
4.2卡纸必须采用100%化学本浆生产。4.3卡纸的切边应整齐洁净。
0.175±0.010
0.30~0.45
75%静
40~200
5.0~8.0
4.4纸面不许有透明点、浆点、硬质块、条痕和孔眼。定
0.175±0.010
0.30~~0.55
75%静
40~200
4.5纸面必须平整、光滑细腻、符合订货合同规定的纸样。卡纸打孔时不应有因卡纸所引起的起毛现象。4.6
4.7根据需要可生产不同额色的卡纸,同一批卡纸色泽应一致。5检验规则
0.175±0.010
5.0~~8. 0
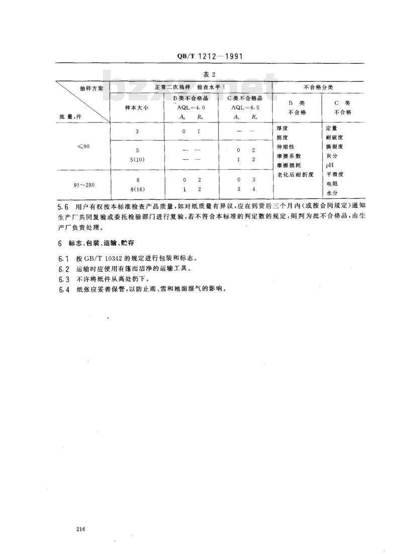
5.1以一次交货数量为一批,但不多于30t。5.2生产厂应保证所生产的产品符合本标准要求,每件纸交货时应附产品合格证。5.3产品交收检验,抽样检查按GB/T2828规定进行,样本单位为件。5.4从样本中抽取试样按GB/T450的规定进行。5.5交收检验的抽样方案,检查水平和合格质量水平(AQL)按表2的规定进行。试验方法
GB/T 451.2
GB/T 451.3
GB/T 454
GB/T 2679. 3
GB/T 455.1
GB/T 464.1
GB/T 463
GB/T 1545.2
附录A
附录B
附录C
附录D
GB/T462
抽样方案
批量,件
91~280
样本大小
QB/T 1212—1991
正常二次抽样
检查水平1
B类不合格品
C类不合格品
不合格分类
不合格
伸缩性
摩擦系数
摩擦损耗
老化后耐折度
不合格
耐破度
撕裂度
【灰分
平滑度
5.6用户有权按本标准检查产品质量,如对纸质量有异议,应在到货后三个月内(或按合同规定)通知生产厂共同复验或委托检验部门进行复验,若不符合本标准的判定数的规定,则判为批不合格品,由生产厂负责处理。
6标志、包装、运输、贮存
6.1按GB/T10342的规定进行包装和标志。6.2运输时应使用有篷雨洁净的运输工具。6.3不许将纸件从高处扔下。
6.4纸张应妥善保管,以防止雨、雪和地面湿气的影响。216
QB/T 1212-1991
附录A
摩擦系数测定
(补充件)
方法的原理是测定一张纸样在另一张纸样表面移动时产生的摩擦力。A1取样及处理
试样按GB/T450的规定采取和处理,并在(20土1)℃和(65士2)%相对湿度条件下进行测定。A2仪器
台测定摩擦系数的装置。主要由以下三部分构成:保证以(90士5)cm/min的速度作勾速运动的操作台;,
b.底部面积为76mm×76mm对纸样产生(1700士20)N/m2压力的压碗;指示出摩擦系数单位的指示器。c.
A3试样准备
切取十一张尺寸为183mm×83mm的纸样,其长边应为纵向,纸样尺寸的允许偏差为士2mm,将试样归置成叠,一张纸样的正面与下张纸样的反面相接触。A4试验程序
将十一张纸叠平置放于操作台上,然后将上面第一张纸按操作台运动的方向移动,离纸叠约50mm,将压碗压在纸样上,对整叠纸样施加压力,压碗经操纵杆与一薄片弹簧相联,使操作台与纸样按纸样的纵向移动,指示器将两张纸样表面间所产生的摩擦力记载下来,将试样依次放在纸叠下部,如此重复试验,十个样品指示器在样品加碗后对另一样品作相对运动开始时的读数为静摩擦力(F。),在运动过程中所指示的读数则为动摩擦力(F。)。A5试验结果的计算
静摩擦系数(K。)和动摩擦系数(K,)按式(A1)和式(A2)计算:K.=-
式中:F。和 F--指示器上读数,N;9.81——压的压力,N。
试验结果取十次试验的算术平均值,精确至0.01。附录B
伸缩性的测定法
(补充件)
测试方法是根据卡纸在(23士2)℃,空气的相对湿度由20%变化到(75±2)%和75%变化到(20士2)%时尺寸的增加或减少。
B1取样及处理
试样按GB/T 450的规定采取。
B2仪器Www.bzxZ.net
QB/T 1212—1991
一台HK型伸缩性测定仪,由一循环空气的控制室和两端钮组成,控制室内可控制空气的相对湿度,由20%升到75%,并由75%下降至20%,端钮有上下两个,上端钮为固定端钮,下端钮与指示器相联,指示器的分度值为0.01mm。B3试样准备
按纵横向各切取3张尺寸为215mm×50mm的纸样,用虚线表示出测试长200mm。B4试验程序
将试样按虚线的记号夹在端钮上,使其在温度(23士2)℃下,相继受空气的相对湿度由20%、75%、20%的作用,试样在每一相对湿度下保持 2h,将指示器的显示记录下来。B5试验结果计算
线尺寸的增加按相对湿度为20%时纸样的最初长度和相对湿度为75%时的最终长度之差(△L)计算,线尺寸的减少按相对湿度为75%时试样的最初长度和相对湿度下降至20%时的最终长度之差(AL)计算,伸缩性(L')按下式计算:L
式中:AL—-纸样长度的变化值,mm,L一一纸样原长度,mm。
测试结果取纵横向6次测试(增加或减少)中的最大值表示,精确至0.1%。附录C
摩擦损耗的测定法
(补充件)
本方法原理是试样在特定条件下,经摩擦轮摩擦后所损失的量,以毫克表示之,C1取样及处理
试样按GB/T450及GB/T10739的规定采取和处理,并在(20士1)℃和(65土2)%相对湿度条件下进行测定。
C2仪器
C2.1Taber505型双盘耐磨测定仪。C2.2
千分之一天平。
C3试样的准备
剪取直径为100mm的圆形试样6个,并在中心剪-8mm的孔,在中心孔旁边记录正面、反面、正反面分别进行测定3次。
C4试验程序
QB/T 1212-—1991
用刷子拂拭试样表面,称量(G)并准确至1mg,在试验器的回转盘的-一定位置上拧紧试样,用两个摩耗轮在试样表面转动,各个摩耗轮上加以1000g的码,一边用真空扫除器清扫试样表面,-边插上回转盘的开关,使试样以(70士5)次/min的速度转100转,然后取下试样,将其表面残留的纤维屑完全拂拭下来,称量(G,)。
C5试验结果与计算
摩擦损耗(G)按下式计算:
G=G,-G
式中:Go—摩损前试样质量,mg;G
一摩损后试样质量,mg。
试验结果分别取正、反面数据的算术平均值表示,精确至0.1mg。附录D
电阻的测定法
(补充件)
本方法原理基于测定二平板电极间的试样的电阻数。D1取样及处理
试样按GB/T450及GB/T10739的规定采取和处理,并在(20士1)℃和(65土2)%相对湿度条件下进行测定。
D2仪器
D2.1接触平板的底板为一覆有胶皮的金属平板,长190mm,宽85mm,面板为178mm×76mm矩形金属板,厚度为10mm,质量为3400g。D2.2测量仪表:内电阻约为100MQ的伏特计。D2.3电源:45V电池供电。
试样准备
切取5张尺寸为187mm×83mm的试样,其长边应为纵向,试样尺寸偏差不应超过士2mm。D4试验程序
D4.1将试样平放在二块金属板之间。手一端与底板接上,使电源、伏特计、面板、底板、试样依次串联。D4.2电池一端与面板相联接,电池另D4.3记下电压计读数。
D5试验结果计算
试样的电阻(R,)按下式计算:
(E-V)R2
式中:Ri
试样的电阻,MQ;
电池电压,V;
电压计读数,V;
电压计的内电阻,MQ;
QB/T 1212-1991
试验结果取5次测定的算术平均值,以兆欧表示,精确至10MQ。附加说明:
本标准由轻工业部造纸工业司提出。本标准由全国造纸标准化中心归口。本标准由上海新风铜网造纸厂、上海造纸研究所负责起草。本标准主要起草人张韩中。
自本标准实施之日起,原轻工业部部标准QB377-1980《信息处理未穿孔卡纸》作废。220
小提示:此标准内容仅展示完整标准里的部分截取内容,若需要完整标准请到上方自行免费下载完整标准文档。