首页 > 轻工行业标准(QB) > QB/T 1016-1991 鸡皮纸
QB/T 1016-1991

基本信息

标准号: QB/T 1016-1991

中文名称:鸡皮纸

标准类别:轻工行业标准(QB)

标准状态:已作废

发布日期:1991-03-30

实施日期:1992-01-01

作废日期:2007-05-01

出版语种:简体中文

下载格式:.rar.pdf

下载大小:71418

标准分类号

中标分类号:轻工、文化与生活用品>>造纸>>Y32纸

关联标准

替代情况:替代QB 204-73;被QB/T 1016-2006代替

采标情况:ГОСТ 8273-1975 NEQ

出版信息

页数:3页

标准价格:8.0 元

相关单位信息

标准简介

发布:1997.02.01 QB/T 1016-1991 鸡皮纸 QB/T1016-1991 标准下载解压密码:www.bzxz.net

标准图片预览

QB/T 1016-1991 鸡皮纸
QB/T 1016-1991 鸡皮纸
QB/T 1016-1991 鸡皮纸

标准内容

中华人民共和国轻工行业标准
主题内容与适用范围
本标准规定了鸡皮纸的技术规范。本标准适用于食品、工业品的包装纸。2引用标准
GB/T450纸和纸板试样的采取
GB/T451.1纸和纸板尺寸及偏斜度的测定法GB/T451、2纸和纸板定量的测定法GB/T454纸耐破度的测定法
GB/T 457
纸耐折度的测定法
GB/T460纸和纸板施胶度的测定法(墨水划线法)GB/T 462
GB/T 2828
GB/T 3561
纸和纸板水分的测定法
逐批检查计数抽样程序及抽样表(适用于连续批的检查)食品包装用原纸卫生标准的分析方法GB/T 10342
GB/T 10739
纸张的包装和标志
纸浆、纸和纸板试样处理和试验的标准大气GB11680食品包装用原纸卫生标准3产品分类
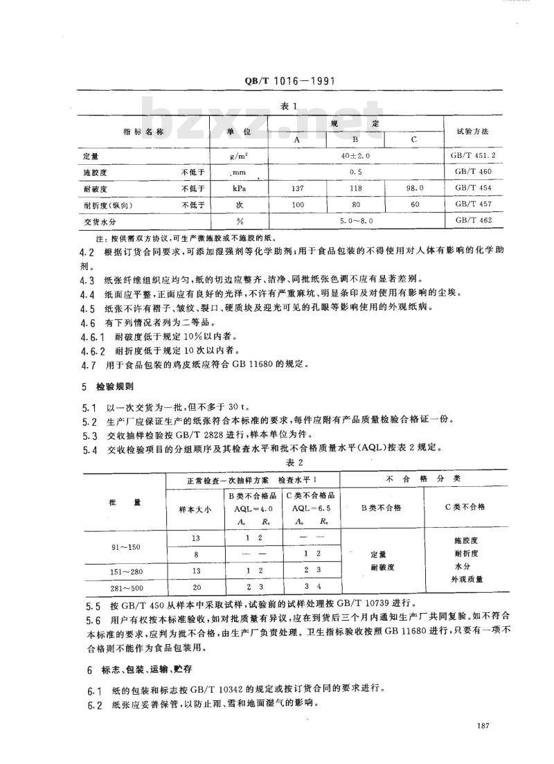
3.1鸡皮纸分为A、B、C三等。
QB/T 1016—1991
3.2鸡皮纸为平板纸。
3.3纸张规格:700mm×1000mm、889mm×1194mm、787mm×1092mm或按订货合同规定。尺寸偏差不许超过±3mm。偏斜度不许超过3mm。3.4按照订货合同规定可生产各种额色的鸡皮纸。4技术要求和试验方法
4.1鸡皮纸的技术指标必须符合表1规定。中华人民共和国轻工业部1991-03-30批准186
1991-12-01实施
施胶度
耐破度
指标名称
耐折度(纵向)
交货水分
不低于
不低于
不低于
QB/T 1016—1991
试验方法
GB/T 451.2
GB/T 460
GB/T454
GB/T457
GB/T462
注;按供带双方协议,可生产微施胶或不施胶的纸。根据订货合同要求,可添加湿强剂等化学助剂,用于食品包装的不得使用对人体有影响的化学助4.2
8纸张纤维组织应均匀,纸的切边应整齐、洁净、同批纸张色调不应有显著差别。4.3
纸面应平整,正面应有良好的光泽,不许有严重麻坑、明显条印及对使用有影响的尘埃。4.5纸张不许有褶子、皱纹、裂口、硬质块及迎光可见的孔眼等影响使用的外观纸病。4.6有下列情况者列为二等品。bzxz.net
4.6.1耐破度低于规定10%以内者。4.6.2耐折度低于规定10次以内者。4.7
用于食品包装的鸡皮纸应符合GB11680的规定。5检验规则
以一次交货为一批,但不多于30 t。5.1
5.2生产厂应保证生产的纸张符合本标准的要求,每件应附有产品质量检验合格证一份。5.3交收抽样检验按GB/T2828进行,样本单位为件。5.4交收检验项目的分组顺序及其检查水平和批不合格质量水平(AQL)按表2规定。表2
正常检查一次抽样方案检查水平1批
91~150
151~280
281~500
样本大小
B类不合格品
「C类不合格品
AQL = 6. 5
格分类
B类不合格
耐破度
C类不合格
施胶度
耐折度
外观质量
5.5按GB/T450从样本中采取试样,试验前的试样处理按GB/T10739进行。5.6用户有权按本标准验收,如对批质量有异议,应在到货后三个月内通知生产厂共同复验。如不符合本标准的要求,应判为批不合格,由生产厂负责处理。卫生指标验收按照GB11680进行,只要有一项不合格则不能作为食品包装用。
6标志、包装、运输、贮存
6.1纸的包装和标志按GB/T10342的规定或按订货合同的要求进行。6.2纸张应妥善保管,以防止雨、雪和地面湿气的影响。187
QB/T1016—-1991
运输时应使用有篷而洁净的运输工具。6.4不许将纸件从高处扔下。
附加说明:
本标准由轻工业部造纸工业司提出。本标准由全国造纸标准化中心归口。本标准由上海勤丰造纸厂负责起草。本标准主要起草人姚美芬。
本标准参照采用苏联国家标准rOCT8273—1975《包装纸》。自本标准实施之日起,原轻工业部部标准QB204一1973《鸡皮纸》作废。188
小提示:此标准内容仅展示完整标准里的部分截取内容,若需要完整标准请到上方自行免费下载完整标准文档。