首页 > 轻工行业标准(QB) > QB/T 1019-1991 水松纸
QB/T 1019-1991

基本信息

标准号: QB/T 1019-1991

中文名称:水松纸

标准类别:轻工行业标准(QB)

标准状态:现行

发布日期:1991-03-30

实施日期:1991-12-01

出版语种:简体中文

下载格式:.rar.pdf

下载大小:112037

标准分类号

中标分类号:轻工、文化与生活用品>>造纸>>Y32纸

关联标准

出版信息

出版社:中国轻工业出版社

页数:5页

标准价格:8.0 元

出版日期:1991-12-01

相关单位信息

起草人:陆金培、孙霞敏、朱雪宝、殷君琪

起草单位:杭州华丰造纸厂、上海前卫造纸厂

归口单位:全国造纸标准化中心

提出单位:轻工业部造纸工业司

发布部门:中华人民共和国轻工业部

标准简介

本标准规定了水松纸的技术规范及水松原纸的技术要求。本标准适用于制造联结纸卷烟和过滤嘴用的外圈纸。 QB/T 1019-1991 水松纸 QB/T1019-1991 标准下载解压密码:www.bzxz.net

标准图片预览

QB/T 1019-1991 水松纸
QB/T 1019-1991 水松纸
QB/T 1019-1991 水松纸
QB/T 1019-1991 水松纸
QB/T 1019-1991 水松纸

标准内容

中华人民共和国轻工行业标准
水松纸
(附水松原纸)
主题内容与适用范围
本标准规定了水松纸的技术规范及水松源纸的技术要求。本标准适用于制造联结纸卷烟和过滤嘴用的外圈纸。2引用标准
GB/T450
纸和纸板试样的采取
GB/T 451. 1
纸和纸板尺寸及偏斜度的測定法GB/T 451.2 纟
纸和纸板定量的测定法
GB/T 451.3线
纸和纸板厚度的测定法
GB/T453
GB/T 458
GB/T460
GB/T 462
GB/T 463
GB/T 1541
GB/T 2828
纸和纸板抗张强度的测定法(恒速加荷法)纸和纸板透气度的测定法(肖伯尔法)纸和纸板施胶度的测定法(墨水划线法)纸和纸板水分的测定法
纸和纸板灰分的测定
纸和纸板尘坐埃度的测定法
逐批检查计数抽样程序及抽样表(适用于连续批的检查)GB/T 8940.1
GB/T 10342
GB/T 10739
3产品分类
纸和纸板白度测定法45/0定向反射法纸张的包装和标志
纸浆、纸和纸板试样处理和试验的标准大气3.1水松纸按质量分为A、B、C三等。3.2水松纸为卷盘纸。
QB/T 1019—1991
3.3卷盘纸宽为38mm、40mm、44mm、48mm、68mm或按定货合同规定,宽度偏差不许超过土0.3mm3.4卷盘直径为(380土10)mm或按订货合同规定。4技术要求和试验方法
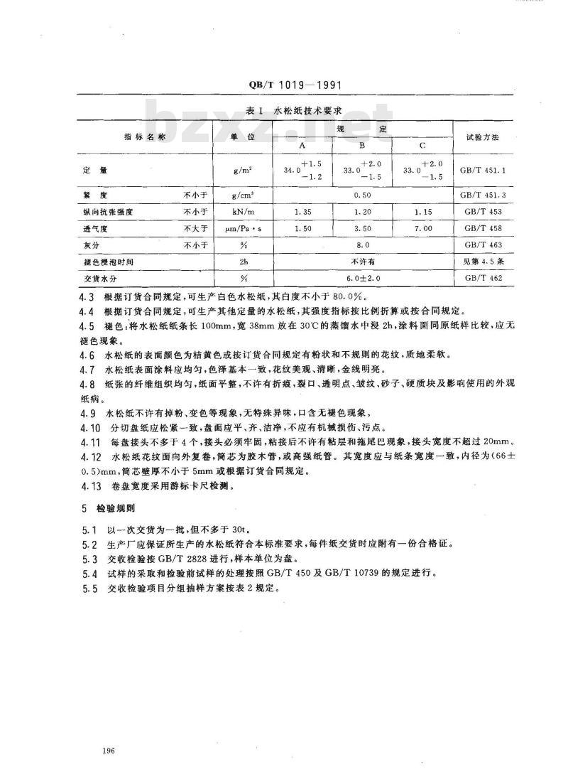
4.1水松纸应用符合附录A规定的水松原纸进行加工。4.2水松纸的技术指标必须符合表1规定。中华人民共和国轻工业部1991-03-30批准1991-12-01实施
指标名称
纵向抗张强度
透气度
褪色浸泡时间
交货水分
不小于
不小于
不大于
不小于
QB/T 1019-
表1水松纸技术要求
μm/Pa·s
不许有
4.3根据订货合同规定,可生产白色水松纸,其白度不小于80.0%。C
试验方法
GB/T 451.1
GB/T451.3
GB/T453
GB/T 458
GB/T463bZxz.net
见第4.5条
GB/T462
4.4根据订货合同规定,可生产其他定量的水松纸,其强度指标按比例折算或按合同规定。4.5褪色:将水松纸纸条长100mm,宽38mm放在30℃的蒸馏水中浸2h,涂料面同原纸样比较,应无褪色现象。
4.6水松纸的表面颜色为桔黄色或按订货合同规定有粉状和不规则的花纹,质地柔软。4.7水松纸表面涂料应均匀,色泽基本一致,花纹美观、清晰,金线明亮。4.8纸张的纤维组织均勾,纸面平整,不许有折痕,裂口、透明点、皱纹、砂子、硬质块及影响使用的外观纸病。
4.9水松纸不许有掉粉、变色等现象,无特殊异味,口含无褪色现象。4.10分切盘纸应松紧一致,盘面应平、齐、洁净,不应有机械损伤、污点。4.11每盘接头不多于4个,接头必须牢固,粘接后不许有粘层和拖尾巴现象,接头宽度不超过20mm。4.12水松纸花纹面向外复卷,简芯为胶木管,或高强纸管。其宽度应与纸条宽度一致,内径为(66土0.5)mm,简芯壁厚不小于-5mm或根据订货合同规定。4.13卷盘宽度采用游标卡尺检测。5检验规则
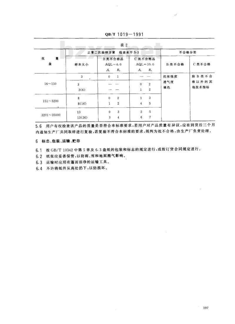
5.1以一次交货为一批,但不多于30t。5.2生产厂应保证所生产的水松纸符合本标准要求,每件纸交货时应附有一份合格证。5.3交收检验按GB/T2828进行,样本单位为盘。5.4试样的采取和检验前试样的处理按照GB/T450及GB/T10739的规定进行。5.5交收检验项目分组抽样方案按表2规定。196
16~150
151~3200
320135000
QB/T 1019—1991
检查水平S-3
正常二次抽样方案
B类不合格品
样本大小
13(26)
C类不合格品
AQI, 10. 0
不合格分类
B类不合格
抗张强度
透气度
C类不合格
除B类不合
格以外的其
他技术指标
5.6用户有权检查该产品的质量是否符合本标准要求,若用户对产品质量有异议,应在到货后三个月内通知生产厂共同取样进行复验,若复验不符合本标准的要求,则判为批不合格,由生产厂负责处理。6标志、包装、运输、贴存
6.1按GB/T10342中第5章及6.3盘纸的包装和标志的规定进行,或按订货合同规定进行。6.2纸张应妥善保管,以防雨、需和地面潮气影响。6.3运输时应用有篷而洁净的运输工具。6.4不许将纸件从高处扔下,以防损坏。197
A1产品分类
A1.1水松原纸按质量分A、B、C三等。A1.2水松原纸为卷简纸。
QB/T 1019-1991
附录A
水松原纸技术要求
(补充件)
A1.3卷简宽度为284mm、360mm、500mm或按合同规定。尺寸偏差不许超过土3mm。A1.4卷简直径以(430士20)mm为宜或按合同规定。A2技术要求和试验方法
水松原纸技术指标必须符合表A1规定。表A1水松原纸技术要求与试验方法指标名称
纵向抗张强度
透气度
施胶度
不小于
不小于
不大于
不小于
不小于
0.3mm2~1.5mm2
尘埃度
(黄色不计)
交货水分
大于1.5mm2
其中白色水松原纸
0. 3mm2~1. 5mm*
大于1.5mm2
μm/Pa·s
个/m2
29.0±1.5
6.0(或按合同规定)
0.25(3~4线)
不许有
不许有
试验方法
GB/T 451.2
GB/T 451.3
GB/T 453
GB/T 458
GB/T463
GB/T460
GB/T 8940. 1
GB/T 1541
GB/T462
2水松原纸为橘黄色,根据用户需要可生产其他额色及定量的水松原纸。同批纸色调不许有显著A2.2
差别。
同4.7条。
卷简端面应平整、洁净,卷简全幅松紧一致。每只卷筒接头不得超过5个,接头处应有标记,接头应接牢,粘接处不准粘住其他层纸页。检验规则
同水松纸第5章,并补充如下。
样本单位为简。
TiKAoNiKA
A3.3B类不合格有抗张强度、灰分。、标志、包装、运输、贮存
同水松纸第6章。
附加说明:
QB/T 1019--1991
本标准由轻工业部造纸工业司提出。本标准由全国造纸标准化中心归口。本标准由杭州华丰造纸厂、上海前卫造纸厂负责起草。本标准主要起草人陆金培、曹翠、孙霞敏、朱雪宝、殷君琪。199
小提示:此标准内容仅展示完整标准里的部分截取内容,若需要完整标准请到上方自行免费下载完整标准文档。