首页 > 轻工行业标准(QB) > QB/T 1924-1993 菜刀
QB/T 1924-1993

基本信息

标准号: QB/T 1924-1993

中文名称:菜刀

标准类别:轻工行业标准(QB)

标准状态:现行

发布日期:1994-01-06

实施日期:1994-08-01

出版语种:简体中文

下载格式:.rar.pdf

下载大小:137183

标准分类号

中标分类号:轻工、文化与生活用品>>五金制品>>Y73日用五金制品

关联标准

替代情况:SG 184-1980

出版信息

出版社:中国轻工业出版社

页数:5页

标准价格:8.0 元

出版日期:1994-08-01

相关单位信息

起草人:周赵凤、韦燕、茹金成、徐景华、赵为善、雷梓旋、王英华

起草单位:杭州张小泉剪刀厂

归口单位:全国日用五金标准化中心

提出单位:轻工业部质量标准司

发布部门:中华人民共和国轻工业部

标准简介

本标准规定了菜刀的产品分类技术要求、试验方法、检验规则及标志、包装、运输、贮存本标准适用于菜刀。 QB/T 1924-1993 菜刀 QB/T1924-1993 标准下载解压密码:www.bzxz.net

标准图片预览

QB/T 1924-1993 菜刀
QB/T 1924-1993 菜刀
QB/T 1924-1993 菜刀
QB/T 1924-1993 菜刀
QB/T 1924-1993 菜刀

标准内容

中华人民共和国轻工行业标准
主题内容与适用范围
QB/T 1924---1993
本标准规定了菜刀的产品分类、技术要求、试验方法、检验规则及标志、包装、运输、贮存。本标准适用于菜刀。
2引用标准
GB/T2828逐批检查计数抽样程序及抽样表(适用于连续批的检查)GB/T2829周期检查计数抽样程序及抽样表(适用于生产过程稳定性的检查)3产品分类
3.1产品型式按各自企业的情况或地方特色以及特殊要求而定。3.2产品主要部位名称如图。
刀身长
刀箍刀柄
3产品的规格按刀身长度(最长部位)不同分为1#~8*,A、B两类,其规格尺寸见表1。3. 3
220±2
215±2
210±2
205±2
200±2
195±2
190±2
185±2
180±2
175±2
3.4材料应符合表2的规定或采用能达到本标准技术要求的其他材料。中华人民共和国轻工业部1994-01-06批准6
170±2
165±2
160±2
155±2
150±2
145±2
1994-08-01实施
刀箍、垫圈
4技术要求
4.1锋利度
碳素复合钢
QB/T 1924
碳素不锈复合钢
B1,B2等普通低碳钢
60.65.65Mn
不锈钢OCr18Ni9
0Cr13 0Cr17 等
金属或非金属无毒材料
防腐性能材料或经防腐处理的材料锰
锋利度值不大于40N,耐用度值不大于15N(刃口锋利,竖看成一黑线,无白口)。4.2硬度要求见表3。刃部淬火宽度不小于20mm。表3
刃部材料
不锈钢类
碳素钢类
4.3金相组织
≥HRC50www.bzxz.net
≥HRC52
3Cr13、4Cr13等
马氏体型不锈钢
同把硬度差
≤HRC4
4.3.1刃部材料是碳素钢的,其金相组织为回火马氏体不大于4级。4.3.2刃部材料是不锈钢的,其金相组织为隐针状回火马氏体十细针状回火马氏体+粒状碳化物十少量残余奥氏体(允许有贝氏体)。4.4复合钢类菜刀刃部不准有偏钢,显钢宽度不小于0.5mm,不得有过烧、断口、夹灰等缺陷。4.5粗糙度
4.5.1刀身主体为碳素钢的其粗糙度为R3.2um。4.5.2刀身主体为不锈钢的其粗糙度为R.1.6um。4.6刀身平直并对称,特殊设计要求的除外。4.7刀体上10mm以下的抛磨粗丝和黑丝累计长度不超过50mm,1mm2以下的麻点不超过5处。4.8刀柄、刀箍、垫圈
4.8.1刀柄端部承受80N的径向拉力后无松动,无变形。刀箍、垫圈应装配紧密、牢固、端正。4.8.2
金属柄与刀体焊接处不得有气孔、砂眼,不得漏水,焊接应平整光滑。塑料刀柄经耐温试验后无松动、变形。4.8.3
4.9商标应清晰端正。
4.10菜刀质量分等规定见附录A(补充件)。5试验方法
5.1产品规格尺寸用通用量具检测。5.2锋利度:用莱刀锋利度测试仪检测,在刃部前后三分之一处各测一点。5.3硬度试验:用硬度计在离刃口线5~8mm内分前、中、后各测一点。5.4金相组织用金相显微镜(500×)检测,观察部位在刃长的中部横截面上,距刃口3~10mm处。438
QB/T1924--1993
5.5淬火宽度和显钢、偏钢试验:分别在刀头端部和根部的刃口处涂上5%硝酸水溶液观察其色泽,用目测、尺量。
5.6粗糙度试验:用粗糙度测定仪测定或用粗糙度样块对照。以仪器测定作为仲裁方法。5.7粗丝、黑丝、麻点用样板或尺量测定。5.8刀柄强度试验:以刀箍为支点,背为底面,在刀柄尾端10mm处采用挂重法。5.9塑料刀柄的耐温试验:塑料刀柄在100℃水中浸15min。5.10其他技术要求用目测手感检验。6检验规则
6.1产品经制造厂质量检验部门按本标准检验合格后,方可出厂6.2产品分出厂检验和型式检验。6.2.1出厂检验
按GB/T2828规定执行,采用正常检查一次抽样方案,按每百单位产品不合格品数计算,其检查项目、不合格分类、检查水平和合格质量水平应符合表4的规定。表4
本标准所属章、条
检查项目
锋利度
粗糙度
平直性
刀身外观
型式检验
6. 2. 2. 1
不合格分类
技术要求
有下列情况之一时,般应进行型式检验。试验方法
检查水平孔
新产品或老产品转厂生产的试制定型鉴定;正式生产后,如结构、材料、工艺有较大改变,可能影响产品性能时;正常生产时每年不少于一次;
产品长期停产后,恢复生产时;出厂检验结果与上次型式检验有较大差异时;合格质量水平(AQL)
国家质量监督机构提出进行型式检验的要求时。2型式检验按GB/T2829规定执行,采用判别水平1的一次抽样方案,按每百单位产品不合格6. 2.2.2
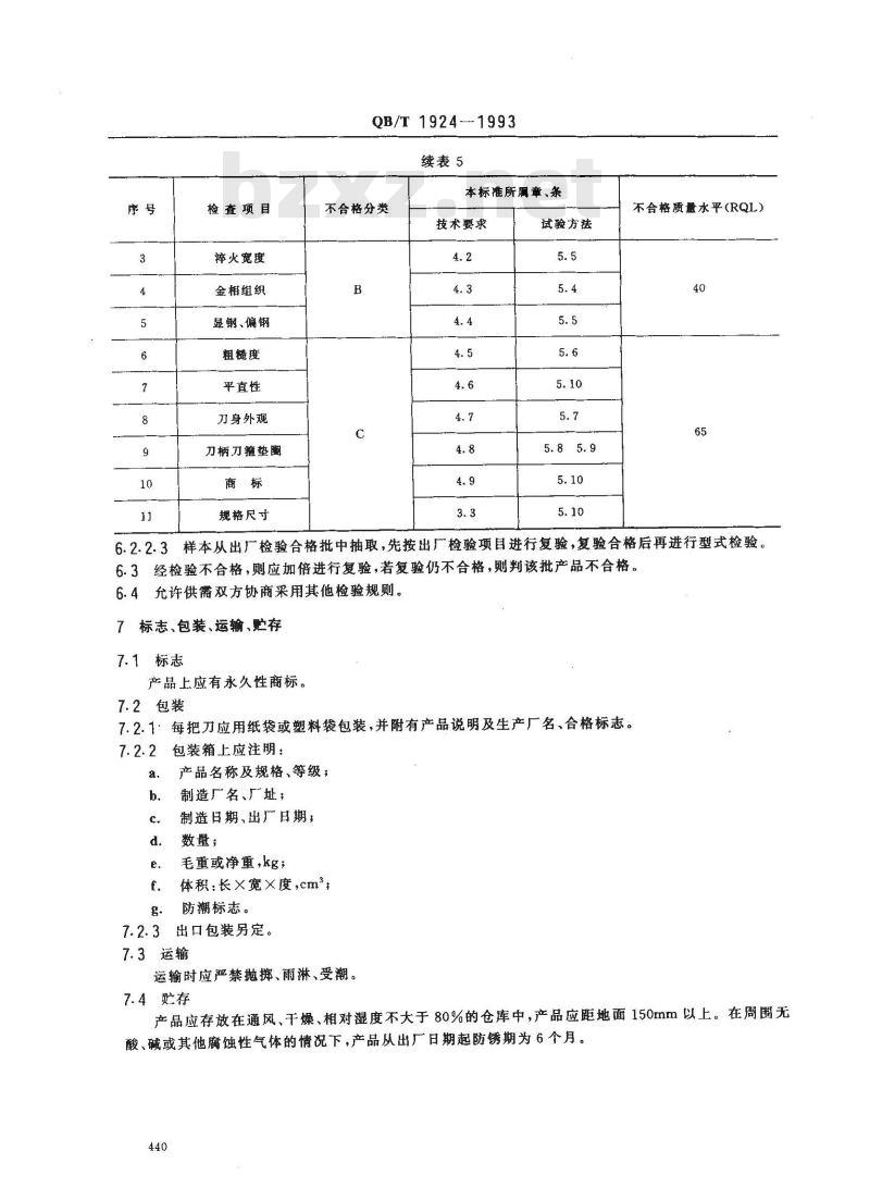
品数计算,样本大小均为n一5,其检查项目、不合格分类、不合格质量水平应符合表5的规定。表5
本标准所属章、条
检查项目
锋利度
不合格分类
技术要求
试验方法
不合格质量水平(RQL)
检查项目
淬火宽度
金相组织
显钢、偏钢
粗糙度
平直性
刀身外观
刀柄刀箍垫断
规格尺寸
QB/T 19241993
续表5
本标准所属章、条
不合格分类
技术要求
试验方法
不合格质量水平(RQIL)
6.2.2.3样本从出厂检验合格批中抽取,先按出厂检验项目进行复验,复验合格后再进行型式检验。6.3经检验不合格,则应加倍进行复验,若复验仍不合格,则判该批产品不合格。允许供需双方协商采用其他检验规则。6.4
7标志、包装、运输、贮存
7.1标志
产品上应有永久性商标。
7.2包装
7.2.1·每把刀应用纸袋或塑料袋包装,并附有产品说明及生产厂名、合格标志。包装箱上应注明:
产品名称及规格、等级;
制造厂名、厂址;
制造日期、出日期;
数量;
毛重或净重,kg;
体积:长x宽x度,cm*;
防潮标志。
出口包装另定。
7.3运输
运输时应严禁抛挪、雨淋、受潮。7.4贮存
产品应存放在通风、干燥、相对湿度不大于80%的仓库中,产品应距地面150mm以上。在周围无酸、碱或其他腐蚀性气体的情况下,产品从出厂日期起防锈期为6个月。440
A1合格品
QB/T1924--1993
附录A
菜刀分等规定
(补充件)
凡符合标准中各项技术要求的为合格品。A2优等品、一等品
优等品与一等品符合下表的规定,未列的其他要求应符合合格品的规定。序号
技术要求
刃口硬度
粗髓度R
锋利度
附加说明:
不锈钢类
碳素钢类
同把硬度差
不锈钢类,μm
碳素钢类,m
锋利度值,N
耐用度值,N
不锈钢类
碳素钢类
≥HRC 52
≥HRC 54
HRC 3 
不得有粗丝、黑丝,麻点不超过3处32
同4.3.2条
本标准由轻工业部质量标准司提出。等
≥HRC
不得有粗丝、黑丝,麻点不超过4处36
同4.3.2条
本标准由全国日用五金标准化中心归口。本标准由杭州张小泉剪刀厂负责起草,由北京制刀厂、广东江门三桁瓦刀厂、齐齐哈尔制刀厂参加起草。
本标准主要起草人周赵凤、韦燕、茹金成、徐景华、赵为善、雷梓旋、王英华。自本标准实施之日起,原轻工业部部标准SG184-1980《菜刀》作废。441
小提示:此标准内容仅展示完整标准里的部分截取内容,若需要完整标准请到上方自行免费下载完整标准文档。