首页 > 轻工行业标准(QB) > QB/T 2089-1995 电解电容器纸
QB/T 2089-1995

基本信息

标准号: QB/T 2089-1995

中文名称:电解电容器纸

标准类别:轻工行业标准(QB)

标准状态:已作废

实施日期:1996-01-01

作废日期:2003-01-01

出版语种:简体中文

下载格式:.rar.pdf

下载大小:155488

相关标签: 电解 电容器

标准分类号

中标分类号:轻工、文化与生活用品>>造纸>>Y32纸

关联标准

替代情况:QB 594-81;被GB/T 7970.4-2002代替

出版信息

页数:6页

标准价格:12.0 元

相关单位信息

标准简介

QB/T 2089-1995 电解电容器纸 QB/T2089-1995 标准下载解压密码:www.bzxz.net

标准图片预览

QB/T 2089-1995 电解电容器纸
QB/T 2089-1995 电解电容器纸
QB/T 2089-1995 电解电容器纸
QB/T 2089-1995 电解电容器纸
QB/T 2089-1995 电解电容器纸

标准内容

中华人民共和国轻工行业标准
电解电容器纸
本标准规定了电解电容器纸的技术规范。本标准适用于作电解电容器吸附电解液用的衬垫纸。2引用标准bzxZ.net
GB/T450纸和纸板试样的采取
GB/T451.1纸和纸板尺寸及偏斜度的测定法GB/T451.2纸和纸板定量的测定法GB/T451.3纸和纸板厚度的测定法GB/T453纸和纸板抗张强度的测定法(恒速加荷法)GB/T461.1纸和纸板毛细吸液高度的测定法(克列姆法)GB/T462纸和纸板水分的测定法
GB/T 1545.2纸、纸板和纸浆水抽提液 pH 的测定法纸浆、纸和纸板水溶性氟化物的测定(硝酸汞法)GB/T 2678.2
GB/T 2828
逐批检查计数抽样程序及抽样表(适用于连续批的检查)纸、纸板和纸浆水溶性氯化物的测定GB/T 5403
GB/T 7977
GB/T 10342
GB/T 10739
3产品分类
纸浆、纸和纸板水抽提液电导率的测定纸张的包装和标志
纸浆、纸和纸板试样处理和试验的标准大气电解电容器纸按原料和纸的复合层数不同,可分为多种型号,见表1。3.1
S纤维单层纸
QB/T 2089-1995
主要原料与纸的复合层数
S与M纤维双层复合纸
C纤维单层纸
B纤维单层纸
W与B纤维双层复合纸
W 与 C纤维单层纸
W纤维单层纸
W与M 纤维双层复合纸
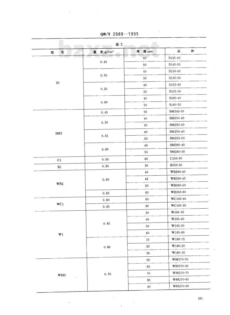
3.2电解电容器纸按紧度和厚度不同,每个型号又可分为许多品种的产品,见表2。中国轻工总会1995-05-08批准
1996-01-01实施
QB/T 2089—1995
紧度,/cm2
厚度,μm
S145-40
S145-50
S150-40
S150-50
S155-40
S155-50
S160-40
S160-50
SM245-50
SM250-40
SM250-50
SM255-40
SM255-50
SM260-40
SM260-50
C150-60
B150-30
WB260-40
WB260-45
WB260-50
WB262-60
WC160-60
WC165-90
W165-30
W165-40
W165-50
W165-60
W180-15
W180-20
W180-30
WM270-50
WM270-60
WM270-70
WM270-85
WM270-90
4技术要求
QB/T 2089-1995
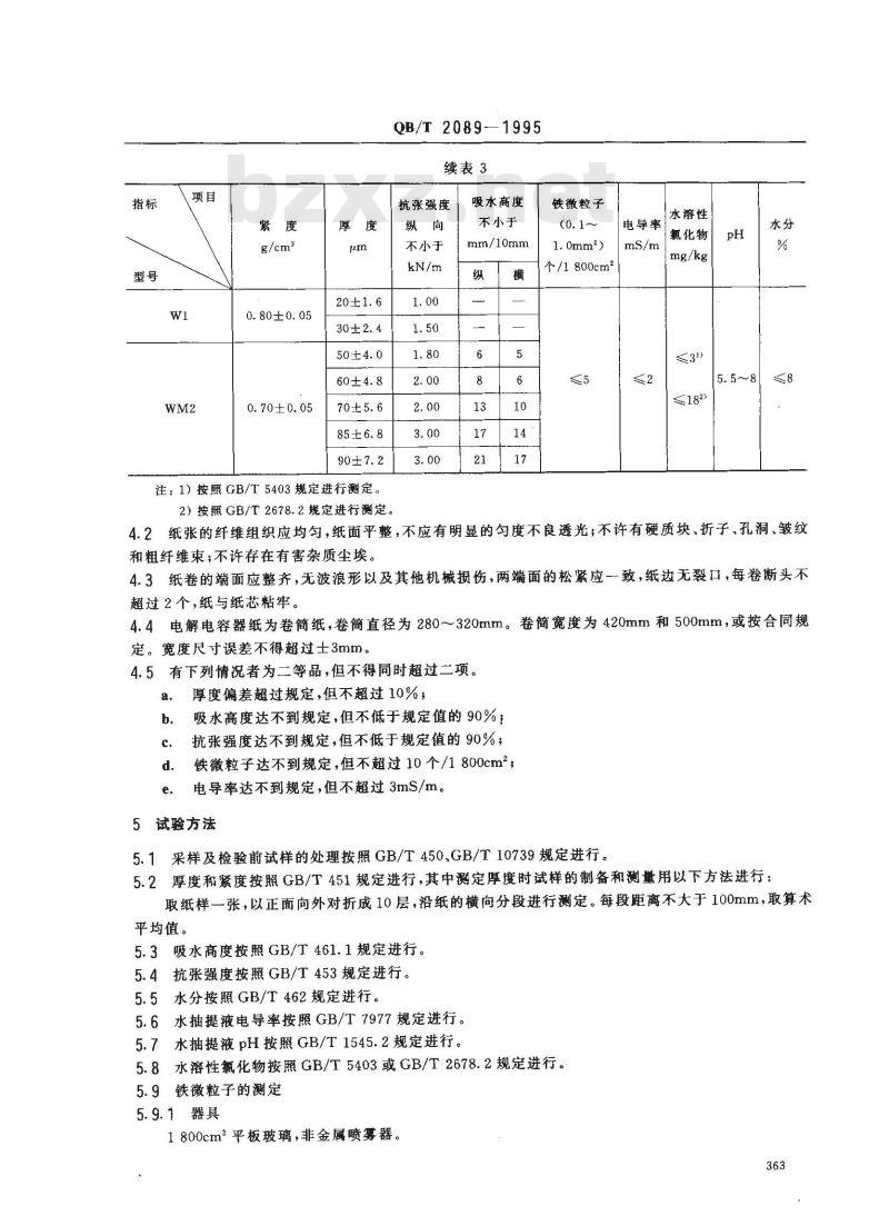
电解电容器纸的技术指标必须符合表3规定。4.1
0.45±0.05
0.50±0.05
0.55±0.05
0.60±0.05
0.45±0.05
0.50±0.05
0.55±0.05
0.60±0.05
0.50±0.05
0.50±0.05
0.60±0.05
0.62±0.05
0.60±0,05
0.65±0.05
0.65±0.05
抗张强度
不小于
0.80±0.05
吸水高度
不小于
mm/10mm
铁微粒子
个/1800cm2
电导率
水溶性
氯化物
0.80±0.05
0.70±0.05
注:1)按照GB/T5403规定进行测定。QB/T 2089—1995
续表3
抗张强度
不小于
吸水高度
不小于
mm/10mm
铁微粒子
个/1800cm2
水溶性
电导率
氯化物
≤182)
2)按服GB/T2678.2规定进行测定。4.2纸张的纤维组织应均匀,纸面平整,不应有明显的匀度不良透光;不许有硬质块、折子,孔洞、皱纹和粗纤维束;不许存在有害杂质尘埃。4.3纸卷的端面应整齐,无波浪形以及其他机械损伤,两端面的松紧应一致,纸边无裂口,每卷断头不超过2个,纸与纸芯粘牢。
4.4电解电容器纸为卷简纸,卷筒直径为280~320mm。卷简宽度为420mm和500mm,或按合同规定。宽度尺寸误差不得超过士3mm。4.5有下列情况者为二等品,但不得同时超过二项。a,
厚度偏差超过规定,但不超过10%,吸水高度达不到规定,但不低于规定值的90%;b.
抗张强度达不到规定,但不低于规定值的90%;铁微粒子达不到规定,但不超过10个/1800cm2;电导率达不到规定,但不超过3mS/m。5试验方法
5.1采样及检验前试样的处理按照GB/T450、GB/T10739规定进行。5.2厚度和紧度按照GB/T451规定进行,其中测定厚度时试样的制备和测量用以下方法进行:取纸样一张,以正面向外对折成10层,沿纸的横向分段进行测定。每段距离不大于100mm,取算术平均值。
5.3吸水高度按照GB/T461.1规定进行。5.4抗张强度按照GB/T453规定进行。5.5水分按照GB/T462规定进行。5.6水抽提液电导率按照GB/T7977规定进行。5.7水抽提液pH按照GB/T1545.2规定进行。5.8水溶性氯化物按照GB/T5403或GB/T2678.2规定进行。5.9铁微粒子的测定
5.9.1器具
1800cm2平板玻璃,非金属喷雾器。363
5.9.2检验原理
QB/T2089—1995
将试样经硝酸处理,有铁微粒子存在,则作用生成硝酸铁[Fe(NO3);],再和铁氰化钾EK,Fe(CN)。·3H,O]作用生成铁氟化钾[K;Fe(CN)。],呈蓝色,而检出铁微粒子的存在。5.9.3取样
按GB/T450取样方法取样,将风干试样切取300mm×600mm或同等面积的纸4张作为试样,采取过程和试验过程注意防止灰尘、金属污染或空气中尘埃附上。5.9.4试剂
硝酸溶液:称取84g、比重为1.38g/mL的硝酸(含量60%~63%)加水至500mL,加5滴5%高锰酸钾溶液摇匀。
铁氟化钾[K,Fe(CN)。·3H2O]溶液(浓度5%):称取25g铁氰化钾[K,Fe(CN。·3H,O]溶解于500mL水中。
5.9.5试验程序
将试样挂在试验台上,将硝酸溶液以雾状喷上润湿纸张,再用铁氰化钾[K,Fe(CN)。·3H,O]溶液喷上,保持干净放置5min后,计算发生蓝色颗粒数,颗粒大小分别以尘埃标准图片对照分类。5.9.6结果计算
计算每张0.1~1.0mm2铁微粒子个数,纤维本身被染成淡蓝色者不计,另记录大于1.0mm2的铁微粒子个数。
每张铁微粒数之和
平均铁微粒数一
6检验规则
6.1以一次交货为一批,但不多于5t。6.2生产厂应保证生产的纸张符合本标准的规定,每卷筒纸交货应附份产品质量检验合格证。6.3交收检验的抽样检查按GB/T2828规定进行,样本单位为卷简;二次正常抽样方案,检查水平S-4,其抽样量及判定数组见表4。表4
抽样方案
批量,卷、简
91~280
正常检查二次抽样,检查水平S-4B类不合格品
样本大小
C类不合格品
不合格分类
B类不合格
水溶性氯化物
铁微粒子
纵向抗张强度
C类不合格
电导率
吸水高度
6.4用户有权检查该产品的质量是否符合本标准要求,若对产品质量有异议,应在到货后三个月内(或按合同规定)通知生产厂共同复验,如不符合标准要求,则判为批不合格品,由生产厂负责处理。7标志、包装、运输、贮存
7.1产品的标志与包装按照GB/T10342中的有关规定进行。364
QB/T2089-1995
7.2产品运输时,应使用有篷而洁净的运输工具。7.3产品在搬运过程中不许从高处扔下。7.4产品应妥善贮存保管,防止雨、雪、地面湿气及其他有害物质的影响。7.5由于保管和运输不符合本标准的规定,产品发生质变或损失,由造成损失的责任方负责。附加说明:
本标准由中国轻工总会食品造纸部提出。本标准由全国造纸标准化中心归口。本标准由浙江省遂昌造纸厂负责起草。本标准主要起草人陈万平、李大方、朱春树。自本标准实施之日起,原轻工业部部标准QB594—1981《电解电容器纸》作废。365
小提示:此标准内容仅展示完整标准里的部分截取内容,若需要完整标准请到上方自行免费下载完整标准文档。