首页 > 轻工行业标准(QB) > QB/T 2090-1995 沥青防潮纸
QB/T 2090-1995

基本信息

标准号: QB/T 2090-1995

中文名称:沥青防潮纸

标准类别:轻工行业标准(QB)

标准状态:现行

发布日期:1995-05-08

实施日期:1996-01-01

出版语种:简体中文

下载格式:.rar.pdf

下载大小:89856

相关标签: 沥青

标准分类号

中标分类号:轻工、文化与生活用品>>造纸>>Y32纸

关联标准

替代情况:QB 830-1982

出版信息

出版社:中国轻工业出版社

页数:3页

标准价格:8.0 元

出版日期:1996-01-01

相关单位信息

起草人:刘艳君、丁淑梅、张宜

起草单位:湖南省造纸研究所

归口单位:全国造纸标准化中心

提出单位:中国轻工总会食品造纸部

发布部门:中国轻工总会

标准简介

本标准规定了沥青防潮纸的技术规范。本标准适用于纸烟防潮包装使用的沥青防潮纸。 QB/T 2090-1995 沥青防潮纸 QB/T2090-1995 标准下载解压密码:www.bzxz.net

标准图片预览

QB/T 2090-1995 沥青防潮纸
QB/T 2090-1995 沥青防潮纸
QB/T 2090-1995 沥青防潮纸

标准内容

中华人民共和国轻工行业标准
沥青防潮纸
主题内容与适用范围
本标准规定了沥青防潮纸的技术规范。本标准适用于纸烟防潮包装使用的沥青防潮纸。2引用标准
GB/T450纸和纸板试样的采取
GB/T 451.1纸和纸板尺寸及偏斜度的测定法GB/T451.2纸和纸板定量的测定法GB/T 454纸耐破度的测定法
GB/T455.1纸撕裂度的测定法
GB/T2679.2纸和纸板透湿度与折痕透湿度的测定(盘式法)GB/T2828逐批检查计数抽样程序及抽样表(适用于连续批的检查)GB/T10342纸张的包装和标志
GB/T10739纸浆、纸和纸板试样处理和试验的标准大气3产品分类
沥青防潮纸分为平板纸、卷筒纸和盘纸三种。4技术要求及试验方法
4.1沥青防潮纸技术指标及试验方法必须符合表1规定。表1
指标名称
透湿度
耐破度
撕裂度
耐热度
不大于
不小于
不小于
不低于
g/m*24h
C/30min
68.0±3.5
QB/T 2090—1995
试验方法
GB/T 451. 2
GB/T 2679.2
GB/T454
GB/T455.1
附录A
4.2纸张尺寸要求应符合如下规定,试验方法按GB/T451.1规定进行。4.2.1平板纸尺寸为1120mm×800mm,或按合同规定。尺寸偏差不许超过土3mm,偏斜度不超过3mm。
4.2.2.卷筒纸宽度为1194mm,或按合同规定。尺寸偏差不许超过士5mm。4.2.3盘纸直径为430~~480mm,宽度为92mm或298mm,或按合同规定。尺寸偏差不超过士1mm(如生产不切边纸,其规格以涂油宽度计)。中国轻工总会1995-05-08批准
1996-01-01实施
QB/T 2090--1995
4.3沥青防潮纸涂油均匀一致,切边整洁,纸面平整。不许有断油、透油、脱层、白边、打卷、裂口、破损等纸病。
4.4卷简端面应整齐,松紧应一致,凹凸盘纸不超过2mm,卷筒纸不超过3mm。4.5每卷断头不多于8个,接头要牢固,不可粘到其他纸层上,搭接面不大于40mm2。4.62~5mm2油点每平方米两面计不超过6个,大于5mm2油点每平方米两面计不超过4个。4.7
有下列情况者列为二等品,但不得同时超过两项。a.
定量超过允许偏差范围在土1.5g/m2以内者;纵向撕裂度低于规定20mN以内者;2~5mm2以内的油点每平方米两面计超过规定2个以内者,盘纸断头超过规定2个以内者;
卷盘切面凹凸超过规定1mm以内者。5检验规则
以一次交货为一批,但不多于40~50t。5.1
供方应保证产品质量,每张纸应附有一份合格证。5.2
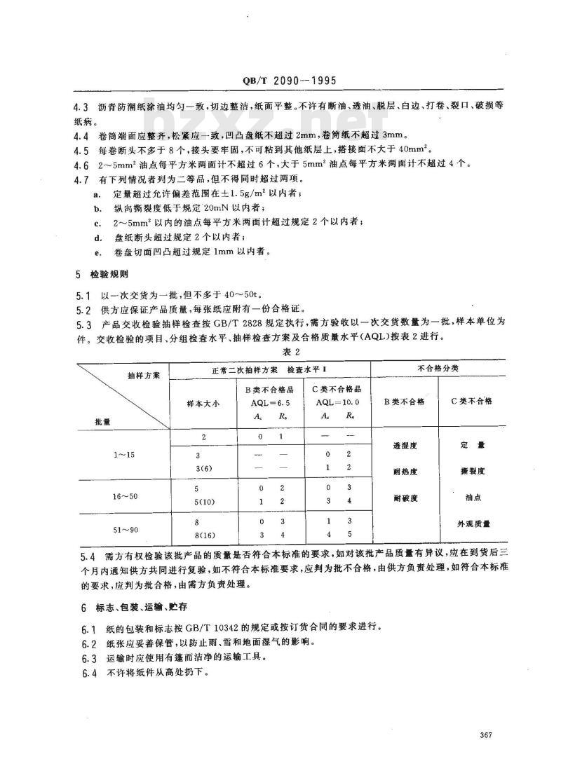
5.3产品交收检验抽样检查按GB/T2828规定执行,需方验收以一次交货数量为一批,样本单位为件。交收检验的项目、分组检查水平、抽样检查方案及合格质量水平(AQL)按表2进行。表2
抽样方案
正常二次抽样方案检查水平1bZxz.net
B类不合格品
样本大小
C类不合格品
不合格分类
B类不合格
透湿度
耐热度
耐破度
C类不合格
撕裂度
外观质量
5.4需方有权检验该批产品的质量是否符合本标准的要求,娜对该批产品质量有异议,应在到货后三个月内通知供方共同进行复验,如不符合本标准要求,应判为批不合格,由供方负责处理,如符合本标准的要求,应判为批合格,由需方负责处理。6标志、包装、运输、贮存
6.1纸的包装和标志按GB/T10342的规定或按订货合同的要求进行。6.2纸张应妥善保管,以防止雨、雪和地面湿气的影响。6.3运输时应使用有篷而洁净的运输工具。6.4不许将纸件从高处扔下。
A1采样
QB/T 2090--1995
附录A
耐热度测定法
(补充件)
试样按GB/T450和GB/T10739的规定进行采样。A2·试验仪器和器材
A2.1金属重碗:质量为2.5kg,100mm×100mm,底面平滑,上有提柄。A2.2衬板(无铝板可用玻璃板代替):100mm×100mm,两面平整。A2.3白度不小于80%,定量不大于25g/m2的100mm×100mm白色衬纸。A2.4恒温干燥箱。
A3试验步骤
A3.1沿抽样横向纸幅的不同部位均勾切取100mm×100mm的试样。A3.2将切好的试样连同重碗、衬板、衬纸放人恒温干燥箱中,升温至测定的温度,预处理15min。然后用两张衬纸将每块试样夹起,再用衬板隔开(衬板介于衬纸与衬纸之间),平放于恒温干燥箱中,上面压上重砭,在测量温度下保持30min取出,检查衬纸被沥青污染的情况。试验可以从最低温度开始,每提高10℃测定一次,直至衬纸开始被沥青污染。A3.3从每包装单位抽取的试样中至少测定5片,以5片试样的10张衬纸上均未发生沥青污染时的最高温度报告测定结果。
附加说明:
本标准由中国轻工总会食品造纸部提出。本标准由全国造纸标准化中心归口。本标准由湖南省造纸研究所负责起草。本标推主要起草人刘艳君、丁淑梅、张宜。自本标准实施之日起,原轻工业部部标准QB830-1982《沥青防潮纸》作废。368
小提示:此标准内容仅展示完整标准里的部分截取内容,若需要完整标准请到上方自行免费下载完整标准文档。