首页 > 轻工行业标准(QB) > QB/T 2096.1-1995 桌虎钳通用技术条件
QB/T 2096.1-1995

基本信息

标准号: QB/T 2096.1-1995

中文名称:桌虎钳通用技术条件

标准类别:轻工行业标准(QB)

标准状态:现行

发布日期:1995-05-08

实施日期:1996-01-01

出版语种:简体中文

下载格式:.rar.pdf

下载大小:81580

相关标签: 虎钳 通用 技术

标准分类号

中标分类号:机械>>工艺装备>>J47手工工具

关联标准

替代情况:GB 5036-1985

出版信息

出版社:中国轻工业出版社

页数:4页

标准价格:8.0 元

出版日期:1996-01-01

相关单位信息

起草人:林美德、徐长松、赵运根、王涛

起草单位:全国工具五金标准化分技术委员会第四工作组

归口单位:全国工具五金标准化中心

提出单位:中国轻工总会质量标准部

发布部门:中国轻工总会

标准简介

本标准规定了桌虎钳的命名、术语、技术要求、试验方法和检验规则。本标准适用于夹持小型工件的桌虎钳。 QB/T 2096.1-1995 桌虎钳通用技术条件 QB/T2096.1-1995 标准下载解压密码:www.bzxz.net

标准图片预览

QB/T 2096.1-1995 桌虎钳通用技术条件
QB/T 2096.1-1995 桌虎钳通用技术条件
QB/T 2096.1-1995 桌虎钳通用技术条件
QB/T 2096.1-1995 桌虎钳通用技术条件

标准内容

中华人民共和国轻工行业标准
桌虎钳
主题内容与适用范围
通用技术条件
本标准规定了桌虎钳的命名、术语、技术要求、试验方法和检验规则。本标准适用于夹持小型工件的桌虎钳。2引用标准
GB/T230金属洛氏硬度试验法
GB/T2828逐批检查计数抽样程序及抽样表(适用于连续批的检查)3命名
桌虎钳的命名见表1。
熏尾桌虎钳
方孔桌虎钳
中国轻工总会1995-05-08批准
QB/T2096.1--1995
1996-01-01实施
4术语
导杆桌虎钳
轻质桌虎钳
多用桌虎钳
4.1规格specification
桌虎钳的钳口宽度。
4.2空程转动量backiash
QB/T2096.1-.1995
续表1
为消除活动钳体移动时的传递间隙,螺杆所转过的角度。4.3闭合间隙closing clearance228
QB/T2096.1—1995
桌虎钳在闭合状态下,两钳口夹持面间的间隙。4.4导轨配合间隙gaide fit clearance活动钳体与固定钳体导轨间的间隙。4.5 夹紧力 clamping force
在桌虎钳夹紧时,两钳口夹持面间的作用力。4.6紧固范围tighting range
紧固螺钉夹持工作台板厚度的范围。5技术要求
5.1桌虎钳的铸件应平整,不得有裂纹,外露表面不应有气孔、砂眼、锈斑等缺陷。5.2桌虎钳的漆膜不应有明显的流痕、漏漆及色泽不同等缺陷。5.3钳口铁硬度应不低于HRC45。5.4回转式桌虎钳应转动灵活、锁紧可靠。5.5活动钳体在全行程内应移动灵活,不应有局部过紧现象。5.6桌虎钳应能可靠地紧固于工作台上。5.7桌虎钳的基本尺寸、空程转动量、闭合间隙、导轨配合间隙和央紧力均应符合相应产品标准的规定。
6试验方法
6.1桌虎钳的基本尺寸用通用量具检验。6.2桌虎钳的外观质量用目测检验。6.3钳口铁的硬度试验按GB/T230的规定,在夹持面或相邻侧面上进行,在试验中如出现软点,可在软点周围约5mm的范围内复测一点,该点合格即为合格。6.4桌虎钳的灵活性和紧固可靠性用手感检验。6.5桌虎钳的空程转动量用专用检具检验。6.6钳口闭合间隙应从顶端用塞尺检验。6.7导轨配合间隙用塞尺检验,如受结构限制,不能用塞尺检验时,则允许用通用量具测量导轨配合尺寸,其最大差值即为导轨配合间隙。6.8夹紧力试验应将桌虎钳紧固在检验台上,并将钳口张开,然后把夹紧力测试仪置于钳口夹持面的中间位置并夹紧,当夹紧力达到额定值时,保持3min,卸载后,桌虎钳不应有影响使用的变形。7检验规则
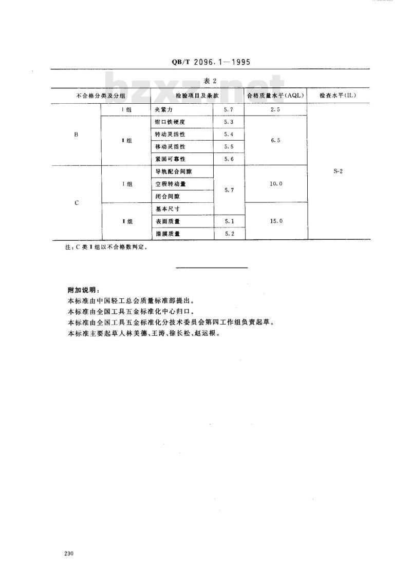
7.1桌虎钳应经检验后,方可出厂,并附有产品合格证。7.2收货方可按本标推的规定对产品进行抽样。7.3出厂检验以交货批作为检验批。7.4出厂检验按GB/T2828中规定的-一次抽样方案逐项进行。7.5出厂检验的不合格分类及分组、检验项目及条款、合格质量水平(AQL)、检查水平(IL)按表2的规定。
7.6对检验中发现的不合格品,制造广应予以调换。7、7经检验的拒收批可由制造厂重新挑选或整修后,再提交验收。7.8在连续批的检验中应采用GB/T2828中规定的转移规则。229
不合格分类及分组
注;C类I组以不合格数判定。
附加说明:
QB/T2096.1—1995
检验项目及条款
夹紧力
钳口铁硬度
转动灵活性
移动灵活性
紧固可靠性
导轨配合间隙
空程转动量
闭合间隙免费标准bzxz.net
基本尺寸
表面质量
漆膜质量
本标准由中国轻工总会质量标准部提出。本标准由全国工具五金标准化中心归口。5.7
合格质量水平(AQL)
本标准由全国工具五金标准化分技术委员会第四工作组负责起草。本标准主要起草人林美德、王涛、徐长松、赵运根。230
检查水平(IL)
小提示:此标准内容仅展示完整标准里的部分截取内容,若需要完整标准请到上方自行免费下载完整标准文档。