首页 > 轻工行业标准(QB) > QB/T 2095-1995 钢锹
QB/T 2095-1995

基本信息

标准号: QB/T 2095-1995

中文名称:钢锹

标准类别:轻工行业标准(QB)

标准状态:现行

发布日期:1995-05-08

实施日期:1996-01-01

出版语种:简体中文

下载格式:.rar.pdf

下载大小:95440

标准分类号

中标分类号:机械>>工艺装备>>J47手工工具

关联标准

替代情况:SG 103-1980 SG 104-1980 SG 105-1980 SG 106-1980

出版信息

页数:5页

标准价格:8.0 元

出版日期:1996-01-01

相关单位信息

起草人:经国落、赵永刚、郎永宁、吴国良、李磊

起草单位:全国五金制品标准化技术委员会工具五金分技术委员会第10工作组

归口单位:全国工具五金标准化中心

提出单位:轻工总会质量标准部

发布部门:中国轻工总会

标准简介

本标准规定了钢锹的产品分类、技术要求、试验方法、检验规则、包装、标志、运输与贮存本标准适用于钢锹。 QB/T 2095-1995 钢锹 QB/T2095-1995 标准下载解压密码:www.bzxz.net

标准图片预览

QB/T 2095-1995 钢锹
QB/T 2095-1995 钢锹
QB/T 2095-1995 钢锹
QB/T 2095-1995 钢锹
QB/T 2095-1995 钢锹

标准内容

中华人民共和国轻工行业标准
1主题内容与适用范围
QB/T 2095
本标准规定了钢锹的产品分类、技术要求、试验方法、检验规则、包装、标志、运输与贮存。本标准适用于钢。
2引用标准
GB/T230金属洛氏硬度试验方法
GB/T2828逐批检查计数抽样程序及抽样表(适用于连续批的检查)GB/T5305手工具包装、标志、运输与存3产品分类
3.1分类和型式
钢按其用途和形状分为:农用、尖锹、方锹、煤锹和深翻锹。其型式见图1~图5。铆接或焊接
图2尖
中国轻工总会1995-05-08批准
图1农用锹
图3方锹
铆接或焊接
1996-01-01实施
3.2基本尺寸
图4煤
钢锹的基本尺寸按表1规定。
深翻镦
型式代号
3.3强度等级
规格代号
345±10
460±10
425±10
380±10www.bzxz.net
420±10
QB/T2095-—1995
290±5
320±5
295±5
265±5
295±5
380±10
340±10
550±12
510±12
490±12
450±10
400±10
350±10
280±5
235±5
400±6
380±6
360±6
300±5
265±5
225±5
钢锹强度等级按硬度可分为A级和B级,见表2。本
前幅宽
230±5
250±5
230±5
190±5
285±5
275±5
250±5
190±5
170±5
150±5
后幅宽
260±5
235±5
220±:5
图5深翻
裤外径
1.7±0.15
1.6±0.15
1.6±0.15
1.6±0.15
1.7±0.15
强度等级
3.4标记示例
QB/T2095-—1995
硬度(HRC),min
漳灾区域
≥身长2/3
≥身长2/3
产品的标记由产品分类、强度等级代号、型式代号、规格代号和标准编号组成。例如:强度等级为B级,规格为!号,Ⅱ型煤傲应标记为:煤锹B11QB/T2095
技术要求
4.1表面质量
4.1.1表面不得有裂纹、分层、缺边、漏孔及影响使用性能的斑痕、麻点、氧化皮等其他缺陷。4.1.2鼻筋与两侧对称。
4.1.3刃部开刃均匀一致。
4.1.4外表面涂油漆、塑料等防护层,不得有漏涂、脱落、起泡和生锈。4.2硬度
钢锹的硬度应符合表2的规定。
4.3承受能力
钢锹在400N静载荷作用下,允许全长永久变形量见表3。表3
强度等级
5试验方法
5.1尺寸试验
钢锹的基本尺寸用通用量具检验。5.2表面质量检验
钢锹的表面质量用自测和样板检验。5.3硬度试验
按GB/T230的规定,在锹身正面率火区域内测量。永久变形量,mm
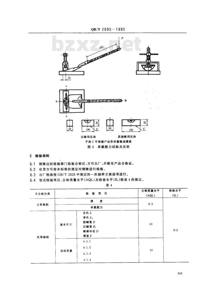
5.4承载能力试验
如图6所示,将锹裤与本把牢固结合,头紧固于压块与平台之间,压块纵向中心线A-A与锹对称线B-B垂直,A-A到锹刃口(尖为最尖端)的距离50mm。在距离锹裤前端585mm处的木把上按4.3规定施加载荷,记时1min。卸载后,测量钢锹全长变形量。544
6检验规则
QB/T2095-—1995
尖锹用压块
其他锹用压块
平面C可根据产品形状修整成圆弧图6承载能力试验及压块
6.1钢锹应经检验部门检验合格后,方可出厂,并附有产品合格证。6.2收货方可按本标准的规定对钢进行检验。6.3出厂检验按GB/T2828中规定的一次抽样方案逐项进行。6.4型式检验项目、合格质量水平(AQL)及检查水平(IL)按表4的规定。表4
不合格分类
主要缺陷
次要缺陷
基本尺寸
表面质量
检验项目
承载能力
全长L
身长L
前幅宽B
后幅宽 B
锹裤外径D
厚度。
合格质量水平
检验水平
QB/T2095--1995
6.5经检验拒收的产品,可由制造厂分类或修整后,重新提交验收。7包装、标患、运输与存
钢锹的包装、标志、运输与贮存应符合GB/T5305的规定。附加说明:
本标准由轻工总会质量标准部提出。本标准由全国工具五金标准化中心归口。本标准由全国五金制品标准化技术委员会工具五金分技术委员会第10工作组负责起草。本标准主要起草人经国藩、赵永刚、郎永宁、吴国良、李磊。自本标准实施之日起,原轻工业部部标准SG103—1980《机制农用锻》、SG104—1980《机制尖锹》、SG105-1980《机制方锹》和SG106--1980《机制煤锹》作废。546
小提示:此标准内容仅展示完整标准里的部分截取内容,若需要完整标准请到上方自行免费下载完整标准文档。