首页 > 轻工行业标准(QB) > QB/T 2097.1-1995 金刚石玻璃刀
QB/T 2097.1-1995

基本信息

标准号: QB/T 2097.1-1995

中文名称:金刚石玻璃刀

标准类别:轻工行业标准(QB)

标准状态:现行

发布日期:1995-05-08

实施日期:1996-01-01

出版语种:简体中文

下载格式:.rar.pdf

下载大小:67176

相关标签: 金刚石 玻璃

标准分类号

中标分类号:机械>>工艺装备>>J47手工工具

关联标准

替代情况:SG 179-80

出版信息

出版社:中国轻工业出版社

页数:3页

标准价格:8.0 元

出版日期:1996-01-01

相关单位信息

起草人:林美德、徐宝琴、南高旺、翁友娣

起草单位:全国五金制品标准化技术委员会工具五金分技术委员会第九工作组

归口单位:全国工具五金标准化中心

提出单位:中国轻工总会质量标准部

发布部门:中国轻工总会

标准简介

本标准规定了金刚石玻璃刀的产品分类、技术要求、试脸方法、检验规则与标志、包装、运输、贮存。本标准适用于手工裁划厚度为2~6mm平板玻璃的金刚石玻璃刀。 QB/T 2097.1-1995 金刚石玻璃刀 QB/T2097.1-1995 标准下载解压密码:www.bzxz.net

标准图片预览

QB/T 2097.1-1995 金刚石玻璃刀
QB/T 2097.1-1995 金刚石玻璃刀
QB/T 2097.1-1995 金刚石玻璃刀

标准内容

中华人民共和国轻工行业标准
金刚石玻璃刀
主题内容和适用范围
QB/T 2097.1--- 1995
本标准规定了金刚石玻璃刀的产品分类、技术要求、试验方法、检验规则与标志、包装、运输、贮存。本标准适用于手工裁划厚度为2~6mm平板玻璃的金刚石玻璃刀。2引用标准
GB/T2828逐批检查计数抽样程序及抽样表(适用于连续批的检查)GB/T5305手工具包装、标志、运输与贮存JC/T220天然金刚石
3产品分类
3.1型式
金刚石玻璃刀的型式如下图所示,其规格以金刚石的重量代号1~6号区分。2.5±0.30
136°~
坡大图
1-刀头,2-—刀板,3-铜梗?4-本柄金刚石玻璃刀型式图
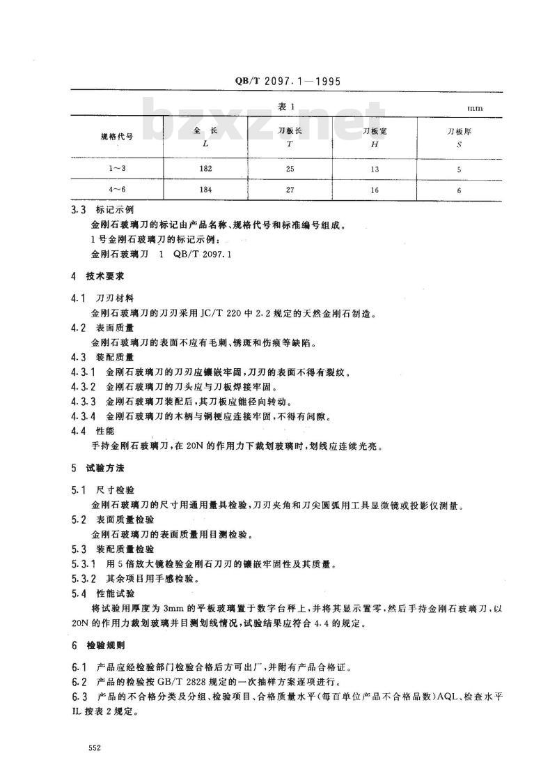
3.2基本尺寸
金刚石玻璃刀的基本尺寸按表1规定。中国轻工总会1995-05-08批准
Ro. 3~1.0
1996-01-01实施
规格代号
4~~6
3.3标记示例
QB/T2097.1—1995
刀板长
金刚石玻璃刀的标记由产品名称、规格代号和标准编号组成。1号金刚石玻璃刀的标记示例:
金刚石玻璃刀1QB/T2097.1
4技术要求
4.1刀刃材料
刀板宽
金刚石玻璃刀的刀刃采用JC/T220中2.2规定的天然金刚石制造。4.2表面质量
金刚石玻璃刀的表面不应有毛刺、锈斑和伤痕等缺陷。4.3装配质量
4.3.1金刚石玻璃刀的刀刃应镶嵌牢固,刀刃的表面不得有裂纹。4.3.2金刚石玻璃刀的刀头应与刀板焊接牢固。4.3.3金刚石玻璃刀装配后,其刀板应能径向转动。4.3.4金刚石玻璃刀的木柄与铜梗应连接牢固,不得有间隙。4.4性能
手持金刚石玻璃刀,在20N的作用力下裁划玻璃时,划线应连续光亮。5试验方法
5.1尺寸检验
刀板厚
金刚石玻璃刀的尺寸用通用量具检验,刀刃夹角和刀尖圆孤用工具显微镜或投影仪测量。5.2表面质量检验
金刚石玻璃刀的表面质量用目测检验。5.3装配质量检验bzxz.net
5.3.1用5倍放大镜检验金刚石刀刃的镶嵌牢固性及其质量。5.3.2其余项目用手感检验。
5.4性能试验
将试验用厚度为3mm的平板玻璃置于数字台秤上,并将其显示置零,然后手持金刚石玻璃刀,以20N的作用力裁划玻璃并目测划线情况,试验结果应符合4.4的规定。6检验规测
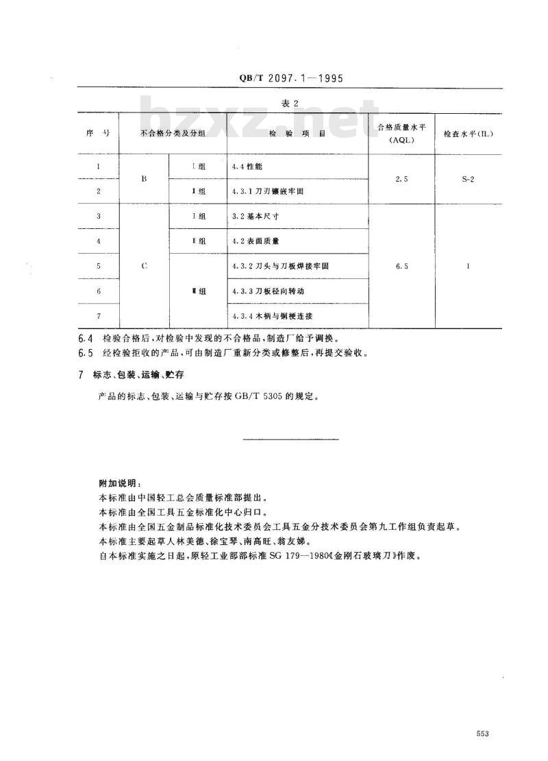
6.1产品应经检验部门检验合格后方可出厂,并附有产品合格证。6.2产品的检验按GB/T2828规定的一次抽样方案逐项进行。6.3产品的不合格分类及分组、检验项目、合格质量水平(每百单位产品不合格品数)AQL、检查水平IL按表2规定。
不合格分类及分组
QB/T2097.1—1995
验项目
4.4性能
4.3.1刀刃镶嵌牢固
3.2基本尺寸
4.2表面质量
4.3.2刀头与刀板焊接牢固
4.3.3刀板径向转动
4.3.4木柄与铜梗连接
6.4检验合格后,对检验中发现的不合格品,制造厂给予调换。6.5经检验拒收的产品,可由制造厂重新分类或修整后,再提交验收。7标志、包装、运输、贮存
产品的标志、包装、运输与贮存按GB/T5305的规定。附加说明:
本标准由中国轻工总会质量标准部提出。本标准由全国工具五金标准化中心归口。合格质量水平
检查水平(IL)
本标准由全国五金制品标准化技术委员会工具五金分技术委员会第九工作组负责起草。本标准主要起草人林美德、徐宝琴、南高旺、翁友娣。自本标准实施之日起,原轻工业部部标准SG179—1980《金刚石玻璃刀》作废。553
小提示:此标准内容仅展示完整标准里的部分截取内容,若需要完整标准请到上方自行免费下载完整标准文档。