首页 > 轻工行业标准(QB) > QB/T 2097.2-1995 金刚石玻璃管割刀
QB/T 2097.2-1995

基本信息

标准号: QB/T 2097.2-1995

中文名称:金刚石玻璃管割刀

标准类别:轻工行业标准(QB)

标准状态:现行

发布日期:1995-05-08

实施日期:1996-01-01

出版语种:简体中文

下载格式:.rar.pdf

下载大小:70017

相关标签: 金刚石 玻璃管

标准分类号

中标分类号:机械>>工艺装备>>J47手工工具

关联标准

替代情况:SG 180-1980

出版信息

出版社:中国轻工业出版社

页数:3页

标准价格:8.0 元

出版日期:1996-01-01

相关单位信息

起草人:林美德、徐宝琴、南高旺、翁友娣

起草单位:全国五金制品标准化技术委员会工具五金分技术委员会第九工作组

归口单位:全国工具五金标准化中心

提出单位:中国轻工总会质量标准部

发布部门:中国轻工总会

标准简介

本标准规定了金刚石玻璃管割刀的产品分类、技术要求、试验方法、检验规则与标志、包装、运输、贮存。本标准适用于手工切割壁厚为1~3mm玻璃管的金刚石玻璃管割刀。 QB/T 2097.2-1995 金刚石玻璃管割刀 QB/T2097.2-1995 标准下载解压密码:www.bzxz.net

标准图片预览

QB/T 2097.2-1995 金刚石玻璃管割刀
QB/T 2097.2-1995 金刚石玻璃管割刀
QB/T 2097.2-1995 金刚石玻璃管割刀

标准内容

中华人民共和国轻工行业标准
金刚石玻璃管割刀
主题内容和适用范围
QB/T 2097.2
本标准规定了金刚石玻璃管割刀的产品分类、技术要求、试验方法、检验规则与标志、包装、运输、贮存。
本标推适用于手工切割壁厚为1~3mm玻璃管的金刚石玻璃管割刀。2引用标准
GB/T2828逐批检查计数抽样程序及抽样表(适用于连续批的检查)GB/T5305手工具包装、标志、运输与贮存JC/T220天然金刚石
3产品分类
3.1型式
金刚石玻璃管割刀的型式如下图所示,其规格以金刚石的重量代号1~4号区分。刀头√形架
中国轻工总会1995-05-08批准
定位圈螺钉
钳轴垫圈
金刚石玻璃割刀型式图
1996-01-01实施
3.2基本尺寸
QB/T 2097.2
金刚石玻璃管割刀的基本尺寸按表1规定。表1此内容来自标准下载网
规格代号
钳杆长度1
钳杆直径d
3.3标记示例
金刚石玻璃管割刀的标记由产品名称、规格代号和标准编号组成。1号金刚石玻璃管割刀的标记示例:金刚石玻璃管割刀1QB/T2097.2
4技术要求
4.1刀刃材料
金刚石玻璃管割刀的刀刃采用JC/T220中2.2规定的天然金刚石制造。4.2表面质量
金刚石玻璃管割刀的表面不应有裂纹、毛刺、锈斑等缺陷,其电镀部分不得有露底、碰伤等现象,刀刃表面不得有裂纹。
4.3性能
4.3.1金刚石玻璃管割刀的刀刃应镶嵌牢固。4.3.2金刚石玻璃管割刀的钳柄应开闭灵活。4.3.3金刚石玻璃管割刀的定位圈,必须能够可靠地定位。4.3.4手持金刚石玻璃管割刀,以手力裁划玻璃管时,划线应连续光亮。5试验方法
5.1尺寸检验
金刚石玻璃管割刀的尺寸用通用量其检验,刀刃夹角和刀尖圆采用工具显微镜或投影仪测量。5.2表面质量检验
金刚石玻璃管割刀的表面质量用目测检验。5.3性能试验
5.3.1用大于5倍的放大镜观察金刚石刀刃的镶嵌牢固度及其质量。5.3.2用手感试验金刚石玻璃管割刀的开闭灵活性。5.3.3将定位图固定在钳的任一位置上,用手力检验其是否定位牢固。5.3.4手持金刚石玻璃管割刀,以手力裁划玻璃管5次,并目测划线情况,应符合4.3.4的规定。6检验规则
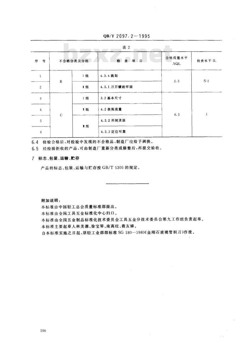
6.1产品应经检验部门检验合格后方可出厂,并附有产品合格证。6.2产品的检验按GB/T2828规定的--次抽样方案逐项进行。6.3产品的不合格分类及分组、检查项目、合格质量水平AQL(每百单位产品不合格品数)、检验水平I1.按表2规定。
不合格分类及分组
QB/T2097.2--1995
4.3.4裁划
4.3.1刀刃镶嵌牢固
3.2基本尺寸
4.2表面质量
4.3.2开闭灵活
4.3.3定位可靠
6.4检验合格后,对检验中发现的不合格品,制造厂应给予调换。经检验拒收的产品,可由制造厂重新分类或修整后,再提交验收。6.5
标志、包装、运输、购存
产品的标志、包装、运输与贮存按GB/T5305的规定。附加说明:
本标准由中国轻工总会质量标准部提出。本标准由全国工具五金标准化中心归口。合格质量水平
检查水平 IL
本标准由全国五金制品标准化技术委员会工具五金分技术委员会第九工作组负责起草。本标准主要起草人林美德、徐宝琴、南高旺、翁友娣。自本标准实施之日起,原轻工业部部标准SG180-1980《金刚石玻璃管割刀》作废。556
小提示:此标准内容仅展示完整标准里的部分截取内容,若需要完整标准请到上方自行免费下载完整标准文档。