首页 > 轻工行业标准(QB) > QB/T 2103-1995 蚕种纸
QB/T 2103-1995

基本信息

标准号: QB/T 2103-1995

中文名称:蚕种纸

标准类别:轻工行业标准(QB)

标准状态:现行

发布日期:1995-05-08

实施日期:1996-01-01

出版语种:简体中文

下载格式:.rar.pdf

下载大小:68304

相关标签: 蚕种

标准分类号

中标分类号:轻工、文化与生活用品>>造纸>>Y32纸

关联标准

替代情况:ZB Y32021-90

出版信息

出版社:中国轻工业出版社

页数:3页

标准价格:8.0 元

相关单位信息

起草人:戴增成

起草单位:佳木斯造纸厂

归口单位:全国造纸标准化中心

提出单位:中国轻工总会食品造纸部

发布部门:中国轻工总会

标准简介

本标准规定了蚕种纸的技术规范。本标准适用于供蚕蛾产卵孵化用纸。 QB/T 2103-1995 蚕种纸 QB/T2103-1995 标准下载解压密码:www.bzxz.net

标准图片预览

QB/T 2103-1995 蚕种纸
QB/T 2103-1995 蚕种纸
QB/T 2103-1995 蚕种纸

标准内容

中华人民共和国轻工行业标准
蚕种丝
1主题内容与适用范围
本标准规定了蚕种纸的技术规范。本标准适用于供蚕蛾产卵孵化用纸。2 引用标准
GB/T450纸和纸板试样的采取
GB/T 451. 1
GB/T 451.2
GB/T 451. 3
GB/T 453
GB/T462
纸和纸板尺寸及偏斜度的测定法纸和纸板定量的测定法
纸和纸板厚度的测定法
纸和纸板抗张强度的测定法(恒速加荷法)纸和纸板水分的测定法
GB/T 1540
GB/T 2828
纸和纸板吸水性的测定法(可勃法)逐批检查计数抽样程序及抽样表(适用于连续批的检查)GB/T 10342
GB/T 10739
纸张的包装和标志
纸浆、纸和纸板试样处理和试验的标准大气3技术要求和试验方法
蚕种纸的技术指标必须符合表1的规定。表1
抗张强度纵向
吸水性(可勃法)
浸酸冲水试验
交货水分
不小于
不小于
不小于
不大于
3.2蚕种纸为卷简纸,卷筒直径为(650士50)mm。指
145.0±7.0
不破裂
QB/T 2103—1995
试验方法
GB/T 451.2
GB/T 451. 3
GB/T453
GB/T 1540
附录A
GB/T462
3.3卷简宽度为1280mm或根据定货合同规定。卷简宽度偏差不超过士5mm。3.4纸页不应有斑痕、褶子、洞眼等影响使用的纸病。3.5卷筒端面不得有裂口,弓形不超过15mm锯齿形不超过5mm。3.6断头处应有明显标志,每卷断头不得超过3个。中国轻工总会1995-05-08批准
1996-01-01实施
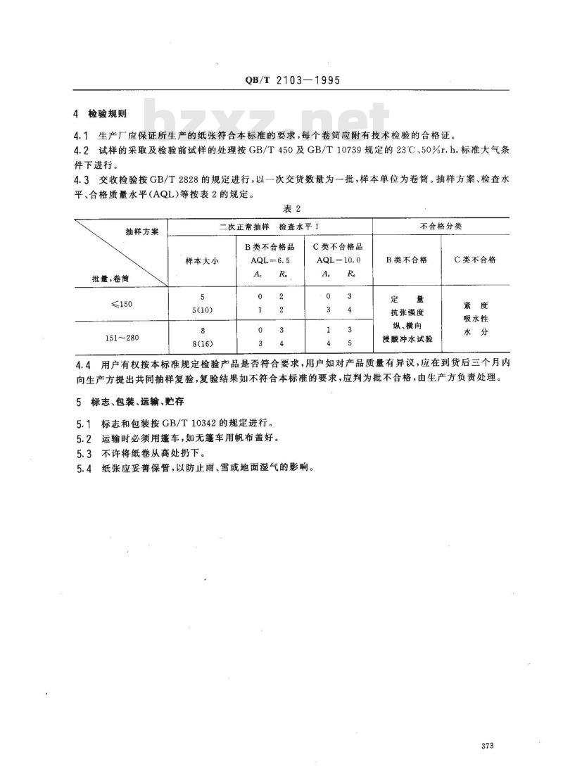
4检验规则
QB/T2103—1995
4.1生产厂应保证所生产的纸张符合本标准的要求,每个卷筒应附有技术检验的合格证。4.2试样的采取及检验前试样的处理按GB/T450及GB/T10739规定的23℃、50%r.h.标准大气条件下进行。
4.3交收检验按GB/T2828的规定进行,以一次交货数量为批,样本单位为卷筒。抽样方案、检查水平、合格质量水平(AQL)等按表2的规定。表2
抽样方案
批量,卷筒
≤150
151~280
样本大小
二次正常抽样
检查水平1
B类不合格品
C类不合格品
不合格分类
B类不合格
抗张强度
纵、横向bzxZ.net
浸酸冲水试验
C类不合格
吸水性
4.4用户有权按本标准规定检验产品是否符合要求,用户如对产品质量有异议,应在到货后三个月内向生产方提出共同抽样复验,复验结果如不符合本标准的要求,应判为批不合格,由生产方负责处理。5标志、包装、运输、贮存
5.1标志和包装按GB/T10342的规定进行。5.2运输时必须用篷车,如无篷车用帆布盖好。5.3不许将纸卷从高处扔下。
5.4纸张应妥善保管,以防止雨、雪或地面湿气的影响。373
A1仪器和器Ⅲ
A1.1容积为1000mL的下口瓶一个。A1.2内径为4mm玻璃管一根。
A1.3300mm×400mm的方瓷盘一个。A2试验方法
QB/T 2103-1995
附录A
漫酸冲水试验方法
(补充件)
A2.1取50mm×50mm试样一张,浸于温度为48℃、密度为1.1g/mL的盐酸内,浸泡10min后取出试样。
2将水源接至下口瓶,瓶子的进口水量保持平衡,使瓶内保持一定的水位为300mm。A2.2
A2.3把试样放在距下瓶口185mm处。A2.4水流与纸面应成90°角。
A2.5自玻璃管向纸面冲水,玻璃管的出口至纸面的水流高为13mm(如图A1),冲水 1h。试样
附加说明:
本标准由中国轻工总会食品造纸部提出。本标准由全国造纸标准化中心归口。本标准由佳本斯造纸厂负责起草。本标准主要起草人戴增成。
自本标准实施之日起,原轻工业部发布的专业标准ZBY32021—1990《蚕种纸》作废。374
小提示:此标准内容仅展示完整标准里的部分截取内容,若需要完整标准请到上方自行免费下载完整标准文档。