首页 > 轻工行业标准(QB) > QB/T 2042-1994 家用缝纫机送布牙
QB/T 2042-1994

基本信息

标准号: QB/T 2042-1994

中文名称:家用缝纫机送布牙

标准类别:轻工行业标准(QB)

标准状态:现行

发布日期:1995-01-05

实施日期:1995-08-01

出版语种:简体中文

下载格式:.rar.pdf

下载大小:145024

相关标签: 家用 缝纫机

标准分类号

中标分类号:轻工、文化与生活用品>>钟表、自行车、缝纫机>>Y17缝纫机

关联标准

替代情况:GB 4537-1984

出版信息

出版社:中国轻工业出版社

页数:6页

标准价格:12.0 元

出版日期:1995-08-01

相关单位信息

起草人:翁维波、樊雍

起草单位:上海缝纫机粉末冶金厂

归口单位:全国缝纫机标准化中心

提出单位:中国轻工总会质量标准部

发布部门:中国轻工总会

标准简介

本标准规定了家用缝纫机送布牙的技术要求、试脸方法、检验规则和标志、包装、运输、贮存。本标准适用于JA,JB型家用缝纫机送布牙。 QB/T 2042-1994 家用缝纫机送布牙 QB/T2042-1994 标准下载解压密码:www.bzxz.net

标准图片预览

QB/T 2042-1994 家用缝纫机送布牙
QB/T 2042-1994 家用缝纫机送布牙
QB/T 2042-1994 家用缝纫机送布牙
QB/T 2042-1994 家用缝纫机送布牙
QB/T 2042-1994 家用缝纫机送布牙

标准内容

中华人民共和国轻工行业标准
家用缝纫机
主题内容与适用范围
送布牙
QB/T 2042—1994
本标准规定了家用缝纫机送布牙的技术要求、试验方法,检验规则和标志、包装、运输、贮存。本标准适用于JA、JB型家用缝纫机送布牙。2引用标准
包装储运图示标志
GB/T 2828
GB/T2829
QB/T1512
ZBY 17004Www.bzxZ.net
ZBY17015
3产品分类
送批检查计数抽样程序及抽样表(适用于连续批的检查)周期检查计数抽样程序及抽样表(适用于生产过程稳定性的检查)缝纫机未注公差尺寸的极限偏差缝纫机包装
綫机零件热处理通用技术条件
结构尺寸见图1。
17.4±0.135
中国轻工总会1995-01-05批准
3. 3.. 30
1995-08-01实施
4技术要求
QB/T 2042 -1994
底面至齿顶面的平行度不大于0.03mm。圆弧半径R45mm
4.3底面至齿顶面的高度88.ogmm。4.4两孔中心距14.5±0.135mm
4.5两孔中心连线至第排齿外侧面的距离17.4士0.135mm。4.6齿项面至圆弧面的距离3.3-.30mm。4.7
第排齿至第三排齿的外侧距离8.7mm。第排齿长度21.6mm。
第排齿宽度2.3mm。
第二排齿至第三排齿的外侧距离4mm。第二排齿长度6.2mm。
第三排齿长度12.2mm。
齿顶面至A面的距离2.7mm。
齿形良好,外观应无裂纹、伤痕、毛刺等缺陷。面硬度不低于450HV15。
表面镀镍,镀层外表应无锈蚀、刹离,无明显气泡、泛点、针孔和洋刺。本标准中的未知尺寸公差按QB/T1512中第4章的规定。5试验方法
底面至齿项面的平行度,用专用具测量。按图2规定,方法如下:a
测量前应以标准高度量块校正百分表零位:测量时以送布牙齿面为基准,测量装配平面。H
5.2送布牙圆弧半径R45用专用量具测量,按图3规定,方法如下:a,送布牙在专用具上,以两孔庭位并压坚,旋转量棒,通无阻通过为合格。h
QB/T2042—1994
5.3底面至齿顶面的高度的测量方法同5.1条。5.4两孔中心距用综合量具测量。5.5两孔中心连线至第一排齿外侧面的距离;送布牙齿面至圆孤面的距离;送布牙第一排齿至第三排齿的外侧距离;第一排齿长度,第一排齿宽度;第二排齿至第三排齿的外侧距离,第二排齿长度;第三排齿长度;齿项面至A面的距离按公差等级选用相应精度的通用量具测定。5.6送布牙齿形、外观质量目测检查。5.7热处理硬度的测定按ZBY17015第4.2条规定。测量部位为第一排齿(12粒)内侧面,测三点,取其平均值。
5.8镀层质量目测检查。
6检验规则
6.1产品必须经生产厂检验部门检验合格并附有检验合格证。6.2检验分类
产品检验分出厂检验和型式检验两类。6.2.1出厂检验
产品交货时收货方有权按本标准规定的出厂检验项目进行验收。如另有要求则由供需双方协商决定。
6.2.2型式检验
有下列情况之一,需对产品质量进行全面考核,应进行型式检验:a.
新产品或老产品转厂生产的试制定型鉴定;正式生产后,如结构、材料、工艺有较大改变,可能影响产品性能时;正常生产6个月应周期性进行一次检验;产品长期停产后,恢复生产时;出厂检验结果与上次型式检验有较大差异时;325
QB/T 2042 -- 1994
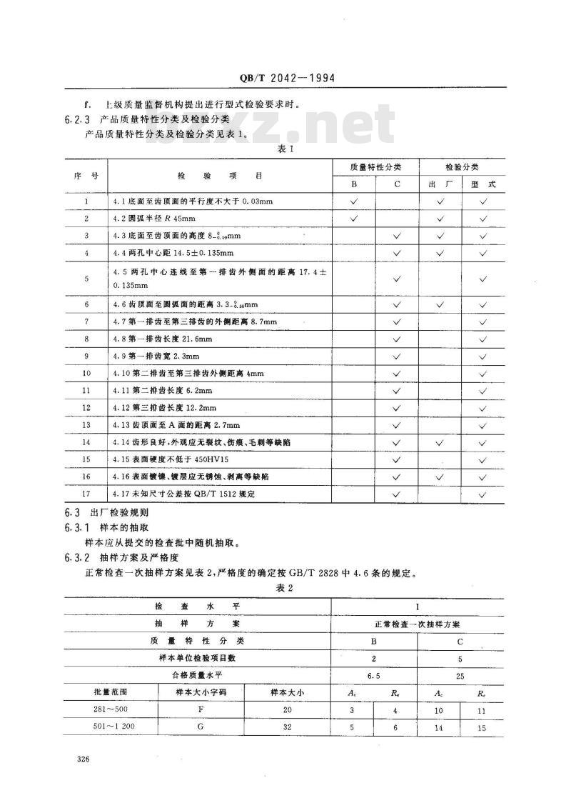
f。上级质量监督机构提出进行型式检验要求时。6.2.3产品质量特性分类及检验分类产品质量特性分类及检验分类见表1。表1
4.1底面至齿顶面的平行度不大于0.03mm4.2圆弧半径R45mm
4.3底面至齿顶面的高度80.ogmm4.4两孔中心距14.5±0.135mm
4.5两孔中心连线至第一排齿外侧面的距离17.4士0.135mm
4.6齿顶面至圆弧面的距离3.3-8.somm4.7第一排齿至第三排齿的外侧距离8.7mm4.8第一排齿长度21.6mm
4.9第一排齿宽2.3mm
4.10第二排齿至第三排齿外侧距离4mm4.11第二排齿长度6.2mm
4.12第三排齿长度12.2mm
4.13齿项面至A面的距离2.7mm
4.14齿形良好,外观应无裂纹、伤痕、毛刺等缺陷4.15表面硬度不低于450HV15
4.16表面镀镶、镀层应无锈蚀、剥离等缺陷4.17未知尺寸公差按QB/T1512规定6.3出厂检验规则
6.3.1样本的抽取
样本应从提交的检查批中随机抽取。6.3.2抽样方案及严格度
质量特性分类
正常检查一次抽样方案见表2,严格度的确定按GB/T2828中4.6条的规定。表2
质量特性分类
样本单位检验项目数
合格质量水平
批量范围
281~500
501~~1200
样本大小字码
样本大小
检验分类
正常检查一次抽样方案
1 201~3 200
3 201 ~10 000
10 001~35 000
35 001~~150 000
≥150001
注:①样本单位为每只送布牙。QB/T2042—1994
续表2
②B类的A。、R.以不合格品计,C类的A。、R。以不合格数计。6.3.3检查批合格与不合格的判断7
根据样本检查的结果,若在样本中发现的B类的不合格品数和C类的不合格数,分别均小于或等于对应的合格判定数(A。),则判该检查批是合格批。若在样本中发现的B类的不合格品数和C类的不合格数有一类大于或等于对应的不合格判定数(R。),则判该检查批是不合格批。6.3.4检查后不合格品和批的处置检验后不合格品和批的处置按GB/T2828中4.12条的规定。6.4型式检验规则
6.4.1样本的抽取
样本应从本周期制造的并经出厂检验合格的某个批或若干批中抽取,并要保证所得的样本能代表本周期的制造技术水平。
6.4.2抽样方案
型式检验的抽样方案见表3。
不合格分类
样本单位检验项目数
不合格质量水平(RQL)
注:①样本单位为每件送布牙,A
②B类的Ac、R以不合格品计,C类的A。、R。以不合格数计。6.4.3型式检验合格或不合格的判断B
次抽样
根据样本检查的结果,若在样本中发现的B类的不合格品数和C类的不合格数,分别均小于或等于对应的合格判定数(A。),则判该批是合格批。若在样本中发现的B类的不合格品数和C类的不合格数有一类大于或等于对应的不合格判定数(R。),则判该批是不合格批。6.4.4型式检验后的处置
型式检验后的处置按GB/T2829中4.12条规定。7标志、包装、运输、贮存
7.1标志
产品的包装应有下列标志:
产品型号:
零件名称;
生产厂厂名;
装箱日期;
标准号;
QB/T2042
—1994
小心轻放、怕湿、向上、堆码极限的图形应符合GB191的规定。产品内包装
送布牙250件装1盒,10盒装1箱,如对包装数量、形式另有要求,可由供货方和订货方协商决定。包装、运输、贮存
按ZBY17004的规定。
附加说明:
本标准由中国轻工总会质量标准部提出。本标准由全国缝纫机标准化中心归口。本标准由上海缝纫机粉末治金厂负责起草。本标准主要起草人翁维波、樊雍。328
小提示:此标准内容仅展示完整标准里的部分截取内容,若需要完整标准请到上方自行免费下载完整标准文档。