首页 > 轻工行业标准(QB) > QB/T 2081-1995 冰箱、冰柜用硬质聚氨酯泡沫塑料
QB/T 2081-1995

基本信息

标准号: QB/T 2081-1995

中文名称:冰箱、冰柜用硬质聚氨酯泡沫塑料

标准类别:轻工行业标准(QB)

标准状态:现行

发布日期:1995-03-27

实施日期:1996-01-01

出版语种:简体中文

下载格式:.rar.pdf

下载大小:78416

相关标签: 硬质 聚氨酯 泡沫塑料

标准分类号

中标分类号:化工>>合成材料>>G32合成树脂、塑料

关联标准

采标情况:BS 4840:Part2:1985

出版信息

出版社:中国轻工业出版社

页数:3页

标准价格:8.0 元

出版日期:1996-01-01

相关单位信息

起草人:陈青、余正梅、吴昊

起草单位:江苏省化工研究所和轻工部北京家电研究所

归口单位:全国塑料制品标准化中心

提出单位:中国轻工总会质量标准部

发布部门:中国轻工总会

标准简介

本标准规定了冰箱、冰柜用硬质聚氨酷泡沫塑料(以下简称RC/PUR-PC)的技术要求、试验方法和检验规则。本标准适用于以多元醇/多异氛酸醋为主要原料浇注生产的RC/PUR-PC。其他浇注生产的管道和容器隔热保温用硬质聚氨醋泡沫塑料材料也可参照采用。本标准不适用于其他隔热保温材料。 QB/T 2081-1995 冰箱、冰柜用硬质聚氨酯泡沫塑料 QB/T2081-1995 标准下载解压密码:www.bzxz.net

标准图片预览

QB/T 2081-1995 冰箱、冰柜用硬质聚氨酯泡沫塑料
QB/T 2081-1995 冰箱、冰柜用硬质聚氨酯泡沫塑料
QB/T 2081-1995 冰箱、冰柜用硬质聚氨酯泡沫塑料

标准内容

中华人民共和国轻工行业标准
冰箱、冰柜用硬质聚氨酯泡沫塑料1主题内容与适用范围
QB/T2081--1995
本标准规定了冰箱、冰柜用硬质聚氨酯泡沫塑料(以下简称RC/PUR-PC)的技术要求、试验方法和检验规则。
本标准适用于以多元醇/多异氰酸酯为主要原料浇注生产的RC/PUR-PC。其他浇注生产的管道和容器隔热保温用硬质聚氨酯泡沫塑料材料也可参照采用。本标准不适用于其他隔热保温材料。引用标准
GB 2918
GB3399
GB6343
GB 8810
GB 8811
GB8813
GB 10295
GB 10799
3技术要求
塑料试样状态调节和试验的标准环境塑料导热系数试验方法护热平板法泡沫塑料和橡胶表观密度的测定硬质泡沫塑料吸水率试验方法
硬质泡沫塑料尺寸稳定性试验方法硬质泡沫塑料压缩试验方法
绝热材料稳态热阻及有关特性的测定热流计法
硬质泡沫塑料开孔与闭孔体积百分率试验方法3.1RC/PUR-PC泡沫的物理机械性能应符合表1的规定。表1
表观芯密度,kg/m3
压缩强度,kPa
导热系数,W/(m·K)
吸水率(V/V),%
闭孔率,%
低温尺寸稳定性(一20℃,24h)平均线性变化率,%
高温尺寸稳定性(100℃,24h)平均线性变化率,%
注:RC/PUR-PC自由发泡时的工艺参数指标可参照附录A。中国轻工总会1995-03-27批准
性能指标
≥100
1996-01-01实施
4试验方法
4.1取样
4.1.1产品生产一周后取样。
QB/T 2081-1995
4.1.2取样时应首先去除与泡沫粘接在一起的冰箱或冰柜的外壳和内胆(金属层或塑料层)。4.1.3所有试样去除自然表皮后裁取制得。4.2试样状态调节和试验的标准环境按GB2918规定进行。
4.3表观芯密度的测定
表观芯密度按GB6343规定进行试验。试样数量5个。4.4、压缩强度的测定
压缩强度按GB8813规定进行试验。取屈服点或形变10%时的压缩应力,视哪个先发生而决定。试样厚度为(50士0.5)mm。
4.5导热系数的测定
4.5.1导热系数按GB3399规定进行试验(本方法为仲裁法)。温差取15~20℃,平均温度30℃。4.5.2导热系数也按GB10295规定进行试验。4.6吸水率的测定
吸水率按GB8810规定进行试验。4.7尺寸稳定性的测定
尺寸稳定性按GB8811规定进行试验。平均线性变化率按式(1)计算。S= (SL + Sw+ St)/3
式中:
为试样的平均线性变化率,%;
分别为试样长度、宽度、厚度的尺寸变化率,%。S..Sw.Sr-+
4.8闭孔率的测定bzxZ.net
闭孔率按GB10799规定进行试验。5检验规则
5.1出广检验
表观芯密度、压缩强度、导热系数、低温尺寸稳定性四个项目为出厂检验项目。5.2型式检验
型式检验的内容为技术要求中规定的所有项目。凡有下列情况之一时,应进行型式检验:a.
改变工艺和配方时;
新产品鉴定时;
产品停产三个月以上再生产时;d。质量监督机构提出进行型式检验的要求时;e。正常生产时,每年至少检验一次。5.3抽样与判定规则
5.3.1物理机械性能,每批(1000~2000台为个批次)抽取一台进行检验,如其中任何一项不合格时,应重新从原批中双倍取样,对不合格项目复验,复验结果按双倍样的算术平均值计算,仍不合格时,则判整批为不合格。
5.3.2供需双方对冰箱、冰柜内聚氨酯泡沫质量发生异议时,按本标准进行仲裁检验。486
QB/T 2081--1995
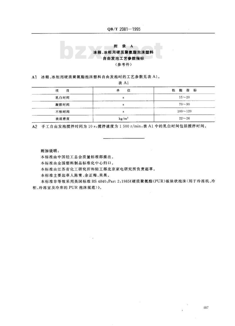
附录A
冰箱、冰柜用硬质聚氨酯泡沫塑料自由发泡工艺参数指标
(参考件)
A1冰箱、冰柜用硬质聚氨酯泡沫塑料自由发泡时的工艺参数见表A1。表Al
乳白时间
凝胶时间
不粘时间
表观密度
性能指标
100~120
2手工自由发泡搅拌时间为10s,搅拌速度为1500r/min,表A1中的乳白时间包括搅拌时间。A2
附加说明:
本标准由中国轻工总会质量标准部提出。本标准由全国塑料制品标准化中心归口。本标准由江苏省化工研究所和轻工部北京家电研究所负责起草。本标准主要起草人陈青、余正梅、吴昊。本标准非等效采用英国标准BS4840:Part2:1985《硬质聚氨酯(PUR)板块状泡沫<用于冷冻机、冷柜、冷冻室及冷库的PUR泡沫规范>》。487
小提示:此标准内容仅展示完整标准里的部分截取内容,若需要完整标准请到上方自行免费下载完整标准文档。