首页 > 化工行业标准(HG) > HG/T 2638-2004 搪玻璃设备质量分等
HG/T 2638-2004

基本信息

标准号: HG/T 2638-2004

中文名称:搪玻璃设备质量分等

标准类别:化工行业标准(HG)

标准状态:现行

发布日期:2004-12-14

实施日期:2005-06-01

出版语种:简体中文

下载格式:.rar.pdf

下载大小:154383

相关标签: 玻璃设备 质量 分等

标准分类号

标准ICS号:化工技术>>71.120 化工设备机械制造>>表面处理和涂覆>>25.220.50搪瓷

中标分类号:化工>>化工机械与设备>>G94非金属化工机械设备

关联标准

替代情况:HG/T 2638-1994

出版信息

页数:7页

标准价格:12.0 元

出版日期:2005-06-01

相关单位信息

起草人:桑临春、王学德、董海忠、梁彩霞

起草单位:天华化工机械及自动化研究设计院

归口单位:全国搪玻璃设备标委会

提出单位:中国石油和化学工业协会

发布部门:中华人民共和国国家发展和改革委员会

标准简介

本标准适用于设计压力小于或等于1.0 MPa,设计温度高于一20℃低于或等于200℃的搪玻璃设备及部件的质量分等。 HG/T 2638-2004 搪玻璃设备质量分等 HG/T2638-2004 标准下载解压密码:www.bzxz.net

标准图片预览

HG/T 2638-2004 搪玻璃设备质量分等
HG/T 2638-2004 搪玻璃设备质量分等
HG/T 2638-2004 搪玻璃设备质量分等
HG/T 2638-2004 搪玻璃设备质量分等
HG/T 2638-2004 搪玻璃设备质量分等

标准内容

Ics 71. 120;25.220.50
备案号:15名83—2005
中华人民共和国化工行业标准
HG/T2638—2004
代替1G/2635—191
糖玻璃设备质量分等
Quality classitication of glass-lined cguipnent for industry2004-12-14发布
2005-06-01实施
中华人民共和国利家发展和致节委城会发布
本标状替准性化1行业标准HG/T283831S94据费聘设资质量分禁:
本标准G2一相比+要变亿下:
HG/T2638—2004
将错法“紧面宽度利人礼达兰圾人孔密划面面度商体朵人量小直径差出能项调照为上要项温度计套些自线避口要账调整为般项。一改变了核积分的分等方法:
删除「刘减速机支座相互间改对中心孔位置度,封头变、炉强质止,油速质血,上,下接环变形,支体性胃,轴女防诱的分等核要求,除了附录和附录B。
会标滩由中国石油和化学工业协会提山,六标准山企国据破璃设备标准化技术案员会归口:标准起中单位:大华花工慢及白动化研究设计院,江苏太仓大婷工业瑞瓷有隧公司.宽州化工设答有限公司:
本标准主要距英人:桑临者,十学德、游忠,梁彩凝。本标准所代著标准的历次款本发布情况为:198年首次发布为业标准ZTG94(7199,1094年第一次整订后发布为推荐性化工行业准,年新编号为一4,
1范围
糖玻璃设备质量分等
[IG/T 2638—2004
4标准适用于设计压力小下或等于1.MPa,段度于20低于或等十20n的辨班旁设每皮部件的质量分等.
2,现范性引用文件
下列文件中的款通适本标准的引而就为本标准的杀款,凡层准日期村羽币文件其随后所有的髂改单(不包后勘误然内案)成静订版均不适用十本标准,线而,缺励根拥本标准达成协设的各方研究是否可他这些文作的品新版本。儿是不注目期的引用文件,其最新版本道开本标H2412括联路设备投术承计
3考接项目分类
3.1关键项
3.1.1塘设备水压试验。
3.1.2戒满没备文座水压试监.
3.1. 3摘缺势设备气密性试验。3.1.4增或第层商电试验,
3.2主要项
3.2.1抽坡端层耐酸左,CHPCHN类为耐垫酸性:WHP.WI.HN内类为耐行样感性3.2.2戒璃层而减性:CTIP、EITN两类为耐实氧化钠性,WCHIWCIIF内类为州碳酸销件:3.2.3玻离尺前机械外击快。
3.2. 4错达三最大址小自径关。3.2.5谜法兰平面度。
3.2.6接拌举上密封较径向全跳动(充的搅需封段径间平沟回端动获代)3.2.7扰择器下端径向回跳动
3.2.8瑶法兰压紧闻宽度,
3.2.9端学商体最大小直径券,
32.10人然兰没人孔益密斯的半面3.3—般项
3.3.1糖费璃层原度。
3.3.2增敢璃长衣面缺陷:痣玻现后表面上的异物、擦伤、暗泡,粉瘤、线效、色泽不当.护烧悔补痕迹秤达嫩利率
3.3.3几刊,搅拌抽几的管口法兰对端盖法兰平行度,温度计寒皆直线度、说半游整翼对称度。4项目考核指标规定
4.1关项的考核
凡会格品及合格品以上等级的产品均必须达州HC32要求的治标,关链项不分等4.2主要项的考核
4.2.1携我再轴(通尼型)理化性能分等考核据标果表1.HG/T2638—2004
量等致
耐u,
会许品
饮等品
表!错玻璃釉理化性能分零指标CII,GIIN
时糖冲山
含220x10
%24010
260X10
护眩璃诊备(或部代何形变分等考核指标地求之。WCTP WCIN
耐扫量降性
表2插玻璃设备(或部件)几何形变分等指标项月名款
键身,道益祛兰致上战小
丘径差
学身、缺法
LN-I uUy
UNsI6ou
感身萨体最
大最小京轻者
DN-J bbu
人孔陆三这人断封
糊身、糖法兰氏紫面
谢拱路南封设径司个
一等,
优等书,
命格另,
优等品,心
CHP,WCHI
0. 2! MPa. PN≤:1.c MPa U, 1 MPasPN≤.c. 2: MP:1.
会格,
一等另,
优等,
会格岛,
等品,
优等凸,吃
台教品,
特等,
台格品,
一转品.
代品,吧
合体品:
一等品,
优学品.
合落品,吃
一学品,
优等品,
会格山
一学品心
优等品,心,
注:N---公标直经;\N-
公标正力,FF
1系DN
揽拌器载书测量点高度,
单位为变米
几3i填料商封)
25(埃料壶过)
c.su填料经时)
15. 256 H
4.3一项的考核
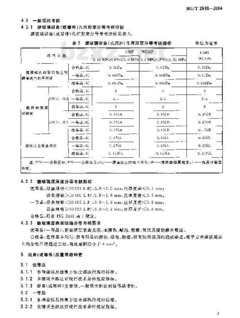
4.3.1据玻璃设备[或部件]儿何形变分等考核指标摊丧璃设备(成部件>几何形变分等考变举标见表3。表3播玻璃设备(或部冶)几何形变分考核指标烟月名称
我拌的口兰列
避普法兰的平行中
税拌光消奖
台格品,
括而:
合格品5
等品,
批等品究
合格品,
优等品:
合格品,
整地计点我
扰等而,5
公称立检:PN-
HG/T2633—2004
单位为些米
E. 2 MF.* PNs,I. U MPa
xI MPaFNsu,25MPy
公称出方
4.3.2选玻吨层厚魔分等考裁指标涉五然兰即层营外经:
宽胖诺储淇满度;:
优等品;改备许10 co31.时3~1.5 nta,H序度类0.am设备规格:_0心L时.0.8--1. 8mm,且厚度考3.5mm等品:设务格100co1.83.3--1.8mH度差:0.8u;设备规书10c031时3.2.2m,月原光0.8mm合格品:前合HG3152表7现定
4.3.3站玻瑚察表面缺陷分等考核要求优等品(一等品):披要垂表面北充,无擦伤、龄泡、份商,线较及抽烧整补衰过.2
安计套件
合格:色样基本日没有的品的搭快嗒泡,粉游,段有期快开的烧成亲速,每平节米地致端层上的冠粒不得超过三处,每处面积度小于4。5设备|或部件)质量等圾伴
5.1优等品
5.1.1名项指标股检便法全部动行联行标准。5.1.2关钟预部达制现行技本条件规定指标。5.1.3设备(或部件)主费项、一服项全巡划优等品消标,5.2一等品Www.bzxZ.net
5.2.1各项指标及检滤片法全部执行现行标准:5.2.2关链项全部达到规行技术条件规定指标。3
HG/I263B—2004
5.2.3说备(或解件)主费项,一般预仓部达到一等品老标。5.3合档品
5.3.1齐项指标及检测方法全详拟行现行标准。5.3.2关解项企部达列现行投术条件施定措标。5.3.3务(或部件)主要项,一项全部达到台咨品指标4
小提示:此标准内容仅展示完整标准里的部分截取内容,若需要完整标准请到上方自行免费下载完整标准文档。