首页 > 化工行业标准(HG) > HG/T 2057-2003 搪玻璃搅拌容器用机械密封
HG/T 2057-2003

基本信息

标准号: HG/T 2057-2003

中文名称:搪玻璃搅拌容器用机械密封

标准类别:化工行业标准(HG)

标准状态:现行

发布日期:2004-01-09

实施日期:2004-05-01

出版语种:简体中文

下载格式:.rar.pdf

下载大小:189551

相关标签: 玻璃 搅拌 容器 机械 密封

标准分类号

标准ICS号:71.120;25.220.50

中标分类号:化工>>化工机械与设备>>G94非金属化工机械设备

关联标准

替代情况:替代HG/T 2057-1991

出版信息

出版社:化工出版社

页数:9页

标准价格:14.0 元

出版日期:2004-05-01

相关单位信息

起草人:吴建明、王黎明、李继和、梁东、田增才、高存峰

起草单位:昆山釜用机械密封件厂、北京化工大学、淄博三田机械密封有限公司、淄博市淄川密封件厂、北京北搪化工设备厂

归口单位:全国搪玻璃设备标委会

提出单位:中国石油和化学工业协会

发布部门:中华人民共和国国家发展和改革委员会

标准简介

本标准规定了在搪玻璃搅拌容器上部安装的搪玻璃搅拌轴用机械密封型式、主要尺寸、标记和技术要求。本标准适用于公称压力小于或等于1MPa,容器内工作介质温度小于等于200℃ 的搪玻璃搅拌容器用机械密封,搅拌轴(或轴套)外径为40mm-140mm,转轴线速度小于2m/s, HG/T 2057-2003 搪玻璃搅拌容器用机械密封 HG/T2057-2003 标准下载解压密码:www.bzxz.net

标准图片预览

HG/T 2057-2003 搪玻璃搅拌容器用机械密封
HG/T 2057-2003 搪玻璃搅拌容器用机械密封
HG/T 2057-2003 搪玻璃搅拌容器用机械密封
HG/T 2057-2003 搪玻璃搅拌容器用机械密封
HG/T 2057-2003 搪玻璃搅拌容器用机械密封

标准内容

TCS 71. 120 :25. 220. 50
盘第号:13281—2004
中华人民共和国化工行业标准
HG/T2057—2003
代替HG/205?931
玻璃搅拌容器用机械密封
Stirred glass lined vessel mechanical seals2004-01-09发布
2004-05-01实施
中华入民和国国家发展和政革委员会发布前言
木标准代替HG[2571据波碎撤伴容器用析然整封3。本标准号TTG/T37—1997相北主要变化如下:212型机密封使出下力上限燃收为.MPa。取消了机械资英文销下代号“划学IIG/I2057—2003
凯嵌密封村料及代号表,保暂工常用材料,其余不市月材料及其代号取消.抽变换热托扣轻可,当轴径小士110m出0.:mm改v:34势报轴经mm)静环端函搅扩轴缆垂直底要求山()jm.改为按H/134的报级物度准高效端机械密时后随量要求,本杯准出中国油利化学工业协会起出:本标准巾企国提览块改备尔准化技交会员会门本标准起萃单症,品出签迅动碱声件!比京化工方学、播尊田机械密封有公司,度润所密封门厂、京北据化1K省。
本主要起单人:处期,下帮明,本继利梁、止增高存降。本标准所代若标准的系次版本发布情况为,7/T2057—[S51..::
1范医
携玻聘搅拌器用机械密封
HG/T2057—2003
个标非现定了亡培吸璃境拌穿器上部安装第感离搅计轴用机械密封型式、主要尺寸、标记利和技术要求.
去标准适用公你三力小」或等于1MPa,率器内T作介质孟度小干等于200的捷胶璃搅拌容器用机撼需封,搅举轴(或链坐)外为40mm~140mm,转续速座小上2m/5,2规范性引用文件
下列文件中的案款通过本标准的引用前成为本标准的条款。儿足注日期的引出文件,其随后所为的懿放单不也括勘误的内奔或修汀版均不适月于本标准,然而,励根据本标准达放协议的各方研究足含叫使用这些文件的缺新版本。凡无不注口期的引用定件,其新版本适用了本标准。GB/T184形状帮位性公差未注公差的规定HG/T219紫月机密封试鉴规拍
TIG/T21签月机械案铺助装置
HG/T2269签月机密封技术条件
IIG2482摘玻端设务技术条件
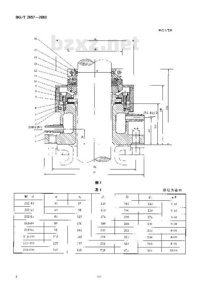
3型式及主要尺寸
3.1密封般介质时,拥玻离搅伴容器的机械密也采用单端而小弹案氧艺烯浪规管增(没计代号为2.2型>其结构见图-」要尺寸见表,明细表见表2.212型机械帝打技术参数为据做离范拌轴编径4mm~110mm过,没计压力水或等#0.小MFa;举玻境境拌轴输径12:mm~140m时.设计压J小于或等于.25MPa.(51
G/T20572003
冷动小进!
212·53
2 2-11
12-125
12-110
流小三米
单位为自
手件序号
冷记水核育此内容来自标准下载网
+产盆
影海时园
静环压些
内六肃怀
[渐对蓝
弹實座
内六角减定爆行
枕莉环
丁质块腔
深四顺之烯
HT 201
CrIANi
双块度
IIG/T 20572003
组合件
宽易燃、最爆、介质时,据将按产容邮的机始密封采用效面型盘化导为2!型其结均况降2,主要凡寸见表3,照绝表见表21举机被密到技术参数为:设计[R小小十或等干1.心M\a。HC/T 2057—2003
241-42
221-10
221-85
971--10
单位为这求
标记两付料
4.1宗记
计茄要
静不坐
实监出对园
“形时图
[然兰
外单正木件
内止办
商判流体产所
标记衣示如下:
N --XX
4.2材料及其代5
4.2.1、机械密封零研忆米:代号贴表5红
ICieNi9
微你校
漫双石医
热化佳.氧化销求燕比佳
1t xNigi
换快款
行业书准代号
-材料代号按4热定
渐控调控并拉定径(
这为量来,小你
不家款风带剂
设代异(或21)
HG/T2057—2003
HG/T2057—2003
战转环奇止材料
自很巴活合金
衣受漫济配斯
柔设法院店控
提法气
郊化范
斑化部
州州来四东7烯
其地工理塑料
机械密封举件材料状号位胃如下一质
减持材
解止环利补
版粘润
的咨图村料
明料型
以豫临
其出鱼性材料
园7部
东石里
长非性封
并贵和其地转构
材料名荐
陷螺调
其么材料
注:1械变村服尚个伦代221型机本料取个部八个常代号标记示例
地班境拌容器密封设计以式1致境轻mm装转村料墙率源关,解止材料为累化、被山齐丰函材将为缺股-弹获长其他结构料志为掌情相,标记表21260YVFFHG205?
5技术要求
5.1机撼密出主要等件
机械幽封要案件的技术要求按IIG226\的规定5.2需对洋能
5.2.1整书一股气体时,采用单面机城密时,只对泄隙作定性检查,日视无明显气泡为合格。5.2.2被密封介厄为有,最燃,最送的气体时,采市双谢而机城密封,灿轻大于30mml时,泄址应个人于8e1.轴径千人十81m对,过漏是应不乎5m/5.3机出封证验
凯械密封产品出厂前,充每批产拍中抽烊2%不少于2会,按HG/T9进行静压试验与运转凯验.
6安装和使用罢求
6.1适娘增控并轴(或编套)「单转环安装部位的外径轻虚床期1.,大尺于公差为9,表面更整匠R.不大于1.6rm
HG/T2057—2003
6.2拼我璃热择拍(或油旁)在需封安蒙处约径向感动要求为:当揽指轴轴径小」:0:时,经问跳动立小于/a/3c(为控率轴轴径)mm,当搅拆独独径大3或等」110mm时.径间跳动应小于a.nirm换拌轴轴中动量床小0.6m。
6.3我端冷部永金下密面与和线卡者厘按4K/1154的:5精6.4错变离冷动尔套盛做水压试验,试验上力为0.(MP试验时间为15rli。6.5讲残璃搅拌轴,冷却水套的其抽找术要求按TTG2/32,6.6安装静环时,洋台静坏密均医(垫)是小微人安装位置、静环密封谢面必须存氧揭正,快静环端而与搅拌轴线垂或度达到5.3或求
6.7当密时腔组尽较商时,参原H3122选用辅所安益,其他要变接产品安装他用说明书6.8来用单消而机域密射时,密对液点内必须划人润滑满体。采用双端面机械需打时.需打液的压力应大于堵随病换拌容器内介质压力.1MPa--0.2MPa(片率封疫储饿或范K衰等供给)。6.9乱械宽寸在抛被离搅拌容器工安装后,先进行静压试验,试验压方为设计压力,试收时划办15min,运转电合后,再进行运转试验.减验压力为层高使用出力,试验临间为1h了包装运摘和贮存
7.下在产品应附右装箱单、产品合格证、质站证明卡7.2包装应能防正在运和贮存过程中产品的损快乳零件的追失。7.3制造!根据用些求控供产安装使用说卡:t=1)
小提示:此标准内容仅展示完整标准里的部分截取内容,若需要完整标准请到上方自行免费下载完整标准文档。