首页 > 建筑材料行业标准(JC) > JC/T 540-1994 混凝土制品用冷拔冷轧低碳螺纹钢丝
JC/T 540-1994

基本信息

标准号: JC/T 540-1994

中文名称:混凝土制品用冷拔冷轧低碳螺纹钢丝

标准类别:建筑材料行业标准(JC)

标准状态:已作废

发布日期:1994-02-17

实施日期:1994-11-01

作废日期:2006-11-01

出版语种:简体中文

下载格式:.rar.pdf

下载大小:437775

相关标签: 混凝土 制品 冷拔 冷轧 低碳 螺纹 钢丝

标准分类号

标准ICS号:冶金>>钢铁产品>>77.140.65钢丝、钢丝绳和环节链

中标分类号:冶金>>钢铁产品>>H49钢丝、钢丝绳

关联标准

替代情况:被JC/T 540-2006代替

出版信息

页数:7页

标准价格:12.0 元

相关单位信息

标准简介

JC/T 540-1994 混凝土制品用冷拔冷轧低碳螺纹钢丝 JC/T540-1994 标准下载解压密码:www.bzxz.net

标准图片预览

JC/T 540-1994 混凝土制品用冷拔冷轧低碳螺纹钢丝
JC/T 540-1994 混凝土制品用冷拔冷轧低碳螺纹钢丝
JC/T 540-1994 混凝土制品用冷拔冷轧低碳螺纹钢丝
JC/T 540-1994 混凝土制品用冷拔冷轧低碳螺纹钢丝
JC/T 540-1994 混凝土制品用冷拔冷轧低碳螺纹钢丝

标准内容

中华人民共和国建材行业标准
JC/T540—94
混凝土制品用冷拔冷轧低碳螺纹钢丝1994-02-17发布
国家建筑材料工业局发布
1994-11-01实施
WbzsosO.cOm中华人共和国建材行业标准
混凝土制品用冷拔冷低碳螺纹钢丝1主题内容与适用范压
JC/T 540—94
本标准规定了冷拔冷轧低碳螺纹钢丝(以下简称冷轧螺纹钢丝)的产品分类、技术腰求、试验方法、检验规则和标志、包装、质量证明书。本依准适男于钢筋混凝士和颜应力混凝土制品用的以普通低磁钢热乳圆盘条为母财经冷拔冷乳制成的螺纹钢丝。
2引用标准
GB228金愿拉伸试輪法
GB 238
GB 700
GB 701
金履线材反复弯曲试验方法
碳素结构钢
普通低碳热轧圆盘条
GB2103钢丝验收、包装、标志、及质量证明书的--般规定ZBH44(003普通低碳钢无扭控冷热乳圆盘条3术语
3.1冷轧螺纹钢丝
普通低碳钢热轧圆盘条经一次或多次冷拔和一次或多次冷轧减径并使其表面星三列横助的钢丝。3.2公称直径
相当于横截面积相等的圆形截面冷拔低碳钢丝的直径。4分类和代号
4.1冷轮螺纹钢丝按公称直径分为三种规格:4、5、64、2冷轧螺纹钢丝按抗拉强度芬为两级,依次甲级(「组、纽、乙级。4.3冷轧螺纹钢丝按肋高分为浅螺纹和深螺纹两种外形,前者宜恶于预应力混凝土制品;后者宣用于钢筋混凝士制品。
A.4冷轧螺纹钢丝的代母按照冷轧螺纹钢丝(CRS)助高(浅螺纹为S.深螺纹为0)抗拉强度和本标准编梦顺序编写。
示例:浅螺纹、抗拉强度650N/mm*冷轧螺纹钢丝的代号是:CRSS650JC/T5405外形、尺寸、量量
5.1外形
5.1.轧螺纹钢丝外形应符合下图的规定。5.1.2冷轧螺纹钢丝有三列横助,钢丝横截面圆周上均句分布,其中一列横助应与另二列逆向,允许相互错像。
国家建筑材料工业1994-12.17批准100A_11-n1
客类标准行业资料免费下载JC/T540-94
5.1.3横助为月牙形,端部应向钢丝表面平滑过渡。5.1.4横助侧面与钢丝表面的来角α不得小于45%5.1.5横肋与钢丝轴线夹角β-40°~60°。一列横肋末端间总和不得大于钢丝公称周长的20%5. 1. 6
B刮面
图1冷轧螺纹钢丝外
5. 2 尺寸,重量
5.2.1冷轧螺纹钢丝的公称直径、公称横微面积,公称重愈及重量允许偏差应符合表1的规定。表!
公称直径邮
公称横截面积F
公称重量W
5.2.2浅螺纹钢丝横助的尺寸及允许偏差应符合表2的规定。表2www.bzxz.net
公称直径
助高五
公称尺于
允许偏差
助顶宽6
公称尺寸
允许俯差
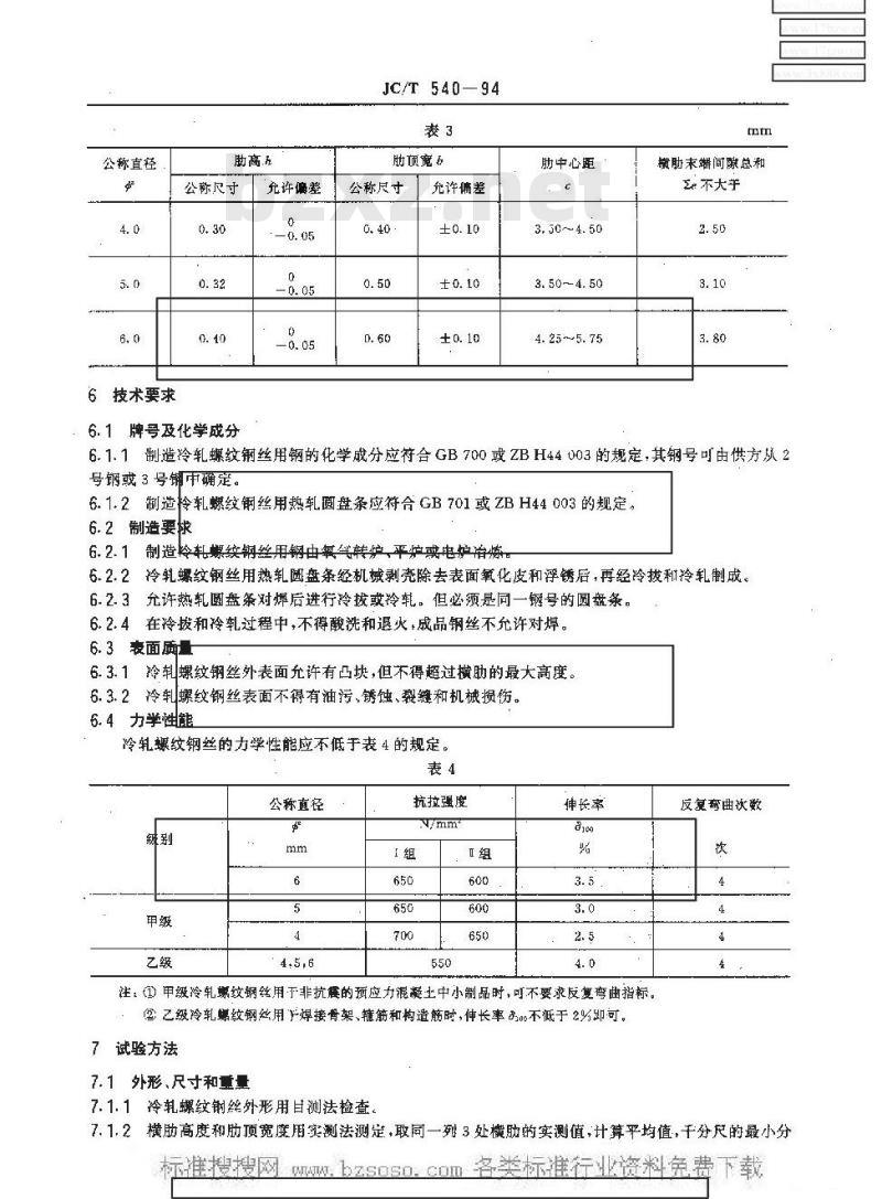
深螺纹钢丝横肋的尺寸及允许偏差应符合表3的规定。5.2.3
助中心距
3.50~4.50
3.50~4.50
4. 25 ~5. 57
实际重量与
公称重量的允许偏差,%
榄肋末端间隙总和
Ze 禾大于
bzSoSocom公称直径
6技术要求
公称尺寸
6.1牌号及化学成分
允许偏差
— 0. 05
JC/T540—94
肋顶魔石
公称尺寸
允许偏差
肋中心距
3.50~4.50
3.50--4. 50
4. 25~5. 75
横助末瓣间隙总和
Ze不大于
6.1.1制造冷轧螺纹钢丝用钢的化学成分应符合GB700或ZBH44003的规定,其钢号可由供方从2号钢或3号中确定。
6.1.2制造拎轧螺纹钢丝用热轧圆盘条应符合GB701或ZBH44003的规定6.2制造要求
6. 2. 1制造冷轧螺纹钢丝用钢由氧气转炉,平炉或电炉冶炼6.2.2冷轧螺纹钢丝用热乳圆盘条经机械剥壳除去表面氧化皮和浮锈后,再经冷拔利冷轧制成,允许热圆盘条对焊后进行冷拔或羚轧。但必须是同一钢号的圆盘条。6. 2. 3
6.2.4在冷拨和冷轧过程中,不得洗和退火,成品钢丝不允许对焊。6. 3表面质量
6.3.1冷螺纹钢丝外表面允许有凸块,但不得超过横肋的最大高度。6.3.2冷螺纹钢丝表面不得有油污,锈蚀、裂缝和机械损伤。6.4力学性能
冷轧螺纹钢丝的力学性能应不低于表4的规定。表4
公称直径
抗拉强度
伸长率
注:()甲级冷轧螂纹钢丝用于非抗養的预应力混凝土中小制品时,可不要求反复弯曲指标。②乙级冷轧螺纹钢丝用严焊接骨架、辅筋和构造筋时,伸长率的%不低于2%即可。7试验方法
7.1外形、尺寸和重量
7.1.1冷轧螺纹钢丝外形用甘测法检查。反复弯曲次数
7.1.2横肋高度和肋顶宽度用实测法测定,取同一列3处横肋的实测值,计算平均值,千分尺的最小分. JC/T540—94
度值应不大于 0. 01 mm,
7.1.3横肋中心距应平行于螺纹钢丝轴线实测,取三列横肋10处以上的实测值,计算平均值。千分尺的最小分度值应不大于 0, 01 mm。7.1.4横助未端间隙总和用实测法测定,三处未端间隙总和实测值,计算平均值,千分尺的最小分度值应不大于0.01 mm。
7.1.5冷轧螺纹钢丝的实际直径用重录法求得,试样长度应不短于500mm,直尺的最小分度值应不大于1mm,关平的录小分度值应不大于0.5g,实际直径按式(1)计算:4G1
中: D-
实际直径.mm
G.试样重量,kg;
I.试样长度,m :
p钢的密度,kg/m
7.1.6冷轧螺绞钢丝的重盘偏差按式(2)计算:GL.G
式中:s→重偏差,死;
G-—实际重量,kgt
Gs-公称重量.kg/m
7.2表面质量
冷轧螺纹钢丝表面质量用目测法检查。7.3力学性能
7.3.1冷轧螺纹钢丝抗拉强度利伸长率按GB228的有关规定进行试验,钢丝横裁面积按公称横截面积计算。
7.3.2冷轧竭纹钢丝反复弯曲按GB238的有关规定进行试验。8检验规则
8.1冷轨螺纹钢丝应按GB2103的有关规定进行检验。8.2:冷轧螺纹钢丝的表面质量应逐盘进行检查。8.3冷轧螺纹钢丝的各部尺寸,单位长度的重量应成批检验。每批出同一钢厂,同钢号、同一总压缩率,同直径的钢丝组成,每批重量不大于30t。应从每批中捆查5必。假不少于5盘进行检查。如检套有不合格者应将该批钢丝逐盘检查,剔除不合格品。8.4冷轧纹钢丝的抗拉强度、伸长率及反复弯曲应逐盘进行检查。如有某项试验不符合本标准规定要求,可从该盘中再取双倍数量的试样进行复验,复验中如有一项指标不合格,则判定该盘钢丝不合格,不得交货。
9包、标患及质量证明书
9.1冷轧螺纹钢丝的包装、标志及质量证明书应符合GB2103的有关规定。JC/T 540-94
9.3每盘冷轧螺纹钢丝应挂牌,标牌上应注明产品名称、代号、生产日期及制造厂名,9.4每批冷轧螺纹钢丝必须附质量证明书。附加说明:
本标准由国家建筑材料工业局苏州混凝土水泥制品研究院负责起草。本标雄主要起草人沈六始、蔡建明。(京)新登字023号
中华人民共和国建材
行业标准
混凝土制品用冷拔冷轧低碳螺纹钢丝JC/T 540-94
中国标准出版社出版
(北京复外三果河)
中国标准出版社北京印刷厂印刷新华书店北京发行所发行各地新华书店经誉版权专有不得翻印
开本880×12301/16印张1/2字数9千字1994年8月第一次印刷
1994 年 8 月第一腋
印数 1—2 000
9定价1.50元
书号:155066:2-9329
标目 245—41
小提示:此标准内容仅展示完整标准里的部分截取内容,若需要完整标准请到上方自行免费下载完整标准文档。