首页 > 建筑材料行业标准(JC) > JC/T 627-1996 非对称截面石棉水泥半波板
JC/T 627-1996

基本信息

标准号: JC/T 627-1996

中文名称:非对称截面石棉水泥半波板

标准类别:建筑材料行业标准(JC)

标准状态:已作废

发布日期:1996-03-21

实施日期:1996-08-01

作废日期:2008-12-01

出版语种:简体中文

下载格式:.rar.pdf

下载大小:213725

相关标签: 非对称 截面 石棉 水泥

标准分类号

标准ICS号:建筑材料和建筑物>>建筑材料>>91.100.40纤维增强水泥制品

中标分类号:建材>>建材产品>>Q14混凝土制品

关联标准

替代情况:被JC/T 627-2008代替

出版信息

出版社:中国标准出版社

页数:7页

标准价格:12.0 元

出版日期:1996-08-01

相关单位信息

起草人:张明勇、罗明、曾子如、徐样源

起草单位:国家建筑材料工业局苏州棍凝土水泥制品研究院、南京纤维水泥制品厂

归口单位:全国水泥制品标准化技术委员会

提出单位:国家建筑材料工业局

发布部门:国家建筑材料工业局

主管部门:国家发展和改革委员会

标准简介

本标准规定了非对称截面石棉水泥半波板的等级、规格、技术要求、试验方法、检验规则、标志、包装、贮存和运输等。本标准适用于温石棉和水泥为基本原材料制成的主要用作装数外墙和覆盖屋面的非对称截面石棉水泥半波板(以下简称“半波板,’)。 JC/T 627-1996 非对称截面石棉水泥半波板 JC/T627-1996 标准下载解压密码:www.bzxz.net

标准图片预览

JC/T 627-1996 非对称截面石棉水泥半波板
JC/T 627-1996 非对称截面石棉水泥半波板
JC/T 627-1996 非对称截面石棉水泥半波板
JC/T 627-1996 非对称截面石棉水泥半波板
JC/T 627-1996 非对称截面石棉水泥半波板

标准内容

中华人民共和国建材行业标准
非对称截面石棉水泥半波板,
JC/T627-1996
国家建筑材料工业局1996-03-21批准并发布1996-08-01实施
1范围
本标准规定了非对称截面石棉水泥半波板的等级、规格、技术妻求、试验方法、检验规则、标志、包装、贮存和运输等。本标准适用于温石棉和水为基本原材料制戒的主要用作装数外墙和覆盖屋面的非对称截面石棉水泥半波板(以下简称“半波板”)。2
引用标准
GB7019
GB8041
GB 8042
GB8071
GB 9772
GB9773
硅酸盐水泥、通硅酸盐水泥
石棉水泥制品吸水率、容重与孔隙率测定方法石棉水泥波瓦、平板不透水性试验方法石棉水泥波瓦、平板抗冻性试验方法温石棉
石棉水泥波瓦及其脊瓦
石棉水泥波瓦、平板抗冲击性试验方法等级与规格
产品分类。
3.1分类
按波高我分为3类,见表1。
3.2等级
产品按其外观质量、规格尺偏差分为优等品(A)、等品B)和合格品(C)。
3.3规格
小半波板(S)
中半被板(M)
大半波板 (D)
半波板至少带3个波矩,如图1所示。规格尺寸应符合表2的规定。图1
1800.2000,2100
2400. 2800. 3000
25,37,40
965,1200,12605,6,6.5www.bzxz.net
199,266,300
注:①h:的尺寸小于五,其尺寸由企业确定。②经供带双方协商可生产其他规格尺寸的半波板。586
mm 表
高 ()
mmn 表 2
边距 (参考尺寸)
3.4产品标记
3.1产品代号
半波板的代号为HCS。
3.4.2标记方法
标记序为产品代号、分类代号、等级、长度、宽度、厚度及标准号。3.4.3标记示例
大半波板、一等品、长度2800mm、宽度1200mm、厚度6mm可标记为;HCSD B2800 X 1200 X 6JC/T 6274技术要求
4.1原材料
4.1.1石棉纤维:应采用符合GB8071规定的五级与五级以上温石棉纤维。亦可掺加适量耐久性好、对制品性能不起有害作用的其他纤维。
4.1.2水溉:应采用符合GB175规定的不低于425号的硅酸盐水泥或普通硅酸盐水泥。水泥中不得使用掺有炭粉作助磨剂及页君、煤研石作混合材的普通硅酸盐水泥。4.1.3水:不应含有影响制品性能的有害物质。
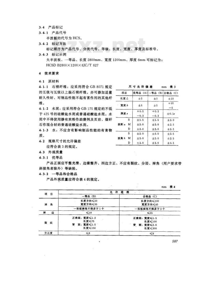
4.2规格尺寸的允许偏差
应符合表3的规定。
4.3外观质量
4.3.1优等品
尺寸允许偏塑
优等品(A
一等品(B)合格器(C)
长度L
宽度劵
波距aM
波高程
主1、5
产品正面应平整光滑、边缘整齐、四边方正、不应有裂纹、分层、摔角(用户要求带斜接角者除外)等缺陷。
4.3.2一等品和合格品
产品外观质量应符合表4的规定。mm
方正度
二等品(B)
长度方向≤50
宽度方向≤35
一张板撑解不得多手美个
正表面:宽度≤1.2
长度75
面,宽度≤1.5
长度150
允许范医
合格品(C)
长度方向≤100
实度方向≤45
张板摔角不摄多手2个
正表面:克度≤1.5
长度≤100
面,宽度≤2.0
长度≤300
4.4半波板的物理力学性能
应符合表5的规定。
大半波板
优等品
吸水率≤%
横向抗折力≤N/m
抗冲击性
抗冻性
不透水性
试验方法
5.1量器具
二等品
合格品
中半波板
优等品
一等品合格品
mm2表5
小半波板
优等品
一等品合格品
在相距60cm处观赛,冲击一次后被击处不得出现龟裂、剥落、贯通孔及裂纹25 次冻融循环后不得有起层等破坏现象浸水后半波板背后允许出现斑,但不允许出现水滴检查平台,台面应光滑平整,足以支承板材。钢卷尺,量程3000mm,分度值1mm。钢直尺,量程1000mm和300mm各把,分度值1mm。游标卡尺,量程125mm,分度值0.02mm。深度游标卡尺,量程125mm,分度值0.02mm。矩形框架,应符合GB9772附录A2.1.4要求。钢滚简,直径为肋半径的2倍,其余应符合GB9772附录A要求。塞尺,型号75B14。
5.2尺寸与外观质量
波距、波高、掉角、掉边、方正度和外观质量的检验:按GB9772中附录A进行。5. 2. 1
裂纹:用塞尺测量。
5.2.3长度和宽度:在半波板中间及距板边(端)50mm处测量长度与宽度各3次,取3次测量的算术平均值。
5.2.4厚度:在半波板的一端取6点(见图2)测量,取6次测量结果的算术平均值。图2
5.2.5边距:把半波板的波顶靠检查平台放置,将钢滚简放置在边波波谷内,用钢板尺测出滚简顶端至边线的距离,每边取2个测量值的算术平均值作为试样的边距。5.2.6测量误差:厚度、裂纹、波高和波距的测量误差不得超过0.1mm,读数至小数点后2位;其余项目的测量误差不得超过1mm。5.3吸水率
按GB7019进行,
5.4抗冻性
试件长度300mm,宽度200mm,其余按GB8042进行。5.5不透水性
按GB8041中大波瓦的规定进行。5.6横向抗折力
试件长度不小于1.2m,宽度不小于0.8m。试验前试件应在环境激度不低于5℃的条件下浸水24h。试验前用凝毛巾摧干后应立进行试验。把试件波顶朝上放在两平行支座上,支座宽50mm,净支距为1100mm。通过根宽230mm的压杆,以约100N/s的速度将载加到试件中部,直至断裂。读取破坏时荷裁,精确至10N,然后折算为每米板宽的荷载值即为该试件的横向抗折力。
5.7抗冲击性
按GB9773的规定进行,但茄形锤落下的高度为1000mm。6检验规则
6.1检验项目
6.1.1出厂检验
产品出广检验项目包括规格尺寸,外观质量、抗折力、吸水率和抗冻性。6.1.2型式检验
包括4.2~~4.4全部检验项目。
6.2抽检与判定
6.2.1出广检验
6.2.1.1批量,每批半波板应为同一类别、同一等级,同一规格的产品,800张为一批量。如不足一批,厕在200张以上伤按一抵举核,验敢地点应在生产厂内进行。6.2.1.2外观质量和规格尺寸检验:从每批不同堆垛中抽取三张板进行外观质量和规格尺寸检验,若其中一张1项指标不合格,起要对这项指标重新检验。由同一批量再抽取双倍数量试样进行复验,若该项指标仍不符合要求时,则该批产品需逐张检查验收。6.2.1.3物理力学性能检验:从上述外观质量、规格尺寸合格的样品中抽取二张作横向抗折力、吸水率和抗冻性检验,链个检验项目分别从每张样品中切取个试件,共切取二个试件进行检骏。全部项目均合格时,则可认为该产品合格,若其中有一张1项不符合要求时,再取双倍数量样品进行不合格项目的复验,若仍不符合要求时,则该批产品为不合格品。
6.2.2型式检验
6.2.2.1当产品有下列情况之一时应进行型式检验:a)新产品或老产品转厂生产的试制定型鉴定,b)产品结构、材料和生产工艺有较大改变,可能影响产品性能时c)正常生产时每半年进行一次,d)产品长期停产后,恢复生产时;e)出厂检验结果与上次型式检验结果有较大差异时:589
f)国家质量监督机构提出进行型式检验的要求时。6.2.2.2规格尺寸与外观质量检验:从每一受检批次中滩机抽取样品(每垛板最上通五张与底面五张除外)进行检验。样品数量规表6。1
每爱检批
次的数量
200400
401-800
801~1500
1501~3000
抽样数量
第一次样品
不会格
判定数
判定数
第一次好
第二次样品之和
判定数
不合格
用变量法
检登可接
AL-L+KR
式中 AL-可验收极限,
标准低限,N/m
一可接收系数:
极差,样品中最
大体与最小体之
蒸,N/m
检验按5.2进行。判定按品质检验程序(表6第3~6栏)进行,即不合格品数未超过表6第3、5栏时,侧该受检批量合格,若不合格品数等于或大于第4、6栏时,则该批量不合格,若第一次样品中不合格数超过A但小于R。1,则应抽取并检验与第次样品相同数量的第二次样品。批量不合格时,可进行逐张检查处理。6.2.2.3横向抗折力检验:按变量检验程序(表6第7、8栏)对横向抗折力检验结果进行判定。若样品的平均值大于或等于可验收极限,即文≥AL,则该批量合格:若XAL,则该批量不合格。
6.2.2.4吸水率、抗冲击性、抗冻性和不透水性检验:应在同一批量中任意抽取二张试样(妞可以在同样的抽样单位中切取),试验结果如有不合格品时,再取加倍数量样品进行复验,复验后仍有一张不合格时,则该批产品判为不合格。7标志、包装、运输与整存
7.1标志
在每张半波板正表面上应用不褪色的颜色标明生产厂名称、生产日期、班别、产品标记等。
7.2产品合格证
发货时必须将产品合格证随同发货单寄给用产,其中应注明:a)产品名称、类剃、级剃和数量;b)生产厂名称、商标、厂址,
c)批量编号、生产日期,
d)产品检验结巢;
e)标准编号:
f)生产厂检验部门及检验人员签名盖章。7.3包装
产品可采用包装箱或捆扎包装,并方便搬运。7.4运输
搬运和装卸半波板,不得互相撞击、不允许抛掷。运输工具底面必须平整并设法固定好,在运输过程中要减少动、防止碰撞。7.5贮存
半波板应按不同规格、类别、等级堆放,堆放场地必须平坦、坚实,堆放高度般不超过1.5m。
附加说期:
本标准由全国水泥制品标准化技术委员会归口。本标准由国家建筑材料工业局苏州混凝土水泥制品研究院、南京纤维水泥制品厂、成都青华新型建筑材料广和沈阳新型建筑材料总广负责起草。本标准委托国家建筑材料工业局苏州混凝土水泥制品研究院负责解释。本标主要起草人;张明勇、罗明、曾子娜、徐祥源。591
小提示:此标准内容仅展示完整标准里的部分截取内容,若需要完整标准请到上方自行免费下载完整标准文档。