首页 > 建筑材料行业标准(JC) > JC/T 628-1996 石棉水泥井管
JC/T 628-1996

基本信息

标准号: JC/T 628-1996

中文名称:石棉水泥井管

标准类别:建筑材料行业标准(JC)

标准状态:现行

发布日期:1996-03-21

实施日期:1996-08-01

出版语种:简体中文

下载格式:.rar.pdf

下载大小:184399

相关标签: 石棉 水泥

标准分类号

标准ICS号:建筑材料和建筑物>>建筑材料>>91.100.40纤维增强水泥制品

中标分类号:建材>>建材产品>>Q14混凝土制品

关联标准

替代情况:原标准号GB 3041-1982

出版信息

页数:7页

标准价格:12.0 元

出版日期:1996-08-01

相关单位信息

起草人:张明勇、叶启汉、陈桂琴

起草单位:国家建筑材料工业局苏州混凝土水泥制品研究院、华新纤维水泥制品厂

归口单位:全国水泥制品标准化技术委员会

提出单位:全国水泥制品标准化技术委员会

发布部门:国家建筑材料工业局

标准简介

本标准规定了石棉水泥井管的产品分类、技术要求、试验方法、检验规则、装、运输与贮存。本标准适用于钻杆托盘法成井用的石棉水泥井壁管(以下简称井管)。 JC/T 628-1996 石棉水泥井管 JC/T628-1996 标准下载解压密码:www.bzxz.net

标准图片预览

JC/T 628-1996 石棉水泥井管
JC/T 628-1996 石棉水泥井管
JC/T 628-1996 石棉水泥井管
JC/T 628-1996 石棉水泥井管
JC/T 628-1996 石棉水泥井管

标准内容

中华人民共和国建材行业标准
石棉水泥井管
JC/T628-1996
国家建筑材料工业局1996-03-21批准并发布1996-08-01实施
1范围
本标准规定了石棉水泥井管的产品分类、技术要求、试验方法、检验规则、标志、包装、运输与贮存。
本标准适用于钻杆托盘法成井用的石棉水泥井壁管(以下简称井管)2
引用标准
GB175硅酸盐水泥、警通硅酸盐水泥GB7019石棉水泥制品吸水率、容重及孔隙率测定方法GB8071温石棉
3产品分类
3.1分类
根据成并深度,并管分成表1中所列3种类型。3.2分等
根据并管的外观质量、尺寸偏差分为一等品(B)和合格品(C)。
3.3规格
.并管的形状和规格见图1和表2。11775227 27722277
井管类型
d一内径:D一外径:8一壁厚:L一并管标准长度公称直径
标准长度
注:经供需双方协设可生产其他规格尺寸的并管。3.4产品标记
外径D
产品标记由井管(J)、公称直径、类型、级别和标准编号组成。赛美
设计成并深度
400~500
150~400
参考重素
公称直径300mm,井管类型为!类,一等品井管的标记如下:J300-I BJC/T 628
4技术要求
4.1原材料
4.1.1石棉:应采用符合GB8071规定的五级或五级以上的温石棉,也可掺用适量对制品性能与水质无害的其他纤维。
4.1.2水泥:应采用符合GB175规定的不低于425号的硅酸盐水泥、普通硅酸盐水泥,但不得使用掺有煤、炭粉作助磨剂及页岩、煤研石作混合材的普通硅酸盐水泥。4.1.3水:应采用淡水或循环系统的水。淡水中不应含有油、酸类或有机物等影响制品性能的有害物质。
4.2外观质量
各种等级的并管外观质量应符合表3的规定。表3
外观质量项目
外表面
内表面
探度不大于 2mm的伤衰和脱皮,每处面积不大于10cm2,其总面积不大于30cm2深度不大于2mm的脱皮,每处面积不大于10cm2,其总面积不大于20cm*
4.3尺寸允许偏差
合格品
深度不大于 2mm 的伤痕和脱皮,每处面积不大于10cm2,其总面积不大于50cm2深度不大于2mm的脱皮,每处面积不大于10cm2,其总面积不大于30cm2
4.3.1并管长度的正偏差不限制,负偏差不大于标准长度的2%。并管同一端壁厚和内、外径的允许偏差应符合表 4 的规定。mm
尺寸允许编差
公称直径
合格品
合格品
4.3.2井管同一端内径的最大值与最小值相差不得大于表5的规定,井管两端面必须切削成与中心轴线垂直,不应有毛刺和起层。mm
公称直径
充许值
一等品
合格品
一等品
合格品
一等品
合格品
-等品
合格品
4.3.3允许弯曲度:标准长度为3m者不大于9mm;标准长度为4m、5m者不大于12mm。4.3.4每批中短管数量不允许超过10%,这种短管长度比标准长度不得短300mm。但所供应的井管总长度以实数计算,宜不少于用户订货单上提出的数量。4.4物理力学性能
4.4.1各类井管应承受表6所规定的试验水压,在此水压下保持30s,井管外表面不应有烟水现象。
试验水压
井管类型
公称直径
管材的轴向抗压强度不应低于表7的规定。轴向抗压强度
井管类型
公称直径
4.4.3井管的管壁吸水率不应大于20%。5
试验方法
5.1外观质量检验
用目测与刻度值为0.5mm的钢板尺测量并管内、外表面伤痕和脱皮。5.2尺寸检验
5.2.1并管长度用刻度值为1. 0mm的卷尺测量。井管壁厚用刻度值为 0.02mm的游标卡尺测量,以并管两端垂直对称位置各测量4次,测量结果的算术平均值作为管壁厚度。5.2.2井管的内、外径分别用内、外卡钳及刻度值为0.5mm的钢板尺测量,以井管两端垂直对称位置各测4次,测量结果的算术平均值作为井管的内、外径尺寸,用同样方法测定同管端的最大与最小的内径值。5.2.3并管的弯曲度用长度不小于并管长度的金属尺或木尺作靠尺,用刻度值为1mm的钢板尺测量井管外表面与靠尺之间的最大间隙,作为井管的弯曲度。5.3物理力学试验
5.3.1水压抗渗试验
以整根井管作试验,采用管端密封后管子轴向不受压力的水压试验设备,在不少于1121
1min的时间内使管内水压逐渐上升至表6所规定的试验水压值,恒压30s,检查管子外表面状况。5.3.2轴向抗压强度试验
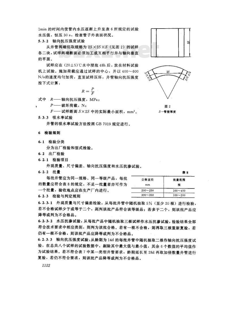
从井管两端切取规格为2SX2SXS(见图2)的试样各二块,试样两端断面必须加工成互相平行并与轴向垂直的平面。
试样应在(20士5)℃水中浸泡48h后,放在材料试验机上试验。施加荷载应通过试样的中心,并以400~600N/s的速度均匀加荷,直至试样压坏,并管轴向抗压强度按下式计算:
式中 R——轴向抗压强度,MPa;P—破坏荷载,N;
F—一试样断面S×2S中的实际最小面积,mm。5.3.3吸水率试验
并管的吸水率试验方法按照GB7019规定进行。6检验规则
6.1检验分类
分为出厂检验和型式检验。
6.2出厂检验
6.2.1检验项目
外观质量、尺寸偏差、轴向抗压强度和水压抗渗试验。6.2.2批量
每批井管应为同一规格、同一等级产品,每批的数量应符合表8的规定,不足-一批量者亦可作为一个批量,验收地点应在生产厂内进行。6.2.3检验与判定规则
公称直径
200~250
300~350
S-管壁厚度
批量范围
100~400
100~200
6.2.3.1外观质量与尺寸偏差检验:从每批井管中随机抽取5%(至少20根)进行检验,若不合格试样少于或等于二个,判该批产品符合该等级品,若多于二个,则该批产品应降等或判为不合格品。
6.2.3.2水压抗渗试验:从每批产品中随机抽取三根试样作水压抗渗试验,检验结果全部符合技术要求中相应类别,则判为该批合格。若有一根不合格,则再取三根重新复验,若仍有一根不合格,则该批产品应降等或判为不合格品。6.2.3.3轴向抗压强度试验:从龄期为14d的每批井管中随机抽取二根作轴向抗压强度试验,在总共八个试样的试验数据中,剔除其中最大值与最小值,其余6个数值的平均值作为试验结果。若不符合表7中某一类型井管要求,龄期延长至28d再取加倍数量井管进行复验,若仍不符合要求,则该批产品降等或判为不合格品。1122
6.2.3.4判定规则:当试样的外观质量、尺寸偏差、物理力学性能均符合技术要求中相应等级要求,则判为该等级合格,若有一项不符合要求,则应降等或判为不合格品。6.3型式检验
6.3.1有下列情况之一时,产品应进行型式检验:a)新产品或老产品转广生产的试制定型鉴定;b)正式生产后如产品结构、材料、工艺有较大改变,可能影响产品性能时:c)正式生产时,至少每年进行次检验,d)产品长期停产后恢复生产时:e)出厂检验结果与上次型式检验有较大差异时:f)国家质量监督机构提出进行型式检验要求时。6.3.2检验项目:包括技术要求中4.2~4.4的全部项目。
6.3.3批量抽样与检验:外观质量、尺寸偏差、水压抗渗试验、轴向抗压强度试验的批量抽样与检验同出厂检验,吸水率试验是从龄期14d的批量中随机抽取二根,试验结果若合格,则判该批量为合格,若有一根不合格,则试验龄期长至28d,加倍抽取试样重新复验,若仍有根不合格,则该批产品判为不合格品。6.3.4判定规则:当试样的所有检验结果均符合技术要求中相应等级要求时,则判为该等级合格;若有一项不符合要求,则应降等或判为不合格品。7标志、包装、运输与贮存此内容来自标准下载网
71标志与出广证明书
7.1.1标志
并管的外表面必须用不褪色的颜料注明标志,其内容与格式如下:小心轻放
注册商标、生产厂名称王产日期、班、生产编母严禁抛挪标记
71.2出广证明书
发货时必须将出厂证明书随同发货单提供用户,其内容包括:a)产品名称、类型、等级、数量b)生产厂名称、商标、厂址,
c)批编号、生产日期;
d)产品检验结果;
e)标准编号:
f)生产厂检验部门及检验人员签字盖章7.2包装
每根井管在出厂前必须妥善捆扎,每根并管捆扎不应少于三个部位,井管两端须严加保护。
7.3运输
必须使井管避定在各种运输工具上,在运输过程中减少震动,装卸时严禁抛掷,防止碰撞。
7.4贮存
堆放场地必须坚实平坦,不同的等级,不同规格的井管应分别堆放,堆放时下一层并管应固定好,以防爆落,并管堆垛高度如表9规定。附加说期:
公称真径
200250
300~350
本标准谢全国水泥制品标推化技术委员会提出并归口。表9
堆垛高度
本标准由国家建筑材料工业局苏州混凝土水泥制品研究院、华新纤维水泥制品厂、吴桥县石棉水泥管厂等单位负责起草。本标准主要起草人,张明勇、叶启汉、陈桂琴。本标准委托国家建筑材料工业局苏州混凝土水泥制品研究院负责解释。自本标实施之日起,原国家标准GB3041-82《石棉水泥井管》作废。1124
小提示:此标准内容仅展示完整标准里的部分截取内容,若需要完整标准请到上方自行免费下载完整标准文档。