首页 > 建筑材料行业标准(JC) > JC/T 640-1996 顶进施工法用钢筋混凝土排水管
JC/T 640-1996

基本信息

标准号: JC/T 640-1996

中文名称:顶进施工法用钢筋混凝土排水管

标准类别:建筑材料行业标准(JC)

标准状态:现行

发布日期:1996-07-10

实施日期:1997-10-01

出版语种:简体中文

下载格式:.rar.pdf

下载大小:303933

相关标签: 施工 钢筋 混凝土 排水管

标准分类号

标准ICS号:建筑材料和建筑物>>建筑材料>>91.100.30混凝土和混凝土制品

中标分类号:建材>>建材产品>>Q14混凝土制品

关联标准

出版信息

页数:14页

标准价格:17.0 元

相关单位信息

起草人:温颂申、许广存、王憬山、盛奕节、余科旺、杨长顺

起草单位:北京市市政工程研究院、北京市市政设计研究院、北京市第三水泥管厂

归口单位:全国水泥制品标准化技术委员会

提出单位:全国水泥制品标准化技术委员会

发布部门:国家建筑材料工业局

标准简介

本标准规定了顶进施工法用钢筋混凝土排水管〔以下简称管子)的产品分类、技术要求、检验方法、检验规则、标志、包装、运输和贮存。本标准适用于公称内径600^-30 00mm顶进施工法排水管道用钢筋混凝土管及顶进施工保护套管用钢筋混凝土管本标准适用于雨水、污水、引水及农田排灌等重力流管道的管子。凡有内压或耐腐蚀要求用的排水管,由供需双方参考本标准另行商定。 JC/T 640-1996 顶进施工法用钢筋混凝土排水管 JC/T640-1996 标准下载解压密码:www.bzxz.net

标准图片预览

JC/T 640-1996 顶进施工法用钢筋混凝土排水管
JC/T 640-1996 顶进施工法用钢筋混凝土排水管
JC/T 640-1996 顶进施工法用钢筋混凝土排水管
JC/T 640-1996 顶进施工法用钢筋混凝土排水管
JC/T 640-1996 顶进施工法用钢筋混凝土排水管

标准内容

中华人民共和国建材行业标准
顶进施工法用钢筋混凝士排水管JC/T 640—1996
本标准规定了顶进施工法用钢筋混凝土排水管(以下简称管子)的产品分类、技术要求、检验方法,检验规则、标志、包装、运输和贮存。本标准适用于公称内径600~3000mm顶进施工法排水管道用钢筋混凝土管及顶进施工保护套管用钢筋混凝土管。
本标准适用于雨水、污水、引水及农田排灌等重力流管道的管子。凡有内压或耐腐蚀要求用的排水管,由供需双方参考本标准另行商定。2
引用标准
GB 199
GB 701
GB1344
硅酸盐水泥、普通硅酸盐水泥
快硬硅酸盐水泥
一般用途低碳钢丝
普通低碳钢热轧圆盘条
抗硫酸盐硅酸盐水泥
矿渣硅酸盐水泥、火山灰质硅酸盐水泥及粉煤灰硅酸盐水泥GB1596
GB8076
GB 11836
GB 11837
GB50204
用于水泥和混凝土中的粉煤灰
混凝土外加剂
混凝土和钢筋混凝土排水管
混凝土管用混凝土抗压强度试验方法混凝土工程施工及验收规范
GB/T 14684
GB/T 14685
GBJ119
建筑用砂
建筑用卵石和碎石
混凝土外加剂应用技术规范
JGJ28粉煤灰在混凝土和砂浆中应用技术规程混凝土拌合用水标准
JGJ 63
JC/T540混凝土制品用冷拔冷轧低碳螺纹钢丝3产品分类
3.1产品按管子接口型式分为:平口式(P)、企口式(Q)、双插口式(S)、钢承口式(G)四种。3.1.1顶进施工法用钢筋混凝土平口管规格尺寸见图1、表1。国家建筑材料工业局1996-07-10批准470
1997-01-01实施
公称内径 DN
管子长度L
JC/T640—1996
平口管规格尺寸
管壁厚度h
公称内径DN
注:经供需双方协议,也可生产其他规格尺寸的筋混凝土管。3.1.2顶进施工法用钢筋混凝土企口管规格尺寸见图2、表2。图2
管子长度L
管壁厚度
管子公称内径
管壁厚度
JC/T640--1996
表2企口管规格尺寸
管子长度
注:经供需双方协议,也可生产其他规格尺寸的钢筋混凝土管。度
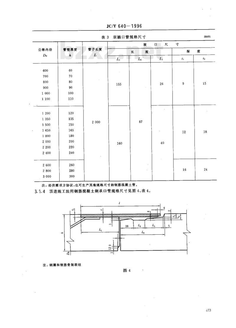
顶进施工法用制筋混凝土双插口管规格尺寸见图3、表3。Ls
斜坡投影尺寸
公称内径
管壁厚度
JC/T640-1996
表3双插口管规格尺寸
管子长度
注:经供需双方协议,也可生产其他规格尺寸的钢筋混凝土督。接bZxz.net
3.1.4顶进施工法用钢筋混凝土钢承口管规格尺寸见图4、表42
注:钢圈和钢筋骨架联结
公称内径
管壁厚度
管子长度
JC/T 640--1996
表4钢承口管规格尺寸
经供需双方协议,也可生产其他规格尺寸的钢筋混凝土管。寸
钢图须采取防腐措施,在有腐蚀性介质的条件下,应适当加大钢图厚度,深
钢图尺寸
度厚度
2顶进施工法用钢筋混凝土管,按其外压荷载分为I级、I级和级,各级外压荷载见表5。3.2
表5外压荷载
公称公径
普壁厚度
裂缝载
破坏荷载
3.3顶进施工法用钢筋混凝土管,按尺寸偏差和内水压分为优等品(A)、一等品(B)和合格品(C)。3.4产品按名称(DRC)、尺寸(内径×长度)、接口型式、外压荷载级别、产品等级和标准编号顺序进行标记。
示例:公称内径为1200mm、长度为2000mm的顶进施工法用I级优等品钢筋混凝土双插口管,其标记如下:
DRC1200X2000SIAJC/T640
公称内径为1800mm、长度为2000mm的项进施工法用I级等品钢筋混凝土企口管,其标记如下:
JC/T 640—1996
DRC 1 800X2 000 Q 1 B JC/T 640公称内径为1100mm,长度为2000mm的顶进施工法用I级合格品钢筋混凝土平口管,其标记如DRC 1 100X2 000 P I C JC/T 640公称内径为2200mm.长度为2000mm的顶进施工法用1级优等品钢筋混凝土钢承口管,其标记如下:
DRC 2 200X2 000 G I A JC/T 6404技术要求
4.1原材料
4.1.1水泥应采用标号不低于425的硅酸盐水泥、普通硅酸盐水泥或矿渣硅酸盐水泥。亦可采用标号不低于425的快硬硅酸盐水泥、抗酸盐硅酸盐水泥。水泥性能应符合GB175、GB199、GB748、GB1344的规定。
4.1.2集料应符合GB/T14684、GB/T14685和GB50204的规定。石子最大粒径不得大于管壁厚度的1/3,并且不得大于环向钢筋净距的3/4。细集料宜采用硬质中砂,细度模数Mk为2.3~3.0。4.1.3混凝土允许掺加掺合料及外加剂。当掺用粉煤灰掺合料时,应符合GB1596、JGJ28的规定;当掺用外加剂时,应符合GB8076、GBJ119的规定;当掺用其他掺合料时,应符合其他相应标准的规定。4.1.4混凝土拌和用水应符合JGJ63的规定。4.1.5钢材应采用一般用途低碳钢丝、普通低碳热轧圆盘条、冷拔冷轧低碳螺纹钢丝,其性能应符合GB 343,GB701或JC/T 540的规定。4.2构造要求
4.2.1混凝土强度
制管用混凝土的设计强度不宜低于40MPa。产品出厂时的混凝土强度不应低于设计强度的90%。4.2.2钢筋骨架
4.2.2.1环向钢筋的混凝土净保护层最小厚度:当管壁厚小于100mm时,应不小于15mm;当管壁厚度等于或大于100mm时,应不小于20mm。4.2.2.2钢筋骨架直径,在满足保护层要求的前提下,其尺寸误差为士5mm。4.2.2.3环向钢筋的接头处理,必须符合GB50204的规定。4.2.2.4钢筋骨架的环向钢筋间距不得大于150mm,并不得大于管壁厚的3倍。钢筋直径不得小于4mm,管子两端的环向钢筋应密缠1~2圈。4.2.2.5钢筋骨架的纵向钢筋直径不得小于4mm,根数不得少于6根,手绑骨架的纵向钢筋间距不得大于300mm,焊接骨架的纵向钢筋间距不得大于400mm。环向钢筋端面保护层应为20mm土5mm。4.3外观质量
4.3.1管子内、外表面应无裂纹、蜂窝、塌落、露筋、空鼓(表面龟裂和砂浆层的干缩裂缝不在此限)。4.3.2管子不得有有害伤痕,其端面、表面、双插口及钢承口管插口外表面必须平整。4.3.3在下列情况下,管子允许进行修补:a)管子内表面凹深不超过5mm,粘皮深度最大值不翻过10mm,粘皮、蜂窝、麻面的总面积不超过外表面的1/20,每块面积不超过100cm;b)管子内表面有局部塌落但无露筋现象,塌落面积不超过管子内表面积的1/20,每块面积不超过100cm2;
c)合口缝漏浆深度不超过管壁厚度的1/3.长度不超过管长的1/3;d)端面碰伤纵向深度不超过100mm,环向长度限值不得超过表6规定。475
4.4尺寸允许偏差
公称内径 DN
600~900
1 000~1 500
1650~2400
2 6003 000
4.4.1平口管尺寸允许偏差见表7。公称内径
800-~900
1000~1 500
1 650~~1 800
2 000 ~2 400
2600~3000
产品等级
优等品
一等品
合格品
优等品
一等品
合格品
优等品
一等品
合格品
优等品
一等品
合格品
优等品
一等品
合格品
JC/T640--1996
表6端面碰伤长度限值
表7平口管尺寸允许偏差
内径Da
碰伤长度限值
85~105
110~120
125~135
厚度h
长度 L
4.4.2企口管尺寸允许偏差见表8。公称内径
1 100 ~1 500
16501800
2 000~2400
2600~3000
产品等级
优等品
一等品
合格品
优等品
合格品
优等品
一等品
合格品
优等品
一等品
合格品
JC/T640—1996
表8企口管尺寸允许偏差
双插口管尺寸允许偏差见表9。
公称内径
600~~900
1 000~1 500
产品等级
优等品
一等品
合格品
优等品
一等品
合格品
双插口管尺寸允许偏差
口尺寸
公称内径
1 6501 800
2000~~2 400
2 600~3 000
产品等级
优等品
一等品
合格品
优等品
一等品
合格品
优等品
一等品
台格品
JC/T 640-1996
表9(完)
管子尺寸
钢承口管尺寸允许偏差见表10。4.4.4
公称内径
2 000~2 400
2 600~3 000
产品等级
优等品
一等品
合格品
优等品
一等品
合格品
内 径
钢承口管尺寸允许偏差
接口尺
4.4.5管子端面倾斜度的允许偏差为管外径的1%,并不得超过15mm;管子弯曲度的允许偏差为管子长度的0.3%。
4.5管子物理力学性能
4.5.1外压荷载
外压载荷应不低于表5的规定。
4.5.2内水压
JC/T640—1996
管子在规定的内水压力下允许有潮片,但不得流涧,其要求见表11。表11内水压检验指标
内水压检验压力
5检验方法
优等品
完好,无潮片
5.1管子各部位尺寸及外观质量的测量检
一等品
潮片面积小于总表面积的
合格品
潮片面积小于总表面积的
5.1.1用精度为0.05mm的游标卡尺或其他量具测量管端周围四等分处的壁厚,取其平均值。5.1.2用精度为0.5mm的量具测量管子长度,取最小值为管子长度。5.1.3用专用测量工具或其他量其测量管内径及企口管承口工作面内径,测两个垂直位置的尺寸,管内径取最大值,承口工作面内径取最小值,5.1.4用量规测量企口管插口端相互垂直方位的插口工作面尺寸及双插口營及钢承口管管端相互垂直方位的工作面尺寸,取最大值。5.1.5用直角尺或特制量具测量最大倾斜管端面的倾斜度。5.1.6用缝隙深度测定仪测量合缝漏浆缝隙深度。5.1.7用专门的直度偏差测量仪或用拉线与直尺测量管子最大弯曲度。用肉眼目测检查外观质量。
5.2物理力学性能的测定
5.2.1混凝土抗压强度
混凝土抗压强度按照GB11837进行。5.2.2外压荷载
管子外压荷载按照GB11836,用三点法进行外压载荷试验,外压荷载值应达到表5规定。当裂缝宽度达0.2mm时的荷载值为裂缝荷载;外压荷载试验时的最大荷载值为破坏荷载。5.2.3内水压
按GB11836的规定进行内水压试验,内水压捡验压力为0.10MPa。检验时,升压至0.06MPa,恒压5mini,继续升压至0.10MPa,恒压10min,观察管子表面渗漏情况。6 检验规则
6.1检验项目
产品检验分出厂检验及型式检验两类。出厂检验包括外观质量、尺寸及偏差、混凝土强度、外压裂缝荷载及内水压试验。型式检验包括外观质量、尺寸及偏差。混凝土强度、外压裂缝荷载与破坏荷裁和内水压检验。
6.2出厂检验
6.2.1批量
产品以同一种规格、同一等级、相同原材料、相同工艺成型的管子为一批量并采用随机抽样方法取样。不同管径批量数按表12划分。管子数量不足一批时也作为一个批量。479
6.2.2抽样
6.2.2.1外观质量
公称内径DN
600-~1350
1500~2400
2600~3000
逐根检验管子外观质量。
6.2.2.2尺寸
JC/T640—1996
表12出厂检验产品批量总数
产品批量总数
从每批产品中抽样十根进行捡验。符合某一等级的管子达七根,则视该批产品达到该等级标准不符合这一等级的管子超过三根,则视该批产品未达该等级标准;当不符合合格品等级的營子超过三根时,应逐根检验后使用,不符合要求者为不合格。6.2.2.3混凝土强度
混凝土强度检验每周不少于三次。每次三组与产品相养护条件的试件进行强度检验,其中一组进行脱模强度检验,一组进行设计强度检验,另一组进行出厂强度检验。当混凝土配合比、材料变更时,也应按上述规定作强度检验。6.2.2.4外压裂缝荷载及内水压检验从外观质量、尺寸及偏差、混凝土强度合格的管子中抽取二根,其中一根进行外压裂缝荷载检验;另一根进行内水压检验。如某一项检验不合格,则允许再抽取二根进行复检;如其中仍有一根不合格,则判定该批产品不合格。
6.3型式检验
6.3.1有下列情况之一时,应进行型式检验:a)新产品生产定型鉴定;
b)结构、材料、工艺有较大改变时;c)产品停产半年后恢复生产时;d)国家质量监督机构提出型式检验要求时:e)每种规格产品连续生产半年或生产总数达到表13规定时:f)产品进行仲载检验时。
表13垦
型式检验产品批量总数
公称内径 DN
600~1350
1500~2400
2 600~3 000
产品批量总数
6.3.2外观、尺寸及偏差检验:在产品中抽取十根,如其中有七根符合要求,该批产品为合格品,如不符合要求的管子超过三根,该批产品为不合格品。6.3.3在外观、尺寸及偏差检验合格的管子中抽取六根,其中三根作外压裂缝荷载及破坏荷载检验,另三根作内水压检验。
6.3.4从管体中钻取芯样进行混凝土抗压强度检验。480
6.4判定规则
6.4.1优等品
JC/T640—1996
符合4.3.1、4.3.2规定无缺陷的产品,混凝土抗压强度符合设计要求,尺寸及允许偏差,内水压检验符合优等品指标,外压荷载达到规定要求时,按优等品验收。6.4.2一等品
符合4.3.1、4.3.2规定无缺陷的产品,混凝土抗压强度符合设计要求,尺寸及允许偏差、内水压检验项目中符合一等品指标者,外压荷载达到要求时,按一等品验收。6.4.3合格品
外观质量有缺陷,但在4.3.3规定的允许修补范围之内的产品,混凝土抗压强度符合设计要求,尺寸及允许偏差,内水压检验项目中符合合格品指标者,外压荷载达到规定等级要求时,按合格品验收。7标志、包装、运输与存
7.1标志与出厂证明书
7.1.1标志
在管子外表面用打凹印或涂上防水油漆的方法注明标志,标志示例:7.1.2出厂证明书
生产厂名称王产 攀记月百(严禁碰撞)标记
凡经检验合格的产品,应按规定填写出厂证明书,其内容为:a)证明书编号;
b)管子标记:
c)产品规格及数量,
d)外观及尺寸检验报告;
e)混凝土抗压强度检验报告;
f)物理力学性能检验报告;
g)生产厂检验部门负责人及检验人员签章。7.2包装
根据用户要求,可用草绳或软织物包扎管子两端,以防止碰撞损坏管子。7.3运输
管子在装卸、起吊、运输过程中,应轻起轻落,严禁碰撞。7.4贮存
管子按接口型式、规格及生产顺序分批堆放,堆放场地应平整,堆放层数一般应不超过表14的规定。
表14产品堆放层数
公称内径DN
600~900
1000~1350
1500~1800
2 000~3 000
小提示:此标准内容仅展示完整标准里的部分截取内容,若需要完整标准请到上方自行免费下载完整标准文档。