首页 > 建筑材料行业标准(JC) > JC/T 641-1996 装饰混凝土砌块
JC/T 641-1996

基本信息

标准号: JC/T 641-1996

中文名称:装饰混凝土砌块

标准类别:建筑材料行业标准(JC)

标准状态:已作废

发布日期:1996-07-10

实施日期:1997-01-01

作废日期:2008-12-01

出版语种:简体中文

下载格式:.rar.pdf

下载大小:180259

相关标签: 装饰 混凝土 砌块

标准分类号

标准ICS号:建筑材料和建筑物>>建筑材料>>91.100.30混凝土和混凝土制品

中标分类号:建材>>建材产品>>Q14混凝土制品

关联标准

替代情况:被JC/T 641-2008代替

出版信息

出版社:中国建材工业出版社

页数:7页

标准价格:10.0 元

出版日期:1997-01-01

相关单位信息

起草人:谢尧生、沈淇周、王武祥、夏桂清、吴志远、马志久

起草单位:中国建筑材料科学研究院房建材料与混凝土研究所

提出单位:国家建筑材料工业局

发布部门:国家建筑材料工业局

标准简介

本标准规定了装饰混凝土砌块的产品分类、等级与标记、材料、技术要求、试验方法、检验规则及标志、堆放、运输等。本标准主要适用于建筑和市政等工程用的水泥混凝土装饰砌块(以下简称装饰砌块),如劈离、凿毛、条纹、磨光、坍陷、雕塑和露集料等预先经过饰面加工的装饰砌块。不适用于表面涂敷着色的装饰砌块。 JC/T 641-1996 装饰混凝土砌块 JC/T641-1996 标准下载解压密码:www.bzxz.net

标准图片预览

JC/T 641-1996 装饰混凝土砌块
JC/T 641-1996 装饰混凝土砌块
JC/T 641-1996 装饰混凝土砌块
JC/T 641-1996 装饰混凝土砌块
JC/T 641-1996 装饰混凝土砌块

标准内容

中华人民共和国建材行业标准
装饰混凝土砌块
JC/T641—1996
国家建筑材料工业局1996-07-10批准并发布1997-01-01实施Www.bzxZ.net
1范围
本标准规定了装饰混凝土砌块的产品分类、等级与标记、材料、技术要求、试验方法、检验规则及标志、堆放、运输等。本标准主要适用于建筑和市政等工程用的水泥混凝土装饰砌块(以下简称装饰砌块),如劈离、凿毛、条纹、磨光、陷、雕塑和露集料等预先经过饰面加工的装饰砌块。不适用于表面涂敷着色的装饰砌块。2引用标准
GB 175
GB 411
硅酸盐水泥、普通硅酸盐水泥
混凝土小型空心砌块检验方法
GB 1344
GB1596
GB 2015
GB8076
GB8239
矿渣硅酸盐水泥、火山灰质硅酸盐水泥及粉煤灰硅酸盐水泥用于水泥和混凝土中的粉煤灰
白色硅酸盐水泥
混凝土外加剂
混凝土小型空心砌块
GB12958
复合硅酸盐水泥
GB/T14684
建筑用砂
GB/T14685
建筑用卵石和碎石
轻集料混凝土小型空心砌块
GB15229
3术语
3.1劈离砌块
具有一定强度的砌块,用劈离机沿特定的面劈开为两部分,劈开的表面带有纹理并呈凹凸形貌的砌块。
3.2凿毛砌块
用高速喷砂或机械冲击砌块的表面,使水泥砂浆脱落成露出一个个小坑的砌块。类似天然石火焰烧毛的装饰效果。
3.3条纹砌块
具有一定强度的砌块,用机械在表面铣出横的、竖的、交叉的细纹的砌块。其装饰效果类似刹斧石。
3.4磨光砌块
用研磨机将砌块的表层砂浆磨掉,呈光滑的表面,并露出集料。装饰效果类似磨光的花岗石和水磨石。
3.5陷砌块
刚成型好的砌块,在适当垂直压力下稍被压塌成鼓胀状的砌块,又称鼓形砌块。3.6雕塑砌块
用带沟、槽、肋、块、弧形和角形等特制模箱制成的砌块。这些砌块及其组合将构成不同的图案和外形。
3.7露集料砌块
表面裸露集料的砌块。
4分类、等级和标记
4.1分类
装饰砌块分为砌体装饰砌块(包括实心装饰砌块、代号S。和空心装饰砌块,代号K。)和贴面装饰砌块(代号T。)。对不同装饰面,应在代号前面冠以饰面名称。4.2等级
4.2.1砌体装饰砌块按抗压强度分为1.5,2.5,3.5,5.0,7.5,10.0,15.0,20.0,25.0,30.0等十个等级。
4.2.2装饰砌块按抗渗性和相对含水率分为普通型(P)和防水型(F)。4.2.3装饰砌块按外观质量分为优等品(A)、一等品(B)和合格品(C)。4.3规格尺寸
4.3.1装饰砌块长度、高度和宽度的基本尺寸列于表1。也可按建筑墙体模数以及与用户协商的尺寸确定。
基本尺寸
590490390290190
29024019014090
研体装饰砌块S。、K。
贴面装饰砌块T.
mm表1
240190
4.3.2空心装饰砌块(K。)最小外壁厚应不小于30mm,最小肋厚应不小于25mm。4.4标记
按产品代号、规格尺寸、强度等级、型别、质量等级和本标准编号顺序进行标记。示例:
a)尺寸390mm×190mm,抗压强度7.5级,要求抗渗,相对含水率≤45%(防水型),外观质量优等品,劈离空心装饰砌块的标记为:劈离K,390×1907.5F(≤45%)AJC/T641b)尺寸490mm×240mm,抗折强度4.0MPa,无抗渗和相对含水率要求(普通型),外观质量合格品,劈离贴面装饰砌块的标记为:劈离T。490X2404.0PCJC/T641
c)尺寸590mm×290mm,抗压强度25.0级,无抗渗和相对含水率要求(普通型),外观质量一等品,凿毛实心装饰砌块的标记为:凿毛S.590×29025.0PBJC/T641
5材料
5.1水泥
应符合GB175,GB1344,GB2015,GB12958的规定。5.2集料
5.2.1细集料
应符合GB/T14684的规定。
5.2.2粗集料
应符合GB/T14685的规定。
5.2.3轻集料
应符合GB15229有关轻集料的规定。5.2.4色质集料
为提高装饰效果,可采用经加工的天然色质集料以及尾矿渣等副产色质集料,所用色质集料不得影响装饰砌块的物理力学性能和耐久性。5.3外掺料
外加剂应符合GB8076的规定;粉煤灰应符合GB1596的规定。5.4颜料
对装饰砌块用混凝土着色时,应使用耐碱、耐气候性好的颜料。5.5水
清洁水。
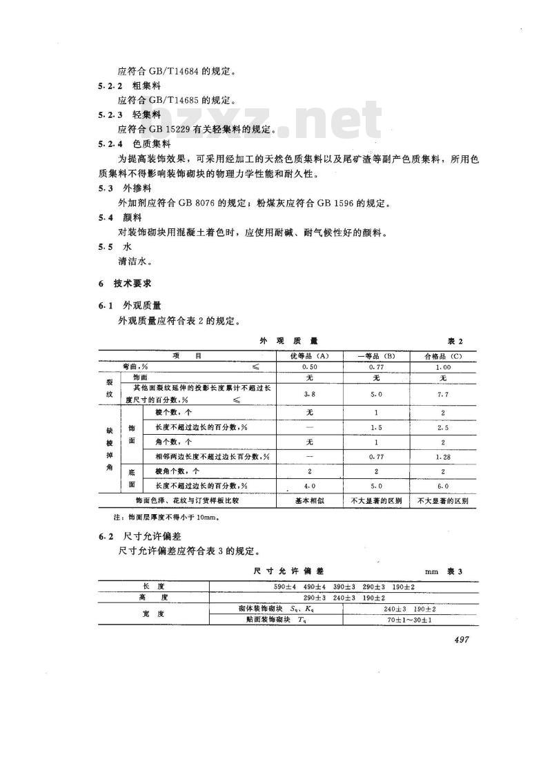
6技术要求
6.1外观质量
外观质量应符合表2的规定。
外观质量
弯曲,%
其他面裂纹延伸的投影长度累计不超过长度尺寸的百分数,%
校个数,个
长度不超过边长的百分数,%
角个数,个
相邻两边长度不超过边长百分数,%棱角个数,个
长度不超过边长的百分数,%
饰面色泽、花纹与订货样板比较注:饰面层厚度不得小于10mm。6.2尺寸允许偏差
尺寸允许偏差应符合表3的规定。优等品(A)
基本相似
尺寸允许偏差
一等品(B)
不大显著的区别
合格品(C)
不大显著的区别
590±4490±4390±3290±3190±2290±3240±3190±2
砌体装饰橱块S.、K。
240±3190±2
贴面装饰砌块Ta
70±1~30±1
6.3强度
(,3.1砌体装饰砌块的抗压强度应符合表4的规定。抗压强度
五块平均三
空心装饰块
掌块最小值
MPa表4
五块平均催弹块最小值
实心装饰砌块
贴面装饰砌块的强度以抗折强度确定,五筷平均值应不小手4.OMPa,单块最小值 3.2
应不小于3.2MPa。
6.4相对含水率
相对含水率应符合表5的规定。
相对含水率
6.5抗渗性
抗渗性应符合表6的规定。
6.6抗冻性
使用绝区的年平均爆度
50%~75%
统灌性
水面下降高度,mm
对非采暖地区不作规定,对采暖地区抗冻标号为D25。重量损失率不超过5%,强度损失率不超过25%。
试验方法
7.1外观
7.1.1弯曲、裂纹、缺楼掉角
按GB411规定进行。
7.1.2饰面色泽、花纹
用订货时商定样板与产品垂直并列放置,室外自然光线下距1.5m处目测。7.2尺寸偏差
7.2.1长度和商度
按GB411规定进行。
7.2.2宽度
饰面为平面时,按GB411测量;饰面为毛面时,测量饰面凹处至背面的距离。7.3抗压强度
按GB411的规定进行。
7.4抗折强度
7.4.1试件
7.4.1.1试件数量为五个贴面装饰砌块。7.4.1.2饰面处理
对凹凸不平的饰面,须在宽度方向加荷的中间处切磨出一条宽度大于30mm的平面,切磨后的宽度为试件规定的宽度。对装饰面为平面的不作处理。7.4.2试验
将试件放置在试验机的支承座上。两支承点至端部的距离:试件长度尺寸≥490mm为50mm;试件长度尺寸≤490mm为30mm。以每秒300N的速度加荷至试件折断(见图1),记录破坏荷重。
7.4.3结果计算与评定
按下式计算抗折强度R折(MPa),精确至0.1MPa。R折=
式中  P-
-破坏荷重,N;
L.—两支承点间的距离,mm;
试件高度,mm;
b-试件宽度,mm。
抗折强度以五个试件抗折强度的算术平均值表示,并列出单块试件的最小值。7.5相对含水率
按GB8239的规定进行。
7.6抗渗性
按GB411的规定进行。
7.7抗冻性
试件五块,按GB411的规定进行。8检验规则
8.1批量
同一花色品种、强度、质量等级和尺寸的装饰砌块,以5000块为一批,班产不足5000块时,亦按一批计。
8.2抽样方法
8.2.1外观及尺寸偏差检验的试件,从一批装饰砌块中随机抽取50块。499
8.2.2物理力学性能检验的试件,从外观及尺寸偏差检验合格的试件中随机抽取16块,试验龄期为28d。蒸养试件龄期为出窑后1d。8.3判定规
8. 3.1外观
按照表2等级规定,抽验的50块试件中,不符合某等级规定的要求不超过七块时,判该批为相应等级,否则判为不合格。8.3.2尺寸及偏差
按6.2规定,抽验的50块试件中不符合规定的要求不超过七块时,判该批为合格,否则为不合格。
8.3.3抗压强度
符合表3中某一抗压强度值时,判该批为相应的强度等级。8.3.4抗折强度、相对含水率、抗渗性及抗冻性分别符合6.3.2,6.4,6.5,6.6的规定时,判该批为合格,否则为不合格。8.3.5综合判定
各项性能全部符合某一等级时,判为相应等级。9标志、堆放和运输
9.1出厂产品应附有合格证书,标明生产厂名称、产品标记以及批量编号、生产日期。9.2产品提前出厂,必须达到规定强度的80%。9.3应按产品标记分别堆放。堆放期间,不得弄脏饰面。9.4装运时要靠紧挤实。用吊车托架运输时,应捆扎牢固,避免碰撞、擦伤饰面。卸货时,严禁抛掷。
附加说朋:
本标准由中国建筑材料科学研究院房建材料与混凝土研究所、上海银泰置业股份有限公司、国营四川绵竹机械广,北京混凝土制品二厂负责起草。本标准主要起草人:谢尧生、沈淇周、王武祥、夏桂清、吴志远、马志久。本标准委托中国建筑材料科学研究院房建材料与混凝土研究所负责解释。500
小提示:此标准内容仅展示完整标准里的部分截取内容,若需要完整标准请到上方自行免费下载完整标准文档。