首页 > 建筑材料行业标准(JC) > JC/T 643-1996 化学分析燃烧管
JC/T 643-1996

基本信息

标准号: JC/T 643-1996

中文名称:化学分析燃烧管

标准类别:建筑材料行业标准(JC)

标准状态:现行

发布日期:1996-07-25

实施日期:1996-12-01

出版语种:简体中文

下载格式:.rar.pdf

下载大小:156264

相关标签: 化学分析 燃烧

标准分类号

标准ICS号:玻璃和陶瓷工业>>陶瓷>>81.060.20陶瓷制品

中标分类号:建材>>陶瓷、玻璃>>Q32特种陶瓷

关联标准

替代情况:原标准号GB 2936-1982

出版信息

页数:7页

标准价格:14.0 元

相关单位信息

起草人:沈际康、郑君乾、杨京生、袁振琦、都大元

起草单位:国家建筑材料工业局山东工业陶瓷研究设计院

提出单位:全国工业陶瓷标准化技术委员会

发布部门:国家建筑材料工业局

标准简介

本标准规定了化学分析燃烧管的分类,技术要求,试验方法,检验规则和标志、包装、运输、贮存等。本标准适用于钢铁化学分析用陶瓷燃烧管,也适用于其它化学分析所用的陶瓷燃烧管(以下简称燃烧管)。 JC/T 643-1996 化学分析燃烧管 JC/T643-1996 标准下载解压密码:www.bzxz.net

标准图片预览

JC/T 643-1996 化学分析燃烧管
JC/T 643-1996 化学分析燃烧管
JC/T 643-1996 化学分析燃烧管
JC/T 643-1996 化学分析燃烧管
JC/T 643-1996 化学分析燃烧管

标准内容

中华人民共和国建材行业标准
JC/T643-1996
化学分析燃烧管
1996-07-25发布
国家建筑材料工业局
标准捷图
高类标准行业资料鱼费下牵
1996-12-01实施
JC/T643—1996
本标准是对GB2936-82《钢铁化学分析燃烧管》的修订版。在技术要求方面,本标准非等效采用JISR1307-87《化学分析用陶瓷燃烧管》。在该标准修订过程中,对原版标准中的产品分类、尺寸公差等内容进行了变动:增加了产品气密性要求;并对型式检验的条件及周期作了规定。本标准从1996年12月1日起实施。自本标准实施之日期起,原GB2936-82《钢铁化学分析燃烧管》作废。本标准由全国工业陶瓷标准化技术委员会提出。本标准由国家建筑材料工业局山东工业陶瓷研究设计院负责起草。本标准主要起草人:沈际康郊君乾杨京生袁振琦都大元本标准首次发布于1982年。
1范围
中华人民共和国建材行业标准
化学分析燃烧管
JC/T643-1996
本标准规定了化学分析燃烧管的分类,技术要求,试验方法,检验规则和标志、包装、运输、贮存等本标准适用于钢铁化学分析用陶瓷燃烧管,也适用于其它化学分析所用的陶瓷燃烧管(以下简称燃烧管)。
2产品分类
2.1燃烧管按其使用温度分为4类,见表1。表1
1类燃烧管
2类燃烧管
3类燃烧管
A类燃烧管
使用温度,C
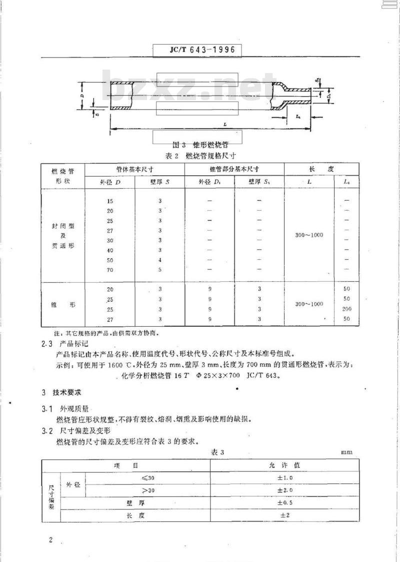
2.2根据燃烧管的形状分为封闭型、贯通型和锥形3种,分别用F、T和Z作代号,其形状规格见图1、图2、图3和表2。
封闭型炉管
贯通型炉管
国家建筑材料工业局1996-07-25批准准报图
类标准行业资料免费下
1996-12-01实施
燃烧管
封闭型
贯通形
管体基本尺寸
外径D
JC/T643-1996
图3锥形燃烧管
表2燃烧管规格尺寸
锥管部分基本尺寸
壁厚s
注,其它规格的产品,由供需双方协商。2.3产品标记
外径 D
产品标记由本产品名称、使用温度代号、形状代号、公称尺寸及本标准号组成。长
300~1000
300~1000
示例:可使用于1600℃,外径为25mm、壁厚3mm、长度为700mm的贯通形燃烧管,表示为化学分析燃烧管16T@25X3×700JC/T643。3技术要求
3.1外观质量
燃烧管应形状规整,不得有裂纹、熔洞、烟熏及影响使用的缺损。3.2尺寸偏差及变形
燃烧管的尺寸偏差及变形应符合表3的要求。表3
尺寸偏差
充许值
3.3物理性能
JC/T643-1996
续表3
允许值
3.3.1耐急冷急热性
燃烧管经1300℃(4类燃烧管为1000℃)至室温3次急冷急热循环无炸裂、剥落现象。3.3.2气密性
燃烧管在气密性试验10min期间,压力变化小于0.13kPa。3.3.3吸水率
燃烧管的吸水率应不大于0.2%。3.3.4耐高温性
燃烧管在耐高温试验中产生的弯曲,不大于1mm。4试验方法
4.1外观质量检查
用目测进行。
4.2尺寸和变形检查下载标准就来标准下载网
用精度至少为0.05mm的游标卡尺在燃烧管端部测量管子外径,在互成90°的方向上测量两次,取平均值作为结果,测量管壁厚度最大值和最小值,作为管子壁厚测量结果,测量管子任一端及中部的最大外径和与其成90℃方向的外径,以其差值作为圆度测量结果。用精度为1mm的钢卷尺测量管子长度。将平尺与管壁相贴,转动360°,用塞尺测量管子与平尺的最大间隙,作为管子直度测量结果。4.3耐急冷急热性试验
将管子以每分钟约1000mm的速度插入1300±10℃(4类燃烧管为1000±10℃)的高温炉中,等温区至少200mm.插入端为密封端或锥形端,贯通型管为任一端。插入深度不小于200mm,管子两端支起·在炉中保温10min后取出置于绝热耐火材料制成的支架上,在空气中冷却至室温。目测检查有无裂纹及剥落重复上述过程3次。
4.4气密性试验
将贯通形管子一端或锥形管锥形端妥善密封,用真空胶管使管子开口端与真空系统连接,使管子内部真空度达到1.3kPa,关闭旋塞,保持10min,用刻度为10Pa的U形压力计测定管子内部真空度的变化值。
4.5吸水率试验
从燃烧管开口端切取长30~50mm的管段作为试样,将试样在105±5℃的温度下烘干至恒重,称量精确至0.001g,将试样置于蒸馏水中加热并煮沸2h。冷却至室温后取出试样.用拧于的湿纱布擦去试管内外表面的水份,迅速称量,按式(1)计算吸水率:A=\=m×100
式中:A一-试样吸水率,%;
干燥试样的质量,g
一饱含水时试样的质量,g:
每根管上取二个试样,以平均值作为该管吸水率试验结果。标准控提图
各类标准行业涤科免费下级
4.6耐高温性试验
JC/T643-1996
管子长度大于600mm时,取长度600mm的管段作试样,管长小于或等于600mm时直接用管子作试样。测量直度后,将其置于温度为管子使用温度(主10C)的炉中的两支架上,支点间距为试样长度减100mm。保温3h后取出,冷却后测量管子的直度的变化值,5检验规则
5.1检验分类
5.1.1型式检验
当有GB1.3中6.6.1所列情况之一时或正常生产达1年,应进行型式检验,其检验项目包括本标准技术要求的所有项目。
5.1.2出厂检验
检验项目包括外观质量、直度和尺寸、耐急冷急热性、吸水率。5.2组批和抽样规则
5.2.1组批
以相同工艺条件生产的同一规格的300~500支燃烧管作为一批,少于300支时由供需双方协商验收方法。
5.2.2抽样
5.2.2.1用随机抽样方法从-批燃烧管中抽取表4中规定的样本,进行外观质量和尺寸及变形检验。5.2.2.2从经过外观质量和尺寸及变形检验合格的管子中随机抽取物理性能检验用样本。吸水率、气密性、耐急冷急热性,耐高温性试验各用三支管进行。燃烧管长度足够长时,可从同一支管上制取不同试验项目所用试样。气密性试验后的试样可用于其它项目试验。5.3判定规则
5.3.1燃烧管的外观质量和尺寸及变形按表4判定:当有任何一项物理性能不符合3.3要求时.加信取样,就不合格项进行复验。
样本大小
检验项目
外观质量
尺寸及变形
判定组数
判定数
不合格
判定数
第二判定组数
判定数
不台格
判定数
复验结果仍不合格,或外观质量、尺寸与变形有任何一项不合格时,均判定这批管为不合格产品。
6标志、包装、运输和贮存
6.1每支燃烧管上应标有产品商标或生产厂名,发货时每个包装应出具产品合格证,其中应载明以下内容:
a)生产厂名称和厂址;
b)产品标记和生产年月;
c)使用标准编号:
d)检验部门和检验人员签章。
6.2包装
JC/T643-1996
产品应按不向类别、规格分别包装。产品应用木箱或纸箱包装,箱内应有垫物(如泡沫塑料等)塞紧,使每支燃烧管隔开,箱外应标有防雨、易碎标记。6.3运输
在运输时尽量使用厢车.用散车时应用帆布覆盖,装卸时应小心轻放,严禁抛掷。6.4贮存
产品在室内按不同类别、规格分别贮存。标准搜授图hm各类标准行业资料免费下等中华人民共和国建材
化学分析燃烧管
JC/T643-1996
国家建筑材料工业局标准化研究所出版发行地址:北京朝阳区管庄
邮政编码:100024
电话:65755125
机械科学研究院标准出版中心印刷版权专有不得翻印
开本880×12301/16印张1/2字数8.0001996年10月第一版1996年10月第一次印刷编号1056
准搜授图h各类标准行业资料象
小提示:此标准内容仅展示完整标准里的部分截取内容,若需要完整标准请到上方自行免费下载完整标准文档。