首页 > 建筑材料行业标准(JC) > JC/T 645-1996 三元丁橡胶防水卷材
JC/T 645-1996

基本信息

标准号: JC/T 645-1996

中文名称:三元丁橡胶防水卷材

标准类别:建筑材料行业标准(JC)

标准状态:现行

发布日期:1996-12-29

实施日期:1997-03-01

出版语种:简体中文

下载格式:.rar.pdf

下载大小:180395

相关标签: 三元 橡胶 防水 卷材

标准分类号

标准ICS号:建筑材料和建筑物>>建筑材料>>91.100.50粘合料、密封材料

中标分类号:建材>>建材产品>>Q17屋面、铺面防水与防潮材料

关联标准

采标情况:JIS A6008-1992 NEQ

出版信息

出版社:中国标准出版社

页数:7页

标准价格:10.0 元

相关单位信息

起草人:唐国梁、杨斌、于路、孙碧宜、白玉凤、秦玉修、唐晨凤

起草单位:辽宁省丹东市双鸭三元丁防水公司、国家建筑材料工业局标准化研究所

提出单位:国家建筑材料工业局

发布部门:国家建筑材料工业局

标准简介

本标准规定了三元丁橡胶防水卷材的定义、产品分类、技术要求、试验方法、检验规则、包装、标志、贮存与运输等本标准适用于三元丁橡胶防水卷材。 JC/T 645-1996 三元丁橡胶防水卷材 JC/T645-1996 标准下载解压密码:www.bzxz.net

标准图片预览

JC/T 645-1996 三元丁橡胶防水卷材
JC/T 645-1996 三元丁橡胶防水卷材
JC/T 645-1996 三元丁橡胶防水卷材
JC/T 645-1996 三元丁橡胶防水卷材
JC/T 645-1996 三元丁橡胶防水卷材

标准内容

中华人民共和国建材行业标准
三元丁橡胶防水卷材
645-1996
国家建筑材料工业局1996-12-29批准并发布1997-03-01实施
前·言
本标准是在总结我国研制开发、生产使用三元丁橡胶防水卷材实践经验,经过试验验证的基础上制定的。无同类产品的国外先进标准可等同、等效采用。在标准编写上采用GB/T1.1-1993《标准化工作导则第一单元:标准的起草与表述规则第1部分:标准编写的基本规定》的表达形式。
本标准产品的规格尺寸、技术要求、试验方法等参考了JISA6008-1992《合成高分子屋面防水片材》等国外标推,尽可能与国内现行的防水卷材标准相致,并规定了抗老化性熊指标,以满足国内防水工程的要求与适应国内外贸易发展的需要。本标准作为推荐性标准实施
本标准负贵起草单位:辽宁省丹东市双鸭三元丁防水公司、国家建筑材料工业局标准化研究所。
本标准参加起草单位:湖南省南县新型防水材料公司、山东莱芜钢城三元丁防水卷材厂、吉林省辽源市新型建筑材料厂、辽宁省盘锦大正防水材料厂、内蒙古赤峰市三星防水材料公司、辽宁省彰武县建筑防水材料广。本标准主婴起草人:唐国梁、杨斌、于路、孙碧宜、曲玉凤、秦玉修、唐晨凤。本标准首次发布。
1范围
本标准规定了三元丁橡胶防水卷材的定义、产品分类、技术要求、试验方法、检验规则、包装、标志、贮存与运输等。本标准适用于三元丁橡胶防水卷材。2引用标准
下列标准所包含的条文,通过在本标准中引用而构成为本标准的条文。本标准出版时,所示版本均为有效。所有标准都会被修订使用本标准的各方面应探讨使用下列标准最新版本的可能性。
GB326—89石油沥青油毡、油纸
GB328—89沥青防水卷材试验方法GB528—92硫化橡胶和热塑性橡胶拉伸性能的测定GB12952—91聚氯乙烯防水卷材
GB/T14686--93石油沥青玻璃纤维胎油毡屋顶橡胶防水材料三元乙丙片材HG2402-92
3定义
三元丁橡胶防水卷材是以废旧丁基橡胶为主,加入丁酯作改性剂,丁醇作促进剂加工制成的无胎卷材(简称“三元丁卷材”)。4产品分类
4.1规格
产品规格见表1。
规格尺寸
厚度,mm
宽度,mm
注:其他规格尺寸由供需双方协商确定。4.2等级
长度,m
厚度,mm
产品按物理力学性能分为一等品(B)和合格品(C)。4.3标记
产品按产品名称、厚度、等级、标准编号顺序标记。示例:厚度为1.2mm、一等品的三元丁橡胶防水卷材标记为:三元丁卷材1.2BJC/T645
4.4用途
宽度,mm
长度,m
三元丁橡胶防水卷材适用于工业与民用建筑及构筑物的防水,·尤其适用于寒冷及温差变化较大地区的防水工程。
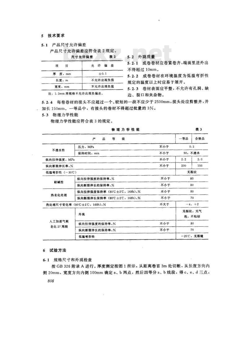
5技术要求
5.1产品尺寸允许偏差
产品尺寸允许偏差应符合表2规定。尺寸允许偏差
厚斑,m
长度,m
宽度,mm
允许偏差
不允许出现负筐
不充许出现负值
注:1.2mm厚规格不充许出现负偏差,5.2外观质量
5、2.美成卷卷材应卷紧卷齐,端面里进外出不得超过10mm。
5.2.2成卷卷材在环境温度为低温弯折性规定的温度以上时应易于展开。5.2.3卷材表面应平整,不充许有孔洞、缺边、毅口和夹杂物。
5.2.4每卷卷材的接头不应超过一个。较短的-段不应少于2500mm,接头处应剪整齐,并加长150mm。等品中,有接头的卷材不得超过批量的3%5.3物理力学性能
物理力学性能应符合表3的规定。物理力学性能
不透水性
纵向拉伸强度,MPa
纵向断囊伸长率,%
低温密折性(-30C)
葡鐵性
热老化处理
压力,MPa
保持时间,min
纵向拉伸强度的保持率,%
纵向断数伸长的保持率,%
纵向拉伸强度保持率(80℃士2℃,168h),%绒间断装伸长保持率(80士2C,168h),%热处理尺寸变化率(80℃士2℃,188h),%外观
人工加速气候
老化27阁期
6试验方法
纵向拉伸强度的保持率,%
纵向断裂伸长的保持率,%
低温弯折性
6.1规格尺寸和外观检查
不小于
不小手
不小于
不小子
不小于
不小于
不小子
不小于
不大于
不小于
不小于
合格品
90,不透水
无裂纹
4,+2
无裂纹,无气
泡,不粘结
-20℃,无数缝
按GB326附录A进行。厚度测定按图1所示,从距离卷首3m处切断,从长度方向内侧20mm,宽度方向内侧100mm确定a、b两点,然后四等分a、b线段,得c、e、d三点808
用0.01mm的千分尺或测厚计测量5点的厚度,计算其算术平均值即为厚度测定值,取值至小数点后两位。
切断线
中心綫
图1厚度的测定
6.2物理力学性能
6.2.1状态调节和标推环境
温度:23℃±2℃;
相对湿度:45%~55%;
单位:mm
试验前卷材应进行状态调节,调节时间不少于16h,仲裁检验时不少于96h。6.2.2取样
从被检测厚度的卷材上切取0.5m的样品置于6.2.1规定的条件下进行状态调节,然后按图2与表4切取所需要的试样。耐碱性与热处理尺寸变化率的试样按HG2402切取;热老化处理的试样按GB12952切取;人工加速气候老化的试样按GB/T14686附录B切。
横向1000
图试样切敢部位示意图
6.2.3不透水性
按GB12952进行。但升压、力保持、御压按GB328.3进行。6.2.4纵向拉伸强度和纵向断裂延伸率单:鞋
按GB528进行,各取六个试样试验结果的算术平均值作为测定结果。试件尺寸和数业表
试验项目
不透水性
纵间拉伸强度,伸长率
低滋弯折性绒向
耐碱性
热酱化处理
热处理尺寸变化率
人工加速气候老化
6.2.5低温弯折性和热老化处理
试件部位
试件尺寸
150×150
按GB5281型裁刀
50×100
按HG2402
300×200
100×100
300×70
按GB12952进行。热老化处理试样共六个。舞三个试样为一组。组进行热老化处理;一组在标准环境下进行试验:测其试验结乐,取3个试验结果的算术平均值为测定结果,计算其纵向拉伸强度与断裂延伸率的保持率。6.2.6耐碱性和热处理尺寸变化率按HG2402进行。耐碱性采用饱和的Ca(OH)z溶液。7检验规则
7.1检验分类
7.1.1出厂检验项目包括规格尺寸、外观、不透水性、纵间拉伸强度、纵向断裂伸长率、低温弯折性。
7.1.2型式检验项目包括技术要求中的全部项目。有下列情况之一时,应进行型式检验:a)产品试制定型鉴定与批量生产时b)正常生产时,如产品用的原材料、配方或工艺等发生较大改变,可能影响产品质量时#
)产品停产超过6个月后恢复生产:d)正常生产,每年进行一次型式检验,其中人工加速气候老化两年进行一次;e)出厂检验结果与上次型式检验结果发生较大差异时;f)国家质量监督机构提出进行型式检验要求时。7.2组批与抽样bZxz.net
以同规格,同等级的卷材300卷为一批,不足300卷时亦可作为批计,从每批产品中任取三卷进行检验。
7.3判定规
7.3.1规格尺寸和外观质量
检查三卷的规格尺寸、外观全部符合5.1,5.2要求时则判为合格;若有1项指标未达810
到要求时,则应从同批产品中再任取六卷进行检查,全部符合标准要求时,则判为合格;若仍有1项指标未达到要求时,则判该批产品不合格。7.3.2物理力学性能
从规格尺寸、外观检查合格的卷材中任取一卷作物理力学性能检验。检验结果符合表3相应等级指标时,则判为该等级。若有1项指标不符合标准要求时,则在另一卷上重新取样对该项指标进行复验,达到要求时,则判为该等级;若仍未达到要求,则判该批产品降等或不合格。
8包装和标志
8.1产品应在硬质卷芯上卷紧包装,每卷卷材应沿包装纸面的整个宽度包装,两端未包装长度不得超过5mm。
8.2每卷产品包装上应清楚标明下列内容:a)生产厂名;
b)商标;
c)产品标记;
d)生产日期与批号;
e)贮存与运输注意事项。
贮存和运输
9.1不同规格、等级的产品不应混放。9.2卷材应在室内干燥、通风的环境下平放贮存,垛高不得超过1m。9.3运输时产品必须平放成垛,垛高不应超过1m,不得倾斜,必要时加盖苦布。9.4在正常运输与贮存条件下,产品自生产之日起计算,贮存期为一年。811
小提示:此标准内容仅展示完整标准里的部分截取内容,若需要完整标准请到上方自行免费下载完整标准文档。