首页 > 建筑材料行业标准(JC) > JC/T 646-1996 玻璃纤维氯氧镁水泥通风管道
JC/T 646-1996

基本信息

标准号: JC/T 646-1996

中文名称:玻璃纤维氯氧镁水泥通风管道

标准类别:建筑材料行业标准(JC)

标准状态:已作废

发布日期:1996-12-29

实施日期:1997-03-01

作废日期:2006-11-01

出版语种:简体中文

下载格式:.rar.pdf

下载大小:491438

相关标签: 玻璃纤维 水泥 通风管道

标准分类号

标准ICS号:流体系统和通用件>>23.040管道部件和管道

中标分类号:建材>>建材产品>>Q14混凝土制品

关联标准

替代情况:被JC/T 646-2006代替

出版信息

页数:22页

标准价格:19.0 元

相关单位信息

标准简介

JC/T 646-1996 玻璃纤维氯氧镁水泥通风管道 JC/T646-1996 标准下载解压密码:www.bzxz.net

标准图片预览

JC/T 646-1996 玻璃纤维氯氧镁水泥通风管道
JC/T 646-1996 玻璃纤维氯氧镁水泥通风管道
JC/T 646-1996 玻璃纤维氯氧镁水泥通风管道
JC/T 646-1996 玻璃纤维氯氧镁水泥通风管道
JC/T 646-1996 玻璃纤维氯氧镁水泥通风管道

标准内容

JC646-1996
本标准是总结我国多年来玻璃纤维氯氧镁水泥通风管、道生产、应用的实践经验,吸取科研及技术革新的成果,在调查研究、试验验证的基础上制订的。制订《玻璃纤维氟氧镁水泥通风管道》行业标准,在我国属首次。国际标准化组织至今尚无此产品标准。
本标准作为强制性行业标准实施。本标准的附录 A,附录 B、附录 C、附录 D、附录 E都是标准的附录;附录 F 是提示的附录。本标准自1997年3月1日起实施,1997年3月1日起所有在建筑中采用的玻璃纤维氯氧镁水泥通风管、道均应符合本标准的规定。本标准由全国水泥制品标准化技术委员会提出。本标准由全国水泥制品标准化技术委员会归口。本标准负责起草单位:辽宁省建筑材料科学研究所、国家建筑材料工业局标准化研究所。本标准参加起草单位:浙江省嵊州市防火材料厂、浙江省建筑科学设计研究院、沈阳市人防新型材料厂、江苏省常州市玻璃钢厂、山东省武城华能玻璃钢制品有限公司、杭州东新通风设备厂、沈阳市惠星阻燃材料厂、成都市新木通风净化设备厂、成都红光空调净化设备制造公司、安徽省泾县玻璃钢工业公司。
本标准主要起草人:刘孟兴、支洋波、杨祥坤、吕筱曼、李怀志、邹永国、丁钦翔、冯中原,吴立庆、王玉芝、黄先政、李延西、范民、朱小生、丁渊。本标雄首饮发布。
下减造罗网
1范围
中华人民共和国建材行业标准
玻璃纤维氯氧镁水泥通风管道
JC 646—1996
本标准规定了玻璃纤维氯氧镁水泥通风管、道的产品分类、规格、技术要求、试验方法,检验规则和标志、运输、贮存。
本标准适用于以改性氯氧镁水泥为胶结材料,以中碱或无碱玻璃纤维布为增强材料,而制成的通风与空调管道、防、排烟管。
2引用标准
下列标准所包含的条文,通过在本标准中引用而构成为本标准的条文。本标准出版时,所示版本均为有效。所有标准都会被修订,使用本标准的各方应探讨使用下列标准最新版本的可能性。GB5464—1985建筑材料不燃性试验方法GB8624—1988建筑材料燃烧性能分级方法GBJ243—1982通风与空调工程施工及验收规范JC/T281--1994无碱玻璃纤维无粗纱布JC/T449--1991建筑材料用菱苦土JC 561—1994玻璃纤维网布
JC/T576--1994中碱玻璃纤维无捻粗纱布3产品分类
3.1分类
玻璃纤维氯氧镁水泥通风管、道按用途分为P类和D类。P类主要应用于公用建筑、人防工程以及一般需要安装通风及空调设施的工业厂房和矿井等的通风管、防、排烟管。
D类主要应用于往宅建筑的通风、排油烟风道。3.2分级
玻璃纤维氯氧镁水泥通风管、道根据其物理力学性能与外观质量分为两个等级:一等品(B)和合格品(C)。
3.3规格
3.3.1通风管、道制作尺寸应符合GBJ243--1982中2.1.1~2.1.4的规定。风管型式分矩形风管和圆形风管。风普各管段的连接应采用可拆卸的形式。管段长度宜为2~3m;圆形风管直径或矩形风管大边长大于1.5m时,管段长度可适当缩短。3.3.2P类风管规格尺寸应符合表1规定。异径管、异形管、弯头、三通、四通等通风管件的规格尺寸,应符合按照规定程序批准的设计图纸与文件的规定。国家建筑材料工业局1996-12-29批准484
下减造罗网
1997-03-01实施
圆形风管直径
或矩形风管
大逆长
320~500
530~1000
1060~~1500
1 600~1900
≥200
注:其他规格,由供需双方商定JC646-1996
P类通风管规格尺寸
风管长度
允许偏差
圆形风管直径
或矩形风管的
边长允许偏差
法兰尺寸
3.3.3D类通风道有DI型(双风道)和DⅡ(三风道)两种结构。其风口方向依据设计图纸而定。基本尺寸见表2。
表2D类通风道规格尺寸
尺寸名称
长度(L)
宽度(6)
高度(H)
壁厚(e)
注:其他规格,由供需双方商定3. 4
基本尺寸
2 700-3 000
250~450
150~300
各类玻璃纤维氯氧镁水泥通风管道的代号见表3。表3.通风管,道代号
玻璃纤维氯氧镁水泥通风管道
P类通风管
3.5标记
D类通风道
3.5.1标记方法:标记顺序为产品分类(代号)、规格尺寸、等级和标雄编号。允许偏差
GMVD-P
GMVD-DI
GMVD--D I
3.5.2标记示例:玻璃纤维氯氧镁水泥通风管,截面尺寸500mm×320mm,管段长度2000mm,一等品:
GMVD P 500X320X2 000 B JC 646.4一般要求
4.1玻璃纤维氟氧镁水泥通风管、道必须按膠经规定程序批推的设计图纸和技术文件制作。颜色可为485
标准搜变网。
本色或根据用户需要制作。
JC646—1996
4.2法兰与风管应成一整体,并且与风管轴线成直角。管体和法兰结合平整自然。法兰平面的不平度允许偏差不应大于3mm。
4.3玻璃纤维氟氧镁水泥通风管、道内表面应平整光滑,外表面应整齐美观、厚度均匀、不得有返卤、严重泛霜现象;法兰应边角齐全完整,边缘无毛刺、无起层疏松现象。4.4玻璃纤维布的含量与规格应符合设计要求,或参照本标准附录F(提示的附录)铺置。玻璃纤维布应保持清洁,铺置接缝应错开,4.5风管的开口表面应平整,与设计尺寸的允许偏差不应大于2mm。矩形的开口两对角线之差不应大于3mm,圆形开口任意正交两直径的充许偏差不应大于2mm。4.6保温玻璃纤维氯氧镁水泥通风管可将管壁制成夹层。夹层中保温材料厚度应根据设计要求而定;燃烧性能应符合建筑设计防火规范的规定。4.7主要原材料应符合下列要求:4.7.1菱苦土:应符合JC/T449规定的一等品以上的菱苦土。4.7.2氧化镁:应符合JC/T449附录A的规定。4.7.3玻璃纤维布:应符合JC/T281.JC561、JC/T576的规定。不得使用高碱玻璃纤维布。5技术要求
5.1外观质量
5.1.1P类玻璃纤维氯氧镁水泥通风管的外观质量应符合表4.和表5规定。表4P类通风管外观质量要求
圆形风管直
径或矩形风管
大边长
320~500
530~1 000
1 060~1500
1 600~~1 900
≥2 000
制作尺寸允许偏差不大于
外观质量项目
不平度
管面密集气孔或漏
浆或表面缺棱尺寸
矩形风管管体缺校
法兰的缺极掉角
非贯穿性裂纹
合格品
风管管口
对角线
一等品
合格品
矩形风管对称
面对角线差
一等品
表5P类通风曾外观质量要求
产品等级
一等品
合格品
一等品
合格品
合格品
一等品
合格品
各标注行业来免费票
合格品
矩形风管
垂直偏
一等品
充许范围
不充许
≤10×10充许两处
≤10×10允许一处
≤20×20允许两处
≤10×10充许一处
≤15×15充许—处
不充许
裂纹长度≤40
合格品
外观质量项目
贯穿管壁厚度的裂纹
玻璃纤维棵露
JC646--1996
表5(完)
产品等级
一等品
合格品
合格品
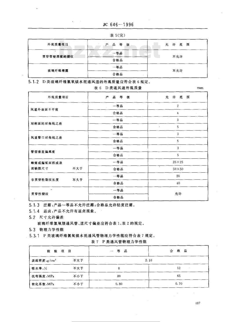
5.1.2D类玻璃纤维氯氧镁水泥通风道的外观质量应符合表6规定。表6D类通风道外观质量
外观质量项目
风道外表面不平度
对称面的对角线之差
风道管口对角线之差
管型垂直偏离度
蜂窝或桨面积或表
面缺损尺寸
非贯穿性裂纹长度
贯穿性裂纹
不大于
不大于
产品等级
一等品
合格品
一等品
合格品
一等品
合格品
一等品
合格品
一等品
合格品
一等品
合格品
一等品
合格品
5.1.3泛霜:产品一等品不允许泛霜:合格品允许轻度泛霜。5.1.4返卤:产品不充许有返卤现象。5.2尺寸允许偏差
玻璃纤维氯氧镁通风管、道尺寸偏差应符合表1、表2的规定。5.3物理力学性能
5.3.1P类玻璃纤维氯氧镁水泥通风管物理力学性能应符合表7规定。表7P类通风管物理力学性能
检验项目
表观密度g/cm
吸水率,%
抗弯强度,MPa
软化系数,MPa
不大于
不大于
不小于
不小于
充许范围
不充许
不充许
允许范围
25×25
合格品
检验项目
管体抗柔
抗冲击性
燃烧性能
出厂含水率,%
性种击免费标准下载网bzxz
法兰抗冲击强度
不小于
不大于
JC 6461996
表7(完)
合格品
20kg 砂 lm 高,自由落下冲击 15次不变形、不破坏25
不燃材料A级
2D类玻璃纤维氯氧镁水泥通风道物理力学性应符合表8规定。5. 3. 2
表8D类通风道物理力学性能
检验项目
垂直承载,kN
抗弯强度,MPa
软化系数,MPa
抗柔性冲击
耐热性
出厂含水率,%
6试验方法
6.1般规定
不小于
不小于
本小于
不大于
6.1.1试件的龄期应大于14天。
6.1.2试件的含水率应小于5%。
合格品
20kg砂袋,500mm自由落下,冲击15次,不变形,不破坏200℃烘箱中烘1h,试样表面无裂纹熟落等外观变化5
6.1.3规格尺寸的测量:圆形风誓、风道以内径为准,矩形风管以内边长为准。6.1.4规格尺寸与外观质量的检验,应在生产厂内或制作现场光照充足的条件下进行。6.1.5物理力学性能试验的试件,除出厂含水率试验项目外,应在室内常温下通风处放置3天后进行。
矩形风管或风道物理力学性能试验的试件,应从距边角大于30mm的范围切取。如图1所示。6.1.6
a>30mm
图1试件取样部位示意
正活装
6.2尺寸和外观质量
JC 646-1996
按照本标准附录A(标准的附录)规定进行。6.3物理力学性能
6.3.1出厂含水率试验,表观密度试验及吸水率试验按照附录B(标准的附录)的规定进行。6.3.2抗弯强度试验
按照附录 C(标准的附录)的规定进行。6.3.3软化系数试验
6.3.3.1取与抗弯强度试验相同的试件三块,浸水48h后取出,拭去表面附着水,按照附录C的规定,测定试件浸水后抗弯强度(Rw)。6.3.3.2按照附录C的规定,测定试件自然风干后抗弯强度(R)6.3.3.3软化系数按下式计算:
式中:K——软化系数;
Rw—一三个浸水48h试件抗弯强度平均值,MPaR一一三个自然风干试件抗弯强度平均值,MPa。计算结果精确至小数点后两位。6.3.4抗柔性冲击
6.3.4.1以一整根产品为试件。试件规格:对于P类风管取圆形风管的直径或矩形风管的最大边长不小于400mm;对于D类风道,规格不限。6.3.4.2将矩形试件大面水平支承于支距为1.8m的两条木榜上,木榜高宽尺寸为50mm×50mm,长度大于试件的大边长,圆形风管应支承在相应的圆弧支座上。用20kg标准砂袋在试件中部上方,按本标准规定的冲击高度和冲击次数,自由落下冲击同一部位。标准砂袋是将20kg干燥的标准砂,装人缝制的370mm×320mm的布袋中,冲击高度从砂袋下缘至试件被冲击接触面计算。检查试件有无破坏,变形现象。
6.3.5抗冲击强度
按照附录D(标准的附录)的规定进行。6.3.6耐热性
从产品中切取三块200mm×100mm,厚度为产品厚度的试件。置于200℃士5℃的烘箱中烘1h,取出冷却后观察试件表面有无裂纹、剥落现象。6.3.7垂直承载
按照附录E(标准的附录)规定进行。6.3.8燃烧性能
按照GB5465规定进行。
7检验规则
7.1检验分类
产品检验分出厂检验和型式检验7.1.1产品出厂检验项目见表9。489
产品分类
检验项目
7.1.2型式检验
JC 646—1996
P类风管
规格尺寸
外观质量
表观密度
吸水率
抗弯强度
软化系数
出厂含水率
7.1.2.1产品型式检验项目应包括出厂检验项目及表10所列项目。表10
产品分类
检验项目
P类风管
燃烧性能
管体抗柔性冲击
法兰抗冲击强度
2有下列情况之一时,应进行型式检验;7.1. 2. 2
a)新产品试制鉴定时;
b)正常生产时,每年进行次,其中燃烧性能试验,每两年进行一一次,c)原材料或工艺有较大改变,可能影响产品的性能时;d)产品停产半年以上恢复生产时;e)出厂检验结果与上次型式检验有较大差异时;f)质量监督机构提出进行型式检验要求时。7.2批量
产品以50t为一批。不足50t按一批计算。7.3抽样
D类风道
规格尺寸
外观质量
抗弯强度
软化系数
出厂含水率
D类风道
耐热性
抗冲击性
垂直承载
出厂检验和型式检验所需样本在产品堆场中按机械抽样法随机抽取13根。抽样前预先确定好抽样方法。所取的试件应具有代表性。对风管进行检验所需样本,应从该批产品用于既定工程中所占比例较大的主要规格中抽取。
将抽取的样本作外观质量检验,尺寸检验的试件从外观质量检验合格的试件中抽取八根;物理力学性能检验的试件从外观和尺寸检验合格的试件中抽取。7.4判定规则
7.4.1外观质量和尺寸判定
根据检验不合格数R。进行判定。7.4.1.1外观质量判定
产品的外观质量检验,若R。≤1,可接受;若R≤2,拒收。7.4.1.2尺寸判定
产品的尺寸检验,若R≤1,可接受;若R≥2,拒收。7.4.2物理力学性能判定
经检验,各项物理力学性能都符合某一等级规定时,判为相应等级。7.4.3总判定
所有规定应检验项目的检验结果都符合某一等级规定时,判为相应等级。190
标准搜零网邮
8标志、包装、运输、贮存
8.1标志
JC 6461996
至少应有1%的产品,须用不褪色的颜色,在管口内壁距管端约200mm处,标明生产厂名或商标、生产日期及标记。
8.2产品质量证明书
交货时,应提供产品质量证明书,内容包括:a)生产厂名称;
b)批量编号:
c)出厂日期:
d)标准编号:
e)外观质量、尺寸偏差、物理力学性能检验结果和质量等级;)检验单位、人员签章。
8.3包装
供需双方商定可进行包装。包装上须有防雨淋和小心轻放的标志。8.4运输
产品用各种运输工具运输时,底部应保持平坦,产品应靠紧、靠实、扎牢、防止审动和碰撞。并应有遮盖措施,防止雨淋日晒。装卸、搬运时应小心轻放,严禁抛掷。8.5贮存
8.5.1产品应在通风干燥的室内存放,室外堆放应有避盖,产品不得压重物。8.5.2堆放场地必须坚实平坦,地面不得积水或潮湿。不同规格、不同等级的产品应分别整齐堆放。491
免费下
JC646-1996
附录A
(标准的附录)
玻璃纤雄氯氧镁水泥通风管、道规格尺寸与外观质量检验方法
本附录规定了玻璃纤维氯氧镁水泥通风管、道规格尺寸与外观质量的检验方法。A1规格尺寸
A1.1测量量具
a)镀铬游标卡尺:量程125mm,分度值0.02mm;b)金属刻度尺:量程300mm、1000mm,分度值1mm;c)钢卷尺:量程3000mm,分度值1mmzd)外径千分尺:75~100mm,精度0.001mmA1.2测量方法
A1.2.1长度
矩形风管的长度,风道的长度在相对应的两个宽面的中部测量;圆形风管的长度在直径两端点处测量,取两次测量结果的算术平均值。A1.2.2矩形风管的大、小边长或圆形风管直径矩形风管的大、小边长分别在管段两端各测量两次,取其四次测量的算术平均值分别为试件的大,小边长。圆形风管的直径,分别测量管口两端任意正交的两直径,取四个测量结果的算术平均值。A1.2.3通风道的宽度、高度
风道的宽度、高度分别在风道两端距风道口约100mm处和中部测量,各取三处测量结果的算术平均值,分别为试样的宽度和高度。A1.2.4壁厚
风管和风道的壁厚,分别在管口两端,相应的相邻两面中部,距管口约50mm处测量,取四个测量结果的平均值,如图A1所示。圆形风管壁厚分别在管口两端,距管口约50mm相对应的两点处测量,取四个测量结果的算术平均值。
A1.2.5法兰宽度和厚度
矩形风管法兰宽度和厚度,在每边法兰的中部测量,各取四个测量结果的算术平均值分别为试件的宽度和厚度。圆形风管法兰宽度和厚度,在任意正交的直径上测量,各取四个测量结果的算术平均值分别为试件的宽度和厚度。
A1.2.6风管的开口尺寸
矩形开口的尺寸,测量互相对应的两个边长,各取两个测量结果的算术平均值,分别为开口的长度和宽度。圆形开口的直径,测量任意正交两直径,取两个测量结果的算术平均值。A1.2.7测量取值
壁厚与法兰厚度的测量计算结果修约至小数点后一位:其他规格测量计算结果修约至1mm。492
下减造罗
A2外观质量
A2.1测量量具
JC 646--1996
图A1通风管、道壁厚测量点示意a)宽座直角尺:量程315mm×200mm,精度一级;b)金属刻度尺:量程300mm,分度值1mm;c)钢卷尺:量程3000mm,分度值1mm。测点
d)靠尺:2000mm×50mmX15mm量程1~15mm,精度误差±0.2am;f)JZc-2型多功能检测尺,精度1mm;g)对角线检测尺(伸缩尺),精度1mm。A2.2测量方法
A2.2.1不平度
矩形风管,风道不平度的测量,是将2m长靠尺或展开的IZC-2型多功能检验尺分别谢立在營外表大面的两对角线上,用塞尺測量管外表面与尺之间间隙的最大值,作为试件的不平度。圆形风管不平度的测量,在管直径的两外表面,将检测尺或靠尺顺着管长方向紧靠管外表面,用上述方法测量。法兰不平度的测量:当矩形风管大边长或圆形风管直径小于1000mm时用刚性平板覆盖在管口法兰平面上,用赛尺測量法兰平面与刚性平板之间间隙的最大值,矩形风管大边长或圆形风管直径大于1 000mm时,将JZC-2型检测尺或靠尺分别沿管口对角线横跨在法兰平面上,用金属刻度尺测量尺或靠尺与法兰平面之间间隙的最大值。A2.2.2、管口对角线之差
矩形风管、风道管口对角线之差,用钢卷尺或对角检测尺(伸缩尺),分别在管段两端口测量,计算两组对角线差,取其最大差值为试件管口的对角线之差。圆形风管管口对角线之差分别测量两端管口任意正交的直径之差,用上述方法取值。A2.2.3矩形风、风道对称面对角线差用钢卷尺或对角检验尺(伸缩尺),分别在风管、风道相对应的大面上,测量对角线长度,算出两组对角线差,取其最大差值。
A2.2.4垂直偏离度
将宽度直角尺之宽座部分(直角尺短边)贴紧管体大面中部表面,并使直角尺的长边与侧面的管面靠紧,用金属刻度尺测量管面与直角尺长边之间的最大间隙,见图A2,以相对应部位的两个测量结果的最大值为试件的垂直偏离度。
注行业米免费卖
A2.2.5表面缺损尺寸
JC646—1996
垂直偏离度测量示意
测量缺损面正交两个方向的最大长度与宽度,即为表面缺损尺寸,如图A3所示。1最大缺损长度:6最大缺损宽度图A3表面缺损尺寸测量
A2.2.6管体缺棱尺寸
分别测量管体棱角处相邻两面缺损面正交两个方向的最大长度和宽度。以其最大长度为管体缺棱的长度:以其两邻面缺损的宽度尺寸相加,为管体缺棱的宽度尺寸。如图A4所示。l、12——缺棱长度,b1、b2—缺梭宽度图A4缺校尺寸测量
A2.2.7法兰缺棱掉角尺寸
免费下票
小提示:此标准内容仅展示完整标准里的部分截取内容,若需要完整标准请到上方自行免费下载完整标准文档。