首页 > 建筑材料行业标准(JC) > JC/T 654-1996 石英玻璃器皿 蒸发皿
JC/T 654-1996

基本信息

标准号: JC/T 654-1996

中文名称:石英玻璃器皿 蒸发皿

标准类别:建筑材料行业标准(JC)

标准状态:现行

发布日期:1996-12-31

实施日期:1997-06-01

出版语种:简体中文

下载格式:.rar.pdf

下载大小:223884

相关标签: 石英 玻璃器皿

标准分类号

标准ICS号:玻璃和陶瓷工业>>玻璃>>81.040.30 玻璃产品化工技术>>分析化学>>71.040.20实验室器皿和有

中标分类号:建材>>陶瓷、玻璃>>Q35石英玻璃

关联标准

替代情况:JC/T 180-1981(1996)部分

出版信息

页数:5页

标准价格:8.0 元

相关单位信息

起草人:刘俊娥

起草单位:中国建筑材料科学研究院石英玻确研究所

提出单位:国家碑筑材料工业局

发布部门:国家碑筑材料工业局

标准简介

本标准规定了实验室分析用石英玻璃燕发皿产品分类、技术要求、检验方法、检验规则、标志、包装、运输和贮存。本标准适用于实验室分析用的透明石英玻璃燕发皿。 JC/T 654-1996 石英玻璃器皿 蒸发皿 JC/T654-1996 标准下载解压密码:www.bzxz.net

标准图片预览

JC/T 654-1996 石英玻璃器皿 蒸发皿
JC/T 654-1996 石英玻璃器皿 蒸发皿
JC/T 654-1996 石英玻璃器皿 蒸发皿
JC/T 654-1996 石英玻璃器皿 蒸发皿
JC/T 654-1996 石英玻璃器皿 蒸发皿

标准内容

中华人民共和国建材行业标准
石英玻璃器皿
生题内容与适用范
蒸发皿
JC/T654--1996
本标准规定了实验室分析用石英玻璃蒸发血产品分类、技术要求、检验方法、检验规则、标志、包装、运输和贮存。
本标准适用于实验室分析用的透明石英玻璃蒸发皿。2引用标准
GB/T 3284
GB/T 4121
石英玻璃化学成分分析方法
石英玻璃热变色性检验方法
GB/T 10701
石英玻璃热稳定性检验方法
GB8053不合格品率的计量标准型一次抽样检查程序及表JC/T 597
半导体用透明石英玻璃管
JC/T598电光源及电真空仪表用透明石英玻璃管JC/T653石英玻璃器皿烧杯
JC/T655石英玻璃制品内应力检验方法3产品分类
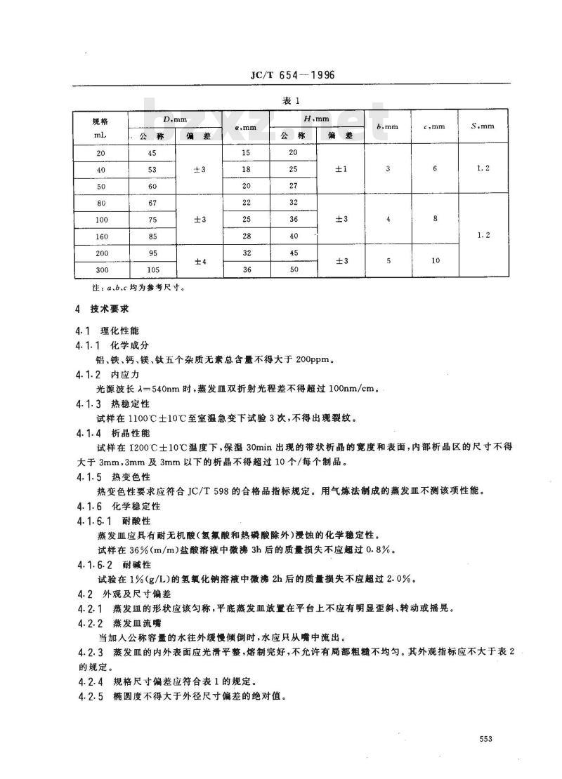
蒸发血的类型分为平底、圆底和直角圆简式蒸发血三种,其结构形式及规格尺寸见图1和表1。(尺寸.mm)
平底蒸发血
圆底蒸发Ⅲ
直角必简式蒸发血
D--蒸发血外径;H一蒸发血高度,S--最小壁厚:α—平底蒸发血的底直径;b—蒸发血流嘴高c蒸发血流嘴长图1石英玻璃蒸发Ⅲ
国家建筑材料工业局1996-12-31批准552
1997-06-01实施
注:a、b、c均为参考尺寸。
4技术要求
4.1理化性能
4.1.1化学成分
JC/T6541996
铝、铁、钙、镁、钛五个杂质无素总含量不得大于200ppm。4.1.2内应力
光源波长入540nm时,蒸发血双折射光程差不得超过100nm/cm。4.1.3热稳定性
试样在1100℃士10℃至室温急变下试验3次,不得出现裂纹。4.1.4析晶性能
试样在1200C士10℃温度下,保温30min出现的带状析晶的宽度和表面,内部析晶区的尺寸不得大于3mm,3mm及3mm以下的析晶不得超过10个/每个制品。4.1.5热变色性
热变色性要求应符合JC/T 598的合格品指标规定。用气炼法制成的蒸发血不测该项性能。4.1.6化学稳定性
4. 1.6.1耐酸性
蒸发血应具有耐无机酸(氢氟酸和热磷酸除外)浸蚀的化学稳定性。试样在36%(m/m)盐酸溶液中微沸3h后的质量损失不应超过0.8%。4.1.6.2耐碱性
试验在1%(g/L)的氢氧化钠溶液中微沸2h后的质量损失不应超过2.0%。4.2外观及尺寸偏差
4.2. 1燕发血的形状应该匀称,平底蒸发血放置在平台上不应有明显查斜、转动或摇晃。4.2.2蒸发血流嘴
当加人公称容量的水往外缓慢倾倒时,水应只从嘴中流出。4.2.3蒸发血的内外表面应光滑平整,熔制完好,不允许有局部粗髓不均匀。其外观指标应不大于表2的规定。
4.2.4规格尺寸偏差应符合表1的规定。4.2.5椭圆度不得大于外径尺寸偏差的绝对值。553
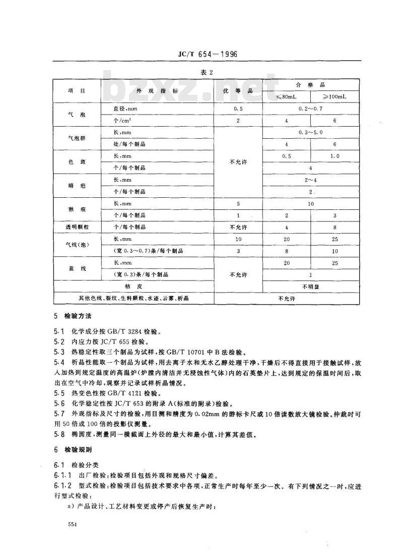
气泡群
透明颗粒
气线(泡)
JC/T 654—1996
外观指标
直径、mm
个/cm2
长,mm
处/每个制品
长,mm
个/每个制品
长,mm
个/每个制品
长,mm
个/每个制品
个/每个制品
长,mm
(宽0.3~~0.7)条/每个制品
长,mm
(宽0.3)条/每个制品
其他色线、裂纹、生料颗粒、水迹、云雾、析晶5检验方法
5.1化学成分按GB/T3284检验。
5.2内应力按JC/T655检验。
优等品
不充许
不充许
不允许
5.3热稳定性取三个制品为试样,按GB/T10701中B法检验。合格品
不允许
≥100mL
0.3~5.0bzxZ.net
不明翌
5.4析晶性能取一个制品为试样,用去离子水和无水乙醇处理干净,干燥后不得直接用于接触试样,放人加热到规定温度的高温炉(炉膛内清洁并无浸蚀性气体)内的石英垫片上,达到规定的保温时间后,取出在空气中冷却,观察并记录试样析晶情况。5.5热变色性按GB/T4121检验。
5.6化学稳定性按JC/T653的附录A(标准的附录)检验。5.7外观指标及尺寸的检验,用目测和精度为0.02mm的游标卡尺或10倍读数放大镜检验。仲裁时可用50倍或100倍的投影仪测量。
5.8椭圆度,测量同一横截面上外径的最大和最小值,计算其差值。6检验规则
6.1检验分类
6.1.1出厂检验:检验项目包括外观和规格尺寸偏差。6.1.2型式检验:检验项目包括技术要求中各项,正常生产时每年至少一次。有下列情况之一时,应进行型式检验:
a)产品设计、工艺材料变更或停产后恢复生产时;554
b)上级抽查和检验评比时。
6.2分批与抽样
JC/T654-1996
6.2.1以同种原材料、同-一生产方法,同-一等级的蒸发血,每30个为-一批,不足者以一批计算。6.2.2外观规格尺寸和内应力性能按GB8053采用-次抽样方案,样本大小n=8,合格判定数Ac一1。
6.2.3内应力除外的其它性能以相应管材或制品按各自的检验方法取样。6.3判定规则
6.3.1外观、规格尺寸和内应力性能指标,若不合格品数小于或等于合格判定数,则该批产品该项为合格;若不合格品数大于合格判定数,则该批产品该项为不合格。6.3.2其他各项理化性能中若有1项性能不符合4.1的规定,允许对该项性能复验,复验符合要求,视该批产品理化性能合格,若有2项或2项以上性能不符合要求,则该批产品理化性能不合格。6.3.3当外观、规格尺寸和各项理化性能均符合要求时,该批产品为合格。6.3.4以检验中出现的最低等级视为该批产品的最终判定等级。7标志、包装、运输和贮存
7.1标志
7.1.1蒸发皿的标志:应有注册商标或制造厂名。7.1.2包装箱标志:
a)箱上应贴有明显的贮运图示标志。如“玻璃制品”“小心轻放”“防潮湿”等;b)产品名称、规格、数量;
c)制造厂名、商标、出厂日期;d)标准号。
7.2包装
蒸发Ⅲ应清洁干燥,用木箱或纸箱包装,内部用瓦榜纸盒、泡沫塑料或其他种类缓冲材料分隔,防止产品碰撞,盒内附有产品合格证、使用说明及装箱单。7.3运输
本产品可用任何方式运输,但装卸不得抛扔,运输过程中应有防雨措施,防止剧烈震动和挤压。7.4贮存
产品包装后应在通风干燥、无腐蚀性气体的室内贴些存,相对湿度不应超过80%,重叠放置不得超过5层。
附加说明:
本标准由中国建筑材料科学研究院石英玻璃研究所负起草并解释。本标准主要起草人:刘俊娥。
自本标实施之日起原建筑材料工业部部标准JC180-1981(1996)《QSQ、DSQ透明石英玻璃器皿》中透明石英玻璃平底、圆底蒸发血同时作废。555
JC/T6721997
本标准是参照德国“大众”汽车公司供货技术条件TL820.45《电热后窗玻璃功能要求》和法国“标致”汽车公司技术条件N36.07.103《12V带加热丝窗玻璃》制定的。制定时对上述两技术条件进行了综合、精炼,保留了适合我国国情的技术要求,去掉了一些不必要的内容。本标准由全国汽车标准化技术委员会安全玻璃分技术委员会归口。本标准起草单位:中国建筑材料科学研究院玻璃科学研究所。本标准主要起草人:武存浩、曾上堂、汪如洋、石新勇。556
1范围
中华人民共和国建材行业标准
汽车后窗电热玻璃
JC/T6721997
本标准规定了汽车后窗电热玻璃的厚度,性能指标,试验方法,检验规则及标志、包装、运输、贮存等要求。适用于各类汽车后窗电热玻璃。2引用标准
下列标准所包含的条文,通过在本标准中引用而构成本标准的条文。本标准出版时,所示版本均为有效。所有标准都会被修订,使用本标准的各方应探讨使用下列标准最新版本的可能性。GB1216-1985外径千分尺
GB5137.1--1996汽车安全玻璃力学性能试验方法GB 5137.2—1996
汽车安全玻璃光学性能试验方法GB 9656—1996
汽车用安全玻璃
JC/T512-—1993汽车安全玻璃包装JC/T 673—1997
汽车电热玻璃性能试验方法
3要求
3.1厚度
制品的厚度应符合GB9656—1996中5.1的规定。3.2透射比
电热玻璃的透射比应符合GB9656—1996中5.2.2的规定。3.3抗冲击性
电热玻璃的抗冲击性应符合GB9656—1996中5.12.2(b)的规定。3.4碎片状态
电热玻璃的碎片状态应符合GB9656—1996中5.13.2的规定。3.5电热性能
3.5.1不透明率
电热玻璃的不透明率应不大于3%,或符合相应产品技术条件的要求。取三块制品进行试验,三块制品均符合上述要求为合格,否则为不合格。3.5.2电插片焊接强度
电插片在方向与玻璃表面垂直、大于或等于80N的拉力作用2s后,不应从制品上脱落。取三块制品进行试验,三块制品均符合上述要求为合格,否则为不合格。3.5.3电插片抗弯曲性
制品上的电插片经3次试验后不应损坏。取三个电插片进行试验,三个电插片均符合上述要求为合格,否则为不合格。3.5.4耐清洗剂性
国家建筑材料工业局1997-08-05批准1998-01-01实施
JC/T 672--. 1997
用清洗剂对电热玻璃进行清洗后,不得引起电热玻璃的功能障碍,如:电热线脱落、电热元件失灵取三块制品进行试验,三块制品均符合上述要求为合格,否则为不合格。3.5.5功率
电热玻璃的功率应为4.0~~4.5W/dm(电压为DC12V)或符合相应产品技术条件要求取三块制品进行试验.三块制品均符合上述要求为合格,否则为不合格。3.5.6除霜效率
电热玻璃在一18C土2℃温度下,通电20min后,加热区中间部位至少应有80%的可透视区(或符合柜应产品条件要求)。
取三块制品进行试验,三块制品均符合上述要求为合格,否则为不合格。3.5.7超压性
试验电压为产品额定电压的1.5倍,通电30s后,电热玻璃仍应符合功率和除霜效率的要求。取三块制品进行试验,三块制品均符合上述要求为合格,否则为不合格。3.5.8耐电热冲击性
电热玻璃放人温度为一30℃土2℃的低温箱内保温5h后,通电30min,试验后电热玻璃不应有任何损坏。
取三块制品进行试验,三块制品均符合上述要求为合格,否则为不合格。3.5.9热点温度
将电热玻璃通电4h,电热线或汇流条的表面温度在任何地方都不允许超过70'℃。取三块制品进行试验,三块制品均符合上述要求为合格,否则为不合格。3.5.10耐久性
电热玻璃经60次循环(每次循环包括通电23h,断电1h)后,静置5h,应符合功率和除霜效率的要求。
取二块制品进行试验,二块制品均符合上述要求为合格,否则为不合格。4试验方法
4.1厚度
使用符合GB1216规定的外径于分尺或与此同等精度的器具测量玻璃每边的中点,每边测量结果的算术平均值作为厚度值,测量值应精确至0.01mm。4.2透射比
按GB5137.2进行试验。
4.3抗冲击性
按GB5137.1进行试验。
4.4碎片状态
按GB5137.1进行试验。
4.5电热性能
4.5.1不透明率
按JC/T673—1997中的第7章进行试验。4.5.2电插片焊接强度
按JC/T673--1997中的第9章进行试验。4.5.3电插片抗弯曲性
按JC/T673一1997中的第10章进行试验。4.5.4耐清洗剂性
JC/T 672-1997
按JC/T673-1997中的第8章进行试验。4.5.5功率
按JC/T673-1997中的第11章进行试验。4.5.6除霜效率
按JC/T673--1997中的第12章进行试验。4.5.7超压性
按JC/T673--1997中的第13章进行试验。4.5.8耐电热冲击性
按JC/T673--1997中的第15章进行试验。4.5.9热点温度
按JC/T673-1997中的第14章进行试验。4.5.10耐久性
按JC/T673-1997中的第19章进行试验。5检验规则
5.1检验分类
5.1.1出厂检验
检验项目为厚度、功率、热点温度和电插片焊接强度。5.1.2型式检验
检验项目为本标准规定的产品的全部技术要求。有下列情况之一时,应进行型式检验:a)新产品或老产品转厂生产的试制定型鉴定:b)正式生产后,如结构、材料、工艺有较大改变,可能影响产品性能时,c)正常生产满1年时;
d)产品停产满1年后,恢复生产时;e)出厂检验结果与上次型式检验有较大差异时;f)国家质量监督机构提出型式检验要求时。5.2组批与抽样规则
-批产品应是用同批原材料、同种生产工艺制备,具有相同公称厚度和相同型号的每500片制品(不足500片时也按一批计)。
抽样检验时,按检验项目所要求的数量从一批产品中随机抽取。5.3判定规则
按本标准第3章规定的相应条款进行产品单项性能合格判定,若上述各项中有1项或1项以上不合格,则该批产品不合格。
6 标志、包装、运输与贮存
6.1标志
6.7.1产品标志
每块产品的右下角或左下角必须有不易擦掉的生产厂名或商标标志。6.1.2包装标志
每个包装箱上应标明箱内包装产品的名称、规格、数量、质量等级、收货单位、生产厂名、出厂日期,并贴上(或写上)“小心轻放、防潮、向上”的标志。6.2包装
包装应符合JC/T512的规定。
6.3运输
JC/T672-1997
包装箱不得平放或斜放,长度方向应与车辆运动方向相同,并应有防雨措施。6.4贮存
制品需在通风良好和干燥的室内保存。560
小提示:此标准内容仅展示完整标准里的部分截取内容,若需要完整标准请到上方自行免费下载完整标准文档。