首页 > 建筑材料行业标准(JC) > JC/T 660-1997 同步式切条机
JC/T 660-1997

基本信息

标准号: JC/T 660-1997

中文名称:同步式切条机

标准类别:建筑材料行业标准(JC)

标准状态:现行

发布日期:1997-02-24

实施日期:1997-06-01

出版语种:简体中文

下载格式:.rar.pdf

下载大小:122564

相关标签: 同步

标准分类号

标准ICS号:91.110

中标分类号:建材>>建材机械与设备>>Q91制砖与制瓦设备

关联标准

出版信息

页数:6页

标准价格:12.0 元

相关单位信息

起草人:石桂莲、卓联昌

起草单位:双鸭山东方工业有限公司

归口单位:国家建筑材料工业局建材机械标准化技术委员会

提出单位:国家建筑材料工业局建材机械标准化技术委员会

发布部门:国家建筑材料工业局

标准简介

本标准规定了同步式切条机的产品分类、技术要求、试验方法、检验规则及标志、包装、运输和贮存。本标准适用于切割塑性挤出砖等坯条的同步式切条机。 JC/T 660-1997 同步式切条机 JC/T660-1997 标准下载解压密码:www.bzxz.net

标准图片预览

JC/T 660-1997 同步式切条机
JC/T 660-1997 同步式切条机
JC/T 660-1997 同步式切条机
JC/T 660-1997 同步式切条机
JC/T 660-1997 同步式切条机

标准内容

中华人民共和国建材行业标准
JC/T660--1997
同步式切条机
1997-02-24发布
国家建筑材料工业局
美标准行业资料急费下车
1997-06-01实施
本标准由国家建筑材料工业局建材机械标准化技术委员会提出并归口。本标准由双鸭山东方工业有限公司负责起草,国家建筑材料工业局西安墙体材料研究设计院、武汉建材机械厂参加。
本标准主要起草人:石桂莲
卓联昌
美标准行业
1范围
中华人民共和国建材行业标准
同步式切条机
JC/T660-1997
本标准规定了同步式切条机的产品分类、技术要求、试验方法、检验规则及标志、包装、运输和贮存。本标准适用于切割塑性挤出砖等坏条的同步式切条机。2引用标准
下列标准包含的条文,通过在本标准中引用而构成为本标准的条文。在标准出版时,所示版本均为有效。所有标准都会被修订,使用本标准的各方应探讨使用下列最新版本的可能性。GB699-88优质碳素结构钢技术条件一般公差线性尺寸的未注公差
GB/T 1804-92
GB3768-83噪声源声功率级的测定简易法GB9439-88灰铸铁件
GB/T13306--91标牌
水泥机械涂漆防锈技术条件
JC/T402-91
JC/T406-91
水泥机械包装技术条件
JC532-94建材机械钢焊接件通用技术条件ZBJ19004-88圆柱齿轮减速器
3定义
本标准采用下列定义:
同步式切条机:指其切割装罩与塑性挤出的坏条同步运动,按预先给定的长度,完成垂直切割的专用设备。
4产品分类
4.1型式
同步式切条机,通过自动控制使切割钢丝与坏条同步运动,实现垂直切割。4.2型号
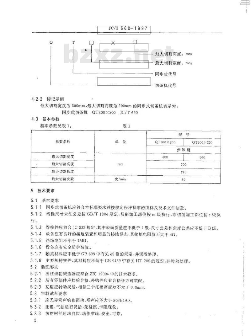
4.2.1型号表示方法规定如下:
国家建筑材料工业局1997-02-24批准标准捷h店
m各生标准行业造料单费下载
1997-06-01实施
4.2.2标记示例
JC/T660-1997
最大切割高度,mm
最大切割宽度,mm
同步式代号
切条机代号
最大切割宽度为300mm,最大切割高度为200mm的同步式切条机表示为:同步式切条机QT300×200JC/T6604.3基本参数
基本参数见表1。
参数名称
最大切割宽度
最大切割高度
最小切制长度
最大切割次数
5技术要求
5.1基本要求
次/min
QT300×200
参数值
5.1.1同步式切条机应符合本标准要求并按规定程序批准的图样及技术文件制造。QT600×200
线性尺寸未注公差按GB/T1804规定,切削加工部位按m级执行,非切削加工部位按。级执5.1.2
焊接件应符合JC532规定,其中表面质量应不低于1级,尺寸公差和角度公差应不低于B级。5.1.38
5.1.4设备应有良好的接地装置和明显的接地标志,其接地电阻值不大于40。5.1.5绝缘电阻不小于1M0。
5.1.6设备应有安全防护装置。
5.1.7轴类材料应不低于GB699中有关45钢的规定,并调质处理。5.1.8主要灰铸铁件,其材料应不低于GB9439中有关HT200的规定,并时效处理。5.2装配要求
5.2.1圆柱齿轮减速器应符合ZBJ19004中的技术要求。5.2.2所有零部件应检验合格,外购件应有合格证方可装配。5.2.3托辑应转动灵活,相邻三个托辊高度差不大于0.8mm。5.3空载试车要求bZxz.net
5.3.1应无异常声响和振动,噪声应不大于80dB(A)。5.3.2托辊、气缸运行灵活,无碰擦、卡阻现象。5.3.3切割钢丝运动自如动作准确、安全、可靠。2
5.3.4润滑部位不漏油。
JC/T660-1997
5.3.5轴承温升不大于35℃,最高温度不大于70℃。5.4负载试车要求
5.4.1应符合5.3.1~5.3.4的要求5.4.2基本参数应符合4.3的要求5.4.3坏条切割长度公差为5mm,切割断面相对条面垂直度为3mm。5.4.4轴承温升不大于45℃,最高温度不大于80℃。5.5外观要求
产品表面应平整、光洁,不得有明显碰伤、划伤和锈蚀等缺陷。5.6-涂漆防锈要求
防漆防锈应符合JC/T402的规定。6试验方法
6.1接地电阻(5.1.4)用双臂电桥检测。6.2绝缘电阻值(5.1.5)用500V兆欧表测量。6.3空载试车
6.3.1试车条件
a)整机组装检验合格:
b)润滑部位注入润滑剂。
6.3.2试车方法
a)连续运转2h;
b)噪声(5.3.1)按GB3768规定检测;c)轴承温升(5.3.5)用半导体温度计检测。6.4负载试车
6.4.1试车条件
a)空载试车合格后进行负载试车负载试车可在用户进行b)电气、自动控制装置等检验合格,有良好的接地装置;e)坏条质量符合要求。
6.4.2试车方法
a)连续运转4h;
b)最大切割次数(5.4.2)用秒表计时检测,检测3次,每次2min;间隔5min,取3次平均值;c)切割坏条长度公差和切割断面垂直度(5.4.3)用直尺和角尺检测;d)轴承温升(5.4.4)用半导体温度计检测。7检验规则
产品应经制造厂检验部门检验合格,并签发合格证后方可出厂。7.1检验分类
产品检验分出厂检验和型式检验。7.1.1出厂检验
产品出厂前完成5.1~5.6的检验。7.1.2型式检验应检验本标准规定的全部项目,有下列情况之一时,应进行型式检验:a)新产品或老产品转厂生产的试制定型鉴定;b)正式生产后,如结构、材料、工艺有较大改变,可能影响产品性能时:营类疗准行批资科学费下载
准热.baenm
JC/T660-1997
c)出厂检验结果与上次型式检验有较大差异时:d)正常生产每两年不少于一次
7.2抽样与判定规则
型式检验的样机在检验批中随机抽取一台,检验合格判检验批合格。如不合格,再随机抽取两台,检验不合格,判检验批不合格。若合格,再随机抽取一台,全部合格,可判检验批合格,否则判检验批不合格。
8标志、包装、运输和贮存
8.1应在产品的明显位置固定一产品标牌,标牌应符合GB/T13306的规定,并标明下列内容:a)制造厂名;
b)产品名称;
c)商标;
d)产品型号和标号:
e)主要参数:
f)制造日期;
g)出厂编号。
8.2产品的包装、运输和贮存应符合JC/T406的规定。中华人民共和国建材
行业标准
同步式切条
JC/T 660-1997
国家建筑材料工业局标准化研究所出版发行地址:北京朝阳区管庄
邮政编码:100024
电话:65755125
机械科学研究院标准出版中心印刷版权专有不得翻印
开本880×12301/16印张1/2字数8.0001997年5月第一版1997年5月第一次印刷*
编号1049
标准技改园hasm各标准行业造免费下载
小提示:此标准内容仅展示完整标准里的部分截取内容,若需要完整标准请到上方自行免费下载完整标准文档。