首页 > 建筑材料行业标准(JC) > JC/T 677-1997 建筑玻璃均布静载模拟风压试验方法
JC/T 677-1997

基本信息

标准号: JC/T 677-1997

中文名称:建筑玻璃均布静载模拟风压试验方法

标准类别:建筑材料行业标准(JC)

标准状态:现行

发布日期:1997-08-22

实施日期:1998-01-01

出版语种:简体中文

下载格式:.rar.pdf

下载大小:163625

相关标签: 建筑 玻璃 模拟 风压 试验 方法

标准分类号

标准ICS号:玻璃和陶瓷工业>>玻璃>>81.040.20建筑玻璃

中标分类号:建材>>陶瓷、玻璃>>Q33建筑玻璃

关联标准

采标情况:ASTM E997-1984(1992) MOD

出版信息

出版社:中国标准出版社

页数:7页

标准价格:14.0 元

相关单位信息

起草人:马眷荣、刘忠伟、胡明、江农基、李文才

起草单位:中国建筑材料科学研究院玻璃科学研究所

归口单位:中国建筑材料科学研究院玻璃科学研究所

提出单位:中国建筑材料科学研究院玻璃科学研究所

标准简介

本标准规定了建筑玻璃模拟风压试验用的设备和试验过程,确定试件数量和失效概率的方法。还规定了提供参考设计风压及其失效概率的方法。本标准适用于用作建筑门、窗和幕墙等的平板玻璃,以及由平板玻璃深加工制成的热反射玻璃、钢化玻璃、夹层玻璃和中空玻璃等在室温条件下模拟抗风压性能的评价,也适用于压花玻璃、夹丝玻璃等建筑用玻璃在室温条件下的模拟抗风压性能评价。 JC/T 677-1997 建筑玻璃均布静载模拟风压试验方法 JC/T677-1997 标准下载解压密码:www.bzxz.net

标准图片预览

JC/T 677-1997 建筑玻璃均布静载模拟风压试验方法
JC/T 677-1997 建筑玻璃均布静载模拟风压试验方法
JC/T 677-1997 建筑玻璃均布静载模拟风压试验方法
JC/T 677-1997 建筑玻璃均布静载模拟风压试验方法
JC/T 677-1997 建筑玻璃均布静载模拟风压试验方法

标准内容

JC/T 6771997
在建筑玻璃的设计、使用中,需检测其抗风压强度及分布,为使得检测方法统一和检测结果准确、可靠,特制定本标准。
本标准是根据ASTME997:1984(1992)《外窗、幕墙和门在均布静载作用下破坏性试验的玻璃结构性能标准试验方法》制定的,在技术内容上与ASTME997等效,并增加了试验确定设计负荷和失效概率的方法。
本标准由中国建筑材料科学研究院玻璃科学研究所提出并归口。本标准起草单位:中国建筑材料科学研究院玻璃科学研究所。本标准主要起草人:马卷荣、刘忠伟、胡明、江农基、李文才。314
1范围
中华人民共和国建材行业标准
建筑玻璃均布静载模拟风压试验方法Test method to model wind pressure for architecturalglass under the uniform static loadsJC/T 677--1997
1.1本标准可用来判断玻璃试件在设计均布静载作用下是否满足设计失效概率的要求,也可以根据用户要求提出供参考用的设计风压及其失效概率。1.2本标准规定了建筑玻璃模拟风压试验用的设备和试验过程,确定试件数量和失效概率的方法。还规定了提供参考设计风压及其失效概率的方法。1.3本标准适用于用作建筑门、窗和幕墙等的平板玻璃,以及由平板玻璃深加工制成的热反射玻璃、钢化玻璃、夹层玻璃和中空玻璃等在室温条件下模拟抗风压性能的评价,也适用于压花玻璃、夹丝玻璃等建筑用玻璃在室温条件下的模拟抗风压性能评价。2定义
本标准采用下列定义。
2.1变异系数,—一破坏负荷的标准偏差除以其算术平均值的商,表示破坏负荷试验值的相对离散程度。
2.2设计负荷,9d——设计部门提供的风压面分布负荷。2.3玻璃试件的破坏-—指玻璃试件的任处出现断裂或裂纹。2.4失效概率,Pr-在给定负荷条件下,玻璃试件破坏的概率,以千分率表示。2.5验证负荷,9—试验时施加的面分布负荷。2.6验证负荷系数,α-—常数,验证负荷与设计负荷的比值。3方法提要
3.1本试验方法是将玻璃安装于试验框架,再将试验框架安装到试验腔体上,施加验证风压负荷,有正压和负压两种加载方式。将每一个玻璃试件的负荷一时间关系,破坏情况记录下来。3.2对一组试件进行试验后,根据破坏的玻璃试件数量确定失效概率是查满足试验前所确定的失效概率。
3.3对一组试件进行试验后,根据破坏的玻璃试件数量和验证负荷的大小,提供设计负荷和设计失效概率的参考值。
4试验设备
4.1能够按照本标准规定的试验要求和程序进行试验的装置都可以用来进行模拟风压试验。4.2试验框架
4.2.1试验框架提供标准支承条件,供安装试件使用。试验框架应保证使玻璃试件承受垂直于其平面国家建筑材料工业局1997-08-22批准1998-01-01实施
的负荷。
JC/T 677-- 1997
试验框架由两个主要部分组成,结构支承系统和玻璃系统,其结构如图I和图2。图1结构支承系统示意图
定位块
70 0 0
螺栓素面孔
003000
图2玻璃系统示意图
4.2.2试验框架的变形限制
4.2.2.1玻璃试件所在安装平面的最大横向位移应不超过L/750,L是璃试件短边长度。4.2.2.2框架的最大转角应在1°以内。4.2.2.3玻璃试件的最大面内变形应在L/2000以内。4.2.2.4框架的角连接应使用角支撑和螺栓,使试验中的滑移或扭曲最小。4.2.3试验框架的制造公差
4.2.3.1框架角部杆件对接的最大偏离平面错位在0.4mm以内。4. 2. 3. 2
框架外侧端面的最大平面内翘曲不超过1.6 mm。框架内矩形开口对角线的最大偏差不超过3.2mm。4.2.3.3
框架应保证玻璃试件的横向变形不受阻碍。4.2.3.4
4.2.4框架周边的紧固螺栓应满足需要。4.3 试验腔体
试验腔体为一面开放的密闭体,在开放的一面安装试验框架。试验腔体上至少有一个静压表测量压力,其定位应保证测量压力时受空气流动的影响为最小。供气口应设置合理,使气流不能以有效的速度316
直接冲击玻璃试件。
4.4供气系统
JC/T 677--1997bzxz.net
供气系统包括可控风机、压缩气源、排气口、可逆风机或其他设计用来控制负荷的装置。4.5压力测量仪器
仪器应能连续记录腔体压力,精度为土2%。4.6温度计
温度计精度为士0.5℃。
4.7湿度计
湿度计精度为土2%。
5试件要求
5.1试件从产品中随机抽取。
5.2试验前按有关产品标准对所有玻璃试件的外观目视检查,不合格的玻璃不能进行试验。5.3试件厚度按出厂的标称厚度计,也可以将每个玻璃试件的厚度实测记录,以备分析研究使用。5.4送检单位应提供试件的有关信息:a)设计负荷值和许用的失效概率;b)玻璃试件破坏负荷的变异系数;c)除4.2的要求外,对框架支承系统的其他要求。6验证负荷和试件数量的确定
6.1玻璃试件在大于设计负荷的验证负荷条件下进行试验,验证负荷与设计负荷的关系如式(1):qp=aqd
式中:p-验证负荷;
验证负荷系数;
9 --设计负荷。
+++++ (1)
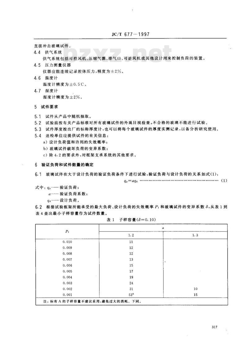
6.2根据试验框架所能承受的最大负荷、设计负荷的失效概率P,和玻璃试件的变异系数3,从表1到表4查出最小子样容量作为试件数量。表1
子样容量(8=0.10)
注:标有A的子样容量不建议采用,避免过大的消耗。下同。1.3
7试验程序
JC/T6771997
表2子样容量(=0.15)
表3子样容量(8=0.20)
7. 1测量并记录环境温度和相对湿度。7.2安装玻璃试件于试验框架。
子样容量(80.25)
7.2.1玻璃试件的自重应落在两个氯丁橡胶垫块(邵氏硬度85士5)上,垫块宽度应比试件厚度大16mm以上,垫块的厚度与其宽度相同,垫块长度应大于102mm且不小于玻璃试件面积的0.1倍(面318
JC/T 677—1997
积)数值按平方米计算,以毫米为单位计算垫块长度,如2m2的玻璃,其垫块长度应不小于200mm),垫块设置在试件底边长度的1/4处。7.2.2玻璃试件的周边通过氯丁橡胶垫条与框架接触,垫条(邵氏硬度65土5)厚8mm,宽度不小于6.4mm,垫条与框架用胶粘接,垫条与玻璃之间接触应保证不粘附其他物质。7.2.3可使用硅酮密封胶或其它适当材料作防泄漏处理,但要防止密封胶与玻璃试件接触。7.3施加一半的验证负荷或1000Pa压力于玻璃试件并保持10s,再将负荷减至零。在压力表调零以前,将试验腔体的排气口打开3min。7.4如果玻璃试件的周边发生空气泄漏,可用胶带将泄漏部位覆盖,但胶带不能限制玻璃试件与试验框架之间的相对位移。
7.5在40s到60s时间内将验证负荷或破坏负荷施加于玻璃试件,对验证负荷还要恒压60s,然后排气卸载。在加荷过程中保持负荷-时间的连续记录。7.6对于没有破坏的玻璃试件也要将其拆除并放弃不再试验。安装一个新的玻璃试件并重复7.2到7.5的过程。将玻璃试件的破坏情况记录下来。7.7随时观察试验框架有无永久变形或主要部件有无任何破坏,如有变形及破坏发生应及时修复并适当增加刚度或强度,然后再开始试验。8试验结果
8.1当一组试验中发生四个或少于四个试件破坏时,则判断在该设计负荷作用下玻璃试件的失效概率等于或小于指定的设计失效概率。8.2多于四个试件发生破坏,则判断超过了指定的设计失效概率。8.3当进行参考设计风压及其失效概率试验时,试件数量一般不应少于15个,全部作至破坏,取第5个较小的破坏负荷作为参考验证负荷,再根据变异系数通过表1到表4查到对应的验证负荷系数和设计失效概率。根据式(1)计算出参考设计负荷作为设计风压,由此得出的设计风压和失效概率作为设计参考。
9报告
9.1报告应包括以下内容:
a)试验数据、检测结果、环境温度和相对湿度;b)试件的有关信息(来源、标称尺寸和测量尺寸、送检单位、材料和其他有关的信息);c)同一批试验的每一试件的压力差记录;d)玻璃试件、试验框架,试验腔体的详图,压力测量仪器的完整说明和框架的说明;e)依据本试验方法所进行试验的说明,关于误差分析的说明,f)检测意见和应用说明:
g)检测单位、检测人员及检测时间。319
小提示:此标准内容仅展示完整标准里的部分截取内容,若需要完整标准请到上方自行免费下载完整标准文档。