首页 > 建筑材料行业标准(JC) > JC/T 679-1997 玻璃平均线性热膨胀系数试验方法
JC/T 679-1997

基本信息

标准号: JC/T 679-1997

中文名称:玻璃平均线性热膨胀系数试验方法

标准类别:建筑材料行业标准(JC)

标准状态:现行

发布日期:1997-08-22

实施日期:1998-01-01

出版语种:简体中文

下载格式:.rar.pdf

下载大小:210869

相关标签: 玻璃 平均 线性 膨胀系数 试验 方法

标准分类号

标准ICS号:81.04001

中标分类号:建材>>陶瓷、玻璃>>Q30陶瓷、玻璃综合

关联标准

采标情况:ISO 7991-1987 MOD

出版信息

出版社:中国标准出版社

页数:7页

标准价格:12.0 元

相关单位信息

起草人:孙德岩

起草单位:中国建筑材料科学研究院玻璃科学研究所

归口单位:中国建筑材料科学研究院玻璃科学研究所

提出单位:中国建筑材料科学研究院玻璃科学研究所

标准简介

本标准规定了在弹性固体状态下,玻璃平均线性热膨胀系数试验方法。适用于具有普通膨胀量的玻璃,不适用于石英玻璃或其它具有低膨胀系数的玻璃。 JC/T 679-1997 玻璃平均线性热膨胀系数试验方法 JC/T679-1997 标准下载解压密码:www.bzxz.net

标准图片预览

JC/T 679-1997 玻璃平均线性热膨胀系数试验方法
JC/T 679-1997 玻璃平均线性热膨胀系数试验方法
JC/T 679-1997 玻璃平均线性热膨胀系数试验方法
JC/T 679-1997 玻璃平均线性热膨胀系数试验方法
JC/T 679-1997 玻璃平均线性热膨胀系数试验方法

标准内容

JC/T 679—1997
本标准是根据国际标准化组织ISO7991—1987《玻璃术内容上与IS07991:1987等效。平均线膨胀系数试验方法》制定的,在技为了适应我国的国情,同时为便于本标准的贯彻和实施,本标准未对试验装置和仪器作过多的限制,只对其误差作了规定。在控制系统误差方面,本标准作了较为详细的规定。依据1SO7991制定本标准时,增加了试验原理一章,还增加了试验装置的部分内容,删去了引用标准一章,对ISO7991的第9章“仪器校正”的内容进行了调整,写人第4章。本标准的附录A是标准的附录。
本标准由中国建筑材料科学研究院玻璃科学研究所提出并归口。本标准起草单位:中国建筑材料科学研究院玻璃科学研究所。本标准主要起草人:孙德岩。
1范围
中华人民共和国建材行业标准
玻璃平均线性热膨胀系数试验方法Glass--The method for measuring coefficientof mean linear thermal expansionJC/T 679-1997
eqvIS0 7991:1987
本标准规定了在弹性固体状态下,玻璃平均线性热膨胀系数试验方法。适用于具有普通膨胀量的玻璃,不适用于石英玻璃或其它具有低膨胀系数的玻璃。2定义
本标准采用下列定义。
2.1:平均线性热膨胀系数α(to;t):在一定温度范围内的试样长度变化与这个温度范围的比率除以初始长度,所得到的值。下载标准就来标准下载网
它可用式(1)表示:
α(to;t)=
式中;to—初始温度,C;
t-—实际(恒定或变化)的试样温度,℃;1
Lo-受测玻璃试样(通常是由受测玻璃制成的棒),在温度为t。时的长度,mm;L—温度为 t时的试样长度,mm。标称初始温度t。为20℃;因此平均线性热膨胀系数就应表示为α(20(;t)。(1)
2.2简易推棒膨胀仪:膨胀仪内只有一套试样支架,利用仪器可以直接测出受测试样的长度变化。2.3差动推棒膨胀仪:膨胀仪内有两套试样支架,其中一套装配受测试样,另外一套装配已知线性热膨胀系数的标样,根据标样长度变化和试样与标样的长度变化量的差值,推算出受测试样的长度变化和受测试样的温度。
3原理
将试样放在膨胀仪电炉内均匀加热,观察试样长度随温度均匀上升而伸长的情况;或者将试样从室温开始加热至规定温度,测定该温度区间试样的伸长。根据仪器的布置方法,例如用紧贴试样热偶元件的热电动势,或根据与试样一起在仪器炉里的金属标样的长度变化等方法,确定试样的温度。4装置
4.1测量试样长度的仪器
最大误差不应超过0.001Lo。
4.2膨胀仪
a)膨胀仪应能测定试样在2×10-5L。范围内的长度变化;b)试样支架应保证试样牢固地安装在其位置上,并且在试验过程中应保证试样与推棒的同轴度见国家建筑材料工业局1997-08-22批准1998-01-01实施
附录A(标准的附录)。
JC/T 679-1997
c)如果试样支架或推棒是由石英玻璃制成,则应符合7.2的规定;d)膨胀仪应定期进行校正,校正方法见4.6;e)用于监测试样长度变化的膨胀仪设备,对试样产生的最大压力不得大于150kPa。直接影响测量结果的膨胀仪传动机构头部和仪器金属连接部件,温度应在20~23C之间,且在每个阶段,温度的波动不得大于士1℃。
4.3电炉
电炉与膨胀仪相连接,电炉温度应能达到试样转变温度以上50℃。在试验度范围内,电炉应能保证试样的温度分布均匀,整个试样长度的最大温度误差为士2℃。4.4炉温控制仪器
在试验过程中,电炉的升温速度应能控制在5C/min土1C/min(见6.1).而降温速度,根据5.2中的退火程序,应能控制在2℃/min土0.2C/min。4.5测温装置
测温元件在整个温度变化范围内的测温精度应为士2C。当由标样的膨胀量推导受测试样的温度时,标样与受测试样的温度应相同,并且宜使用一致熔融点的合金材料作为标样。
4.6参考材料
为了检验整个设备是否正常操作,可使用已知平均线性热膨胀系数的参考材料试样进行性能检验和计算。
推荐参考材料如下:
一如8.2那样退火的透明石英;
一—化学纯净铂。
参考材料试样的形状、尺寸应与通常使用在设备上的试样相同。应保证参考材料的热膨胀性质在试验中的稳定性。如果参考材料是一种玻璃,则应根据5.2进行退火或重新退火。
5试样及其制备
5.1形状和尺寸
试样通常为棒状。它的形状取决于膨胀仪的类型。试样长度至少应是膨胀仪测量精度的5×10*倍。试样可具有直径为5mm的圆截面,也可具有5mm×5mm的方截面,并且长度为25~100mm。在某些情况下,试样的截面积可为100mm。5.2制备
试样在进行试验之前,应经过退火处理。将试样加热至转变温度以上约30℃,然后以2℃/min士0.2℃/min的降温速度冷却至转变温度以下约150℃C,之后在自然通风的空气中冷却至室温。退火后,试样端面应加工,使两端面平行,且平整,并保证其端面与试样主轴垂直。5.3试样的数量
试验试样两个。
6程序
6.1试验温度范围的选择
本标准第2.1规定,标称温度为20C。但由于实际情况,试验应从18~28C之间开始。理想的终止温度为290℃≤t≤310℃。如果试验中不能以此温度作为终止温度,那么可以选择的代替值是190℃≤z≤210℃,或者,在特殊情况下,可选择的代替值是95℃≤t≤105℃及390℃≤t≤410℃。这些温度范围328
JC/T 679—1997
的标称值是300℃,200℃,100℃和400℃。温度值和温度差的读数应精确至2C。计算线性热膨胀系数时,应使用实际温度值,表示试验温度范围应使用与实际值相对应的标称值(见7.4)。6.2初始长度的确定
在初始温度t下,确定退火后试样的初始长度,并精确至0.1%。然后,将试样放置在膨胀仪支架上,在进行试验之前,应静置5min。6.3在动态加热制度下测定平均线性热膨胀系数在初始温度t。时确定膨胀仪的位置,并取此位置读数为零。将炉温控制仪器调至理想的加热程序,均匀加热。升温速度不应超过5C/min,直至炉温达到预想终此温度,记录温度t和相应的膨胀仪读数Almeas
由于膨胀仪读数△Lma是在温度从t。升到t的过程中记录的,所以应明确热电偶测得的温度是炉温,这一温度与试样之间存在着一定温差,必要时应加以修正。修正值可通过与静态加热制度下的测量值的比较进行确定。
6.4在静态加热制度下测定平均线性热膨胀系数在温度为t。时,确定膨胀仪的位置,并取此位置读数为零。在20min内,将电炉升温至预想终止温度t,将炉温变化控制在士2C之间。读取ALmea的读数。注:使用动态加热制度(见6.3)能在一个试验过程中得出一系列与不同的t值相应的α(to;t);使用静态加热制度(见6.4)只有一个终止温度值t,但在这个温度范围内测得的α(tott)具有更高的精确性。7试验结果
7.1终止长度
根据在温度t时的膨胀仪读数△Lmeas,以确定试样终止长度L,按式(2)计算:L -- Lo +△Lmeas +ALo-ALB ..式中:△L和△LB为试样支架和膨胀仪的修正量,它们的详细说明见7.2和7.3。7.2修正量
7.2.1试样支架的修正量
(2)
如果是简易推棒式膨胀仪,则式(2)中的修正量△LQ即为沿试样方向膨胀的试样支架的膨胀量。这里,试样支架在温度为t时,试样长度为公LQ。如果是差动推棒式膨胀仪,则式(2)中的修正量△L即为标样的膨胀量,这里,标样在温度为t。时,试样长度为Lo。
对于以上两种情况,修正量△LQ可按式(3)计算:Lα - Loao(t-t,)
式中:αQ是(对于简易推棒膨胀仪)制成试样支架的材料平均线性热膨胀系数;或者是(对于差动推棒膨胀仪)制成标样的材料的平均线性热膨胀系数。如果试样支架,推棒或标样是由石英玻璃制成,则可使用表1中所列的αα值。膨胀仪的这些部分或标样如果是第次使用,在使用之前应退火。退火过程为,1100℃保温7h,然后以0.2℃/min的冷却速度,从1100℃冷却至900℃。
为避免石英玻璃析晶,其表面应在退火前进行清洗。建议用分析纯无水乙醇清洗两次,清洗后应避免手指粘碰。
JC/T 679—1997
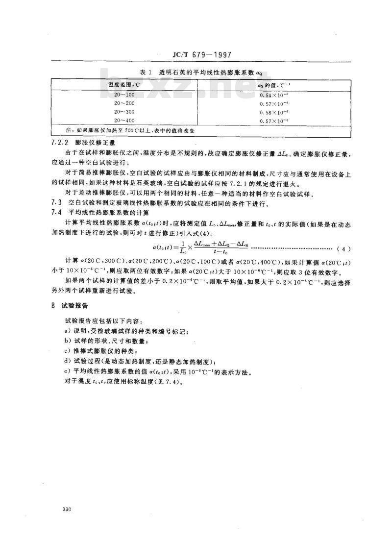
表1透明石英的平均线性热膨胀系数αQ温度范围,℃
20~100
20~200
20~300
20~400
注:如果膨胀仪加热至700C以上,表中的值将改变7.2.2膨胀仪修正量
da 的值,℃-
0.54X10-6
0. 57X10-6
0. 58×10~6
0.57×10-6
由于在试样和膨胀仪之间,温度分布是不规则的,故应确定膨胀仪修正量AL。确定膨胀仪修正量,应通过一种空白试验进行。
对于简易推棒膨胀仪,空白试验的试样应由与膨胀仪相同的材料制成,尺寸应与通常使用在设备上的试样相同,如果这种材料是石英玻璃,空白试验的试样应按7.2.1的规定进行退火。对于差动推棒膨胀仪,可以用两个相同的材料,任意一种适当的材料作空白试验试样。7.3空白试验和测定玻璃线性热膨胀系数的试验应在相同的条件下进行。7.4平均线性热膨胀系数的计算
计算平均线性热膨胀系数α(to;t)时,应将测定值L。、△Lmea够正量和 to、t 的实际值(如果是在动态加热制度下进行的试验,则可对t进行修正)引入式(4)。a(tott):
. ALmeas +ALa-ALB
(4)
计算α(20C,300℃)、α(20℃,200℃)、α(20℃,100℃)或者α(20℃,400℃),如果计算值α(20℃;t)小于10×10-6℃-1,则应取两位有效数字;如果α(20℃;t)大于10×10-6℃~1,则应取3位有效数字。如果两个试样的计算值的差小于0.2×10-6℃-1,则取平均值,如果大于0.2×10-6℃-1,则应选择另外两个试样重新进行试验。
8试验报告
试验报告应包括以下内容:
a)说明,受检玻璃试样的种类和编号标记;b)试样的形状、尺寸和数量;
c)推棒式膨胀仪的种类;
d)试验过程(是动态加热制度,还是静态加热制度);e)平均线性热膨胀系数的值α(to;t),采用10-6℃-1的表示方法。对于温度tovt,应使用标称温度(见7.4)。330
JC/T679—-1997
附录A
(标准的附录)
试样与推棒同轴度的调整
试样和推棒应尽量同轴,并且应在轴线内测量L。的值。实际上,试样的轴线与推棒的轴线存在微小的偏差。此偏差只有在整个试验过程中保持不变时,才能将其忽略不计。应保持推运动方向与有效的膨胀方向相同。同轴度的改变(例如由于仪器振动产生的同轴度改变)应通过采用图A1或图A2所示的装置避免。
减小坚直的试样支架与试样的同轴度改变的装置如图A1所示。轻轻摇动用铂丝制成的导向装置,可以使试样和推棒获得稳定的联接,即可限制水平方向(横向位移。由热胀产生的竖直方向(轴向)运动则不受影响。
事向绝
1用石英玻璃制成的试样固定管,具有平面与管轴线垂直的影胀仪底座和尾封;2一用石英玻璃制成的推棒;3一推导向装置、由铂丝制成,直径为0.5至1mm;4--试样导向装量,由铂丝制成,直径为0.5至1mm。注:在底座与推棒之间,为便于更换试样,将固定管切除一半。图A1在近似竖直操作的膨胀仪中,试样固定方法例图在水平方向操作的膨胀仪中,保证试样与推棒的同轴度的方法如图A2所示。试样的支撑由四个辊珠、圆柱形推棒和辊珠座组成。推棒的支撑由两个适当直径的珠组成。轻摇动此装置,试样和推棒即可同轴。
膨胀仪底坐
JC/T679--1997
1一底座由石英玻璃制成的试样固定管,2一由石英玻璃制成的推粹;3一由石英玻璃制成的辊珠座;4一由石英玻璃或红宝石制成的支承辊珠;5一由石英玻璃制成的辊珠座注:在推棒与底座之间、为了便于更换试样、将固定管切除一半。图A2在水平操作的膨胀计中,试样的固定方法例图332
小提示:此标准内容仅展示完整标准里的部分截取内容,若需要完整标准请到上方自行免费下载完整标准文档。