首页 > 建筑材料行业标准(JC) > JC 680-1997 硅镁加气混凝土空心轻质隔墙板
JC 680-1997

基本信息

标准号: JC 680-1997

中文名称:硅镁加气混凝土空心轻质隔墙板

标准类别:建筑材料行业标准(JC)

标准状态:现行

发布日期:1997-08-29

实施日期:1998-01-01

出版语种:简体中文

下载格式:.rar.pdf

下载大小:315022

相关标签: 加气 混凝土 空心 轻质

标准分类号

标准ICS号:建筑材料和建筑物>>建筑构件>>91.060.10墙、隔墙、房屋正面

中标分类号:建材>>建材产品>>Q15墙体

关联标准

采标情况:KSF 4914-1992 NEQ

出版信息

出版社:中国标准出版社

页数:12页

标准价格:15.0 元

相关单位信息

起草人:翁端衡

起草单位:中国建筑材料科学研究院房建材料与混凝土研究所

归口单位:全国水泥制品标准化技术委员会

提出单位:国家建筑材料工业局

发布部门:国家建筑材料工业局

标准简介

本标准规定了硅镁加气混凝土空心轻质隔墙板的产品分类,技术要求,试验方法,检验规则和产品标志,运输与贮存。本标准适用于工业与民用建筑的非承重内墙的硅镁加气混凝土空心轻质隔墙板(简称轻质隔墙板)。 JC 680-1997 硅镁加气混凝土空心轻质隔墙板 JC680-1997 标准下载解压密码:www.bzxz.net

标准图片预览

JC 680-1997 硅镁加气混凝土空心轻质隔墙板
JC 680-1997 硅镁加气混凝土空心轻质隔墙板
JC 680-1997 硅镁加气混凝土空心轻质隔墙板
JC 680-1997 硅镁加气混凝土空心轻质隔墙板
JC 680-1997 硅镁加气混凝土空心轻质隔墙板

标准内容

中华人民共和国建材行业标准
硅镁加气混凝土空心轻质隔墙板Hollow light partition of aerated concretewith silica and magnesium
JC680—1997
国家建筑材料工业局1997-08-29批准井发布1998-01-01实施
硅镁加气混凝土空心轻质隔墙板是我国目前在民用建筑中广泛采用的内隔墙轻质条板之一。由中华人民共和国建设部发布的JG3029一95《住宅内隔墙轻质条板》行业标准已于1996年7月1日颂布实施。因此本标准尽可能与该标准接近。在制订过程中,参照了韩国标准KSF4914—92《蒸压加气混凝土板》。本标准作为强制性行业标准颁布。本标准从1998年1月1日起实施。本标准由全国水泥制品标准化技术委员会归口。本标准负责起草单位:中国建筑材料科学研究院房建材料与混凝土研究所。本标准主要起草人:翁端衡
本标准由中国建筑材料科学研究院房建材料与混凝土研究所负资解释。本标准首次发布。
1范围
本标准规定了硅镁加气混凝土空心轻质隔墙板的产品分类,技术要求,试验方法,检验规则和产品标志,运输与贮存。本标准适用于工业与民用建筑的非承重内墙的硅镁加气混凝土空心轻质墙板(简称轻质隔墙板)。
2.引用标准
“下列标准包含的条文,通过在本标准中引用而构成为本标准的条文。本标谁出版时,所示版本均为有效。所有标准都会被修订,使用本标准的各方应探讨使用下列标准最新版本的可能性。
GB 1216~-85 外径千分尺
GB2828--87逐批检查计数抽样程序及抽样表(适用于连续批的检查)GB5464-85建筑材料不燃性试验方法GB9978--88建筑构件耐火试验方法GB/T7019—1997纤维水泥制品试验方法GBJ75--84建筑隔声测量规范
JC/T449~--91建筑材料用菱苦土3产品分类
3.1轻质隔墙板的产品分类
3.1.1轻质墙板按板型分为普通板、门框板、窗框板、过梁板。其代号见表1。
3.1.2轻质隔墙板的外形见图1。3.2产品标记
3.2.1标记方法
轻质隔墙板按以下图示方法标记:产品类型和代号
产品类
普通板
门棚板
过梁板
产品代号由主要原材料和类型代号组成,本产品代号为GM(代表硅镁)。3.2.2标记示例
板长2540mm,宽600mm,厚度60mm的轻质隔墙板门框板标记为:GMMB254×60X6JC680
3.3规格尺寸
轻质隔墙板按板厚分为60mm和90mm(简称60板、90板)两种。轻质隔墙板的规格尺寸应符合表2的规定。4技术要求
4.1主要原材料
4.1.1轻烧镁
轻烧镁应符合JC/T449优等品的规定,细度(0.08mm)方孔筛筛余不大于10%。576
Q5085885
轻燃壤板按以下邀游方法标记:4.1.2氟化镁
图1轻质隔墙板外形示意图
氯化镁应符合JC/T449附录A的规定。4.2外观质量
轻质隔墙板的规格尺寸
规格尺
注:其它规格尺寸的轻痛墙板,,由供需双方协商组织生产。
标推代号
板厚,cm
报宽,cm
极长.cm
焱翼代号
产品代号
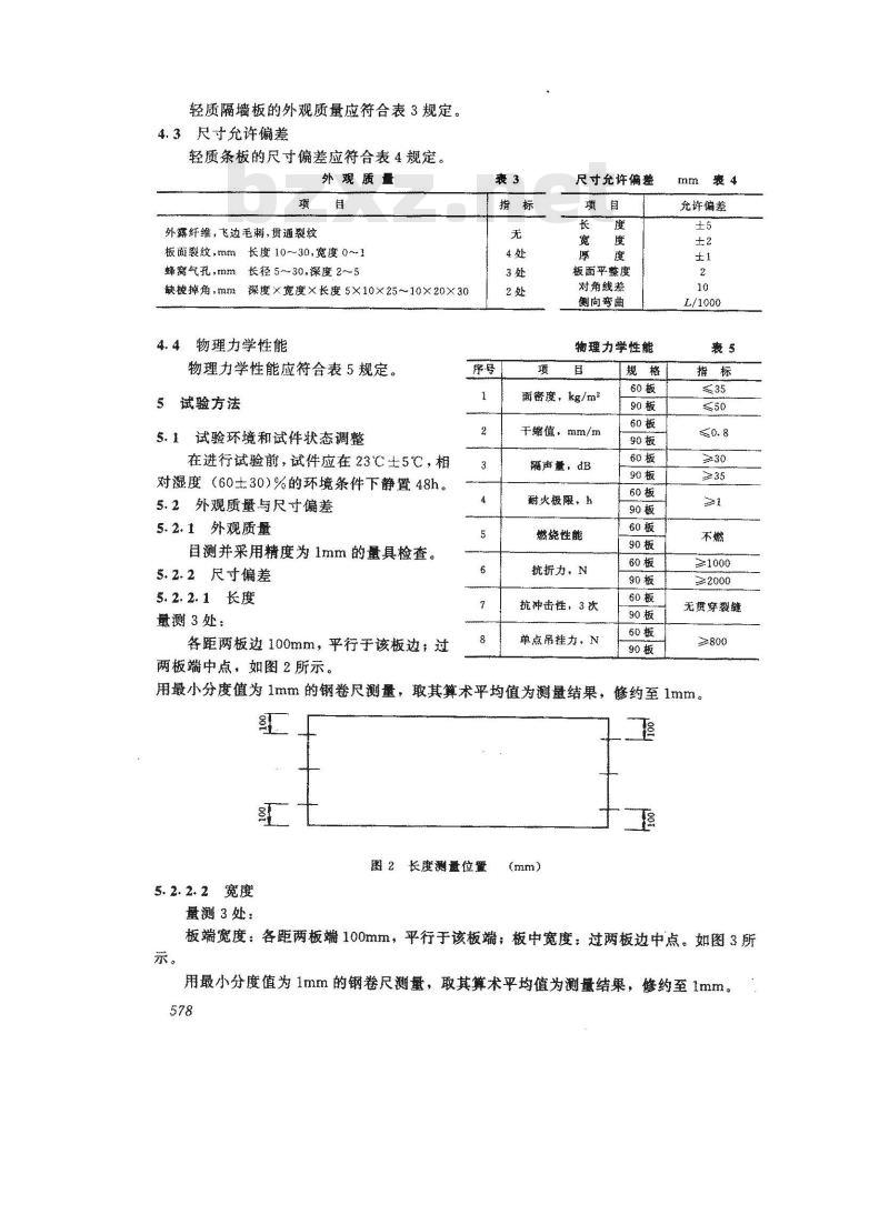
轻质隔墙板的外观质量应符合表3规定。4.3尺寸充许偏差
轻质条板的尺寸偏差应符合表4规定。外观质量
外露纤维,飞边毛刺,贯通数纹板面裂纹,mm长度10~30,宽度 0~1蜂激气孔联
长径530,深度2~5
深度×宽度×长度5×10×25~10×20×30缺掉角,mm
物理力学性能
物理力学性能应符合表5规定。
试验方法
5.1试验环境和试件状态调整
在进行斌验前,试件应在23℃士5℃,相对凝度(6030)%的环境条件下静置48h。5.2外观质量与尺寸偏差
5.2.1外观质量
目测并采用精度为1mm的量具检查。5.2.2尺寸偏差
5.2,2.1长度
量测3处:
各距两板边100mm,平行于该板边,过两板端中点,如图2所示。
尺寸允许偏差
板面羊度
对角綫差
侧向典
物理力学性能
面馨度,kg/m
干缩值,mm/m
再量,dB
耐火极限,
燃烧性能
揽折力,N
抗冲击性,3次
单点带挂力,N
充许偏差
L/1000
≥1000
≥2000
无贯穿裂綫
用小分度值为1mm的钢卷尺测量,取其算术平均值为测量结果,修药至1mm。
图 2 长度测量位置
5.2.2.2宽度
量测3处:
板端宽度:各距两板端100mm,平行于该板端;板中宽度:过两板边中点。如图3所示。
用最小分度值为1mm的钢卷尺测量,取其算术平均值为测量结果,修约至1mm。578
5.2.2.3厚度
量测6处。在各距板两端100mm,两边100mm处布置测点,如图4所示。用最小分度值为0.5mm的钢直尺,或用外卡钳和游标卡尺配合测量,取其算术平均值为测量结果,修约至1mm。
图3宽度测量
位置(mm))
5.2.2.4表面平整度
厚度测量位置
量测3处,用2m靠尺和楔形塞尺测量。第1处:使靠尺中点位于板中心处;另2处靠尺位置应与第1处靠尺位置在一条线上,且使靠尺的一端位于板长向板端上。取该3处靠尺与板面最大间隙为测量结果,修约至1mm。5.2.2.5对角线差
用最小分度值为1mm的钢卷尺量测两条对角线的长度,取其差值为测量结果,修约至1mm。
5.2. 2. 6
侧向弯曲
通过板边端点沿板面拉直测量用线,用最小分度值为0.5mm的钢直尺量测板侧向弯曲处,取其最大值为测量结果,读数精确至0.5mm。5.3物理力学性能
5.3.1面密度的测定
取轻质隔墙板三块,用称量不小于100kg,精度高于0.5kg的台秤称量板的质量,用式(1)计算面密度,取三块平均值为检测结果,计算精确至1kg/m2。m
-轻质条板的面密度,kg/m,
式中 —
-轻质条板的质量,kg;
一轻质条板的长度尺寸,mm;
B—轻质条板的宽度尺寸,mm。
5.3.2干缩值的测定
取轻质隔墙板一块,沿板宽方向截取宽度为100mm的试件五条,然后再切去试件两端凹凸的槽,使试件长度为520mm土10mm,在试件两个端面中心各钻一个10mm×13mm579
的孔洞,在孔洞内灌人水玻璃调合的水泥浆,然后在孔洞内埋置如图5所示的收缩头,收缩头的中心线与试件的中心线重合。试件制备好放置1d后,检查测头是否安装牢固,否则重装。将制备好的试件浸没在20℃士2℃的水中,水面高出试件20mm,浸泡72h,将试件从水中取出,用拧干湿布抹去表面水分,并将测头擦干净,立刻测定初始长度11,然后放入温度20℃土2℃,相对湿度(55土5)%的标准于燥空气室内,采用测长600~700mm,符合GB1216的千分尺进行收缩值测量,每1×45
图5收缩头
天测量1次,直至达到干缩平衡,即连续3d内任意2d的测长读数波动值小于0.001mm,量出试件干燥后的长度12。其于缩值见公式(2):f - 12
2×1000
于缩值,mm/m;
式中s
l-一试件初始长度,mm;
l2—-试件干燥后长度,mm;
1—两个收缩头长度之和,mm。
以五块试件试验值的算术平均值评定,计算精确至0.01mm/m。5.3.3空气隔声量测定
按 GBJ 75 的规定进行。
5.3.4耐火极限的测定
按GB9978的规定进行。
5.3.5不燃性试验
按GB5464规定进行。
5.3.6抗折力的测定
取轻质隔墙板二块,制备成1400mmX600mm的试件四块,将试件漫没在水槽中,水槽中水温为20℃士3℃,浸泡时间24h,试件取出后将试件表面水用湿毛巾擦干,即刻按照GB/T7019进行抗折力试验,支架跨距1.2m。取四块试件的断裂抗折力的算术平均值为检测数值,计算精确至1N。
5.3.7抗冲击性的测定
取轻质隔墙板三块,按图6所示组装并固定,上下钢管中心间距为板长减100mm,板缝用水泥水玻璃砂浆粘结,板与板之间挤紧,接缝处用玻璃纤维布搭接,并用水泥水玻璃砂浆刮平。1d后将如图7所示装有30kg、粒径2mm以下细砂的标准砂袋用直径15mm的绳子固定在其中心距板面100mm的钢环上,绳长为板长减1650mm。以绳长为半径沿圆弧将砂袋在与板面垂直的平面内拉开,使重心提高500mm(标尺测量),然后自由摆动下落冲击设定位置,反复3次,目测板背面有无贯通裂纹,记录检测结果。5.3.8单点吊挂力的测定
图6抗冲击性试验装置
1-钢管($50);2—横瓣固装量,3--固定横(10号热轧等边角钢)4一摄定台(上端加荷时,水乎绕度小于3mm)5一轻质磁增板拼装的隔壤试件,6一标推秒袋,细部图7所崇,7吊绳(直径15mm);8—带环(内径52mm)。a)取轻质隔墙板一块,在板中高2000mmm处,凿深×长×宽为50mmX40mm×90mm的孔洞,扫清残灰后,用水泥水玻璃浆(或其它粘结剂)粘结如图8所示的钢板吊挂件。吊挂件孔与板面间100mm,2h后,检查吊挂件安装是否牢固,否则重装。200
图7标准砂袋
1—帆布,2—注砂口;
3--皮萍(薄 smm,
宽40rmm,长70mm)
图8钢板带挂件单位:mm
b)将条板如图9所示固定,上下管间距(L一100)mm。c)避过钢板带挂件的孔,分二级加载,第一级加载400N,静蟹2mi,再加载400N,静置24h,观察板面有无贯通裂纹,吊挂区周围有无破损。记录检测结果。581
6检验规则
6.1出厂检验
产品出厂必须进行出厂检验,出厂检验项目为4.2、4.3的规定与抗折力。产品经出厂检验合格后方可出厂。
6.2型式检验
产品型式检验条件和检验项目见表6。6.3出厂检验及型式检验抽样方法6.3.1出厂检验抽样
产品出厂检验外观质量与尺寸偏差按GB2828中正常检查二次抽样方案,如表7。抗折力试验从外观质量与尺寸偏差检查合格的样品中任取二块进行。
6.3.2型式检验抽样
外观质量、尺寸差抽样按表7,物理力学性能应送9吊挂力测试装量单位:mm
1销管(50m)
2-固定横粱(10#热轧等边角钢);3—紧紫固攀栓,4-钢板吊挂件
从经外观质和尺寸偏差项目检验合格的产品中随机抽取样本进行试验,面密度、干缩值、隔群量、耐火极限、燃烧性能、抗折力、抗冲击性和单点吊挂力抽样数量分别根据5.3.1~5.3.8各项试验方法的规定进行。型式检验条件和检验项目
检验条件
试制的新产品进行投产鉴定时
产品的材料,配方工艺有重大改变,可能影响产品性能射
连续生产的产品,累计生产35000件时产品停产半年以上再恢复生产对出厂检验结果与上次型式检验结果有较大整异时
用户育特殊要求时
国家质量监督检验机构提出进行型式检验时6.4判定规
6.4.1出厂检验判定规则
6.4.盖.1外观质量与尺寸偏差
检验项目
4.2、4.3、4.4中全部规庭
4.2、4.3、4.4中全部规定
4.2、4.3、4.4中除隔声量,耐火极限不做的其它规定4.2、4.3、4.4中除隔声邀、火极限不嫩的其它规定4.2、4.3、4.4中全部规庭
4.2、4.3、4.4甲部分或全部规定4.2、4.3、4.4中全部规定
a)根据样本单位检验结果,若发现受测板外观质量及尺寸偏盖中无任何-一项不符合4.2和4.3中相应规定,则判该板是合格板。若发现受测板外观质量及尺寸偏差中有1项或多于1项不符合4.2和4.3中相应规定,则判该板是不合格板。b)根据样本检验结果,若在第一样本(n)中发现不合格板数(u)小于或等于表7中第一合格判定数(A),则判该批是合格批。若在第一批样本(n)中发现的不合格板数582
(u)大于或等于表7中第不合格判定数(R),则判该批是不格批。正常检套二次抽样方案
批量范围
151-280
281500
501--120
1201-~3200
3201~10000
1000135000
样本大小
合格判定数
不合格判定数
若在第一样本(n)中发现的不合格板数(u)大于第一台格判定数(A),同时又小于第一不合格判定数(R,),则抽第二样本(n2)进行检套。若在第一和第二样本中发现的不合格板数总和(u1十u2)小于或等于第二合格判定数(A),则判该批是合格批。著在第和第二样本中发现的不合格板数总和(u1十uz)大于或等于第二不合格判定数(R,),则判该批是不合格批。判定结果如表8。64.1.2抗折力
批量为2000块抽检1次。在外观质量与尺寸偏差合格的板中随机抽样二块,按5.3.6进行检测。
试样经验测后,全部符合标准为该批量合格,全部不符合标推该批量为不合格。有块不符合标准,董新随机捆样,全部符合标准为合格,否则为不合格。
6.4.1.3综合判定
外观质业与尺寸整判定结巢
(u+uz)A2
(ui+u2) ≥R2
合格批
不合格批
抽第二样本进行检验
合格批
不合格批
外观质量、尺寸偏差与抗折力均符合标准求时,判该批产品合格。6.4.2型检验判定规则
外观质量、尺寸偏差按6.4.1.1,物理力学性能根据样本检验结渠,若在第--样本中发现的不合格项目数为0,则判该型式检验合格,若在第一样本中发现的不合格项目数大于或等于2,则判该型式检验不合格。若在第一样本中发现的不合格项目数为1,刘抽第二样本对该不合格项目进行检验。第二样本检验,若无任一一项结巢不合格,则判该型式检验合格。若仍有项结果不合格,则判为不合格。
外观质量、尺寸偏差与物理力学性能符合4.2、4.3、4.4要求时,则判型式检验合格。7标志、运输与购存
7.1标志
每块出厂产品应附有质量合格标志,每批产品出厂应附有合格证。合格证上应有以下内容:
a)产品名称、标记;
b)生产厂名、地址;
c)生产日期、生产批号;下载标准就来标准下载网
d)检验人员、质检机构签章。
7.2运输
产品应侧立搬运,禁止平抬。运输过程中应侧立打捆,用绳索捆紧,支撑合理,防止撞击,避免破损和变形。室外存放应有遮盖,防止雨淋。7.3贮存
7.3.1产品存放场地应坚实平整,干燥通风,防止侵蚀介质和雨水浸害。7.3.2产品应按类型、规格分类贮存。贮存应采用侧立式,码放要求整齐,堆码不超过三层。
小提示:此标准内容仅展示完整标准里的部分截取内容,若需要完整标准请到上方自行免费下载完整标准文档。