首页 > 建筑材料行业标准(JC) > JC/T 684-1997 氯化聚乙烯----橡胶共混防水卷材
JC/T 684-1997

基本信息

标准号: JC/T 684-1997

中文名称:氯化聚乙烯----橡胶共混防水卷材

标准类别:建筑材料行业标准(JC)

标准状态:现行

发布日期:1997-10-14

实施日期:1998-04-01

出版语种:简体中文

下载格式:.rar.pdf

下载大小:147873

相关标签: 氯化 聚乙烯 橡胶 防水 卷材

标准分类号

标准ICS号:建筑材料和建筑物>>建筑材料>>91.100.50粘合料、密封材料

中标分类号:建材>>建材产品>>Q17屋面、铺面防水与防潮材料

关联标准

出版信息

出版社:中国标准出版社

页数:8页

标准价格:12.0 元

相关单位信息

起草人:曹乃明、陈国珍、甄玉成、肖永贵、方文琴、肖丰

起草单位:北京市建筑工程研究院、北京橡胶十厂

归口单位:全国轻质与装饰装修建筑材料标准化委员会

提出单位:北京市建筑工程研究院

发布部门:国家建筑材料工业局

标准简介

本标准规定了氯化聚乙烯一橡胶共混防水卷材的技术要求,试验方法,检验规则及标志、包装、运输和贮存要求。本标准适用于氯化聚乙烯一橡胶共混、无织物增强的硫化型防水卷材。 JC/T 684-1997 氯化聚乙烯----橡胶共混防水卷材 JC/T684-1997 标准下载解压密码:www.bzxz.net

标准图片预览

JC/T 684-1997 氯化聚乙烯----橡胶共混防水卷材
JC/T 684-1997 氯化聚乙烯----橡胶共混防水卷材
JC/T 684-1997 氯化聚乙烯----橡胶共混防水卷材
JC/T 684-1997 氯化聚乙烯----橡胶共混防水卷材
JC/T 684-1997 氯化聚乙烯----橡胶共混防水卷材

标准内容

JC/T 684—1997
氯化聚乙烯-橡胶共混防水卷材自1985年研制成功并推广应用以来,在全国已形成规模生产,积累了生产与工程实践经验。
该卷材性能特点不同于已有标准中的其他合成高分子防水卷材,为保证产品质量满足工程需要,特制定本标准。
本标准自1998年4月1日起实施。本标准由北京市建筑工程研究院提出。本标准由全国轻质与装饰装修建筑材料标准化委员会归口。本标准起草单位:北京市建筑工程研究院、北京橡胶十厂。本标准主要起草人:曹乃明、陈国珍、甄玉成、肖永贵、方文琴、肖丰。本标准为首次发布。
中华人民共和国建材行业标准
氯化聚乙烯-橡胶共混防水卷材
Waterproof sheet of chlorinated polyethyleneblended with rubber
JC/T 684—1997
本标准规定了氯化聚乙烯-橡胶共混防水卷材的技术要求,试验方法,检验规则及标志、包装、运输和贮存要求。
本标准适用于氯化聚乙烯-橡胶共混、无织物增强的硫化型防水卷材。引用标准
下列标准所包含的条文,通过在本标准中引用而构成为本标准的条文。本标准出版时,所示版本均为有效。所有标准都会被修订,使用本标准的各方应探讨使用下列标准最新版本的可能性。GB326—1989石油沥青纸胎油毡、油纸沥青防水卷材试验方法
GB/T 3281989
GB/T 528—1992
GB/T 529—1991
GB/T 532—1989
GB/T 1682—1982
GB/T 3512--1989
GB/T 7762--1987
GB 12952-1991
3产品分类
3.1类型
硫化橡胶和热塑性橡胶拉伸性能的测定硫化橡胶撕裂强度的测定(裤形、直角形和新月形试样)硫化橡胶与织物粘合强度的测定硫化橡胶脆性温度试验方法
橡胶热空气老化试验方法
硫化橡胶耐臭氧老化试验
静态拉伸试验法
聚氯乙烯防水卷材
按物理力学性能分为S型、N型两种类型。3.2规格
规格尺寸见表1。
表1规格尺寸
度/mm
1.0,1.2,1.5,2.0
3.3标记
3.3.1标记方法
度/mm
1 000,1100,1200
产品按下列顺序标记:产品名称、类型、厚度、标准号。3.3.2标记示例
厚度1.5mmS型氯化聚乙烯-橡胶共混防水卷材标记为:国家建筑材料工业局1997-10-14批准长
1998-04-01实施
4技术要求
4.1外观质量
表面平整,边缘整齐。
JC/T 684-1997
JC/T 684
表面缺陷应不影响防水卷材使用,并符合表2规定表2外观质量
尺寸偏差
每卷不超过2处,总长不大于20mm不充许有大于0.5mm颗粒
每卷不超过6处,每处面积不大于4mm外观质量要求
标准号
氯化聚乙烯一橡胶共混防水卷材每卷不超过6处,每处不大于7mm,深度不超过卷材厚度的30%每卷不超过1处,短段不得少于3000mm,并应加长150mm备作搭接应符合表3的规定。wwW.bzxz.Net
表3尺寸偏差
厚度允许偏差/%
4.3物理力学性能
应符合表4的规定。
拉伸强度/MPa
断裂伸长率/%
直角形撕裂强度/(kN/m)
不透水性(30min)
热老化保持率
(80℃±2℃,168h)
脆性温度
表4物理力学性能
拉伸强度/%
断裂伸长率/%
宽度与长度允许偏差
不允许出现负值
不透水
不透水
-20℃
JC/T684—1997
表4(完)
臭氧老化(500pphm,168h×40℃,静态)粘结剥离强度(卷材
与卷材)
浸水168h,保持率/%
热处理尺寸变化率/%
5试验方法
外观检查
用目测及精度为1 mm的量具检查。5.2尺寸偏差
伸长率40%
无裂纹
伸长率20%
无裂纹
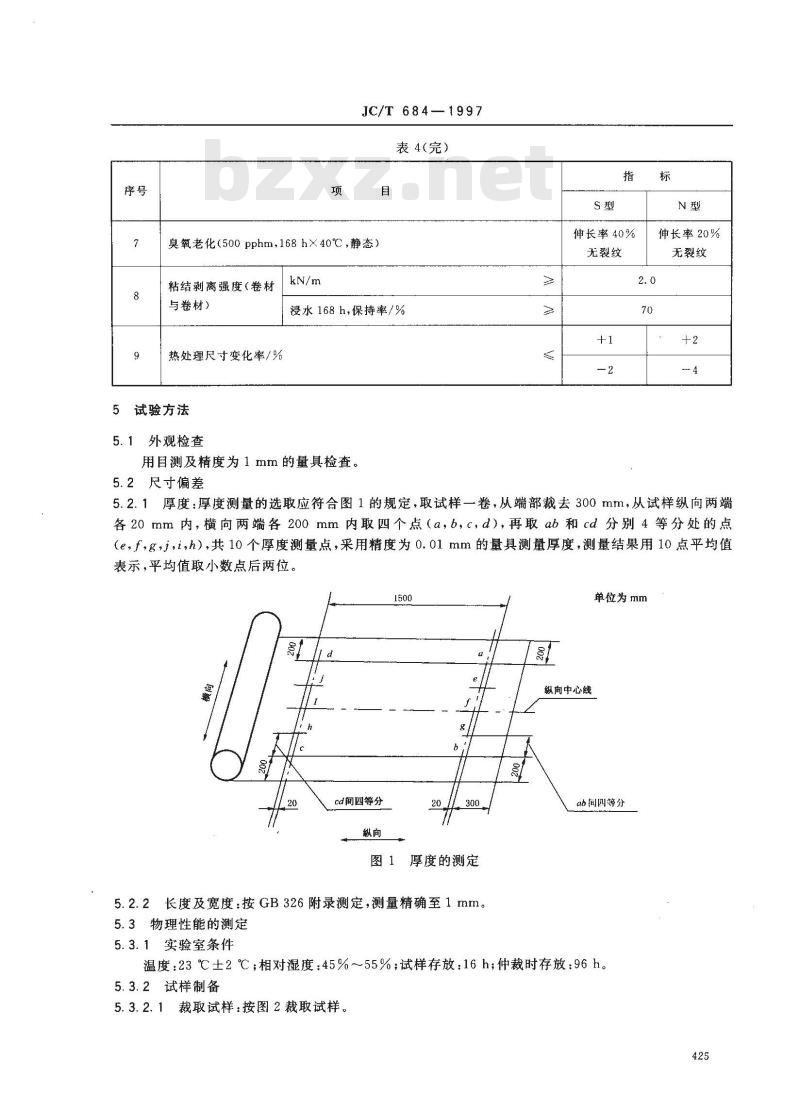
5.2.1厚度:厚度测量的选取应符合图1的规定,取试样一卷,从端部裁去300mm,从试样纵向两端各20mm内,横向两端各200mm内取四个点(a,b,c,d),再取ab和cd分别4等分处的点(e,f,g,3,i,h),共10个厚度测量点,采用精度为0.01mm的量具测量厚度,测量结果用10点平均值表示,平均值取小数点后两位。1500
cd间四等分
图 1 厚度的测定
5.2.2长度及宽度:按GB326附录测定,测量精确至1mm。5.3物理性能的测定
5.3.1实验室条件
纵向中心线
单位为mm
ab间四等分
温度:23℃±2℃;相对湿度:45%~55%试样存放:16h;仲裁时存放:96h。5.3.2试样制备
5.3.2.1裁取试样:按图2裁取试样。425
JC/T 684-1997
试样」
试样II
250_250
图2试样裁取部位
切取试件:将测完厚度的试样按图3和表5切取试样。5.3.2.2
图3试件裁取部位示意图
表5试件尺寸和数量
试验项目
拉伸强度与
断裂伸长率
直角撕裂强度
臭氧老化
不透水性
粘结剥离强度
脆性温度
热处理尺寸变化率
5.3.3测定
23℃±2℃
热老化保持率
23℃±2℃
试件代号
A-1 A'-1 
A-2 A'-2
B-1 B'-1
D-1 D'--1
F-1 F-2 
单位为mm
单位为mm
试件尺寸/mm
GB/T528中1型裁刀
GB/T529中规定
GB/T528中1型裁刀
150×150
150×25
GB/T1682规定
100×100
5.3.3.1拉伸强度、断裂伸长率的测定按GB/T528的规定进行。426
试件数量
JC/T 684—1997
5.3.3.2撕裂强度(直角形试样)按GB/T529的规定进行。5.3.3.3不透水性按GB/T328的规定进行,透水盘的压盖采用GB12952规定的金属槽盘。5.3.3.4热空气老化按GB/T3512的规定进行。5.3.3.5脆性温度按GB/T1682的规定进行。5.3.3.6臭氧老化按GB/T7762的规定进行。5.3.3.7剥离强度按GB/T532规定进行。5.3.3.8热处理尺寸变化率按GB12952的规定进行。6检验规则
6.1检验分类
卷材产品的检验分为出厂检验与型式检验。6.1.1出厂检验
出厂检验项目包括规格与尺寸偏差、外观质量、拉伸强度、断裂伸长率,直角形撕裂强度,不透水性6.1.2型式检验
型式检验包括技术要求中的全部项目。有下列情况之一时,应进行型式检验:a)新产品试制或老产品转厂生产的试制定型鉴定;b)正常生产时,每年进行1次型式检验;c)产品的原料、配方、工艺有较大改变,有可能影响产品质量时;d)产品停产1年以上,恢复生产时;e)出厂检验结果与上次型式检验有较大差异时。f)国家质量监督机构提出进行型式检验要求时。6.2组批与抽样
以同规格同类型的卷材250卷为一批,不足250卷时亦可作为一批,从每批产品中任取三卷进行检验。6.3判定规则
6.3.1尺寸偏差与外观质量:检查三卷的规格尺寸、外观质量全部符合4.1、4.2的要求时则判为合格;若有1项指标未达到要求时,则应从同批产品中再任取三卷进行检查,全部符合标准要求时,则判为合格;若仍有1项指标未达到要求,则判该批产品不合格。6.3.2物理力学性能:在规格尺寸、外观检查合格的卷材中任取一卷作物理力学性能检验。检验结果符合表4相应类型指标时,则判为该类型;若有1项指标不符合标准要求时,则在另一卷上重新取样对该项指标进行复验,达到要求时则判为该类型;若仍未达到要求,则判该批产品不合格。7包装、标志、运输及贮存
7.1防水卷材在纸芯或其他芯形上用包装纸成卷包装,每卷卷材应沿包装面的整个宽度上包装。7.2每卷产品包装上应清楚标明下列内容:a)生产厂名;
b)商标;
c)产品标记;
d)生产日期;
e)检查合格的印章。
7.3不同规格、类型的产品不应混放。卷材应在干燥、通风的环境下平放贮存,垛高不得超过1m。7.4运输时产品必须平放成垛,垛高不得超过1 m,不得倾斜。7.5在正常运输与贮存的条件下,产品自生产之日起计算贮存期为1年。427
小提示:此标准内容仅展示完整标准里的部分截取内容,若需要完整标准请到上方自行免费下载完整标准文档。