首页 > 建筑材料行业标准(JC) > JC/T 687-1998 玻璃水平钢化辊道窑用石英陶瓷辊
JC/T 687-1998

基本信息

标准号: JC/T 687-1998

中文名称:玻璃水平钢化辊道窑用石英陶瓷辊

标准类别:建筑材料行业标准(JC)

标准状态:现行

发布日期:1998-05-14

实施日期:1998-10-01

出版语种:简体中文

下载格式:.rar.pdf

下载大小:161658

相关标签: 玻璃 水平 石英 陶瓷

标准分类号

标准ICS号:玻璃和陶瓷工业>>陶瓷>>81.060.20陶瓷制品

中标分类号:建材>>陶瓷、玻璃>>Q32特种陶瓷

关联标准

出版信息

页数:7页

标准价格:12.0 元

相关单位信息

起草人:袁向东、刘京玲、吴翠珍、孙星民、王向荣、崔文亮

起草单位:国家建筑材料工业局山东工业陶瓷研究设计院

归口单位:全国工业陶瓷标准化技术委员会

提出单位:国家建筑材料工业局

发布部门:国家建筑材料工业局

标准简介

本标准规定了玻璃水平钢化辊道窑用石英陶瓷辊的产品品种和标记、技术要求、试验方法、检验规则、标志、包装、运输和贮存等。本标准适用于玻璃水平钢化辊道窑中承托和传输玻璃用的石英陶瓷辊(以下简称石英瓷辊)。 JC/T 687-1998 玻璃水平钢化辊道窑用石英陶瓷辊 JC/T687-1998 标准下载解压密码:www.bzxz.net

标准图片预览

JC/T 687-1998 玻璃水平钢化辊道窑用石英陶瓷辊
JC/T 687-1998 玻璃水平钢化辊道窑用石英陶瓷辊
JC/T 687-1998 玻璃水平钢化辊道窑用石英陶瓷辊
JC/T 687-1998 玻璃水平钢化辊道窑用石英陶瓷辊
JC/T 687-1998 玻璃水平钢化辊道窑用石英陶瓷辊

标准内容

中华人民共和国建材行业标准
JC/T687-1998
玻璃水平钢化辊道案用石英陶瓷辑1998-05-14发布
国家建筑材料工业局
1998-10-01实施
JC/T687-1998
本标准是参照美国Ceradyne公司和法国Vesuvius公司的产品说明书、产品图纸及美国Ford公司石英瓷辑和美国GLasstech公司钠化炉用石英瓷辊的实测数据并结合国内生产厂家生产的石英辑产品的实测数据制订的。
本标准由全国工业陶瓷标准化技术委员会归口。本标准起草单位:国家建筑材料工业局山东工业陶瓷研究设计院。本标准主要起草人:袁向东刘京玲吴翠珍孙星民王向荣崔文亮本标准首次发布于1998年5月14日。区
标群行业科童
1范围
中华人民共和国建材行业标准
玻璃水平钢化辊道窑用石英陶瓷辊JC/T687-1998
本标准规定了玻璃水平钢化轭道密用石英陶瓷辑的产品品种和标记、技术要求、试验方法,检验规则、标志、包装、运输和贮存等。本标准适用于玻璃水平钢化辊道窑中承托和传输玻璃用的石英陶瓷辊(以下简称石英瓷辊)。2引用标准
下列标准所包含的条文,通过在本标准中引用而构成为本标准的条文,在本标准出版时,所示版本均为有效。所有标准都会被修订,使用本标准的各方应探讨使用下列标准最新版本的可能性。GB2997一82致密定形耐火制品显气孔率,吸水率,体积密度和真气孔率试验方法GB3001-82
耐火制品常湿抗折强度试验方法耐火制品高温抗折强度试验方法GB3002-82
GB5072-85
致密耐火制品常温耐压强度试验方法GB6901-86
GB7320-87
硅质耐火材料化学分析方法
耐火制品热膨胀试验方法
3产品品种和标记
3.1品种
根据钢轴套支承传动方式分链条支承传动(LT)和轴承支承传动(ZC)两种。3.2形状和规格
形状和规格如图1、图2。具体尺寸规格由供需双方协商确定。D
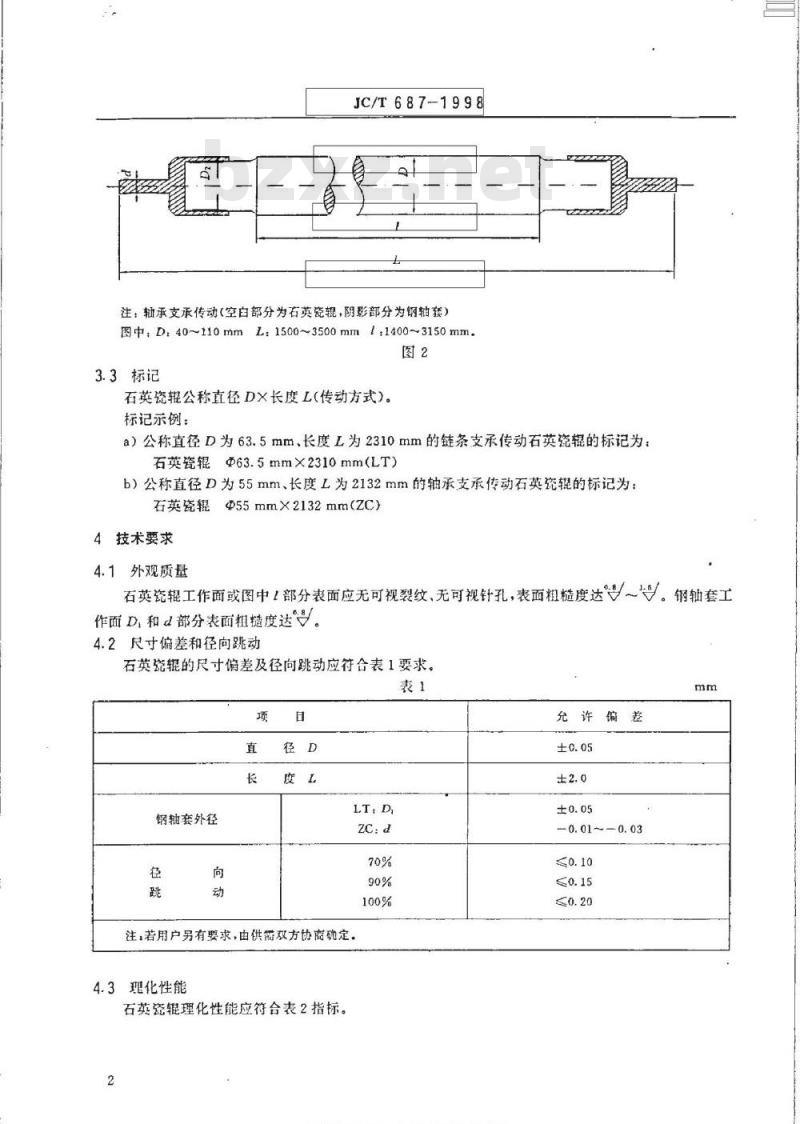
注:链条支承传动(空白部分为石英瓷辑,阴影部分为钢轴套)图1
国家建筑材料工业局1998-05-14批准准换
多类标准行业隆科免费下款
1998-10-01实施
JC/T687-1998
注:轨承支承传动(空白部分为石英瓷辑,阴影部分为钢轴套)图中,D40~110mmL:1500~3500mml:1400~3150mm图2
3.3标记
石英瓷辑公称直径DX长度L(传动方式)。标记示例:
a)公称直径D为63.5mm、长度L为2310mm的链条支承传动石英瓷辊的标记为:石英瓷辊@63.5mm×2310mm(LT)b)公称直径D为55mm、长度L为2132mm的轴承支承传动石英瓷辑的标记为:石英瓷辑Φ55mm×2132mm(ZC)4技术要求
4.1外观质量
石英瓷辑工作面或图中!部分表面应无可视裂纹、无可视针孔,表面粗糙度达~V。钢轴套工作面D,和d部分表面粗糙度达。4.2尺寸偏差和径向跳动
石英瓷辊的尺寸偏差及径向跳动应符合表1要求。表1
钢轴套外径
注:若用户另有要求,由供需双方协商确定。4.3现化性能
石英瓷辑理化性能应符合表2指标。2
多类准标业水
充许偏差
-0.01~-0.03
SiO.含量wt%
显气孔率%
体积密度g/cm
常温耐压强度MPa
常温抗折强度MPa
高温抗折强度MPa
(1100 Cx0.5 h)
热膨胀系数C-1
(RT~1000 C)
5试验方法
5.1径向跳动和尺寸偏差的测量
JC/T687-1998
技术指标
a)径向跳动检测:将钢轴套工作面D,或d架于标准V型铁上,用手匀速转动石英瓷辊360°用百分表分别在石英瓷1/4L、1/2L、3/4L处量取三点,取最大值。b)外径尺寸偏差检测:用外径于分尺分别测量石英瓷辑1/4L,1/2L、3/4L处和钢轴套工作面上的任意两点的直径,每处截面的XY轴向各测一次(精确至0.05mm),取其算术平均值与公称直径之差,即为该处外径尺寸偏差,以最大值作为测基结果。c)长度检测:用分度值为1mm的钢卷尺沿石英瓷辊长度方向测量。5.2外观质量检测
用目测或表面粗糙度仪检测。
5.3显气孔率、体积密度
按GB2997进行。试样从未加工的辑坏上或从意外断辑中随机切取,也可使用常温抗折强度试验后的样品,试样数量为五块。
5.4SiO,含量
按GB6901进行。
5.5常湿耐压强度
按GB5072进行,样品从未冷加工的辑坏上或从意外断辑中随机切取,样品尺寸为边长40~100mm的立方体,也可以用冷加工后的辑坏切成与直径等高的圆柱体,样品数量为五块。5.6常温抗折强度
按GB3001进行,样品从未冷加工的辑坏上或从意外断辑中随机切取,样品尺寸为:(25士2)mm×(25士2)mm×(125~130)mm,样品数量为五块。5.7高温抗折强度
按GB3002进行,样品从未冷加工的辑坏上或从意外断辑中随机切取,样品尺寸为:(25土2)mm×(25土2)mm×(125~130)mm,样品数量为五块。5.8热膨胀系数
按GB7320进行,样品从未加工的辊坏上或从意外断辑中随机切取,样品尺寸为直径(8~16)mm、长度50mm或直径8mm、长度15mm的圆柱体,样品数量为二块。3
标准报报息bnm各类标准行业资剂免营下载6检验规则
6.1检验分类
JC/T687-1998
产品的检验分出厂检验和型式检验两种。6.1.1出厂检验
所有产品出厂前必须作出厂检验,检验项目为外观质量、径向跳动和尺寸偏差。6.1.2型式检验
检验项目为本标准技术要求规定的所有项目,在工艺技术条件不改变的情况下,每一年至少检验一次。当工艺条件变化时,随时进行检验。6.2组批与抽样
6.2.1组批
每一订货合同签订的同一形状、规格的石英瓷辑编为一批。6.2.2抽样规则
型式检验时,石英瓷辑尺寸偏差、径向跳动和外观质基从每一组批成品中随机抽取,抽取数量按表3。如用户另有要求供需双方协商确定。组批数量
>20根
抽样数量
1~3根
3~6根
理化性能:从每一组批准备冷加工的辑坏上、下切头或意外断银中随机抽取试样,由拍取试样中随机切取试验方法规定的样品尺寸和样品数量。若不能在产品上切取时,也可按相同配方相同工艺条件制成试验方法中要求的试样。
6.3判定规则
6.3.1尺寸偏差和外观质欣检验时,抽取的每一根产品都必须符合本标准规定的技术指标,若有一条不符合,则在本批产品中重新加倍抽检,如复验结果仍有一项不符合本标准规定的指标,则判定本批产品为不合格品。径向跳动检验时,抽取的每一组产品应符合本标准表1的规定,否则,在本批产品中重新加倍抽检,若复验结果仍达不到本标准规定的要求,则判定木批产品为不合格品。6.3.2理化性能检验时,每组试样平均值应达到该标准中相应检验项目的规定指标,如果某项性能达不到表2规定指标,则对该项目重新加倍抽样复验,若复验结果仍不合格,则判定本批产品为不合格品。7标志、包装、运输和贮存
7.1标志
7.1.1产品及合格证标志
产品应有产品商标生产厂名,每包装箱内应具有产品合格证,其中应载明如下内容:a)合格证编号、数量:
b)产品名称、规格、类别及生产年月:c)生产厂名称、厂址;
d)本标准号:
e)检验部门及检验人员签章。
7.1.2包装标志
各实远准行业wwW.bzxz.Net
每包装箱外应有下列标志:
a)产品名称、规格;
b)生产厂名称、厂址;
c)易碎品和防雨标志。
JC/T687-1998
7.2包装
产品应以封闭木箱包装,每根石英瓷辑用1~2cm厚海绵分别包裹存放箱中,并用铁丝捆紧箱盖。7.3运输
产品在运输中不得受潮和撞击。7.4贮存
产品在室内应按不同规格分别装入包装箱存放,码放时不宜超过5层,不得受潮、挤压和撞击。henon落标准行业能免带下载
准授图
中华人民共和国建材
行业标准
玻璃水平钢化辑道窑用石美陶瓷辑JC/T687-1998
国家建筑材料工业局标准化研究所出版发行地址:北京朝阳区管庄
邮政编码:100024
电话:65755125
机械科学研究院标准出版中心印刷版权专有不得翻印
开本880×12301/16印张1/2
字数16.000
1998年7月第一版1998年7月第一次印剃编号1092
落类标准行业培能免学下载
bteososo
小提示:此标准内容仅展示完整标准里的部分截取内容,若需要完整标准请到上方自行免费下载完整标准文档。