首页 > 建筑材料行业标准(JC) > JC/T 698-1998 石膏砌块
JC/T 698-1998

基本信息

标准号: JC/T 698-1998

中文名称:石膏砌块

标准类别:建筑材料行业标准(JC)

标准状态:现行

发布日期:1998-10-23

实施日期:1999-04-01

出版语种:简体中文

下载格式:.rar.pdf

下载大小:130503

相关标签: 石膏 砌块

标准分类号

标准ICS号:建筑材料和建筑物>>建筑材料>>91.100.10水泥、石膏、石灰、砂浆

中标分类号:建材>>其他非金属矿制品>>Q62石膏制品

关联标准

采标情况:DIN 18163-1978 NEQ

出版信息

页数:7页

标准价格:14.0 元

相关单位信息

起草人:徐柱琦

起草单位:中国新型建筑材料工业杭州设计研究院

归口单位:全国轻质与装饰装修建乒材料标准化技术委员会

提出单位:全国轻质与装饰装修建乒材料标准化技术委员会

发布部门:国家建筑材料工业局

标准简介

本标准规定了石膏砌块的技术要求、试验方法、检验规则和标志、运输及贮存等。本标准适用于建筑物中砌筑非承重内墙用的石膏砌块. JC/T 698-1998 石膏砌块 JC/T698-1998 标准下载解压密码:www.bzxz.net

标准图片预览

JC/T 698-1998 石膏砌块
JC/T 698-1998 石膏砌块
JC/T 698-1998 石膏砌块
JC/T 698-1998 石膏砌块
JC/T 698-1998 石膏砌块

标准内容

JC/T698-1998
本标准非等效采用德国工业标准DIN18163-1978《石膏砌块性能、要求与检验》。本标准与DIN18163的不同之处在于:本标准增加了防潮石膏砌块品种,相应地增加了该类产品的软化系数指标。
本标准由全国轻质与装饰装修建筑材料标准化技术委员会提出并归口。本标准由中国新型建筑材料工业杭州设计研究院负责起草,中国建筑科学研究院建材所、重庆华能建材有限公司、大连建材工艺厂和宁波市长宏新型墙体材料厂参加起草。本标准主要起草人:徐柱琦。
本标准委托中国新型建筑材料工业杭州设计研究院负责解释。365
1范围
中华人民共和国建材行业标准
石膏砌块
Gypsum blocks
JC/T 698- 1998
本标准规定了石膏砌块的技术要求、试验方法、检验规则和标志、运输及贮存等。本标准适用于建筑物中筑非承重内墙用的石膏砌块。2定义
本标准采用下列定义。
2.1石膏砌块:以建筑石膏为主要原料,经加水搅拌、浇注成型和干燥制成的轻质建筑石膏制品。生产中允许加人纤维增强材料或轻集料,也可加人发泡剂。2.2表面:隔墙上的石膏砌块可见部分。2.3长度:石膏砌块表面平行于边部的长边尺寸。2.4高度:石膏砌块表面平行于边部的短边尺寸。2.5厚度:石膏砌块两表面之间的垂直距离。3产品分类
3.1分类
3.1.1按石膏砌块的结构分成两类。3.1.1.1石膏空心砌块
带有水平或垂直方向的预制孔洞的砌块,代号K。3.1.1.2石膏实心砌块
无预制孔洞的砌块,代号S。
3.1.2按所用石膏来源分成两类。3.1.2、1天然石膏硼块
用天然石膏作原料制成的砌块,代号T。3.1.2.2化学石膏砌块
用化学石膏作原料制成的砌块,代号H。3.1.3按砌块的防潮性能分成两类。3.1.3.1普通石膏砌块
在成型过程中未作防潮处理的砌块,代号P。3.1.3.2防潮石膏砌块
在成型过程中经防潮处理,具有防潮性能的砌块,代号F。3.2规格
石膏砌块外形为长方体,纵横边缘分别设有头和槽,其规格为:a)长度为666mm;
国家建筑材料工业局1998-10-23批准366
1999-04-01实施
b)高度为500mm;
JC/T 698--1998
c)厚度为60mm.80mm、90mm.100mm.110mm、120mm。可根据用户要求生产其他规格的产品,其质量应符合本标准的要求。3.3产品标记
3.3.1标记方法
标记的顺序为:产品名称、类别代号、规格尺寸和标准号。3.3.2标记示例
用天然石膏作原料制成的长度为666mm、高度为500mm、厚度为80mm的普通石膏空心砌块,标记为:
石膏砌块KTP
4技术要求
4.1外观质量
666X500X80
JC/T 698—-1998
砌块表面应平整、棱边平直,外观质量应符合表1的规定。表1外观质量
板面裂纹
2尺寸偏差
同一砌块不得多于1处,缺角尺寸应小于30mm×30mm非贯穿裂纹不得多于1条,裂纹长度小于30mm,宽度小于1mm不允许
直径5~10mm,不多于2处;≥10mm,不充许石膏砌块的尺寸偏差应不大于表2的规定。表2尺寸偏差
4.3表观密度
60.80、90、100、110、120
尺寸偏差
实心砌块的表观密度应不大于1000kg/m2,空心砌块的表观密度应不大于700kg/m。单块砌块质量应不大于30kg。
4.4平整度
石膏砌块表面应平整,平整度应不大于1.0mm。4.5断裂荷载
石膏砌块应有足够的机械强度,断裂荷载值应不小于1.5kN。4.6软化系数
石膏砌块的软化系数应不低于0.6。该指标仅适用于防潮石膏砌块。5试验方法
5.1试验仪器
5.1.1钢板尺:最大量程1000mm,分度值1mm。mm
JC/T698-—1998
5.1.2游标卡尺:最大量程200mm,分度值0.02mm。5.1.3塞尺:二级,分度值0.01mm。5.1.4磅秤:最大称量50kg,分度值200g。5.1.5抗折试验机:最大量程5000N,示值误差1%。5.2试样
5.2.1从相同规格、型号的产品中随机抽取三块组成一组试样。5.2.2试样用于外观质量检查、尺寸偏差、单块质量、表观密度、平整度、断裂荷载等测定;对于防潮石膏砌块增加三块,用作软化系数测定。5.3试验步骤
5.3.1外观质量检查
在0.5m远处光照明亮的条件下,对每个试件进行目测检查,并用钢板尺测量非贯穿裂纹和缺角尺寸,记录表面质量缺陷情况。
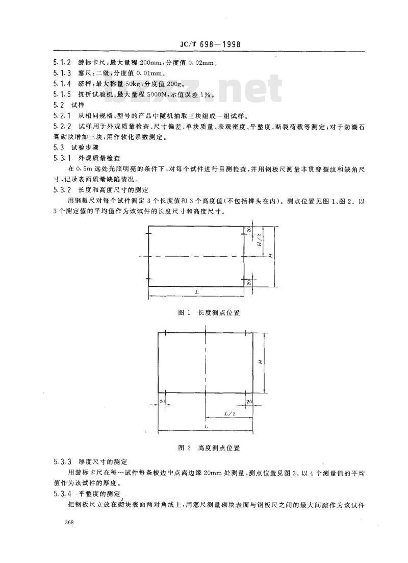
5.3.2长度和高度尺寸的测定
用钢板尺对每个试件测定3个长度值和3个高度值(不包括头在内)。测点位置见图1、图2。以3个测定值的平均值作为该试件的长度尺寸和高度尺寸。主
图1长度测点位置
图2高度测点位置
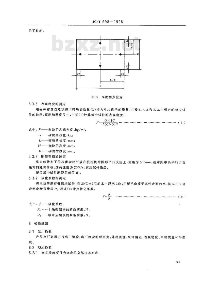
5.3.3厚度尺寸的测定下载标准就来标准下载网
用游标卡尺在每-一试件每条棱边中点离边缘20mm处测量,测点位置见图3。以4个测量值的平均值作为该试件的厚度。
5.3.4平整度的测定
把钢板尺立放在砌块表面两对角线上,用塞尺测量砌块表面与钢板尺之间的最大间隙作为该试件368
的平整度。
5.3.5表观密度的测定
JC/T 698-- 1998
图3厚度测点位置
用磅秤称量自然状态下砌块的质量(G)即为单块砌块的质量,并按5.3.2和5.3.3测定的相应试件的长度、高度和厚度尺寸,由式(1)计算每个试件的表观密度:P
式中:P-
砌块的表观密度,kg/m;
G-—砌块的质量,kg;
一砌块的长度,mm;
H—砌块的高度,mm;
B-砌块的厚度,mm。
5.3.6断裂荷载的测定
G×109
将自然状态下的石膏砌块平放在抗折机的圆形平行支座上,支距为500mm,在跨距中央平行于支座方向施加荷载,加荷速度为20N/s,直到试件断裂。记录每个试件断裂荷载值R1。
5.3.7软化系数的测定
将三块防潮石膏砌块试件,在20℃土3℃的水中浸泡24h,用湿毛巾擦干试件表面的水,按5.3.6规定测定断裂荷载R2,用式(2)计算软化系数:f
式中:f软化系数;
R.-干燥时砌块的断裂荷载,N;
R2—吸水后砌块的断裂荷载,N。6检验规则
6.1出厂检验
产品出厂必须进行出厂检验,出厂检验的项目为:外观质量、尺寸偏差、表观密度、单块质量和平整度。
6.2型式检验
6.2.1型式检验项目为标准的全部技术要求。369
JC/T 698-1998
6.2.2有下列情况之一时,应进行型式检验:a)产品的原料、配方、工艺有较大改变,可能影响产品质量时;b)产品停产半年以上恢复生产时;c)正常生产满半年时,
d)国家产品质量监督抽查时。
6.3抽样
石膏砌块应按批检验。每500块同类型、同规格的产品为一批,不足500块时也按一批计。普通石膏砌块从每批产品中随机抽取三块作为一组试样,防潮石膏砌块抽取六块为一组试样。6.4判定规则
石膏砌块的断裂荷载、软化系数、外观质量、尺寸偏差、表观密度、单块质量和平整度指标,其中有一项不合格,即为不合格试件,不合格试件多于一块时,该产品判为不合格。7标志、运输及贮存
7.1产品出厂应随带发货清单,标明产品标记、商标、生产企业名称和详细地址、生产日期、数量及防潮标志。
7.2产品出厂应随带产品质量合格证。7.3产品在装卸时应轻搬轻放,严禁碰撞,防止损伤。7.4产品运输过程中应立放贴紧,槽向下,并设有防雨措施。7.5产品应贮存在地面平整、坚实、干燥的仓库内,堆放时槽向下。370
小提示:此标准内容仅展示完整标准里的部分截取内容,若需要完整标准请到上方自行免费下载完整标准文档。