首页 > 建筑材料行业标准(JC) > JC 579-1995 水泥吨装袋
JC 579-1995

基本信息

标准号: JC 579-1995

中文名称:水泥吨装袋

标准类别:建筑材料行业标准(JC)

标准状态:现行

发布日期:1995-05-19

实施日期:1995-12-01

出版语种:简体中文

下载格式:.rar.pdf

下载大小:401404

相关标签: 水泥

标准分类号

标准ICS号:建筑材料和建筑物>>建筑材料>>91.100.10水泥、石膏、石灰、砂浆

中标分类号:建材>>建材产品>>Q11水泥

关联标准

出版信息

页数:10页

标准价格:15.0 元

相关单位信息

起草人:黄添益、霍春明、王修礼

起草单位:中国建筑材料科学研究院水泥科学研究所、青岛高科技工业园高新包装材料厂

归口单位:全国水泥标准化技术委员会

提出单位:中国建筑材料科学研究院

发布部门:国家建筑材料工业局

标准简介

本标准规定了水泥吨装袋的尺寸、结构、技术指标及测试检验方法等。本标准适用于由聚烯烃材料制作的,用于装运水泥的大包装袋,其他材料制作的也可参照使用。 JC 579-1995 水泥吨装袋 JC579-1995 标准下载解压密码:www.bzxz.net

标准图片预览

JC 579-1995 水泥吨装袋
JC 579-1995 水泥吨装袋
JC 579-1995 水泥吨装袋
JC 579-1995 水泥吨装袋
JC 579-1995 水泥吨装袋

标准内容

中华人民共和国建材行业标准
JC579—95
水泥吨装袋
1995-05-19发布
国家建筑材料工业局发布
1995-12-01实施
中华人民共和国建材行业标准
水泥吨
1主卿内容与适用范围
JC579—95
本标准规定了水泥吨装袋的尺寸、结构、技术指标及测试检验方法等。本标准适用于由骤烯烃材料制作的,用于装运水泥的大包装袋,其他材料制作的也可膜使用。2引用标准
GB177水泥胶砂强度检验方法
3米语和代号
3.1定义
水泥吨装袋是一种容量为1~3t,具有足够的强度,适合于吊装作业的柔性货物容器。3.2各部分名称
各部分名称见图1及图2。
吊带(起吊环节),2—进料口=3袋体,4-~加强带:5—出料口
国家建筑材料正业周19.95-05-1.9批准图2.
1一品带(起吊环节)12—进料口:3-袋体:4—加强带:5—出料口
1995-12-01实施
.3.3代号
水泥吨装袋代号见表.1。
趣吊结构
4产品分类和型号
JC 579—95
4.1水泥吨装袋接底部形状分圆形和方形两种。.4.2水泥吨装报按提吊结构分顶吊和底吊两种。4.2.1项吊结构
由袋体侧面上端基布延伸捆扎成起吊环节的结构(见图1)。4.2.2‘腐吊结树
吊带由侧面延伸到底部的网络状结构见图2)。4.3水泥吨装袋按使用次数分一次性使用和多次性使用两种。4.4水泥吨装接型号命名方式
-[2-34--6]
最高使用温度,℃;
使用次数:
起吊结构:
底部形状,
最天载重量t
容积,L。
示例:1 600-2-SH-3-80
表示容积为1600L,最大裁重量2t的方形,顶吊,使用3次,耐温为.80℃的水泥吨装袋4.5水泥吨装袋尺寸系列
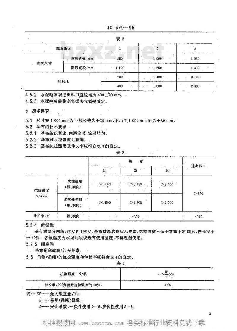
4.5.1水泥吨装尺寸系列览表2。W.bzsoso.co底面尺寸
载重量,
方形达长,mm
画形直径,mm
容积,I.
JC579-95
4.5.2水泥吨装接进出料口直径均为400±20mm。4.5.3水泥吨装袋高根据实际箫要确定5技术要求,
5. 1 尺寸在 1 000 mm 以下的公差为+20 mtn,还小于 1 000 mm 的为十30 mm。5.2:基布的技术要求
5.2:1基布编织紧密,内层涂膜、涂膜均勾。5.2.2基布对水泥强度无影响。
5.2.3基布抗拉照度及伸长率应符合表3的规定,表3
一欧性使用
抗拉度
N/5 atn
伸长率,%
5.2.4谢温性
(纵、横向)
多次性使用
(纵、横向)
纵、横向
>1 400
>1 650
>2 000
>2 700
进出料口
基布耐温分两级,80℃和100℃。基布耐温试验后无异带,抗拉强度不低于常温下的85%伸长率小于40%。各级温度为水泥吨装袋最高使用温度,不得超温使用。5.2.5耐寒性
基布耐寒试验后,无异常。
5.3吊带(吊绳)的抗拉强度和伸长率应符合表4的规定。表4
抗拉强度·N/根
伸长率,%(负荷为抗拉强度的30%)最大载重量,N,
表中;W-
n解带(帛绳)根数
5-安全系数,-次性使用66,多次性使用为=8。>×
5.4缝制技术要求
JC 579-95
5.4.1主体连接部的抗拉强度应大于基布抗拉强度的75%。5.4.2基布藏剪必须无散丝。
5:4.3,缝制应平直、无脱针断线,无浮线,吊针,起针和落针处回针不少于3针,吊带长度应等量,搭处应均匀、平直。
5.5整袋性能要求
5.5.1,水泥吨装袋应平直挺括,不得有明显缺经少纬,不得有明显疵点,表面不允许有明显污迹。5.5.2.水泥吨装袋提吊试验后,袋体及提吊装置无损伤。5.5.3水泥吨装袋跌落试验后,袋体无破损。5..5.4水泥吨装袋加压试验后,体无破损。5.5.5水泥吨装袋倾倒试验后,体无破损。5.5.6水泥吨装袋正位试验后+憋体、带及键接部分均无摄伤。5.5.7撕裂口传播正嘴
6.试验方法
6.1尺寸的测定
在基布不拉伸的状态下,将水泥吨装袋摊平,用钢卷尺测盘。圆形水泥吨装樂测母两个不同部位的折径取平均值,然后换算成直径,方形水泥吨装羧测量两个相邻侧面的上边和下边,求其边长平均值。6.2基布性能试验方法
基布性能试验按本标推附录 A(补充件)中 A2 进行。6.3.吊带(吊绳)性能试验本标准附录A(补充件)中.A3进行。6. 4 连接部性能试验按本标准附录 A(补充件)中 A4 进行。6.5整貌性能试验按本标推附录B(补充件)进行。.7检验规则
7.1.出厂检验
7.1.1按本标准5.2.3、5.2.4、5.2.5、5.3、5.4.1的要求进行检验,其中有一项不合格,则该批水泥吨装秘判为不合格。
.7.1.2按表5规定的标准型二次抽样方法对本标准5.1.5.2.1、5.4.3、5.5.1进行检验,其中有一项不合格,则该批水泥吨装袋判为不合格。表5
第一次
小于 281
281~500
501~1 200
1 201~3 200
3201~10 000
10000以上
抽择数
判定数
不合格
,判定数
抽梯数
第二次
判定数
判定数
W.bzSOSO.cOm7.2型式检验
JC579—95
7.2.1·在投产前或改用材料、改变生产工艺、改变设计型式时,应按本标准规定的全部技术指标对产品进行检验,达到要求时方能投产,投产后每半年进行一次型式检验。7.2.2本标准5.2、5.3.5.4.5.5所列各项,若其中有一项不合格,则该批水泥吨装判为不合格。8标志、包装、运输、赔存
8.1标志
水泥吨装应有下刻标志:
产品名称,
b、商标,
c.产品型号:
d、制造广名,
le:制造日期。
8.2.包装
!水泥吨装袋的包装方式和要求,由供需双穷商定,并应附有产品合格证和使用说明书。8.3运输与贮存
水泥吨装袋应吧存于通风良好的仓库,运输和贮存应睡免丽淋,瞬晒,受潮和污染。JC 579-9.5
附录A
基布、吊带(吊绳)及连接部性能试验方法(补充件)
本附录规定了水滤呕装袋的基布、吊带(吊绳及连接部的性能试验方法,适用于由烯材料制作的水泥吨装袋。
A1 试验查案件
温度23士2C,柑对湿度65%±5%。A2、基布性能试验方法
A2.1取样方法
从制造水滤吨装我的基布或袋体上取试样,如发生争议,以后一种方法为准?试样应在试验前1h放于试验案中。
A2.2抗拉强度及伸长率试验
从试样的级,横方向上取宽60mm,长200mm的试片各?5快,再精确到50mm宽,如退到最后一根超过半根则留之,否则除去。在试片中心上下50m㎡处划下标线,把试验机的抗拉夹具夹在标线外约15mm处,以200mm/min的速度拉伸,直到试片断裂为止,测出此时的最大负荷和标线间距。伸长率按式(A1)计算,并以纵、横方向各自5块的算术平均值表示。L—100
式中,X基布伸长率,%
L—最大负荷时的标线间距,m。
A2. 3耐温性能试验
按A含.2取5块试片,将试片放入相应等级温度(80℃或100℃)的电热干燥箱内2h后取出,检查是否有异常并在5min之内完成抗拉强度和伸长率试验。A2.4耐睾性试验
从试样的纵,方向上取宽20mm长100mm的试片各2块,将试片戒在一35℃的恒温箱内2h后取出,立即沿长度方向对折180°,查试片有无损伤、裂痕等异常情况。A2.5对水泥强度影响试验
取试样制作3只有效尺寸为250mm×150mm的样袋,称取1.5kg525#(或425#)硅酸盐水泥,分为3份,分别装入3只小样袋中,封口另外称取同种水泥6008盛于烧杯中,将烧杯及3只样装分别置于温度为105土3C的2个电热干燥箱内,恒温2h,然后取出遵于室内24士2h,按GB177的规定分别测定烧杯中水泥的3天龄期抗压、抗折强度和3只样袋内水滤匀后的3天龄期的抗压、抗折强度。样袋内水泥的抗压、抗折避度分别高于烧杯中水泥抗压、抗折强度的95%、93%,则表示基布对水泥强度无影响。
A3吊带(吊继)测试方法
A3. 1取样方法
从基带或水泥吨装袋上取样,如发生争议,以后一种为推。Www.bzsosocom取样带 6 根,每根长约 300 mm。A3.2抗拉强度试验
JC 579—95
将试样装在试验机抗拉夹具上,夹具间距离为220切m,以100mm/min的速度拉伸,测出断裂时的抗拉强度。取3个试样的平均值。43.3伸长试验
将试样装在试验机抗拉夹具上,施加20kg的涨紧负截,夹具间距离为220mm,在试样上划出200mm间距的标线,以100mm/min的速度拉伸,当负荷达到抗拉强度的30%时,测出标线的间距。伸·长率按武(A2)计算,并取3个试验的平均值。X
式中;X,吊带(吊绳)伸长率,%
1 200×100
一负荷达抗拉度的30%时标线的间距,mm。A4连接部性能试验方法
A4.1联样方法
从缝制试样上或吨装裂土取样,如发生争议,以后一种为准。A42抗拉强度试验
取缝向宽60mm、垂直缝向长300mm,耳部宽25mm的试片5块(在剪切时,要注意不可切断缝线,也不可出现伤痕),再精确到50mm宽,如遇到最后根趋过半根则留之,否则应除去(试片如图A1)。然后将试片装在夹具上,夹具间的距离为200mm,拉伸速度为200mm/min,测出断裂强度,精确到IN并取5次试验的平均值。
拉坤方向
1睡线*2—邀布+3—耳部
附录B
水泥吨装我整袋性能试验方法
(补充件)
本附录规定了水泥吨装秘整袋性能测试方法BT.试验紊件
在常温,常湿条件下进行,内装物为干黄砂或容量为 1. 4~1. 5 tm\ 的粒状物质。B2取样
JC. 579-95
样品从同批生产的产品中任意抽取,每项试验抽取一袋。B3提吊试验
在满负荷样我上加上5倍荷载,然后将样袋提吊离地面,一次性用袋保持.5min,多次性用袋保持8min。如吊带、袋体未发生损坏现象,即表示通过此项试验。B4跌落试验
将满负荷样我吊离地面0.8m,然后使其自由跌落至坚实、无弹性、光滑、平坦的水平面上。如样袋无破摄,即表示通过此项试验。对于次性使用的水泥吨装,应通过次跌落试验。B5加压试验
将满负荷样袋平盘于水平硬质地面上,在其上部加压至24h。如水泥吨装袋中内容物无溢出,举体无破损,表示通过此项试验。
加压重量P等于在运输过程中堆商3.m同样水泥吨装装总重量的1.8倍.按式(B1)计算。P=1.8W毫
式中;P加压重量,t
满负荷的高度,m,
W—样袋毛重,t
一运输途中堆码高度,m;
3/h—一可能堆高的数,不足一袋以一载计:1. 8—总重量的倍激,
1——被测试袋。
B6倾倒试验
(B1)
将满负荷样袋放留在H高度的拽落架上,然后用吊钓将拽落架上的活动板一端吊起,使样袋一个方向倾倒于坚硬、无赚性、光滑、平坦的水平地面上。如样无破损,表示过此项试验。拽落架高度H·按式(B2)计算。www.bzxz.net
式中,H-倾倒试验高度,m
五一一满负荷袋实际高度,m
3/h—一可能堆高的载数,不足一袋以一般计;1-—被测试辑。
8了正位试验
将满负荷样羧侧放于地面上,用吊钩将贴地面一侧的一根吊带以0.1m/日的速度将样较吊摄到完JC 579-95
全离开地面,如袋体及吊带缝接部无摄坏,则表示通过此项试验。B8撕翻使播试验
把满负的样袋直立于地面,在袋侧面中部与垂线成45°处翻一个长100mm的切口,然后在样袋上加置一个均匀分布的相当于载荷两倍的负,保持5min,移去所加负荷后,吊离地面,再保持5min。切口不大于125 mm为合格,
附施说明
本标准由中国建筑材料科学研究院出。本标准由全国水泥标准化技术委员会归口。本标推由中国霆筑材料科学研究院水泥科学研究所负责解释。本标准由中国建筑材料科学研究院水泥科学研究所、岛高科技工业园高新包装材料厂负贵起草。本标推主要趣草人黄添益、霍春明、王修礼。(京)新登字023号
中华人民共和国建材
行业标准
泥吨装找
JC $79—95
中国标准出版社出版
北京复兴门外三里河北衡16号
邮政缩码;100045
话:8522112
中国标准出版社囊业岛印翻厂印剧新华书店北京发行所发行各地新华书店经售版权变有不得翻印
开本 880×1280 1/18印张 3/4 字嫩·17千字1995年10月第一版,1995年10月第一次印印数 1—2 000
书号:155068·2-10029定价3.50元标目 274-43
小提示:此标准内容仅展示完整标准里的部分截取内容,若需要完整标准请到上方自行免费下载完整标准文档。