首页 > 建筑材料行业标准(JC) > JC/T 759-1998 排水陶管及配件
JC/T 759-1998

基本信息

标准号: JC/T 759-1998

中文名称:排水陶管及配件

标准类别:建筑材料行业标准(JC)

标准状态:现行

发布日期:1998-05-14

实施日期:1998-10-01

出版语种:简体中文

下载格式:.rar.pdf

下载大小:220877

相关标签: 排水 配件

标准分类号

标准ICS号:建筑材料和建筑物>>建筑物中的设施>>91.140.70卫生设备

中标分类号:建材>>陶瓷、玻璃>>Q31建筑卫生陶瓷

关联标准

替代情况:JC/T 759-1984(1996)(原标准号GB 4670-1984)

采标情况:JIS R1201-91 NEQ ASTM C4-96 NEQ ASTM C700-96 NEQ BS 65-91 NEQ DIN 1230-92 NEQ

出版信息

出版社:中国标准出版社

页数:11页

标准价格:10.0 元

相关单位信息

起草人:李东升、袁振琦、马燕、鲁凤华

起草单位:国家建筑材料工业局山东工业陶瓷研究设计院

归口单位:全国工业陶瓷标准化技术委员会

提出单位:国家建筑材料工业局

发布部门:国家建筑材料工业局

标准简介

本标准规定了排水陶管及配件的规格形状、技术要求、试验方法、检验规则及标志、包装、运输和贮存.本标准适用于排输污水、废水、雨水或灌溉用水所用的承插式陶管及配件(以下简称陶管及配件)。 JC/T 759-1998 排水陶管及配件 JC/T759-1998 标准下载解压密码:www.bzxz.net

标准图片预览

JC/T 759-1998 排水陶管及配件
JC/T 759-1998 排水陶管及配件
JC/T 759-1998 排水陶管及配件
JC/T 759-1998 排水陶管及配件
JC/T 759-1998 排水陶管及配件

标准内容

JC/T759—1998
本标准是在我国现行的JC/T759一84《排水陶管及配件》的基础上修订的。修订时规格尺寸主要参考了日本的JISR1201—1991、美国的ASTMC4—1996和ASTMC700—1996;抗外压强度和吸水率主要参考了ASTMC4—1996和JISR1201--1991:水压抗渗性能主要参考了ASTMC700—1996,弯曲强度主要参考了英国的BS65—1991;耐酸性能主要参考了BS65--1991和德国DIN1230—1992的规定。本次修订的主要内容将$500mm以上的陶管列为特型管,其抗外压强度由供需双方协商验收。本标准由全国工业陶瓷标准化技术委员会归口。本标准由国家建筑材料工业局山东工业陶瓷研究设计院负责起草。本标准主要参加单位:山东淄博柳泉陶瓷厂。本标准主要起草人:李东升、袁振琦、马燕、鲁凤华。本标准委托国家建筑材料工业局山东工业陶瓷研究设计院负责解释。本标准1984年首次发布。
中华人民共和国建材行业标准
排水陶管及配件
JC/T 759--1998
代替JC/T 759-1984
本标准规定了排水陶管及配件的规格形状、技术要求、试验方法、检验规则及标志、包装、运输和贮存。
本标准适用于排输污水、废水、雨水或灌溉用水所用的承插式陶管及配件(以下简称陶管及配件)。2引用标准
下列标准所包含的条文,通过在本标准中引用而构成为本标准的条文,本标准出版时,所示版本均为有效。所有标准都会被修订,使用本标准的各方应探讨使用下列标准最新版本的可能性。GB/T2832-1996陶管抗外压强度试验方法GB/T 2833—1996
陶管弯曲强度试验方法
8陶管吸水率试验方法
GB/T 2834—1998
GB/T2835—1998陶管耐酸性能试验方法GB/T 2836--1998
陶管水压试验方法
GB/T2837—1998陶管尺寸与偏差测量方法3规格形状及标记
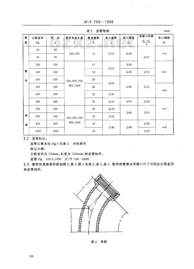
3.1直管的规格和形状如图1和表1。12:
图1直管
国家建筑材料工业局1998-05-14批准1998-10-01实施
公称直径
直标记:
JC/T 759—1998
表1直管规格
管件有效长度
500.600.700
500.600、700
直管公称直径Dg×长度L本标号
标记示例:
管身壁厚
公称直径为100mm,长度为1000mm的直管标作:直管Dg100X1000JC/T7591998
承口壁厚
承口深度
承插口间隙
承口倾斜
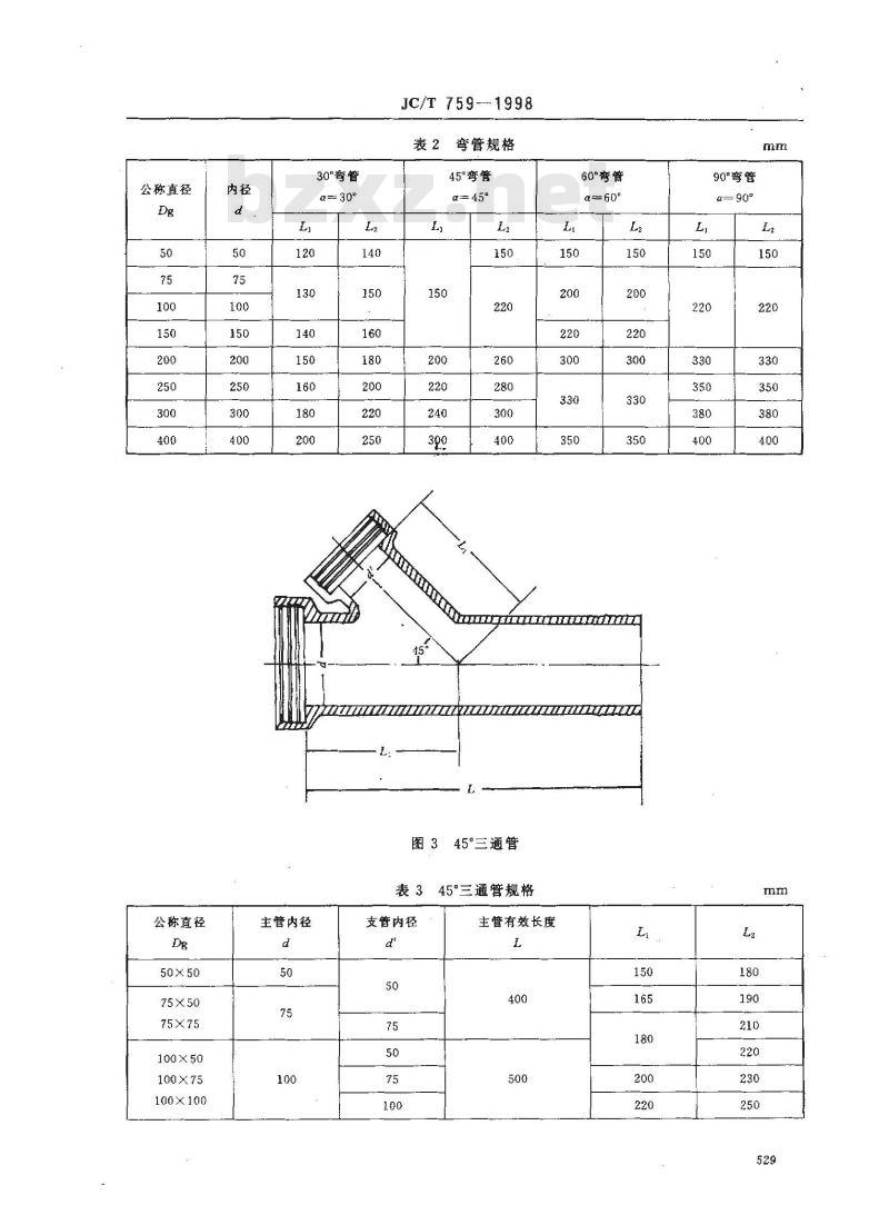
3.3配件的规格和形状如图2、图3、图4及表2、表3、表4。配件的壁厚及承插口尺寸与相应公称直径的直管相同。
图2弯管
公称直径
公称直径
50×50
75×50
75×75
100×50
100×75
100×100
30°弯管
α=30°
JC/T 759-1998
弯管规格
45°弯管
α=45°
60°弯管
4=60°
AEaEErarESrEFEe
图345°三通管
表345°三通管规格
主管内径
支管内径
主管有效长度
90°管
α= 90°
公称直径
150×100
150X×150
200× 100
200×150
200×200
250X100
250×150
250X200
250X250
300×100
300×150
300X200
300X300
400X100
400×150
400×200
400×300
主管内径
JC/T759—1998
表3(完)
支管内径
45°三通管规格
主管有效长度
图490°三通管及四通管
1S713EWww.bzxZ.net
公称直径
50×50
75×50
100×50
100×75
100×100
150×100
130×150
200×100
200×150
200×200
250×100
250×150
250X250
300×100
300×150
300×300
400×150
400×200
400X300
3.4弯管标记:
主管内径
弯管DgX弯度本标准号
标记示例:
JC/T 759--1998
表490°三通管及四通管规格
支管内径
公称直径为100mm的90°弯管标记为:弯管Dg100×90°JC/T759—--19983.4.1三通管标记:
主管有效长度
三通管Dg主管内径d×支管内径×弯度本标准号标记示例:
主管内径为100mm,支管内径为50mm的45°三通管标记为:三通管Dg100×50×45°JC/T759—19983.4.2四通管标记:
四通管 Dg主管内径α×支管内径&\×弯度本标准号
标记示例:
主管内径为100mm,支管内径为50mm的90°四通管标记为:四通管Dg100×50X90°JC/T759—19983.5其他规格、形状的直管及配件,可由供需双方商定。L
JC/T 759—1998
3.6在承插口连接部位以适当间隔刻划深约3mm的环状沟槽,其数量如下:公称直径(mm)
50~150
4技术要求
4.1外观质量
沟槽的最少圈数
4.1、1陶管的外观缺陷应符合表5的规定。表5外观质量要求
缺陷名称
管身裂纹
承口裂纹
承口底部
插口外壁裂纹
不充许
宽1,每处长≤35,累计长≤80
宽≤1长≤25,充许3条
横纹宽≤1
累计长≤1/4周长
允许范围
竖纹宽≤1,长≤30,不及管身,允许1条横纹宽≤1,长≤1/4周长
竖纹宽≤1,不贯及管身,累计长≤20宽≤1,累计长≤50
内壁 不允许
外壁深(或高)≤3
面积≤30×30,充许1处
不充许
总面积≤50×50
面积5×5
深≤壁厚的1/5,允许1处
外壁面积≤10×10
深≤壁厚的1/4,充许1处
直径≤15
直径≤5,深≤3.充许5处
长≤30,深壁厚的1/3.允许2处
宽1.每处长30,累计长60
宽1,每处长50,累计长160
宽≤1,长≤50.允许5条
横纹宽≤1
累计长≤1/3周长
竖纹宽≤1,长不贯及管身,允许5条横纹宽1.5,长≤1/3周长
竖纹宽≤1,长不贯及管身,累计长≤80宽1.每处长50,累计长200
内壁深(或高)≤2
面积≤30×30,允许2处
外壁深(或高)≤3
面积≤30×30,允许2处
内壁,总面积≤100×100
总面积≤150×150
内壁面积≤10×10
深≤壁厚的1/4,充许4处
外壁面积≤20×20
深≤壁厚的1/4,允许6处
直径≤40
直径≤6,深≤3.允许15处
长≤50,深≤壁厚的1/2允许3处4.1.2除陶管及配件的承插口联接部位及承口底部、插口端面不施釉外,其余部分均应施釉。施用盐釉的产品不受此限。
4.1.3用质量不大于100g的金属锤轻轻敲击陶管及配件中部,应发出清音。4.2尺寸偏差
4.2.1离管的尺寸偏差应符合表6的要求。532
公称直径
JC/T759-1998
表6尺寸充许偏差
充许偏差
公称长度的
公称长度的
端面料度
承插口
不圆度
4.2.2各种配件的尺寸允许偏差与相应公称直径的陶管相同。弯管、三通管及四通管的角度偏差应不大于士5°
4.3理化性能
4.3.1陶管的抗外压强度应不低于表7的规定。表?陶管抗外压强度要求
公称直径
≥500
4.3.2陶管及配件的吸水率应不大于11%抗外压强度
按协议要求
4.3.3陶管及配件承受0.069MPa水压,并保持5min,不应有渗漏现象。4.3.4陶管及配件的谢酸度不得低于94%。4.3.5公称直径为100mm及150mm,长度不小于1m的陶管,需进行弯曲强度检验,结果应符合表8的规定。
5试验方法
公称直径
JC/T759—1998
表8弯曲强度要求
弯曲强度
5.1外观质量用目测并配合使用精度为0.5mm的钢板直尺进行检验。5.2尺寸偏差按GB/T2837进行检验。5.3抗外压强度按GB/T2832进行检验。5.4吸水率按GB/T2834进行检验。5.5耐酸度按GB/T2835进行检验。5.6水压抗渗性能按GB/T2836进行检验。5.7弯曲强度按GB/T2833进行检验。6检验规则
6.1检验分类
6.1.1型式检验
型式检验项目包括本标准第4章技术要求的所有项目。正常情况下每半年进行一次。6.1.2出厂捡验
出厂检验项目包括:外观质量、尺寸偏差和吸水率。6.2组批与抽样
6.2.1以相同工艺条件生产的同一规格、同一等级的2500件产品为一批。不足2500件时,由供需双方协商确定。
6.2.2从同一批产品中随机抽取表9所列各检验项目需要的样本。非破坏性试验项目的试样,经检验后可用作其他项目的检验。
检验项目
外观质量
尺寸偏差
抗外压强度
吸水率
耐酸度
水压抗谬
弯曲强度
6.3判定规则
第一次
第二次
合格判定数
不合格判定数
第一次一第二次
合格判定数
平均值≤11%接收,否则拒收
平均值≥94%接收,否则拒收
6.3.1产品检验时的样本大小及合格判定数按表9规定进行判定。1
不合格判定数
6.3.2各检验项目全部合格,则该批产品为合格;若有一项不合格,则视该批产品为不合格。若第一次534
JC/T 759-1998
检验未达到拒收规定时,应按表9规定进行二次检验。二次检验合格,应予验收。如二次检验仍未达到要求,则判定该批产品为不合格,不予验收。6.3.3凡因外观质量或尺寸偏差不合格而不予验收的产品,允许供方逐件检验,挑选补齐后再交付验收。
7标志
必须在陶管或配件的插口端外表面上凹印上或用不易消失的颜料标明产品商标(或生产厂名)、等级。
发货时,应出具产品合格证,其中应载明下列内容:a)合格证编号;
b)生产厂名称、厂址;
c)产品名称、规格、级别、数量,标记及生产日期;d)本标准编号:
e)检验部门及检验人员签章。
8包装
产品包装按供需双方协议进行。9运输
运输时应将产品稳固挤紧,以防因震动碰撞造成损坏。套装运输时,内外管件之间必须充填防震材料。装卸时要小心轻放,严禁抛挪、10购存
产品应存放于平坦场地上。不同规格、级别的产品应分别堆放。堆放时最下一层产品应以木楔固定,以防堆垛塌倒。码垛高度应符合表i0的规定。表10
公称直径
码垛层数不大于
100~150
200~250
300~400
小提示:此标准内容仅展示完整标准里的部分截取内容,若需要完整标准请到上方自行免费下载完整标准文档。