首页 > 建筑材料行业标准(JC) > JC/T 818-1998 回转式水泥包装机
JC/T 818-1998

基本信息

标准号: JC/T 818-1998

中文名称:回转式水泥包装机

标准类别:建筑材料行业标准(JC)

标准状态:已作废

发布日期:1998-09-09

实施日期:1998-12-01

作废日期:2007-11-01

出版语种:简体中文

下载格式:.rar.pdf

下载大小:194157

相关标签: 回转式 水泥 包装机

标准分类号

标准ICS号:91.110

中标分类号:建材>>建材机械与设备>>Q92水泥与水泥制品设备

关联标准

替代情况:替代JC/T 818-1986(1996);被JC/T 818-2007代替

出版信息

出版社:建材工业出版社

页数:8页

标准价格:14.0 元

相关单位信息

标准简介

JC/T 818-1998 回转式水泥包装机 JC/T818-1998 标准下载解压密码:www.bzxz.net

标准图片预览

JC/T 818-1998 回转式水泥包装机
JC/T 818-1998 回转式水泥包装机
JC/T 818-1998 回转式水泥包装机
JC/T 818-1998 回转式水泥包装机
JC/T 818-1998 回转式水泥包装机

标准内容

中华人民共和国建材行业标准
JC/T818-1998
回转式水泥包装机
The cementroto-packer
1998-09-09发布
国家建筑材料工业局
1998-12-01实施
发布”
各型标准行业洗科免费下
JC/T818-1998
本标准主要参照引进德国著名的包装机制造公司:Haver&Bocker公司技术文件制定的。原JC/T818-86(1996)标准所规定的要求,已不适应新型包装机的需要:原BH系列包装机除包装能力、称量精度、压缩空气压力及消耗量等参数与本标准不同外,其他条款均可参照执行。本标准从实施之日起,同时代替JC/T818一86(1996)。本标准由国家建筑材料工业局建材机械标准化技术委员会提出并归口。本标准起草单位:湖北水泥机械厂、天津水泥工业设计研究院、朝阳重型机器厂、无锡建材仪器机械本标准主要起草人:蔡中苏李意民黄全斌闻人吉张传清唐晓坪boe
委综准业
1范围
中华人民共和国建材行业标准
回转式水泥包装机
The cement roto-packer
JC/T818-1998
代替JC/T818-86(1996)
本标准规定了回转式水泥包装机的产品分类、技术要求、试验方法、检验规则、标志,包装、运输和贮存。
本标准适用于叶轮给料回转式水泥包装机(以下简称包装机),其他回转式水泥包装机亦可参照执行。
2引用标准
下列标准所包含的条文,通过在本标准中引用而构成为本标准的条文。本标准出版时,所示版本均为有效。所有标准都会被修订,使用本标准的各方应探讨使用下列标准最新版本的可能性。GB/T1804—92一般公差线性尺寸的未注公差GB2681-81电工成套装暨中的导线颜色GB2682-81
电工成套装暨中的指示灯和按钮的颜色外壳防护等级的分类
GB4208—84
GB4720—84
电控设备第一部分:低压电器电控设备GB4942.1-85电机外壳防护分级
铸件尺寸公差
GB6414-86
GB7551-85
GB10095-88
电阻应变称重传感器
渐开线园柱齿轮精度
GB/T13306-91标牌
JJC 731-91
定量自动衡器
JC/T402—91
1、水泥机械涂漆防锈技术条件
JC/T406-91水泥机械包装技术条件JC532-94建材机械钢焊接件通用技术条件3定义
本标准采用下列定义。
3.1回转式水泥包装机
一种带多个填充单元,能将水泥或类似的粉状物料定量充灌入自封口包装袋内,并且各单元能绕同一轴线回转的机械设备。
3.2过渡软连接
每一填充单元充料口处固定部分与浮动部分的连接零件。国家建筑材料工业局1998-09-09批准标准视捷图上
品各生标准行业料免费
1998-12-01实施
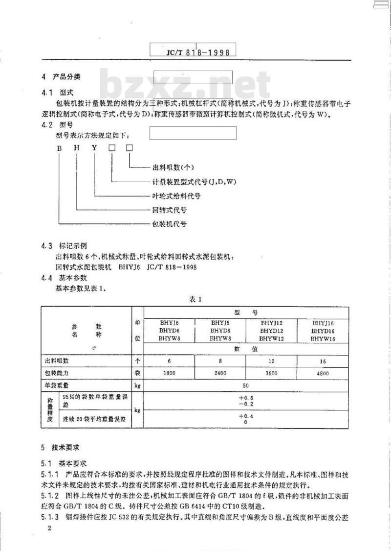
4产品分类
4.1型式
JC/T818-1998
包装机按计量装置的结构分为丰种形式:机械杠杆式(简称机械式,代号为J),称重传感器带电子逻辑控制式(简称电子式,代号为D);称重传感器带微型计算机控制式(简称微机式,代号为W)。4.2型号
型号表示方法规定如下:
4.3标记示例
出料咀数(个)
计量装置型式代号J,D,W)
叶轮式给料代号
回转式代号
包装机代号
出料咀数6个、机械式称量、叶轮式给料回转式水泥包装机:回转式水泥包装机BHYJ6JC/T818-19984.4基本参数
基本参数见表1。
出料咀数
包装能力
单袋重量
称量精度
95%的袋数单袋重量误
连续20袋平均重量误差
5技术要求
5.1基本要求
BHYJ12
BHYD12
BHYW12
BHYJ16
BHYD16
BHYW16
5.1.1产品应符合本标准的要求,并按照经规定程序批准的图样和技术文件制造。凡本标准、图样和技术文件未规定的技术要求,均按有关国家标准、建材和机电行业通用技术条件的规定执行。5.1.2图样上线性尺寸的未注公差:机械加工表面应符合GB/T1804的f级,锻件的非机械加工表面应符合GB/T1804的C级。铸件尺寸公差按GB6414中的CT10级制造。5.1.3钢焊接件应按JC532的有关规定执行.其中直线和角度尺寸偏差为B级,直线度和平面度公差2
准捷图客标准业格
JC/T818-1998
为F级。焊接接头的表面质量应达到1级要求,5.2使用条件
5.2.1电源电压波动土10%,额定频率变化士2%。5.2.2水泥含水量应不超过1%。
5.2.3气源含油量小于4mg/m,含尘颗粒小于50μm,常压露点-30℃,工作压力0.5~0.6MPa。5.2.4正常工作环境条件:
a)环境温度范围:-10~40℃;b)温度变化速率:不大于士5℃/h;c)相对湿度:不大于90%RH;
d)海拔高度:不大于1000m。
5.3电子式、微机式附加性能要求5.3.1电子式,微机式重量显示四位数码,显示最大重量值不小于称重的130%5.3.2电子式、微机式显示分辩率为20g。5.3.3微机式应具有自动调零去皮、重量自校正、累计袋数、袋重打印功能。5.4装配要求
5.4.1所有零部件必须经检验合格,外购件、外协件必须具有质量合格证明文件或经制造厂检验合格后,方可进行装配。
5.4.2支承弹赞片装配后应处于同一水平面内,其误差不大于2.5mm。5.4.3给料叶轮运转时不得有擦壳现象,径向间淤应不大于2mm。叶轮轴转动应灵活。5.4.4过渡软连接装配后,秤杆端部指针指零,此时托架与固定部分的相对移动量应不小于4mm。5.4.5机械式两个支承刀刃组合后,刃口应在同一直线上,与刀承应成直线接触,其接触部分应超过刀承工作长度的2/3,刀承安装在支座上后应能绕销轴自由转动。5.4.6机械式传力拉杆连接前,上下两接点水平投影的偏移量应不大于8mm。5.4.7电子式、微机式称重传感器传力拉杆连接前,上下两接点水平投影的偏移量应不大于5mm。称重传感器精度等级不低于GB7551中0.1级的要求。5.4.8包装机主轴与简体同轴度公差为4mm,简体在组装焊接时每单元应等分,等分弧长的误差为6mm。
5.4.9驱动装置装配后,传动齿轮接触精度应不低于GB10095中的8级规定。当用手转动皮带轮时,筒体应转动灵活,无卡滞现象。5.4.10气动元件及管路连接前应保持清洁,不得有大于50μm的杂质。5.4.11电控柜结构应符合GB4720的要求,其金属壳体与接地螺栓之间的连接电阻不得超过0.1α。5.4.12电动机及电气控制柜应符合GB4942.1和GB4208中IP44防护等级的规定。5.4.13电控柜选用的指示灯和按钮色彩应符合GB2682的规定,电路选配与标示的导线颜色应符合GB2681的规定。
5.4.14设备中主电路、控制电路(除电子电路外)的绝缘电阻应不低于1MO。5.5安装要求
5.5.1包装机定位在基础上时其驱动立轴应与水平面垂直,垂直度公差为轴长的2%。5.5.2系统安装后从储料仓到包装机叶轮箱之间不得有异物。5.5.3永久磁铁定位后,与各单元磁感开关无碰撞,磁感开关工作正确可靠。5.5.4包装机应可靠接地。
5.6涂漆防锈要求
产品的涂漆与防锈应符合JC/T402的规定。5.7空载试运转要求
柜维捷技图mhosm咨类标准行业技型免章下年JC/T818-1998
5.7.1包装机通电操作试验,在控制电路分别通以85%和110%额定电压的条件下,每单元操作各5次,每次动作均应正确无误。
5.7.2机械和气动部分应运转灵活,无明显振动,各部分动作协调,轴承温升应不超过25℃。5.7.3产品应进行静态灵敏度试验。机械式每加减200g,杠杆端部指针移动应大于0.5mm。电子式、微机式每加减40g能正确显示,允许20g跳动。5.8负载试运转要求
5.8.1机械和气动部分应运转灵活,无明显振动,各部分动作协调,轴承温升应不超过40℃。5.8.2负载试验在使用现场进行,包装能力、称量精度应符合表1的规定。5.8.3包装机工作应无气、潘料、漏电等现象。6试验方法
6.15.4.4中各单元过渡软连接径向位移的检测:应在袋座上放置50kg础码,并再加上不小于150N的力,测袋座相对固定部分的相对位移量。6.2对5.4.6,5.4.7检测传力拉杆两接点水平投影的偏移量,应首先松开传力拉杆与托架连接插销,使传力位杆自由垂挂,测其与托袋架连接处的偏移最。6.3对5.7.2,包装机空载试验应连续运转不少于1小时,且每单元模拟动作应不少于30次。6.4电子式、微机式电子部分连续通电48小时后,应达到5.7.1的要求。6.5对5.7.3,机械式静态灵敏度试验a)袋座上放置设定重量50kg,抬起小杠杆使滚轮与主杠杆的垂直杆脱离,调节机械秤主杠杆上大小游动重锤,使端部指针指零。b)在袋座上加放200g磁码,测杠杆端部指针移动量。c)取下200g码,指针应回零。
6.6对5.7.3电子式、微机式静态灵敏度试验a)不加载时,应调整使显示器显示00.00,b)在袋座上加放40g码,观察显示值;c)加载设定的重量50kg,观察显示值;d)卸下载荷,观察显示值。
6.7对5.8.2,应在包装机系统成套性完整的情况下,每次经精确调试后各项性能满足表1的要求。其检定方法按JJC731中的有关规定执行。7检验规则此内容来自标准下载网
产品须经制造厂质量检验部门逐台检验合格,并出具产品质量合格证书后方能出厂。7.1检验分类
检验分出厂检验和型式检验。
7.2出厂检验
产品出厂前应完成的检验项目包括:5.1、5.3.5.4、5.6、5.7、8.1、8.2七项。7.3型式检验
产品在下列情况之一时,对标准中规定的全部技术要求进行型式检验。对5.8.2采用跟踪方式检验:
a)新产品或老产品转厂生产的试制定型鉴定时;b)正式生产后,如结构、材料、工艺有较大改变,可能影响产品性能时c)每正常生产一年时;
d)产品停产一年,恢复生产时;各美标业洗料食
JC/T818-1998
e)出厂检验结果与上次型式检验有较大差异时8标志、包装、运输和贮存
8.1包装机应在适当明显的部位固定产品标牌,其型式与尺寸应符合GB/T13306的规定,并标明下列内容:
a)产品名称、型号及标准代号:b)主要技术参数,
c)出厂编号;
d)制造厂名称;
e)出厂日期;
f)计量器具标志及生产许可证编号:g)商标。
8.2产品包装和随机文件应符合JC/T406的规定,并适应陆路、水路运输的要求。8.3产品在使用前,供需双方应将零件、部件妥善保管,防止锈蚀、变形,损坏和丢失。5
准捷技器品品品品类标准行业质科急警RbEoE
中华人民共和国建材
行业标准
回转式水泥包装机
The cement roto-packer
JC/T818-1998
国家建筑材料工业局标准化研究所出版发行地址,北京朝阳区管庄
邮政编码:100024
电话:65755125
机械科学研究院标准出版中心印刷版权专有不得翻印
开本880×12301/16印张1/2字数10,0001998年12月第一版
反1998年12月第一次印刷
印数1-300
编号1120
客委际准行业务会
小提示:此标准内容仅展示完整标准里的部分截取内容,若需要完整标准请到上方自行免费下载完整标准文档。