首页 > 建筑材料行业标准(JC) > JC/T 829-1998 石膏空心条板
JC/T 829-1998

基本信息

标准号: JC/T 829-1998

中文名称:石膏空心条板

标准类别:建筑材料行业标准(JC)

标准状态:现行

发布日期:1998-10-23

实施日期:1999-04-01

出版语种:简体中文

下载格式:.rar.pdf

下载大小:137677

相关标签: 石膏 空心 条板

标准分类号

标准ICS号:建筑材料和建筑物>>建筑材料>>91.100.10水泥、石膏、石灰、砂浆

中标分类号:建材>>其他非金属矿制品>>Q62石膏制品

关联标准

出版信息

出版社:中国标准出版社

页数:7页

标准价格:10.0 元

相关单位信息

起草人:薛滔著、徐柱琦

起草单位:中国新型建筑材料工业杭州设计研究院

归口单位:全国轻质与装饰装修建筑材料标准化技术委员会

提出单位:全国轻质与装饰装修建筑材料标准化技术委员会

发布部门:国家建筑材料工业局

标准简介

本标准规定了石膏空心条板的技术要求、试验方法、检验规则、标志、运输及贮存。本标准适用于建筑物中非承重内墙用的石膏空心条板。 JC/T 829-1998 石膏空心条板 JC/T829-1998 标准下载解压密码:www.bzxz.net

标准图片预览

JC/T 829-1998 石膏空心条板
JC/T 829-1998 石膏空心条板
JC/T 829-1998 石膏空心条板
JC/T 829-1998 石膏空心条板
JC/T 829-1998 石膏空心条板

标准内容

JC/T829—1998
石膏空心条板是以建筑石膏为基材,掺以无机轻集料、无机纤维增强材料而制成的空心条板,用作建筑物内墙材料。经检索,目前尚无同类产品的国际标准和国外先进标准,长期以来,该产品只有企业标准,且技术要求参差不一,不能保证产品的使用性能,为确保产品的质量,满足使用要求,特制定本标准。本标准由全国轻质与装饰装修建筑材料标准化技术委员会提出并归口。本标准负责起草单位:中国新型建筑材料工业杭州设计研究院。本标准起草人:薛滔菁、徐柱琦。612
1范围
中华人民共和国建材行业标准
石膏空
心条板
Gypsum panels with cavities
JC/T829--1998
本标准规定了石空心条板的技术要求、试验方法、检验规则、标志、运输及贮存。本标准适用于建筑物中非承重内墙用的石膏空心条板。2引用标准
下列标准所包含的条文,通过在本标准中引用而构成为本标准的条文。本标准出版时,所示版本均为有效。所有标准都会被修订,使用本标准的各方应探讨使用下列标准最新版本的可能性。JG/T3029—1995住宅内隔墙轻质条板3定义
本标准采用下列定义。
石膏空心条板:以建筑石膏为基材,掺以无机轻集料、无机纤维增强材料而制成的空心条板。代号SGK。
4外形、规格、标记
4.1外形
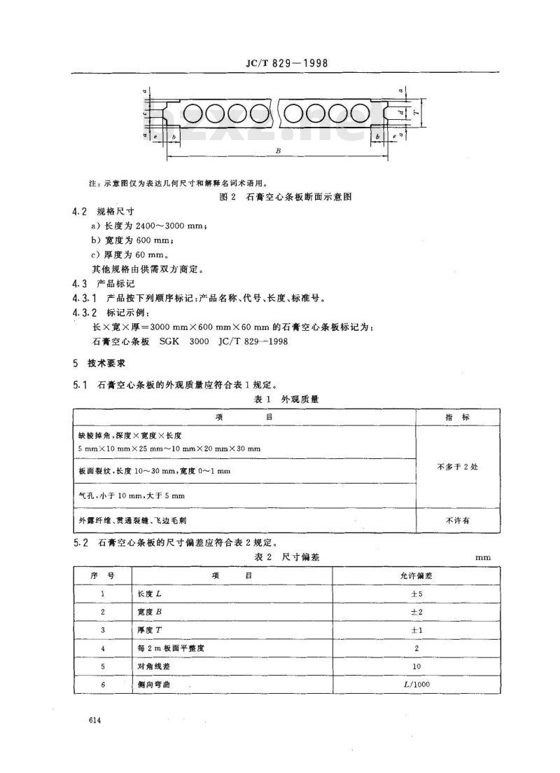
石膏空心条板的外形和断面见图1和图2,空心条板应设头和样槽。板边
注:示意图仅为表达几何尺寸和解释名词术语用。接缝槽
图1石膏空心条板外形示意图
国家建筑材料工业局1998-10-23批准裤橘
1999-04-01实施
JC/T 829—1998
注:示意图仅为表达几何尺寸和解释名词术语用。266
图2石膏空心条板断面示意图
4.2规格尺寸
a)长度为2400~3000 mm;
b)宽度为600mm;
c)厚度为60mm。
其他规格由供需双方商定。
4.3产品标记
4.3.1产品按下列顺序标记:产品名称、代号、长度、标准号。4.3.2标记示例:
长×宽×厚=3000mm×600mm×60mm的石膏空心条板标记为:石膏空心条板SGK3000
JC/T 829—1998
5技术要求
5.1石膏空心条板的外观质量应符合表1规定。表1外观质量
缺棱掉角,深度×宽度×长度
5mm×10mm×25mm~10mm×20mm×30mm板面裂纹,长度 10~30mm,宽度0~1mm气孔,小于10mm,大于5mm
外露纤维、贯通裂缝、飞边毛刺5.2
石膏空心条板的尺寸偏差应符合表2规定。表 2尺寸偏差
长度L
宽度B
厚度T
每2㎡板面平整度
对角线差
侧向弯曲
允许偏差
L/1000
不多于 2 处
不许有
接缝槽宽 a
接缝槽深b
棒头宽c
样头高。
棵槽宽d
棒槽深。
JC/T829--1998
表2(完)
5.3孔与孔之间和孔与板面之间的最小壁厚不得小于10mm。5.4
面密度:40kg/m2±5kg/m2。
抗弯破坏荷载不少于800N。
充许偏差
抗冲击性能为承受30kg砂袋落差0.5m的摆动冲击三次,不出现贯通裂纹。5.6
5.7单点吊挂力为受800N单点吊挂力作用24h,不出现贯通裂纹。6试验方法
6.1外观质量检查
采用目测法,以整板为试样,离视点0.5m左右,目测有无飞边毛刺,贯通裂缝,用精度0.5m的钢直尺测板面裂纹、气孔、缺棱、掉角数据,并记录缺陷数量。6.2尺寸偏差测定
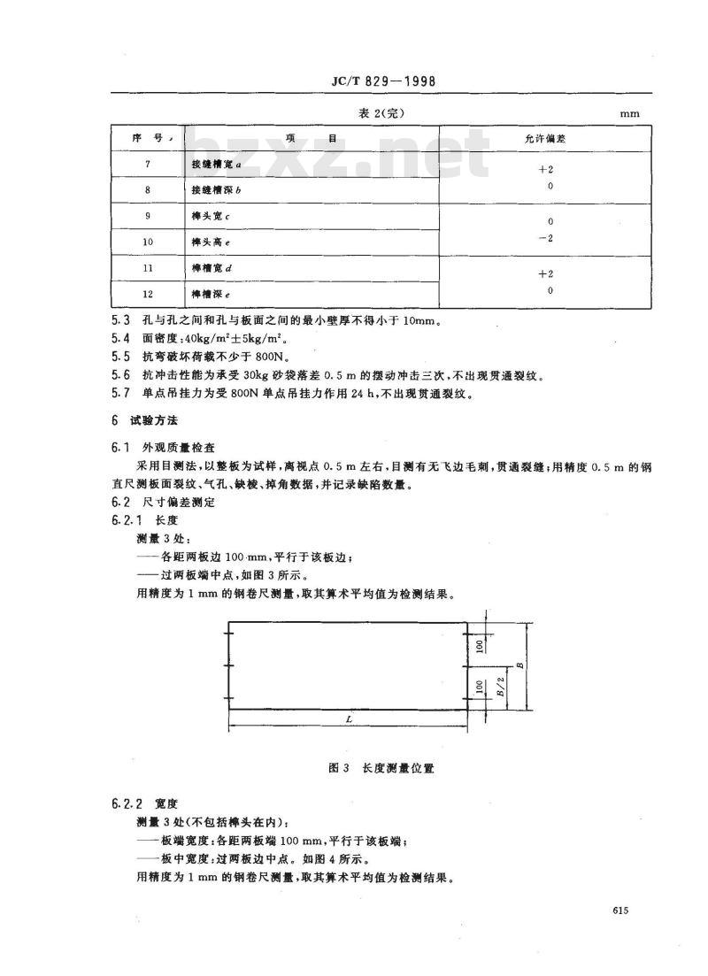
6.2.1长度
测量3处:
各距两板边100.mm,平行于该板边;一过两板端中点,如图3所示。
用精度为1 mm的钢卷尺测量,取其算术平均值为检测结果。图3长度测量位置
6.2.2宽度
测量3处(不包括摊头在内):
一板端宽度:各距两板端100mm,平行于该板端;一板中宽度:过两板边中点。如图4所示。用精度为1 mm的钢卷尺测量,取其算术平均值为检测结果。615
6.2.3厚度
JC/T 829--1998
图 4 宽度测量位置
测量6处。布置测点如图5所示,用精度为0.5mm的钢直尺,或用外卡钳和游标卡尺配合测量,取其算术平均值为检测结果。
6.2.4平整度
图5厚度测量位置
测量3处,用2m靠尺和楔形塞尺测量。第1处:使靠尺中点位于板中心处;另2处靠尺位置为对于板中点位置对称,且使靠尺的一端位于板边或板端上。取该3处靠尺与板面最大间隙的算术平均值为检测结果。
6.2.5对角线差
用精度为1 mm 的钢卷尺测两条对角线的长度,取其差值为检测结果。6.2.6侧向弯曲
通过板边端点沿板面拉直测线。用精度0.5mm的钢直尺测量板侧向弯曲处,取最大值为检测结果。
6.2.7样头槽接缝槽尺寸
用精度为0.5 mm的钢直尺,或用游标卡尺、内卡钳、外卡钳在板两端测接缝槽宽度、深度、头宽度、高度、槽宽度、深度尺寸。分别取各项目的两个测量数据的算术平均值为该项目的检测结果。6.3最小壁厚测定
测量 4处,如图6所示。用精度为 0.5 mm的钢直尺测量,取其最小值为测量结果。616
6.4面密度测定
JC/T 829—1998此内容来自标准下载网
000000
图 6 最小壁厚测量位置
用量程不小于100kg,精度0.1kg的台称称量板重。按式(1)计算空心条板的面密度,精确至0.1kg/m2,取整数为检测结果。
P=LBX10~
式中:P-
空心条板面密度,kg/m2;
G-空心条板重量,kg;
L一一空心条板长度,mm;
B---—空心条板宽度,mm。
6.5抗弯破坏荷载测定
(1))
从试样上锯取长1.4m的试件。将试件放在跨距为1.2m的非金属薄板抗折机架辊上,以100N/S的加荷速度在试件中心线平稳加荷,直至试件破坏,记录试件破坏时的总荷载,精确至1N。6.6抗冲击性能按JG/T3029—1995的6.4.7测定。6.7单点吊挂力按JG/T3029—1995的6.4.8测定。7检验规则
7.1出厂检验
产品出厂应进行检验,出厂检验的项目包括:尺寸偏差、外观质量、抗弯破坏荷载、抗冲击性能,单点吊挂力的出厂检验可由供需双方商定。7.2型式检验
7.2.1型式检验项目为全项检验。7. 2.2有下列情况之一时,应进行型式检验:a)产品的原料、配方、工艺有较大改变,可能影响产品质量时;b)产品停产半年以上,恢复生产时;c)正常生产半年以上时;
d)国家质量监督机构提出型式检验要求时。7.3抽样与批组成
石膏空心条板应按批检验。同一品种、规格、配方、工艺的产品,以每500块为一批,不足500块时,也按一批计。从每批中,随机抽取三块进行检验。7.4判定规则
对石膏空心条板的外观质量、尺寸偏差、最小壁厚、面密度、抗弯破坏荷载进行评定时,每块板都应符合5.1、5.2、5.3、5.4、5.5的规定。若某项不合格,则从该批中再取六块板,对不合格项目进行复验,若仍不合格,则判该批产品不合格。对抗冲击性能、单点吊挂力进行评定时,检验结果应符合5.6、5.7的规定。若某项不合格,则从该批中再取样进行一次复验,若仍不合格,则该批产品不合格。617
8标志、运输及贮存
8.1标志
JC/T 829--1998
出厂产品应有质量合格证,注明产品标记、制造厂名、生产日期。8.2运输
8.2.1运输中必须轻吊轻放,侧立搬运,禁止平抬。8.2.2散板运输必须单层,横向垂直,紧密排列,不应斜码及水平码放并应捆牢加楔,避免在运输过程中晃动。
8.3贮存
8.3.1堆放场地应平整、干燥,产品必须遮盖,严防雨淋、曝陋。单层垂直码放。618
小提示:此标准内容仅展示完整标准里的部分截取内容,若需要完整标准请到上方自行免费下载完整标准文档。