首页 > 建筑材料行业标准(JC) > JC 629-1996 农房用预应力混凝土矩形檩条
JC 629-1996

基本信息

标准号: JC 629-1996

中文名称:农房用预应力混凝土矩形檩条

标准类别:建筑材料行业标准(JC)

标准状态:现行

发布日期:1996-03-21

实施日期:1996-08-01

出版语种:简体中文

下载格式:.rar.pdf

下载大小:255705

相关标签: 预应力 混凝土 矩形

标准分类号

标准ICS号:建筑材料和建筑物>>建筑材料>>91.100.30混凝土和混凝土制品

中标分类号:建材>>建材产品>>Q14混凝土制品

关联标准

替代情况:原标准号GB 7696-1987

出版信息

页数:8页

标准价格:15.0 元

相关单位信息

起草人:庄启才、陆乃鼎、马虎臣、田爱丽、丁玉春、张立新、韩照根

起草单位:国家建筑材料工业局苏州混凝土水泥制品研究院、河南温县建筑工程质量监督站

归口单位:全国水泥制品标准化技术委员会

提出单位:国家建筑材料工业局

发布部门:国家建筑材料工业局

标准简介

本标准规定了预应力混凝土矩形擦条的分类、技术要求、试验方法及检验规则等。本标准主要适用于农村和乡镇房屋建筑用的预应力混凝土矩形攘条(以下简称擦条)。 JC 629-1996 农房用预应力混凝土矩形檩条 JC629-1996 标准下载解压密码:www.bzxz.net

标准图片预览

JC 629-1996 农房用预应力混凝土矩形檩条
JC 629-1996 农房用预应力混凝土矩形檩条
JC 629-1996 农房用预应力混凝土矩形檩条
JC 629-1996 农房用预应力混凝土矩形檩条
JC 629-1996 农房用预应力混凝土矩形檩条

标准内容

中华人民共和国建材行业标准
农房用预应力混凝土矩形条
JC629—1996
国家建筑材料工业局1996-03-21批准并发布1996-08-01实施
1范围
本标准规定了预应力混凝土矩形条的分类、技术要求、试验方法及检验规则等本标准主要适用于农村和乡镇房屋建筑用的预应力混凝土矩形条(以下简称条)。引用标准
GB175硅酸盐水泥、普通硅酸盐水泥矿渣硅酸盐水泥、火山灰质硅酸盐水泥及粉煤灰硅酸盐水泥GB 1344
GB5223
GB 8076
预应力混凝土用钢丝
混凝土外加剂
GB12958°
GB 13788
复合硅酸盐水泥
冷轧带肋钢筋
GB/T 14684
GB/T14685
GB 50204
建筑用砂
建筑用卵石、碎石
混凝土结构工程施工及验收规范GBJ10混凝土结构设计规范
GBJ107
混凝土强度检验评定标准
农房混凝土构件质量检测方法
JC/T 624
JGJ19冷拔钢丝预应力混凝土构件设计及施工规程混凝土拌合用水质量标准
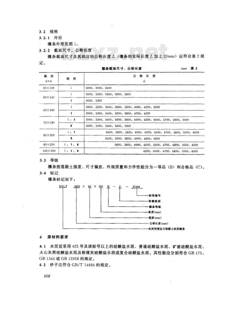
3分类
3.1级别
图1 擦条外形
条按常用屋面习惯做法分为三个荷载级别见表1。不同虚面做法的荷数级别
荷裁级别
相应的最大永久荷裁
700~1000
注:①相应的最大永久荷载不包括条自重。11001500
1600~1900
②所谓常用屋面三种习惯做法:指冷摊机平瓦或机平瓦卧草泥(1级),小青瓦卧草泥或其中再加望砖(I级)以及其他组合做法(直级)。605
3.2规格
3.2.1外形
条外形见图1。
3.2.2截面尺寸、公称长度
条截面尺寸及其相应的公称长度L(擦条的实际长度L加上20mm)应符合表2规定。
60x120
60×140
60×160
70×180
80×200
80×250bzxz.net
100×300
镶条截面尺寸、公称长度
公称长度
3000,33003400
3000,3300,3400,3600,3800
3000,3300
3000,3300,34003600,3800,40004200,45003000,3300,3400.3600,3800,4000,4200mam囊2
3000,33003400,3600.3800:4000,4200.4500,4700+4800,50003000,3300,3400,3600,3800
3400,3600,3800,4000,4200,4500,4700,4800,5000,60003400,3600, 38004000 4200 45003600,3800,4000,4200,4500,4700,4800,5000,60004200 4500,
4700,4800,5000,6000
橡条按混凝土强度、尺寸偏差、外观质量和力学性能分为一等品(B)和合格品(C)。3.4标记
榛条标记如下:
原材料要求
“标准编号
御糖级别
“携察等被
高度(mm)
宽度(mn)
公称长产(mmma)
农房用预应力凝土矩形擦条
4.1水泥宜采用425号及该标号以上的硅酸盐水泥、普通硅酸盐水泥、矿渣硅酸盐水泥、火山灰质硅酸盐水泥及粉煤灰硅酸盐水泥复合硅酸盐水泥。其性能应分别符合GB175、GB1344或GB12958的规定。
4.2砂子应符合GB/T14684的规定。606
4.3粗骨料采用碎石或卵石,其性能应符合GB/T14685的规定。石子最大颗粒粒径不应超过钢筋最小净距离的3/4。
4.4拌制和养护混凝土用水应符合JGJ63规定的要求。4.5掺用的外加剂应符合GB8076的规定。不得掺用加气剂和引气型外加剂。4.6条中的预应力筋应采用甲级冷拔低碳钢丝或冷拔低合金钢丝以及冷轧带肋钢筋,也可用碳素钢丝和刻痕钢丝;非预应力筋宜采用乙级冷拔低碳钢丝。其性能应分别符合JGJ19或GB13788以及GB5223中相应的规定。5
技术要求
混凝土强度
5.1.1混凝土设计强度等级不得低于C30。5.1.2标准养护条件下28d混凝土抗压强度应满足GBJ107的要求。5.1.3预应力筋放张时与构件同条件养护的混凝土抗压强度不得低于混凝土设计强度等级的75%。
5.1.4条出厂时,与构件同条件养护的混凝土抗压强度不得低于混凝土设计强度等级。5.2外观质量和尺寸允许偏差
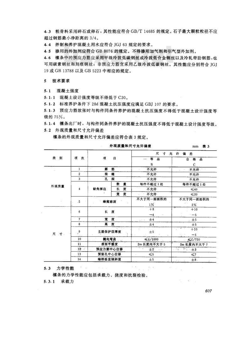
榛条的外观质量和尺寸允许偏差应符合表3规定。外观质量和尺寸允许偏差
外观质量
力学性能
缺角摔边
蜂窝麻面
主筋保护层厚度
侧向弯曲
表面平整度
预应力菌中心位替
预留孔中心位移
端部垂直倾斜值
mm表3
尺寸充许偏差
合格品
不允许
不允许
不允许
每件不超过1处
不允许
不充许
不大于同面面积的
L/1000
2m长度内不大于5
条的力学性能应包括承载力、挠度和抗裂检验。承载力
不充许
不充许
不允许
每件不超过1处
不大于同一面面积的
SL/750
2m长度内不大于?
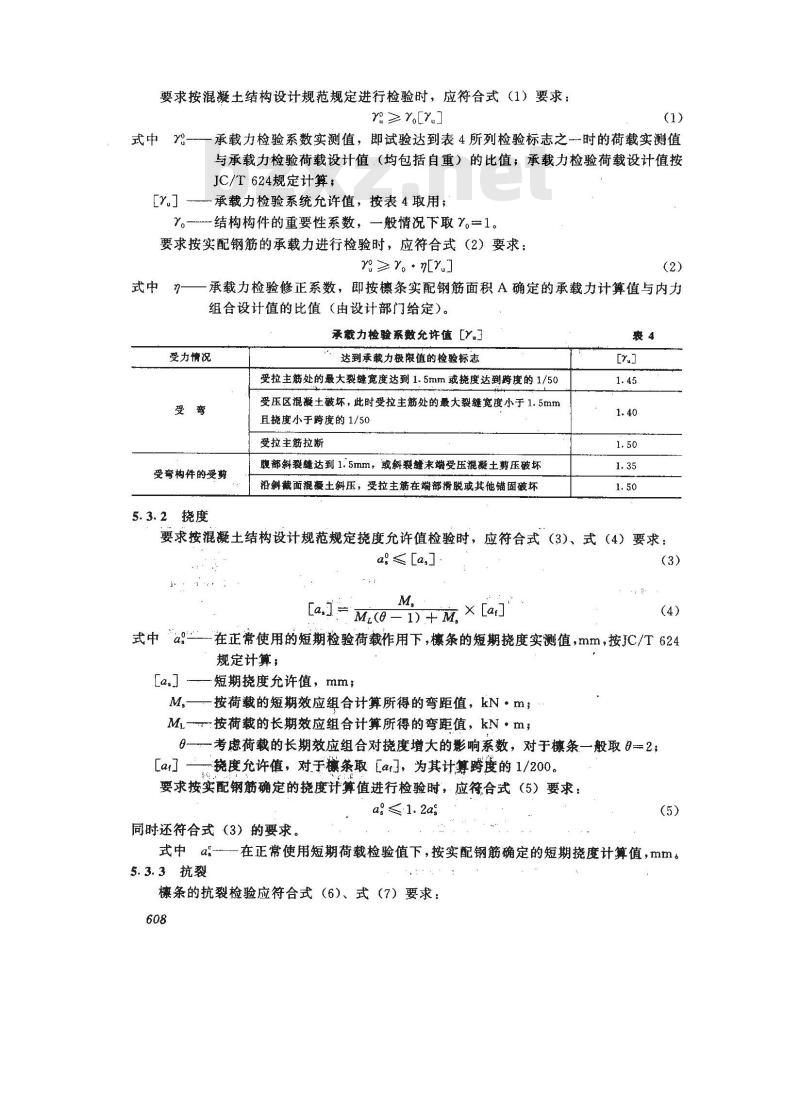
要求按混凝土结构设计规范规定进行检验时,应符合式(1)要求: ≥[
承载力检验系数实测值,即试验达到表4所列检验标志之一时的荷载实测值式中  —
与承载力检验荷载设计值(均包括自重)的比值;承载力检验荷载设计值按JC/T624规定计算;
[]承载力检验系统允许值,按表4取用;-结构构件的重要性系数,一般情况下取。一1。要求按实配钢筋的承载力进行检验时,应符合式(2)要求:≥。·
承载力检验修正系数,即按条实配钢筋面积A确定的承载力计算值与内力组合设计值的比值(由设计部门给定)。承载力检验系数允许值[,
受力情况
受弯构件的受剪
5.3.2挠度
达到承载力极限值的检验标志
受拉主筋处的最大裂续宽度达到1.5mim或挠度达到跨度的1/50受压区混凝土被坏,此时受拉主筋处的最大裂缝宽度小于1.5mm且挑度小于跨度的 1 /50
受拉主筋拉断
腹部斜裂缝达到1.5mm,或斜裂缝末端受压混凝土剪压破坏沿斜截面混凝土斜压,受拉主筋在端部滑脱或其他锚固破坏表4
要求按混凝土结构设计规范规定挠度允许值检验时,应符合式(3)、式(4)要求:a[a]
[a.J- M(e-i)+M.
× [at]
式中“a-—在正常使用的短期检验荷载作用下,条的短期挠度实测值,mm,按JC/T624规定计算,
短期挠度允许值,mm;
一按荷载的短期效应组合计算所得的弯距值,kN·m;M.
Mi—按荷载的长期效应组合计算所得的弯距值,kN·m;9-—考虑荷载的长期效应组合对挠度增大的影响系数,对于条一般取2[a了一一绕度允许值,对于糠条取Eat],为其计算跨度的1/200。要求按实配钢筋确定的挠度计算值进行检验时,应符合式(5)要求:ag1.2as
同时还符合式(3)的要求。
式中a-在正常使用短期荷载检验值下,按实配钢筋确定的短期挠度计算值,mm。5.3.3抗裂
条的抗裂检验应符合式(6)、式(7)要求:608
[er] m 0. 95 × . +r: fu
当檬条采用冷拔钢丝冷轧带肋钢筋配筋时,其抗裂检验系数允许值[7。]按下列两种情况考:
a)当按JGJ19规定act值进行检验时,[e按式(8)计算:Op+?fu
+aets.y.f
b)当设计要求按条实际的抗裂计算值进行检验时,则按式(7)计算。但当式(7)的计算结巢小于式(8)的计算结果时,侧应取式(8)的计算值。式中—抗裂检验系数实测值,即试验时机条第一次出现裂缝时的荷载实测值与正常使用的短期荷载检验值(包括自重)的比值:[-抗裂检验系数允许值;
s-荷载的短期效应组合下的抗裂验算边缘的混凝土法向应力,N/mm2;受拉区混凝土塑性影响系数,对于机条一般取1.75pc-检验时在抗裂验算边缘的混凝土预压应力计算值,N/mm\ft—检验时的混凝土抗压强度标准值,N/mm,acts荷载短期效应组合下,混凝土拉应力限制系数,一般取0.65.4生产工艺中的技术要求
生产工艺中的技术要求应符合附录A(标准的附录)的规定。6检验方法
61混凝土抗压强度、外观质最和尺寸按JC/T624规定进行。
6.2力学性能
按JC/T.624中类构件进行,也采用分配板对并列的两概榛条,按JC/T624中板类构件进行均布加荷试验。
7检验规
7.1检验项目
7、1.1出厂检验:包括混凝士强度、条的外观质量、尺寸和力学性能(各检验项目按规定值检验)。
7.美、2型式检验:包括混凝土强度、条外观质量、尺寸和力学性能(承载裁力、挑度和抗裂间时按规定值和计算值检验)。7.2出厂检验
7.2.1批量
按同一类型的条500件为一个批量,不足500件的也作为个检验批量。注:“同类型”悬指生产茶的钢丝维刻、级别、混凝土设计强度等綫糊生产工艺相同。609
7.2.2抽样
7.2.2.1检验混凝土抗压强度的试件数量应符合下列规定:a)检验混凝土设计强度等级用的试块数量,应在同一原材料,配合比以及相同工艺条件下,每周至少成型二组,但每批量不得少于10组。b)检验预应力放张和出厂强度用的试块数量,每生产班至少成型二组。7.2.2.2外观质量检测应从同一批量中随机抽取25件,不足500件的按5%抽样,但不得少于三件。
7.2.2.3尺寸检验应从同一批量中随机抽取25件,不足500件的按5%抽样,但不得少于三件。
7.2.2.4力学性能检测从同一批量中随机抽取一件进行检验。7.3型式检验
7.3.1有下列情况之一时,需进行型式检验:a)新产品投产时;
b)正常生产时每年进行一次型式检验;c)生产中,如结构、材料、工艺有较大改变可能影响构件性能时;d)长期停产重新恢复生产时;
e)质量监督机构提出要求进行型式检验时。7.3.2型式检验时的混凝土强度、外观质量和尺寸的批量及抽样方法按6.2规定进行。7.3.3力学性能检测从同一批量中随机抽取一件进行检验。7.4判定规则
7.4.1混凝土抗压强度
在标准养护条件下28d,抗压强度应符合.GBJ107的要求。7.4.2外观质量
每件条的外观质量中露筋、裂缝、孔洞符合表3中相应等级的规定,而其它项目中仅有一项不符合表3中相应等级的规定,则该件判为相应等级。7.4.3尺寸
每件擦条的高度、侧向弯曲、主筋保护层厚度的尺寸偏差应符合表3中相应等级的规定,而其它项目仅有1项不符合表3中相应等级的规定,则该件判为相应等级。7.4.4力学性能
条的力学性能应满足4.6规定的要求,但当该试件的承载力及抗裂检验系数仅达到规定允许值的0.95;挠度达到规定允许值1.10倍时,可再抽取两个试件检验。当第一个试件能满足4.6规定要求,或二个试件都能达到承载力和抗裂检验系数规定允许值的0.95倍,挠度达到规定允许值的1.10倍时,均可评为合格。7.4.5综合判定
一个检验批条的所有项目检验结果符合某等级要求时判为相应等级,若不符合,则判该批产品降等或判为不合格品。8产品合格证
条的产品合格证包括下列内容:610
a)批量编号;
b)本标准编号;
c)生产厂名称或商标、生产年、月;d)标记、数量;
e)混凝土强度检验结果;
f)外观质量和尺寸检验结果;
g)力学性能检验结果;
h)质量检验部门签章。
9标志、堆放与运输
9.1标志
出厂的条表面应设有标志,其内容包括生产厂名、商标、标记、生产日期和检验章。9.2堆放
9.2.1生产的条应按品种、规格、标记、生产日期分别码垛堆放。9.2.2堆放场地应坚实、平整;码垛件数:当条截面高度大于200mm时,每垛不超过六件;当截面高度小于200mm时,每垛不得超过八件。9.2.3条码垛应将其正向放在支垫物上,各层间用两个平整支垫物隔开,各层支垫物应在同一垂直线上,支垫距条端部距离为0.1L(L为条长度)。9.3运输
9.3.1条在运输过程中的支垫要求符合9.2.3规定。9.3.2榛条在起吊、运输中应轻起、轻放、严禁碰撞。611
A1构造要求
附录A
(标准的附录)
生产工艺技术要求
A1.1条中受力钢丝的混凝土保护层厚度不应小于20mm。A1.2主筋间净距离不宜小于15mm,当采用冷拔钢丝排列有困难时可以减少到10mm,其配筋数量较多时,也可采用两根并列A1.3截面大于60mm×160mm的条,应在其长度方向的两端各设置2~3个封闭式箍筋。
A2施加预应力要求
A2.1预应力钢丝需要接长时,宜采用钢丝绑扎器并用20~22号铁丝密排绑扎。当采用冷拔低碳钢丝时,其绑扎长度不应小于40d(d为钢丝直径);当采用冷轧带肋钢筋时,其绑扎长度不应小于40~45d;当采用冷拔低合金钢丝时,其绑扎长度不应小于50d。钢丝(筋)搭接长度应比钢丝绑扎长度大10d。严禁手工打结接头。A2.2施加预应力时的张拉控制应力、张拉程序及预应力钢丝检验规定值应符合GBJ10及GB50204的有关规定。
A2.3钢丝实际建立的预应力总值与检验规定值偏差百分率不应超过土5%。附加说明:
本标准由全国水泥制品标准化技术委员会归口。本标准由国家建筑材料工业局苏州混凝土水泥制品研究院、河南温县建筑工程质量监督站、泰兴市水泥制品厂、张家港市塘桥水泥制品厂、如皋市东方水泥制管厂、安徽宿州市水泥构件厂、泰兴市水泥构件厂等单位负责起草。本标准委托国家建筑材料工业局苏州混凝土水泥制品研究院负责解释。本标准主要起草人:庄启才、陆乃鼎、马虎臣、田爱丽、丁玉春、张立新、韩照根、汪剑、傅永平、王作儒、田福寿。本标准自实施之日起,原国家标GB7696一87《农房用预应力混凝士矩形擦条》作废。612
小提示:此标准内容仅展示完整标准里的部分截取内容,若需要完整标准请到上方自行免费下载完整标准文档。