首页 > 建筑材料行业标准(JC) > JC 666-1997 玻璃纤维增强水泥轻质多孔隔墙条板
JC 666-1997

基本信息

标准号: JC 666-1997

中文名称:玻璃纤维增强水泥轻质多孔隔墙条板

标准类别:建筑材料行业标准(JC)

标准状态:已作废

发布日期:1997-05-08

实施日期:1997-11-01

作废日期:2008-01-23

出版语种:简体中文

下载格式:.rar.pdf

下载大小:394759

相关标签: 玻璃纤维 增强 水泥 轻质 多孔 隔墙 条板

标准分类号

标准ICS号:建筑材料和建筑物>>建筑构件>>91.060.10墙、隔墙、房屋正面

中标分类号:建材>>建材产品>>Q15墙体

关联标准

替代情况:已被GB/T 19631-2005含盖。

出版信息

页数:16页

标准价格:18.0 元

相关单位信息

起草人:陈鹤云、徐亚萍、刘光华、刘成昌、崔玉忠、王志新、翁跃进、王吉霖、李运北

起草单位:中国建筑材料科学研究院房建材料与混凝土研究所、苏州混凝土水泥制品研究院

归口单位:全国水泥制品标准化技术委员会

提出单位:国家建筑材料工业局

发布部门:国家建筑材料工业局

标准简介

本标准规定了玻璃纤维增强水泥(简称GRC)轻质多孔隔墙条板产品的分类及分级、原材料、技术要求、试验方法、检验规则和产品标志、运输、贮存。本标准适用于以耐碱玻璃纤维与低碱度水泥为主要原料的预制非承重轻质多孔内隔墙条板。 JC 666-1997 玻璃纤维增强水泥轻质多孔隔墙条板 JC666-1997 标准下载解压密码:www.bzxz.net

标准图片预览

JC 666-1997 玻璃纤维增强水泥轻质多孔隔墙条板
JC 666-1997 玻璃纤维增强水泥轻质多孔隔墙条板
JC 666-1997 玻璃纤维增强水泥轻质多孔隔墙条板
JC 666-1997 玻璃纤维增强水泥轻质多孔隔墙条板
JC 666-1997 玻璃纤维增强水泥轻质多孔隔墙条板

标准内容

JC666-1997
玻璃纤维增强水泥轻质多孔隔墙条板自80年代末研制成功到现在已有很大发展,但目前国内尚无统一标准,各工厂均自订企业标准,为保证产品质量,特制订行业标准。国外无同类产品标准可等同或等效采用,标准是在总结我国玻璃纤维增强水泥轻质多孔隔墙条板多年来生产使用实践的经验,吸取科学研究的成果基础上制订的。在制订本标准时,根据玻璃纤维增强水泥轻质多孔隔墙条板的特点及实际情况,对物理力学性能规定了抗弯破坏荷载、含水率、气干面密度、抗冲击性、干燥收缩值、空气声计权隔声量、耐火极限、燃烧性能、吊挂力、抗折强度保留率。本标准的附录A是标准的附录。
本标准作为强制性标准执行。
本标准由全国水泥制品标准化技术委员会归口。本标准于1997年11月1日实施。
本标准负责起草单位:中国建筑材料科学研究院房建材料与混凝土研究所、苏州混凝土水泥制品研究院。
本标准参加起草单位:上海汇丽墙体材料厂、大连联翔建筑材料公司、北京市建筑材料科学研究院、大连仁达新型墙体建材厂、北京华孚商建材有限公司、江苏宜兴市轻型墙体材料厂、张家港市常阳沙新型墙体材料厂、唐山科利特种水泥有限公司、湖南冷水滩特种水泥厂、河北玉田玻璃纤维联营厂、广州东莞达成建材有限公司、四川广汉市轻质墙材厂。本标准主要起草人:陈鹤云、徐亚萍、刘光华、刘成昌、崔玉忠、王志新、翁跃进、王吉霖、李运北。本标准由中国建筑材料科学研究院房建材料与混凝土研究所负责解释。本标准为首次发布。
中华人民共和国建材行业标准
玻璃纤维增强水泥轻质多孔隔墙条板Glassfiber reinforced cement lightweight hollow panel for partition1范围
JC 666 ---1997
本标准规定了玻璃纤维增强水泥(简称GRC)轻质多孔隔墙条板产品的分类及分级、原材料、技术要求、试验方法、检验规则和产品标志、运输、贮存。本标准适用于以耐碱玻璃纤维与低碱度水泥为主要原料的预制非承重轻质多孔内隔墙条板。2引用标准
下列标准所包含的条文,通过在本标准中引用而构成为本标准的条文。本标准出版时,所示版本均为有效。所有标准都会被修订,使用本标准的各方应探讨使用下列标准最新版本的可能性。GB178—1977水泥强度试验用标准砂GB/T2828—1987逐批检查计数抽样程序及抽样表(适用于连续批的检查)GB/T5464—1985建筑材料不燃性试验方法GB/T9978—1988建筑构件耐火试验方法GBJ75—1984建筑隔声测量规范
GB/T15231--1994玻璃纤维增强水泥性能试验方法JC714-1996快硬硫铝酸盐水泥
JC/T659—1997低碱度硫铝酸盐水泥JGJ63—1989混凝土拌合用水
3产品分类与分级
3.1产品分类
GRC轻质多孔隔墙条板的型号按板的厚度分为60型、90型、120型,按板型分为普通板、门框板、窗框板、过梁板。板型类别和代号见表1。表1产品板型类别和代号
板型类别
普通板
门框板
窗框板
过梁板
3.2产品规格
GRC轻质多孔隔墙条板可采用不同企口和开孔形式,但均应符合表2的规定。图1和图2所示为-种企口与开孔形式的外形和断面示意图。国家建筑材料工业局1997-05-08批准1997-11-01实施
2500~2800
2500~3000
25003500
JC6661997
表2产品型号及规格尺寸
注:其他规格尺寸可由供需双方协商解决板瓣
接缝槽
图1GRC轻质多孔隔墙条板外形示意图接缝槽宽
图2GRC轻质多孔隔墙条板断面示意图3.3分级
接缝槽深
GRC轻质多孔隔墙条板按其物理力学性能、尺寸偏差及外观质量分为一等品(B)、合格品(C)。3.4产品型号标记
标记方法:GRC轻质多孔隔墙条板产品按图3所示方法标记。GRC XX
标准号
图3产品标记
板型代号
JC 666—1997
产品代号为产品主材料的简称GRC与板型类别代号(见表1)组成。示例:
板长为2650mm,宽为600mm,厚为60mm的一等品门框板标记为:GRC
4原材料
2650×600×60BJC666
生产所来用的原材料必须符合相应国家(或行业)标准的要求。4.1玻璃纤维:应采用耐碱玻璃纤维无捻粗纱及其网格布、具有耐碱性能的玻璃纤维网格布,其耐碱性应符合本标准附录A中规定的要求。4.2水泥:应采用低碱度(水泥滤液pH≤11)的水泥,水泥滤液碱度测试按JC/T659附录A的要求进行。
4.3轻集料:其质量应符合相应标准的规定。4.4外掺料:包括水分散聚合物、减水剂、发泡剂、粉煤灰、矿渣等。要求对上述三种主要原材料无有害反应,不影响板材质量;不会释放对人体有害的气体或放射性物质。4.5水:应符合JGJ63的规定。
5技术要求
5.1外观质量
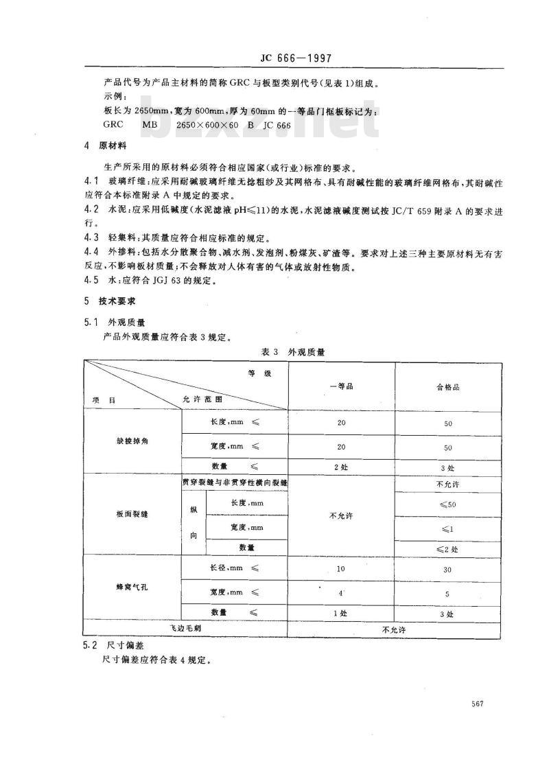
产品外观质量应符合表3规定。
表3外观质量
一等品
缺棱掉角
板面裂缝
蜂窝气孔
5.2尺寸偏差
充许范围
长度,mm2≤
宽度,mm2≤
贯穿教缝与非贯穿性横向发缝
长度,mm
飞边毛刺
宽度,mm
长径,mm2
宽度,mm
尺寸偏差应符合表4规定。
不允许
不允许
合格品
不充许
≤2处
充许值
一等品
合格品
5.3物理力学性能
物理力学性能应符合表5规定。
含水率,%≤
气干面密度
抗折破坏荷载
120型
120型
干燥收缩值,mm/m
抗冲击性,次
吊挂力.N
空气声计权隔声量
耐火极限
120型
120型
燃烧性能
抗折强度保留率(耐久性),%
6试验方法
6.1外观质量
JC 666--1997
表4尺寸偏差允许值
板面平整度
表5物理力学性能
一等品
6.1.1量具:钢板直尺,量程0~300mm,精度1mm。对角线差
接缝槽宽
接缝槽深
合格品
6.1.2测量方法:距板0.5m左右,目测板面的缺梭掉角、贯通裂纹、蜂窝气孔、飞边毛刺等,用钢板直尺测量,记录具体数值及数量。6.2尺寸偏差
6.2.1量具
JC 666—1997
卷尺:量程0~4000mm,精度1mm;游标卡尺0~~150mm;精度0.02mm钢板直尺同6.1.1;内外卡钳;塞尺:0~10mm;靠尺:2m。6.2.2测量方法
a)长度:距板两边100mm,平行于板边,测2处,板纵向中心线,测1处,用钢卷尺拉测,取3个测量值的算术平均值为检测数值,精确至1mm。b)宽度:各距板端100mm,平行于板端测两处;板横向中心线测1处,用钢板直尺测量,取3个测量值的算术平均值为检测数值,精确至1mm。c)厚度:距板两端、两边各100mm交会处各测1处(4处);距板两边100mm与横向中心线交会点各测1处(2处);共6处,用外卡钳与游标卡尺配合测量,取6个测量值的算术平均值为检测数值,精确至 0. 1mm。
实测值与规定尺寸之差即为尺寸偏差。d)表面平整度:用靠尺和塞尺沿板的两条对角线测量,共2处,记录靠尺与板面最大间隙的数值,取其算术平均值为检测数值,精确至1mm。e)对角线差:用钢卷尺测两条对角线长度,取其差值为检测数值,精确至1mm。f)接缝槽:用内外卡钳与钢板直尺测接缝槽宽度与深度、分别取各项目的两个测量数据的算术平均值为该项目的检测数值,精确至0.1mm。6.3物理力学性能
6.3.1含水率
6.3.1.1仪器:
电热鼓风干燥箱:室温~200℃,准确至1℃;精密工业天平:最大量程5kg,精度0.5g。6.3.1.2从条板上横向截取60mm×Tmm×Bmm试件三块。6.3.1.3称取试件质量(m),精确至1g。6.3.1.4将试件放入电热鼓风干燥箱中,温度为50℃土2℃,烘到二次称量之差小于5g,为恒量(m2)。6.3.1.5
试件含水率按式(1)计算:
W=ml=m2×100%
含水率,%;
式中:W--
试件烘干前质量,g;
试件烘干后质量,g。
取三块试件的算术平均值为检测数值,精确至0.1%。6.3.2气干面密度测试
6.3.2.1仪器:台秤:量程0~500kg,精度0.5kg。(1)
6.3.2.2取整块板作试验,当板的含水率≤10%时用台秤称量板重,按式(2)计算板的气干面密度,精确至0.1kg/m2。当板的含水率>10%时,则放置一段时间,使其含水率达到标准要求时,再进行测定。G
式中:o气干面密度,kg/m2;
G—板重量,kg;
L板长度,m
B—板宽度,m。
取三块板的算术平均值为检测数值,精确至0.1kg/m。(2)
6.3.3抗折破坏荷载
6.3.3.1仪器:
JC 666-1997
抗折试验机:荷载示值误差不大于土1%。量程,0~1500N,最小分度值5N。量程,0~6000N,最小分度值20N。试验机应有调速装置,可勾速加荷。6.3.3.2抗折破坏荷载的加荷装置如图4所示。加荷的加荷杆应平行支座。长度等于或大于试样的宽度,加荷杆作用于试样的力应与试样平面相垂直。
1—压杆;2一试样;3—支座
图4抗折破坏荷载的加荷装置
6.3.3.3将试样横向截取1400mm,试件三块。6.3.3.4将试样平置于两个平行支座上,使板中心线与加荷杆中心线重合,两支座间跨距为1200mm,如图4所示,均勾加荷,控制试样在15s至45s内断裂,读取板材断裂最大破坏荷载,精确至最小分度值,取三块板的算术平均值为检数值,修约至整数。6.3.4干燥收缩值
6.3.4.1仪器:
外径千分尺:量程275~300mm,精度0.01mm测量头:采用黄铜或不锈钢制成,如图5所示。调温调湿箱;调温范围室温10~70℃调湿范围室温升10℃时为 95%
调湿范围室温升70℃时为50%~95%1×45°
图5测量头
其余12.5/
6.3.4.2横向截取60mm×Tmm×265~~270mm(60型为4个完整孔,90型为3个完整孔)的试样三块为一组,在试件两头的两平面中心各钻一个直径6~10mm的孔洞,在孔洞内灌人粘结剂,然后埋置测量头,测量头中心线应与试件中心线重合。6.3.4.3试件放置1d后,浸没在水中72h,水温保持在20℃士2℃。570
JC666-1997
6.3.4.4将试件从水中取出,用湿布抹去表面水分,并将测量头擦干净。6.3.4.5用标准杆调整外径干分尺的零点,然后将试件轻放在经水平仪调整的工作台上,调整测量轴线与试件中心线重合。立即测定试件初始长度。6.3.4.6将试件放在温度20℃土3℃,相对湿度为(43士2)%的调温调湿箱内。6.3.4.7每隔4d从箱内取出试件在20℃士2℃的房间内测定1次,直至长度变化小于0.01mm为止,测量前需核正零点,要求每组试件在10min内测完。6.3.4.8干燥收缩值按式(3)计算:S
式中:S-
一干燥收缩值,mm/m;
Li试件初始长度,mm;
试件干燥后长度,mm;
两个测量头长度之和,mm。
以三块试件测试值的算术平均值为检测数值,修约至0.1mm/m。6.3.5抗冲击性
(3)
如图6所示,组装并固定轻质条板,整墙宽度为1800mm,高2500mm,板缝用粘结剂粘结,板与板之间挤紧。24h后将装有30kg标准砂的砂袋(如图7所示)用绳子固定在板面顶框架中部的钢钩或钢环上,绳长1200mm,以绳子为半径沿圆弧将砂袋在与板面垂直的平面内拉开,使其重心提高500mm(标尺测量),然后自由摆动下落冲击设定位置。目测板背面有无裂缝,记录板背面出现贯通裂缝时的冲击次数,作为检测结果。
1一钢管($50mm);2一横梁紧固装置:3一固定横粱(10号热轧等边角钢);4—固定架;5—拼装的隔墙试件;6—标准砂袭,如图7所示;7-吊绳(15mm);8一吊环(内径520mm);9一试件图6抗冲击强度的试验装置
6.3.6吊挂力
JC 6661997
1—帆布;2一注砂口,3一皮革(厚6mm,宽40mm,长70mm)图7标准砂袋
6.3.6.1在板中心线,高2000mm处,凿一个40mm×90mm,深50mm的孔洞,扫除浮灰后,用粘结剂粘结如图8所示的钢吊挂件,吊挂件孔与板面距离100mm,24h后检查吊挂件,必须粘结牢固,否则重装。
钢板吊挂件
6.3.6.2将装好吊挂件的板安装于抗冲试验的框架上,如图9所示。100
1钢管($50mm);2--固定横梁(10号热轧等边角钢),3—紧固螺栓;4—钢板吊挂件;5--试件图9吊挂力的测试装置
6.3.6.3在钢吊挂件的圆孔上,穿一绳圈,将荷载挂在绳圈上,分两级加载,第一级加400N静置2min,再加400N静置24h,观察板面吊挂点周围有无裂缝与破坏,记录检测结果。572
6.3.7空气声计权隔声量
按GBJ 75的规定进行。
6.3.8耐火极限
按GB/T9978的规定进行。
6.3.9燃烧性能
按GB/T5464的规定进行。
6.3.10抗折强度保留率(耐久性)6.3.10.1仪器设备包括:
万能材料试验机:050000N
快速养护箱:温度范围室温~100℃干燥箱:温度范围室温200℃
卡尺:0~150mm;精度0.02mm
JC 666-1997
6.3.10.2采用测试抗折破坏荷载合格的条板剩余部分,沿板长方向截取长250mm,宽50mm,厚10mm试件磨平,纤维距板面2~3mm板状试件,12块。6.3.10.3截取12块试件,其中6块作为对比试件,在27d时将对比试件放入室温水中浸泡24h;另六块作为耐久性试件放于80℃士2℃热水中浸泡28d,然后与对比试件一起放人50℃土2℃烘箱中烘8h。6.3.10.4将试件受压时纤维在下面按GB15231.3中的规定进行测试,分别计算耐久性试件(R1)和对比试件(R。)的抗折强度。
6.3.10.5抗折强度保留率按式(4)计算,修约至整数。R
式中:---抗折强度保留率,%;
Ri—耐久性试件抗折强度,MPa;
R。-对比试件抗折强度,MPa。
7检验规则
7.1出厂检验
(4)
产品出厂必须进行出厂检验。出厂检验项目为5.1和5.2中全部规定以及抗折破坏荷载、气干面密度和含水率。产品经出厂检验合格后方可出厂。7.2型式检验
产品型式检验条件和检验项目如表6。表 6型式检验条件和项目
(1)试制的新产品进行投产鉴定时条
(2)产品的材料、配方、工艺有画大改变,可能影响产品性能时(3)连续生产的产品,每年或生产35000件时(4)产品停产半年以上再恢复生产时(5)出厂检验结果与上次型式检验结果有较大差异时(6)用户有特殊要求时
(7)国家质量监督检验机构提出进行型式检验时检验项目
5.1、5.2和5.3中全部规定
5,1、5.2和5.3中全部规定
5.1、5.2和5.3中全部规定
5.1、5.2和5.3中全部规定
5.1、5.2和5.3中全部规定
5.1、5.2和5.3中部分或全部规定5.1、5.2和5.3中全部规定
7.3出厂检验及型式检验抽样方法7.3.1出厂检验抽样
JC 666—1997
产品出厂检验外观和尺寸偏差按GB/T2828中正常二次抽样方案如表7进行,抗折破坏荷载、气干面密度和含水率在以上项目检验合格的产品中抽取4块进行检验。表7产品二次抽样方案
批量范围
151~280
281~500
501~1200
1201~3200
3201~10000
10001~~35000
气干面密度
含水率
干燥收缩值
抗折破坏荷载
抗折强度保留率
燃烧性能
抗冲击强度
吊挂力
空气声计权隔声量
耐火极限
7.3.2型式检验抽样
样本大小
合格判定数
表8型式检验物理力学性能抽样表第一样本
不合格判定数
第二样本
产品进行型式检验时,外观质量和尺寸偏差按GB/T2828进行抽样,从外观质量和尺寸偏差项目检验合格的产品中按表8抽取样本对物理力学性能项目进行检验。7.4判定规则
7.4.1外观质量与尺寸偏差
7.4.1.1根据试验结果,若受检板外观质量、尺寸偏差均符合5.1、5.2中相应规定时,则判该板是合格板。若受检板外观质量、尺寸偏差、有1项或多于1项不符合5.1、5.2中相应规定时,则判该板是不合格板。
7.4. 1.22
根据样本检验结果,若在第一样本(n1)中发现不合格板数u)小于或等于表7中第一合格判574
JC 666--- 1997
定数(Aci),则判该批是合格批。若在第一样本(n)中发现的不合格板数(ui)大于或等于表7中第一不合格判定数(Re),则判该批是不合格批。若在第一样本(ni)中发现的不合格板数(u),大于第一合格判定数(Ac1),同时又小于第一不合格判定数(Rei),则抽第二样本(n2)进行检查。若在第一和第二样本中发现的不合格板数总和(u十u2)小于或等于第二合格判定数(Ac2),则判该批是合格批。若在第一和第二样本中发现的不合格板数总和(ui十u2)大于或等于第二不合格判定数(Re2),则判该批是不合格批。判定结果如表9。表 9判定结果
u≤Ac
ui≥Rej
Ac(u+uz)≤Ac2
(ui+u2)≥Re2
7.4.2物理力学性能
7.4.2.1出厂检验
合格批
不合格批
抽第二样本进行检验
合格批
不合格批
根据试验结果,若受检板抗折破坏荷载、气干面密度、含水率符合5.3中相应规定时,则判该板是合格板。若受检板的抗折破坏荷载、气干面密度、含水率有1项或多于1项不符合5.3中相应规定时,则判该板性能不合格。
7.4.2.2型式检验
根据样本检验结果,若在第一样本中发现的不合格项目数为0,则判该型式检验合格,若在第一样本中发现的不合格项目数大于或等于2,则判该型式检验不合格。若在第一样本中发现的不合格项目数为1,则抽第二样本对该不合格项目进行检验。第二样本检验,若无任一结果不合格,则判该型式检验合格。若仍有一个结果不合格,则判该型式检验不合格。7.4.3·综合判定规则
根据检验结果,若外观质量、尺寸偏差和物理力学性能全部合格,则判为合格,若有1项或多于1项不合格则判为不合格。
8标志、运输、贮存
8.1标志免费标准下载网bzxz
8.1.1出厂产品应有质量合格证书,合格证书应包括下列内容:a)产品名称、标记;
b)生产厂名、地址;
c)生产日期、生产批号、出厂日期或编号;d)产品检验报告单,其中应有检验人员代号、检验部门印章;e)产品说明书和出厂合格证。
8.1.2出厂产品应有产品标记并写明侧立搬运、防止受潮等字样。8.2运输
产品应侧立搬运,禁止平抬,运输过程中应侧立贴实,用绳索绞紧,支撑合理,防止撞击,避免破损和变形。应有防雨措施。
8.3贮存
8.3.1产品存放场地应坚实平整、干燥通风,防止侵蚀介质和雨水浸害。8.3.2产品应按型号、规格、等级分类贮存。贮存时应采用侧立式,板面与铅垂面夹角不应大于15°;堆长不超过4m;堆层二层。
小提示:此标准内容仅展示完整标准里的部分截取内容,若需要完整标准请到上方自行免费下载完整标准文档。